5. Diseño del sistema
5.1. Partes de un sistema de distribución Lynx
A continuación se añade uno o varios módulos de Lynx Distributor y/o Lynx Power In/Lynx Class-T Power In o una combinación de los mismos.
Juntos componen un embarrado negativo y positivo continuo con conexiones CC y, según la configuración, fusibles integrados, un monitor de baterías y/o gestión de baterías de litio.
5.1.1. Interconexión de módulos Lynx
Cada módulo Lynx puede conectarse a otros módulos Lynx en la parte izquierda y en la derecha. Tenga en cuenta que los módulos M10 no pueden conectarse directamente a los M8 y viceversa.
Si el módulo Lynx es el primero o el último de la fila o se usa solo, se pueden conectar baterías, cargas o cargadores directamente en estas conexiones. Tenga en cuenta que podrían necesitarse más fusibles si las baterías y las cargas están conectadas directamente a las interconexiones.
5.1.2. Orientación de los módulos Lynx
Si el sistema Lynx contiene un Lynx Shunt VE.Can, las baterías siempre han de conectarse en el lado izquierdo del sistema Lynx y el resto del sistema CC (cargas y cargadores) se conecta en el derecho. De este modo se puede calcular correctamente el estado de carga de la batería.
Ejemplo de orientación del módulo Lynx: las baterías se conectan en el lado izquierdo y todas las cargas y cargadores se conectan en el derecho.
Los módulos Lynx se pueden montar con cualquier orientación. Si se montan boca abajo, de modo que el texto de la parte frontal de las unidades también quede boca abajo, use los adhesivos especiales que se incluyen con cada módulo Lynx, de modo que el texto tenga la orientación correcta.
Ejemplo de módulos Lynx montados boca abajo: las baterías se conectan en el lado derecho, todas las cargas y los cargadores se conectan en el lado izquierdo y se colocan las pegatinas invertidas correspondientes.
5.1.3. Ejemplo de sistema - Lynx Shunt VE.Can, Lynx Power In, Lynx Distributor y baterías de plomo-ácido
El sistema contiene los siguientes elementos:
Lynx Power In con cuatro baterías de plomo-ácido de 12 V en paralelo.
La misma longitud de cable para cada batería.
Lynx Shunt VE.Can con fusible principal del sistema y monitor de baterías.
Lynx Distributor con conexiones con fusible para inversores/cargadores, cargas y cargadores. Tenga en cuenta que pueden añadirse módulos adicionales si se necesitan más conexiones.
Cerbo GX (u otro dispositivo GX) para leer los datos del monitor de baterías.
Sistema con Lynx Shunt VE.Can, baterías de plomo-ácido y un Lynx Distributor
Sistema con Lynx Shunt VE.Can, baterías de plomo-ácido y un Lynx Distributor
5.2. Dimensionamiento del sistema
5.2.1. Corriente nominal de los módulos Lynx
El Lynx Distributor, el Lynx Shunt VE.Can, el Lynx Class-T Power In y el Lynx Power In tienen una corriente nominal de 1000 A para tensiones del sistema de 12, 24 o 48.
Para tener una idea de la potencia nominal de los módulos Lynx con distintas tensiones, véase la tabla siguiente. La potencia nominal sirve de indicación para saber el tamaño del sistema de inversor/cargador conectado. Tenga en cuenta que si se usan inversores o inversores/cargadores, los sistemas de CA y CC se alimentarán desde las baterías. Tenga en cuenta también que un Lynx Smart BMS o un Lynx Ion (actualmente descatalogado) pueden tener una menor corriente nominal.
12 V | 24 V | 48 V | |
|---|---|---|---|
1000 A | 12 kW | 24 kW | 48 kW |
5.2.2. Fusibles
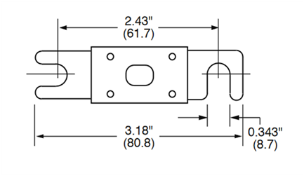
El modelo M10 de Lynx Shunt VE.Can acepta un fusible CNN o ANL y también cuenta con espacio para el fusible falso (pieza del embarrado) proporcionado si el fusible principal se instala fuera del shunt. También se puede instalar un fusible Mega en los tornillos M6. En Victron disponemos del fusible CNN de 325 A/80 V (referencia del artículo CIP140325000), pero se pueden encontrar de 35 A hasta 800 A en casi cualquier sitio.
![]() |
Dimensiones del fusible CNN en pulgadas (mm)
Use siempre fusibles con la corriente y la tensión nominales correctas. Adapte el valor nominal del fusible a las tensiones y corrientes máximas que puedan darse en el circuito con los fusibles. Para más información sobre valores nominales de fusibles y cálculos de la corriente del fusible, véase el libro Cableado sin límites.
Atención
El valor total de los fusibles de todos los circuitos no debe superar la corriente nominal del módulo Lynx, o el modelo Lynx con la corriente nominal más baja en caso de que se usen varios módulos Lynx.
5.2.3. Cableado
La corriente nominal de los cables usados para conectar el Lynx Shunt VE.Can (M10) a las baterías y/o a las cargas CC ha de ajustarse a las máximas corrientes que pueden producirse en los circuitos conectados. Use cables con una sección de núcleo suficiente para la corriente nominal máxima del circuito.
Para más información sobre cableado y cálculo del grosor de los cables, véase nuestro libro Cableado sin límites.
