7. Bijlage
7.1. A: Aansluitingen overzicht
![]() | ||
A | Belastingsaansluiting AC-out-2 - Van links naar rechts: N (neutraal), L2 (fase 2), PE (aarde/aarding), L1 (fase 1) | |
B | Belastingsaansluiting AC-out-1 - Van links naar rechts: N (neutraal), L2 (fase 2), PE (aarde/aarding), L1 (fase 1) | |
C | AC-ingang - Van links naar rechts: N (neutraal), L2 (fase 2), PE (aarde/aarding), L1 (fase 1) | |
D | Aux-relais - Van links naar rechts: NO, NC, COM | |
E | Veiligheids aarde-aansluiting (PE) - M8-bout | |
F | Druppellading positieve aansluitklem (alleen 12 en 24 V-model) | |
G | Positieve accu-aansluitingen - 2 x M8-bout | |
H | Negatieve accu-aansluitingen - 2 x M8-bout | |
I | Stroomschakelaar - Om te schakelen: 1 =Aan, 0=Uit, ||=alleen lader | |
J | Drukknop A - Om een opstart uit te voeren zonder hulp | |
K | Remote aan / uit-aansluiting - Sluit klem kort om “AAN” te zetten | |
L | VE.Bus-connectoren - 2 x RJ45: Voor afstandsbediening en / of parallelle / driefasenwerking | |
M | Externe stroomsensor Om de stroomsensor aan te sluiten: de draadbrug tussen de aansluitklemmen INT en COM weghalen, de rode sensordraad aansluiten op de aansluitklem EXT en de witte sensordraad aansluiten op de aansluitklem COM. | |
N | I/O-Klem, van boven naar beneden:
| |
7.2. B: blokdiagram
* Zie tabel in Hoofstuk 4.2 “Aanbevolen DC-zekering”
7.3. C: Parallelle aansluiting-diagram
7.4. D: Driefasen aansluiting-diagram
7.5. E: Laadalgoritme


Vierfasig opladen:
Bulk
Begint als de lader wordt gestart. Constante stroom wordt toegepast totdat de nominale accuspanning is bereikt, afhankelijk van temperatuur en ingangsspanning, waarna constant vermogen wordt toegepast tot het punt waar overmatige gasvorming begint (14,4 V resp. 28,8 V of 57,6 temperatuur gecompenseerd).
BatterySafe:
De aangelegde spanning op de accu wordt geleidelijk verhoogd totdat de ingestelde absorptiespanning is bereikt. De BatterySafe-modus maakt deel uit van de berekende absorptietijd.
Absorptie
De absorptie periode is afhankelijk van de bulk periode. De maximale absorptietijd is de ingestelde maximale absorptietijd.
Druppel
Druppel-spanning wordt toegepast om de accu volledig geladen te houden
Opslag
Na één dag druppelladen wordt de uitgangsspanning teruggebracht tot opslagniveau. Dit is 13,2 V voor 12 V, resp. 26,4 V voor 24 V en 52,8 V voor 48 VACcu's. Dit beperkt het waterverlies tot een minimum als de accu is opgeslagen voor het winterseizoen. Na een instelbare tijd (standaard = 7 dagen) zal de lader in de Herhaalde Absorptie-modus gaan voor een instelbare tijd (standaard = één uur) om de accu te 'verfrissen'.
7.6. F: Temperatuurcompensatiegrafiek

De bovenstaande grafiek toont de standaard uitgangsspanningen voor Druppelladen en Absorptie, van toepassing bij 25 °C voor 12 en 24 V accubanken. Vermenigvuldig voor een 48 V accubank de 24 V spanningen met 2.
Verminderde druppellaadspanning volgt druppellaadspanning op en verhoogde absorptiespanning volgt absorptiespanning op.
Temperatuurcompensatie is niet van toepassing in de aanpassingsmodus.
7.7. G: Afmetingen behuizing


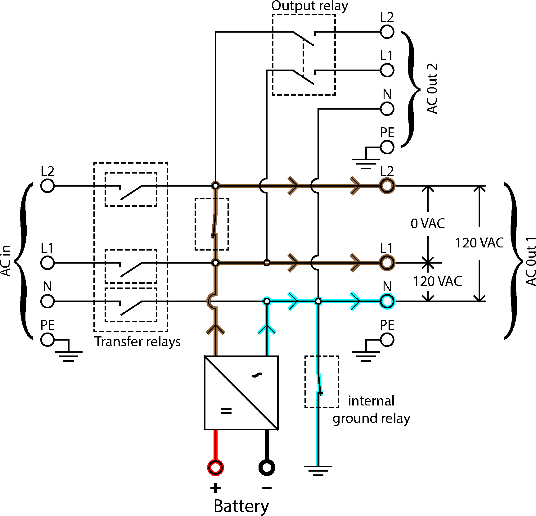
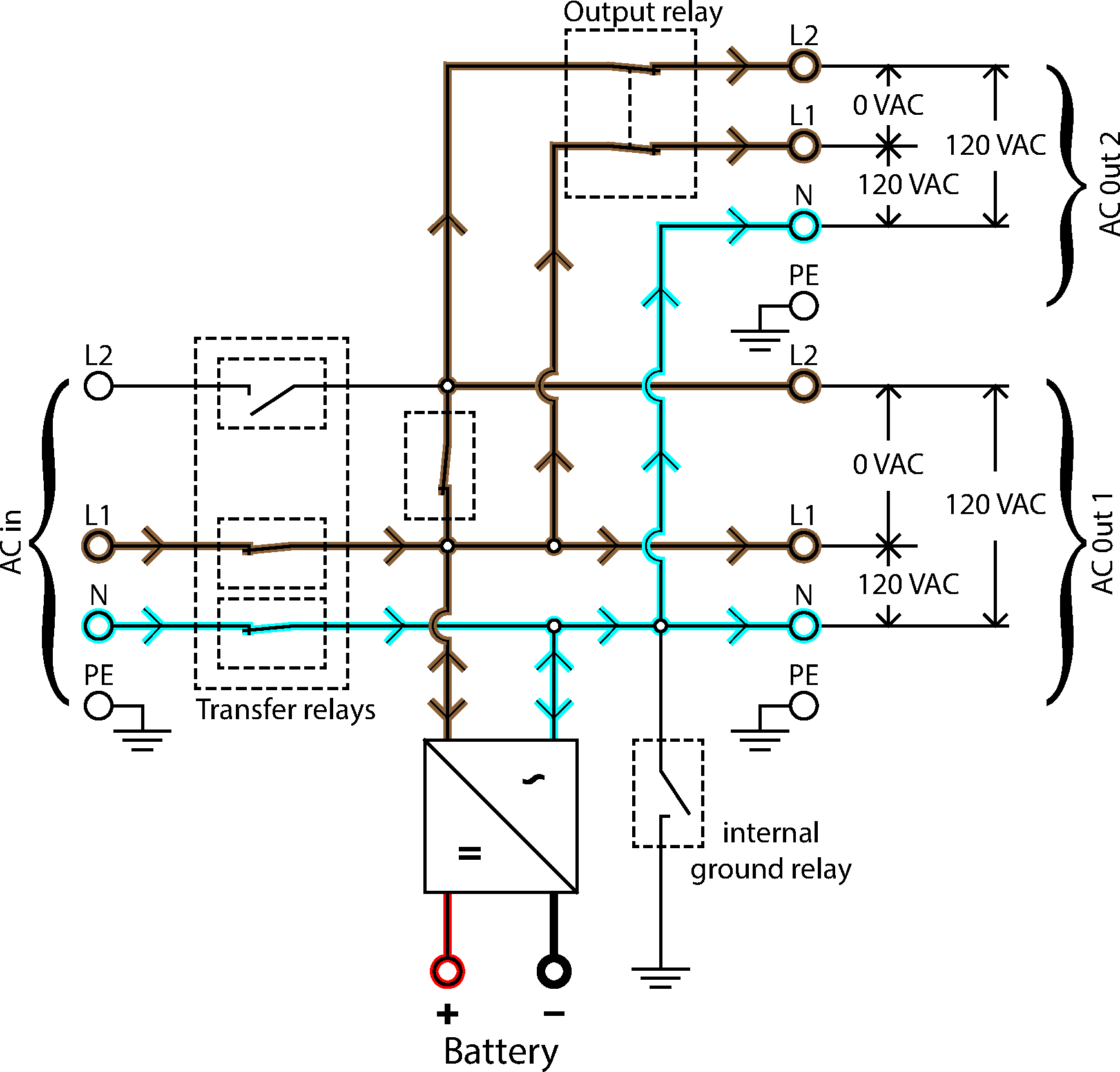
7.8. Stroom schema's

Stroom schema's omvormer

Stroom schema's enkele fase

Stroom schema's gesplitste fase
