Table of Contents
Offgrid Lithium - BYD on Victron install guide
Installation experience and basic review for BYD B-Box Res IP55 with 4×2.5kWh batteries on Victron off-grid MultiPlus system.
Guide by: Oliver Holmgren & Guy Stewart
Disclaimer:
Some of the information presented in this guide is now out-of-date and depreciated. For now it has been left here for historical and reference purposes. However it is not intended to represent the current best practice for part selection or procedure. Please refer to the Victron & BYD page for the latest compatibility information and installation advice.
This guide is not intended to replace reading (and comprehending) the manufactures own manuals. It is intended to supplement and provide additional information specific to a Victron and BYD system.
No warranty of the accuracy or completeness of the information in this document is given. Any qualified or otherwise party who chooses to use this document and the information contained does so at their own discretion and risk. The authors of this document are in no way liable for the use or misuse of this information.
Cabinet, breakers and cables
Packaging seemed solid enough and indicates that this is Version 1.1. There were no damage or marks to paint or otherwise.
BYD advises that all batteries and cabinets must remain in their original factory packaging until they are on site.
There was no installation manual or warranty documentation included. Also see BYD installation video.
The cabinet seems decently made. External edges are smooth. The access panel (not door) is screwed on with six button head cap screws (also called allen key or hex key bolts).
BYD B-Box IP55 Cabinet V1.1
There is a foam seal all the way around the panel that should seal reasonably well when screwed on. The screws bound in their threads a little. Some remains of metal particles in the threads seemed to be the cause. The second unit we installed actually had one screw seize in the thread and needed cutting off and drilling out. There are handles on the side for lifting. There are air vents on the top right and bottom left. They are screened with a fine metal mesh and have filter foam on the inside. However the filter foam wasn’t perfectly flat. Might need adhering to work properly. Given there isn’t much air flow in the box I can’t imagine this will be an issue. The main thing I was worried about was sharp edges inside the cabinet that would make installation an issue but all the edges seemed finished reasonably well. No cuts or scrapes on hands after the install.
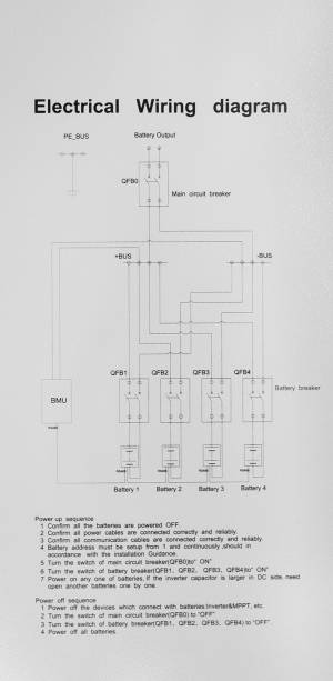
There is an electrical wiring diagram on the inside of the access panel.
There are four individual breakers (one per battery unit) that are externally switchable and one main breaker (also externally switchable).
Both breaker blocks must be unbolted to get to the clamp screws for installing the remaining cables. The battery cables supplied with each battery are lugged on both ends. The lugs are of different sizes. Ensure you select the correct lug size for the battery end and the larger end for the breaker block. Pay close attention to the cut marks on the cables, all cables should be a consistent length for equal resistance and balanced charging and discharging. You will have to cut the cables to remove the lugs off at the breaker block end. Little lightweight cable end crimps are supplied that are soft enough to conform when screwed down in the breaker blocks.
Caution: ensure you seat and firmly tighten the cables in the breaker blocks.
I tightened the screws and then wiggled the cables and then check the cables couldn’t move in the breaker blocks. Reason being is its very hard to get to the screws to tighten the breaker block clamps after all the batteries are installed in the cabinet. Obviously also be careful as the breaker blocks could…break, if over tightened.
Because the cabinet can have 1, 2, 3 or 4 batteries installed, quite a lot of cabling still need installing. This may be a downside for installers given the time it takes to get it all in place compared to a pre built unit.
There are nice cable management channels however there are metal screws that hold them on that stick up.
This seems really bad design as there is the possibility that the metal screws could damage the single insulated battery cables.
Power cables
I have mentioned a bit about this earlier. Basically, I cut the bigger lugs off the power cables and crimped the soft crimps onto the fresh ends and installed them into the four way breaker block.
I then routed the cables (through the bad cable management channels). Two sets to the top and two set to the bottom. I did notice the positive cables were longer. Not sure why.
The BYD manual says to test the battery voltage. The batteries are all still off at this stage. Voltage was 12.2v on all batteries. This indicates the BMS is live, but the internal relay is open.
Connect the output side of the BYD main breaker (internal to the cabinet) to the main system disconnection device (DC breaker or fuse assembly, external to the cabinet). Arguably in Australia if you only have one cabinet, the inbuilt 125A DC cabinet fuse is sufficient. However it is not clear where it is at a glance, and in case of an emergency, fast shutdown should be VERY OBVIOUS.
BMU, BMS and internal coms cabling (updated)
There are several elements to the BYD system. There is a single central Battery Management Unit (BMU), this is able to communicate to up to 32 individual 2.5kWh battery modules. Each of the battery modules also has their own Battery Management System (BMS) to individually protect the cells, and report back to the BMU, which collects data from all of them and reports it to the GX device.
The BYD Battery Management Unit (BMU) is in the bottom section of the cabinet, it is incorrectly labelled BMS in this picture.
It has a CAN bus RJ45 port on the left hand side, nearest to the green relay connection block, which is labeled, that connects to the CAN bus port on the Color Control GX (CCGX) or Venus GX. The BMS layout, colour and port configuration differed from the installation manual. Victron call the CAN port VE.CAN on their products. The Victron CAN bus and BYD CAN bus protocols are a bit different. As such it is only possible to use one or other of the communication methods on a single CAN bus. It is important to understand here that a CAN bus can have many ports but they are all on the one bus. In this case the CCGX has two CAN ports but they are on the one bus.
There are settings in the CCGX that allow you to switch between the CAN bus protocols. This is not an issue for users who have no VE.CAN devices. For new installs it is recommended to use VE.Direct MPPTs where possible.
However, this installation uses the MPPT with VE.CAN.
In the current version of Venus (2.15) the second CANbus on the Venus GX is now operational and configurable from the GUI. We now have both VECAN mppt and BYD connected and logging data through the Venus GX.
There is another RJ45 connector on the bottom of the BMU that is not labeled. It has a cable plugged into it that goes to the top of the cabinet. If I had been installing 1 or 2 batteries the cable could have stayed plugged in. To install 3 or 4 batteries, take it out. This port is the main “COMout” that should connect to the last battery Management System (BMS) on the last battery.
The little ethernet jumper cables intended for connecting the BMSs together are labeled with COMin and COMout ends. Because one comes in every battery box, there was one left over.
This guide originally advised to connect battery number 1 first. Current advice is now to connect the last battery first. Both configurations are out there working properly, and it may not make a difference, but it seems a good idea to follow the current advice.
Put the COMout end of the first ethernet jumper cable into the bottom unlabeled port of the BMU and the other end into the left RJ45 port of battery #4. Then put the COMout end of the second jumper into the right RJ45 port of Battery #4 and put the COMin end into the RIGHT port of the battery #3.
Then put the unlabelled ethernet cable that was originally plugged into the BMS into the left RJ45 port on battery #3.
The top end of the cable went into the left port of battery#2. Finally the COMout of the third jumper went into the right port of battery #2 and the COMin went into the right port of battery #1.
BMS to CCGX (or Venus GX) cabling (updated)
A custom ethernet cable is required to to connect the BYD BMU to a Victron GX device (CCGX or VGX).
Use the VE.Can to CAN-bus BMS type A Cable, part number ASS030710018. Plug the side which is labeled Battery BMS into the BYD BMU. Plug the side labeled Victron VE.Can into the GX device.
Then, plug a VE.Can terminator in the other VE.Can socket on the CCGX. Two VE.Can terminators are included with the package of the CCGX as an accessory, only one is used. Keep the other one as a spare.
More information about the cable can be found in its manual.
While it is HIGHLY recommended to use the pre-manufactured TYPE A cable, you may need to make your own. This is how to wire it.
Custom Cable pinout for CCGX
| Function | VE.Can RJ-45 | B-Box RJ-45 |
|---|---|---|
| GND | Pin 3 | Pin 6 |
| CAN-L | Pin 8 | Pin 5 |
| CAN-H | Pin 7 | Pin 4 |
For reference here’s an ethernet plug diagram. Be aware that some ethernet cables may vary.
To make up the custom ethernet cable for the CCGX properly you should use a proper crimper and fresh RJ45 male connectors.
Label both ends of the cable and install it.
Custom Cable pinout for Venus gx
| Function | Venus GX (canbus2) | B-Box RJ-45 |
|---|---|---|
| GND | GND | Pin 6 |
| CAN-L | CAN-L | Pin 5 |
| CAN-H | CAN-H | Pin 4 |
Battery addressing
The batteries need to be addressed with the “ADDR” jumper blocks.
Be aware that the numbering system is binary. Down is 0 and up is 1. The numbers under the jumper block indicate the number of the jumper.
Battery jump block config from manual
| Battery # | Address | eg |
|---|---|---|
| 1 | 100000 | First jumper up, all the rest down |
| 2 | 010000 | Second jumper up, all the rest down |
| 3 | 110000 | First two jumpers up, all the rest down |
| 4 | 001000 | Third jumper up, all the rest down |
| 5 | 101000 | First jumper up, Third jumper up, all the rest down |
| 6 | 011000 | Second jumper up, Third jumper up, all the rest down |
| 7 | 111000 | First three jumpers up, all the rest down |
| 8 | 000100 | Forth jumper up, all the rest down |
| 9 | 100100 | First jumper up, Forth jumper up, all the rest down |
| 10 | 010100 | Second jumper up, Forth jumper up, all the rest down |
| 11 | 110100 | First and Second jumper up, Forth jumper up, all the rest down |
| 12 | 001100 | Third jumper up, Forth jumper up, all the rest down |
| 13 | 101100 | And so on… |
| 14 | 011100 | |
| 15 | 111100 | |
| 16 | 000010 |
BMS to Multi/Quatro communications wiring
The Multi/Quattro needs to be connected to the GX device via the VEbus connection with an ethernet cable.
Inverter/Charger (Multiplus, Quatro etc) firmware and settings
Updating firmware for Victron VE.BUS products is not recommended for end users. I don’t think there will be many end users doing all this anyway but do heed Victron’s warnings about this procedure. It’s complicated!
If you already have a power source, you can and should configure all the required settings first. We had a functioning lead acid bank to operate off while setting everything up. If you don’t then this whole procedure may vary a little.
This is important to consider that if the BYD battery has not yet been detected by the GX device, it may turn itself off without the signal for it to “stay alive”. If the battery turned off midway through a firmware update the consequences could be serious. Ideally the connection between the CCGX/Venus GX and the BYD is established first, and the battery will continue to operate. If you plan to use the BYD to power the inverter/charger for the firmware update process, first ensure the battery is connecting to the CCGX/Venus GX and wait ten minutes to ensure its all operating correctly. If this is not possible, such as a firmware update is required on the CCGX. Then it is possible to temporarily run the battery without shutting down by disconnecting the RS485 cable that connects the battery module to the BMU. This is very temporary situation until you can connect the GX device for normal operation.
See victron documentation for selecting the correct firmware.
Use VE Configure to set charge parameters
Victron BYD integration page suggests these settings.
| Parameter | Setting |
|---|---|
| Battery Type | Lithium |
| Charge Curve | Fixed |
| Absorption Voltage | 56.5V |
| Float Voltage | 55V |
| Absorption Time | 1 HR |
The specifications on the battery units themselves.
We contacted Victron about the discrepancy. The official reply was: The settings given in our instructions are the correct settings. These have been checked and verified by BYD themselves. Area Manager Oceania Victron Energy BV.
Important note: Users who have the Victron VE.CAN MPPT solar charges will NOT be able connect them to the CCGX CAN bus at the same time as the BYD BMS. Considering the BYD BMS must be connected, it is not possible to monitor and manage the MPPT via VE.CAN.
A second CANbus is available on the Venus GX is now operational and configurable from the GUI. We now have both VECAN mppt and BYD connected and logging data through the Venus GX.
For those users that have Victron VE.Direct MPPT solar chargers, the charges should connect and operate as usual.
Configure VE.CAN MPPT
I had already updated firmware to 2.05. If you haven’t, use the remote update procedure through the CCGX and the VRM to do it to save the need for the very expensive USB to VE.CAN cable. Set the charge profile to #8 (user configurable). Do not set it to Lithium! That setting is for Victron lithium and is not appropriate.
Again, set the charge parameters as follows
| Parameter | Setting |
|---|---|
| Absorption Voltage | 56.3V |
| Float Voltage | 56.2V |
| Absorption Time | 1 HR |
Ensure you turn down the max absorption time to 1 hour.
For those with VE.CAN MPPTs, there was an update to the hardware in 2014 adding the Remote On/Off hardware. The Remote On/Off function talked about on the Victron BYD integration page may only be configured on those later models. I was able to get a fully operational system without it. We are waiting on clarification but it appears it is only required for grid interactive systems that use the BYD battery with VE.CAN MPPTs.
This is not an issue with the VE.Direct MPPTs.
Startup procedure
Pre-startup check:
- Ensure all batteries are off. There should not be any lights showing on the batteries.
- Ensure solar breaker is open (off)
- Solar Charger will be off as there is no power yet and breaker is off. There is no hardware switch.
- Ensure the inverter/charger switch is off.
- Ensure DC breaker and fuse assembly is open (off).
- Ensure Main BYD breaker is open (off).
- Ensure all four battery breaks are open (off).
- Ensure all cables are firmly seated and attached properly.
- Ensure all coms cables are seated and attached properly.
- Take all reasonable and legal measures required.
- Ensure all settings in the Multi/Quatro, the solar charger and the CCGX/Venus GX are programed correctly.
Startup procedure:
- Start Battery #1 by holding the reset button down for 1 second. The lights on the left should come on.
- Repeat the procedure for the remaining batteries
- Close (turn on) the individual battery breakers.
- Close (turn on) the main DC breaker and fuse assembly (external to the BYD battery).
- Ensure all settings in both are ready.
- Configure the CAN bus you have connected to the BYD. Set it to CANbus BMS (500kbaud rate) which is whats required for communication with the BYD BMS.
CCGX–>Settings–>Services–>CAN-Bus BMS(500kbaud)
- Turn on Multi/Quatro. If it does not come on after the usual warm up period, something isn’t right.
- Close (turn on) the main solar breaker
- Enable charging on the MPPT
Check Parameters
On the GX device, open the menu and select the BYD battery. Scroll down to the Parameters menu option.
Inside there is some data communicated by the BYD BMU to the GX device via the CANBus.
The Discharge Current Limit should be 35A per cell, eg 70A for 2 cells.
The Max Charge Voltage should be 56.5V.
Charge Current limit will vary depending on battery state of charge and temperature.
If this isn't the case, time to go troubleshooting.
Hopefully this info has been helpful.
Add this page to your book
Remove this page from your book
Manage book (
Help 



