8. Anexă
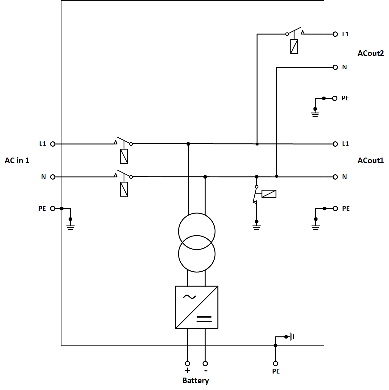
8.1. A: Prezentare conexiune
![]() | ||
A | Conexiune sarcină. AC-out-1 De la stânga la dreapta: N (neutru) și L (fază). | |
B | Conexiune sarcină. AC-out-2 De la stânga la dreapta: N (neutru) și L (fază). | |
C | Intrare curent alternativ: De la stânga la dreapta: N (neutru) și L (fază). | |
D | Senzor de curent extern. Pentru conectarea senzorului de curent; îndepărtați puntea de cablu dintre bornele INT și COM, conectați firul roșu al senzorului la terminalul EXT și conectați firul alb al senzorului la terminalul COM. | |
E | 2 x conector VE.Bus RJ45 pentru controlul la distanță și/sau funcționarea paralelă/trifazică. | |
F | Conector pornire/oprire pentru comutator la distanță: Scurtătură pentru a comuta pe „pornit”. | |
G | Contact de alarmă: (de la stânga la dreapta) NO, NC, COM. | |
H | Bară de împământare pentru conexiunile de intrare de curent alternativ PE, cât și de ieșire a curentului alternativ PE și conexiuni M6 de împământare a șasiului. | |
I | Terminal pentru: de sus în jos:
| |
J | Apăsați butonul A – pentru a efectua pornirea fără asistenți. | |
K | Conexiune pozitivă baterie M8. | |
L | Conexiune minus baterie M8. | |
M | Comutator principal: 1=pornit, 0=oprit, ||=doar încărcător | |
8.2. B: Schemă bloc

* Consultați tabelul din capitolul 4.2 „Siguranță recomandată pentru curent continuu“
8.3. E: Algoritm de încărcare


Încărcarea în 4 trepte:
Bulk
Introdus la pornirea încărcătorului. Se aplică un curent constant până în momentul în care se atinge tensiunea nominală a bateriei, în funcție de temperatură și de tensiunea de intrare, după care se aplică o putere constantă până la punctul în care începe gazarea excesivă (resp. 14,4 V, 28,8 V sau 57,6 compensată de temperatură).
BatterySafe
Tensiunea aplicată la baterie este ridicată treptat până la atingerea tensiunii de absorbție setate. Modul de funcționare în siguranță a bateriei face parte din timpul de absorbție calculat.
Absorption
Perioada de „Absorption” depinde de perioada „Bulk”. Timpul maxim de „Absorption” este timpul maxim de „Absorption” setat.
Float
Se folosește tensiunea de „Float” pentru a ține bateria complet încărcată.
Stocare
După o zi de încărcare în „float”, tensiunea de ieșire este redusă la nivelul de stocare. Acesta este de 13,2 V pentru 12 V, 26,4 V pentru 24 V și 52,8 V pentru 48 V. Acest lucru va limita pierderea apei la minim atunci când bateria este înmagazinată pentru sezonul de iarnă. După un timp reglabil (implicit = 7 zile), încărcătorul va intra în modul de „absorption” repetat pentru un timp reglabil (implicit = o oră) pentru a „reîmprospăta” bateria.
8.4. F: Schemă de compensare a temperaturii

Graficul de mai sus afișează tensiunile de ieșire implicite pentru „Float” și „Absorption” la 25 °C pentru baterii de 12 și 24 V. Pentru un banc de baterii de 48 V, înmulțiți tensiunile de 24 V cu 2.
Tensiunea de „Float” redusă urmează după tensiunea de „Float” și tensiunea de absorption mărită urmează după tensiunea de absorption.
Compensarea temperaturii nu se aplică în modul de reglare.
8.5. G: Dimensiuni carcasă


