8. Apêndice
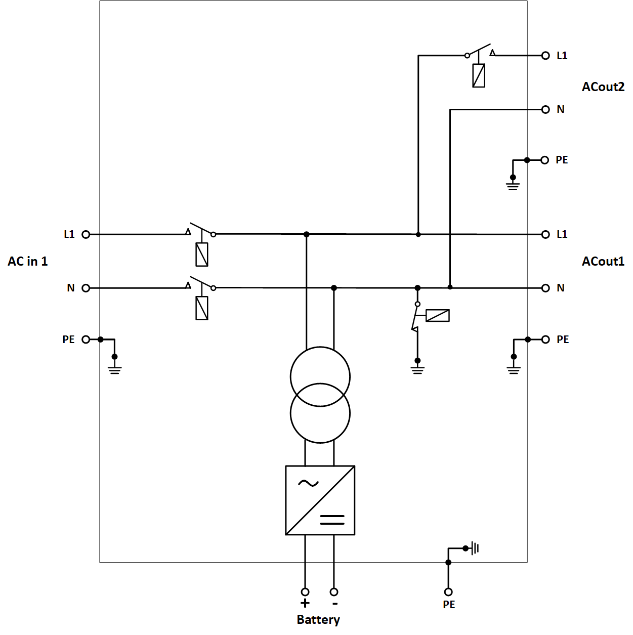
8.1. A: vista geral das ligações
![]() | ||
A | Ligação de carga. AC-out-1. Da esquerda para a direita: N (neutro) e L (fase). | |
B | Ligação de carga. AC-out-2. Da esquerda para a direita: N (neutro) e L (fase). | |
C | Entrada CA: Da esquerda para a direita: N (neutro) e L (fase). | |
D | Sensor de corrente externo. Para conectar o sensor de corrente; remova a ponte de fios entre os terminais INT e COM, conecte o fio vermelho do sensor ao terminal EXT e conecte o fio branco do sensor ao terminal COM. | |
E | 2 x fichas RJ45 VE.Bus para painel remoto e/ou funcionamento em paralelo ou trifásico. | |
F | Conector para interruptor de ligar/desligar remoto: Curto-circuito para “On”. | |
G | Contacto do alarme: (da esquerda para a direita) NO, NC, COM. | |
H | Barramento de terra para ambas as conexões PE de entrada CA, PE de saída CA e conexões M6 de terra do chassis. | |
I | Terminal para: de cima para baixo:
| |
J | Botão de pressão A – Para um arranque sem assistentes. | |
K | Ligação positiva de bateria M8. | |
L | Ligação negativa de bateria M8. | |
M | Interruptor principal: 1=On, 0=Off, ||=apenas carregador | |
8.2. B: diagrama de blocos

* Consulte a tabela na secção 4.2 «Fusível CC recomendado»
8.3. E: algoritmo de carga


Carga de 4 etapas:
«Bulk» (inicial)
Introduzida com o arranque do carregador. A corrente constante é aplicada até atingir a tensão da bateria nominal, dependendo da temperatura e tensão de entrada; depois é aplicada uma potência constante até ao início de uma gaseificação excessiva (14,4 V, 28,8 V ou 57,6 V resp., temperatura compensada).
BatterySafe
A tensão aplicada à bateria aumenta gradualmente até atingir a tensão de absorção configurada. O modo BatterySafe (bateria segura) pertence ao tempo de absorção calculado.
«Absorption» (absorção)
O período de absorção depende do período de carga inicial. O tempo de absorção máximo corresponde ao tempo de absorção máximo.
«Float» (flutuação)
A tensão carregada lenta permite manter a bateria completamente carregada.
Armazenagem
Após um dia em carga de flutuação, a tensão de saída diminui para o nível de armazenagem. Corresponde a 13,2 V resp. 26,4 V (para carregador 24 V e 52,8V 52,8 V). Isto reduzirá a perda de água ao mínimo durante a armazenagem da bateria durante o inverno. Depois de um tempo regulável (defeito =7 dias), o carregador entra no modo absorção repetida durante um período regulável (defeito = uma hora) para reparar a bateria.
8.4. F: gráfico de compensação de temperatura

O gráfico anterior mostra as tensões de saída padrão em Flutuação e Absorção a 25 ºC para bancos de baterias de 12 V e 24 V. Num banco de baterias de 48 V, multiplique as tensões de 24 V por 2.
A tensão de flutuação reduzida sucede à tensão de flutuação e a tensão de absorção sucede à tensão de absorção aumentada.
A compensação da temperatura não se aplica no modo de ajustamento.
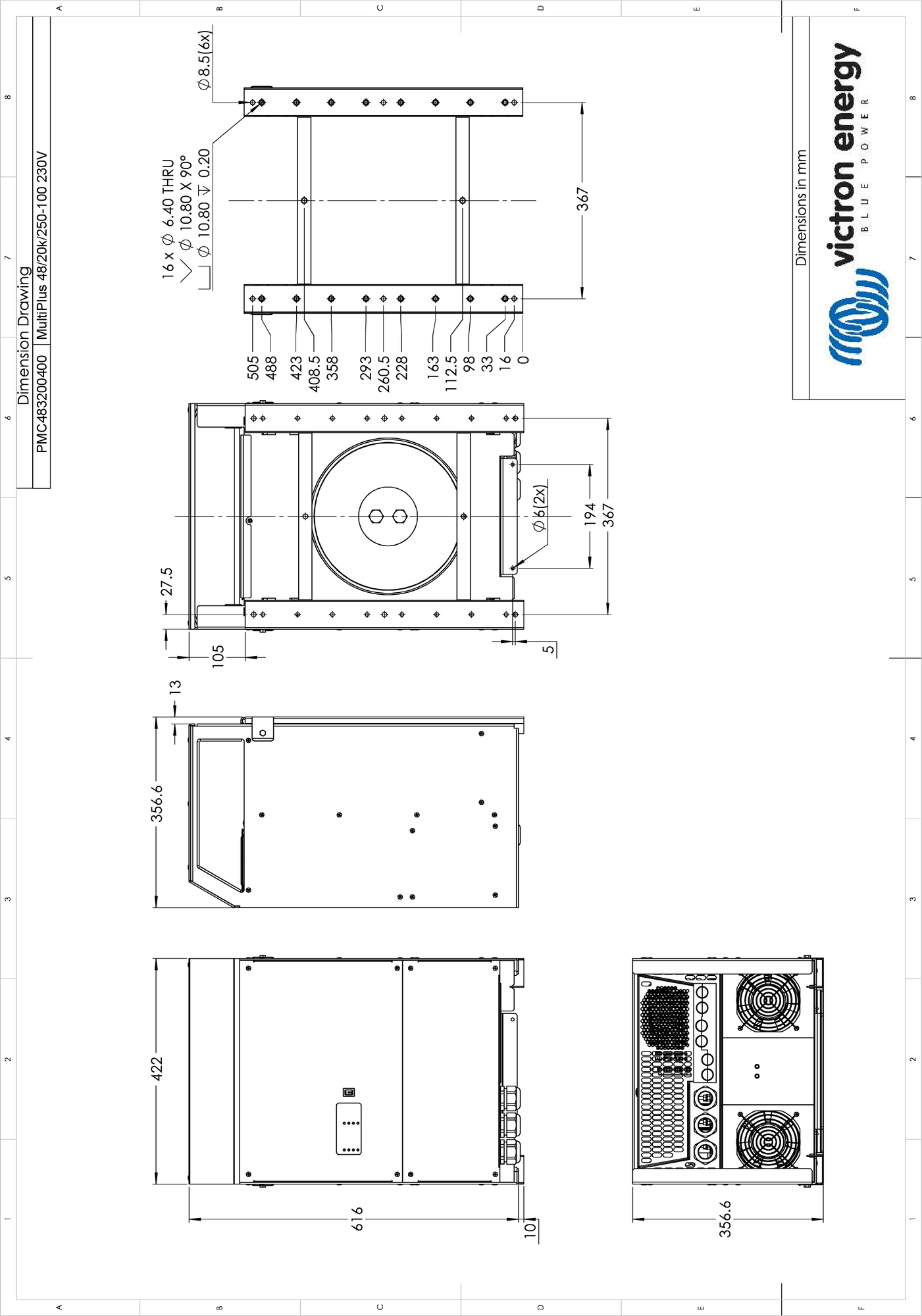
8.5. G: dimensões do invólucro exterior


