8. ANNEXE
8.1. A : Vue d’ensemble des connexions
![]() | ||
A | Connexion du consommateur. AC-out-2. De gauche à droite : « N » (neutre), « L2 » (phase 2), « PE » (terre/masse), « L1 » (phase 1) | |
B | Connexion du consommateur. AC-out-1. De gauche à droite : « N » (neutre), « L2 » (phase 2), « PE » (terre/masse), « L1 » (phase 1) | |
C | Entrée CA - De gauche à droite : « N » (neutre), « L2 » (phase 2), « PE » (terre/masse), « L1 » (phase 1) | |
D | Relais auxiliaire - De gauche à droite : NO, NC, COM. | |
E | Connexion primaire à la terre (PE) - Boulons M8 | |
F | Borne positive de la charge de compensation (uniquement pour les modèles de 12 et 24 V) | |
G | Borne positive de batterie - 2 x boulons M8 | |
H | Borne négative de batterie - 2 x boulons M8 | |
I | Interrupteur d’allumage – À commuter sur : 1=On, 0=Off, ||=chargeur uniquement | |
J | Bouton-poussoir A – Pour lancer un démarrage sans assistant | |
K | Connecteur d’allumage/arrêt à distance – Contact court pour commuter sur ON. | |
L | Connecteurs VE.Bus – 2 x RJ45 : pour commande à distance et/ou fonctionnement en parallèle/triphasé | |
M | Sonde de courant externe Pour raccorder la sonde de courant, retirez le cavalier entre les bornes INT et COM, raccordez le fil rouge de la sonde à la borne EXT et raccordez le fil blanc de la sonde à la borne COM. | |
N | Borne d’entrée et de sortie I/O ; de haut en bas :
| |
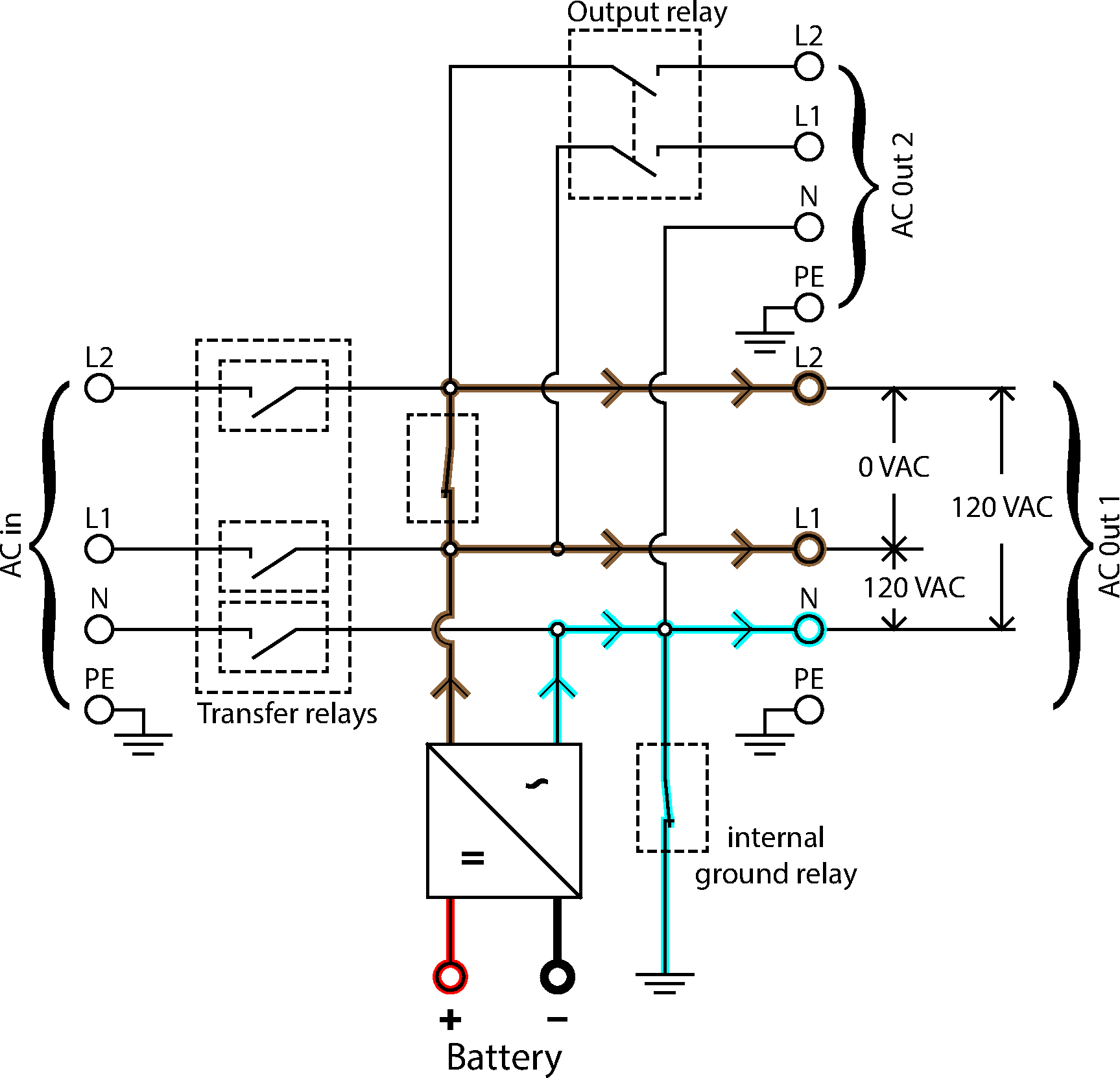
8.2. B : Schéma fonctionnel
*Voir le tableau du Chapitre 4.2 « Fusible CC recommandé ».
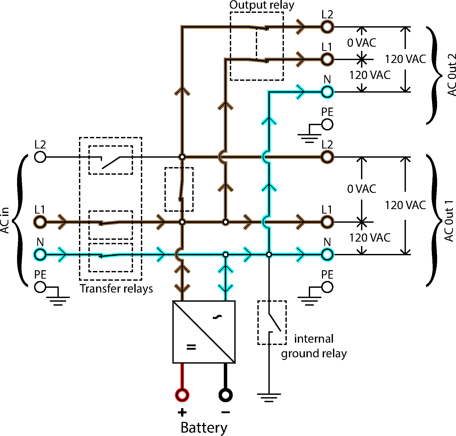
8.3. C : Schéma de raccordement en parallèle
8.4. D : Schéma de raccordement triphasé
8.5. E : Algorithme de charge


Charge en 4 étapes :
Bulk
Phase au démarrage du chargeur. Un courant constant est appliqué jusqu’à ce que la tension nominale de la batterie soit atteinte, en fonction de la température et de la tension d’entrée, après quoi une puissance constante est appliquée jusqu’au point où un gazage excessif débute (respectivement 14,4 V, 28,8 V et 57,6 V, température corrigée).
BatterySafe
La tension appliquée à la batterie augmente de manière progressive jusqu’à ce que la tension d’absorption soit atteinte. Le mode « BatterySafe » fait partie de la durée d’absorption calculée.
Absorption
La période d’absorption dépend de la période bulk. La durée d’absorption maximale est celle qui est configurée.
Float
La tension float est appliquée afin de garantir que la batterie reste complètement chargée.
Stockage
Après un jour de charge float, la tension de sortie est réduite au niveau de stockage (veille), ce qui représente 13,2 V pour une batterie de 12 V, 26,4 Vpour une batterie de 24 V, et 52,8V pour une batterie de 48 V). Ceci réduirait au minimum les pertes d’eau quand la batterie est stockée durant la saison hivernale. Après un certain temps qui peut être défini (par défaut = 7 jours), le chargeur va entrer en mode « Absorption répétée » pour une période de temps qui peut aussi être ajustée (par défaut = 1 heure) pour « rafraîchir » la batterie.
8.6. F : Tableau de compensation de la température

Le tableau ci-dessus indique les tensions de sortie par défaut pour les modes Float et Absorption à 25 °C pour des parcs de batteries de 12 et 24 V. Pour un parc de batteries de 48 V, multipliez les tensions de 24 V par 2.
La tension « Float réduite » suit la tension Float, et la tension « Absorption augmentée » soit la tension d’absorption.
La compensation de température ne s’applique pas en mode réglage.
8.7. G : Dimensions du boîtier


8.8. Schémas opérationnels de puissance

Débit de puissance convertisseur

Débit de puissance monophasé

Débit de puissance biphasé
