This is an old revision of the document!
Table of Contents
Hub-4 / grid parallel - manual
Hub-4 development status
- The core function works fine
- Recently, sept 18th, we have updated the assistant. Important improvement: added Sustain, to prevent damaging batteries by leaving them discharged for a long time. More information on Sustain is available below in chapter 6
- The calculations behind the solar yield and consumption tab don't work 100% yet, is being looked into
Winter switch needs to be added (to charge batteries full and then keep them full): was added in CCGX test version v1.30~13Periodic battery maintenance / battery guard needs to be added, otherwise batteries are never fully charged and this is bad for lead batteries: was added in CCGX test version v1.30~13.- The sustain function needs to be relaxed a little bit.
Schematic overview
Introduction
This manual explains how to use a Multi or Quattro bidirectional inverter/charger, combined with batteries, as a grid parallel energy storage system. It optimizes self-consumption: excess PV energy during the daytime is stored in the battery, and used to power the loads at night as well as during the day when there is a shortage of PV power.
The system is managed by the Color Control GX (CCGX), which also provides extensive monitoring, both locally and remotely via our VRM Portal and the VRM App. The VRM app available for both iOS and Android.
Features
- Grid parallel energy storage system that optimizes self consumption.
- Wide range of available inverter/chargers: 800 VA to 10.000 VA in 12, 24 and 48 VDC.
- Both wired and a wireless connection to the meter central distribution box is possible.
- (optional) No-break UPS output.
- (optional) Phase compensation.
- Built-in certified anti-islanding (limited nr. models/countries only, more models later in 2015).
- No restrictions on PV Array size.
- No minimum or maximum battery size.
- Suitable for many battery types.
- Three operating modes, from basic to custom, covering both standard and highly integrated systems.
- Free usage of the VRM Portal and the VRM App for remote monitoring.
Operating modes
- Standard
The system runs automatically, and uses excess energy harvested during the day to fill the gaps when there is not enough PV power available. Easy configuration in Assistants and on the Color Control GX. - Advanced
same as standard, but more flexibility is given to implement time shifting, load management or other energy management optimization algorithsm. Either by ModbusTCP commands or by running additional self implemented code on the Color Control GX. Often the best of both worlds: complete flexibility and benefit from the VRM Portal and all other functionality already available on the CCGX, without having to add additional cost of extra PLCs or other control modules. - Custom
customer self implements their control loop and grid measurements, and uses the MultiPlus and/or Quattros as simple, remote controllable, bidirectional inverter/chargers that can be set to either charge or discharge an x amount of Watts.
1. Required parts
| Part no. | Description |
|---|---|
| PMP, CMP or QUA | Multi or Quattro inverter/charger (see Note 1 below) |
| REL200100000 | Wired AC sensor HUB-4 for 1 and 3-phase - Imax 65A |
| BPP000300100R | Color Control GX |
| ASS03006xxxx | RJ-45 UTP Cable |
| BATxxxxxx | Batteries. (Victron) Lithium batteries are recommended due to their long life |
| ENS Anti-islanding options, choose one of below options: | |
| No external needed | For certain countries, our Multis and Quattros have built-in certified anti-islanding protection. |
| RCD000100200 | Anti-islanding box 63A single phase - UK (includes the UFR1001E) |
| RCD000300200 | Anti-islanding box 63A single and three phase (includes the UFR1001E) |
| REL100100000 | Ziehl anti-islanding relay UFD1001E (Many countries) more info |
| REL100200000 | Ziehl anti-islanding relay SPI1021 (Italy) |
| Grid sensor connection option A: wireless connection between the CCGX and the AC sensor | |
| ASS300400100 | Zigbee to RS485 converter (AC Power adapter and 30cm wire to AC sensor is included) |
| ASS300400200 | Zigbee to USB converter (USB cable is included, connects to the CCGX) |
| Grid sensor connection option B: wired connection between the CCGX and the AC sensor | |
| ASS030570018 | RS485 to USB interface 1.8m |
| ASS030570050 | RS485 to USB interface 5m |
Notes:
- The Multi or Quattro used needs to be a recent type with the new microprocessor (26xxxxx or 27xxxxx). All units currently shipping have this new microprocessor. Also, the Multi or Quattro needs to run the latest 4xx firmware. Contact your Victron representative for the firmware files. Update instructions are here.
- The RS485 to USB interface cable from the CCGX to the AC sensor can be extended up to 100 meters.
2. Battery, inverter/charger and PV dimensioning
Battery size
TODO: explain requirements and dimensioning considerations for the batteries. Advantage/disadvantage of using a smaller/bigger battery.
The advantage of a smaller battery is the price. Due to the fact, that it will be charged and discharged more and at a higher current in such a case lithium batteries will have distinct advantages, especially with their increased lifetime. The batteries might also be discharged on such days where clouds dominate the skies. In this case being able to charge the batteries quickly brings many advantages and increases the self-sufficiency quota for that day.
Inverter/charger size
TODO finish this text.
Because parallel to the grid and the loads (except for the UPS loads) the inverter size can be reduced to (much) smaller than the max expected nominal and peak load.
Examples; if you want to cover the base load of a house the MultiPlus xx/800 might already be sufficient. For a household with one family, the MultiPlus xx/3000 can already manage nearly all appliances, when not more than one of them is running at the same time. This means a MultiPlus xx/3000 can already reduce the power consumption during late spring, summer days and early autumn with sufficient storage to (nearly) zero.
PV Array and inverter size
In a Hub-4 installation, the PV Inverters are connected in parallel to the inverter/charger. Because of this, the size of the PV array and the PV inverter is not limited by the maximum nominal power of the inverter/charger. This is in contrast to other AC-Coupled installations, such as Hub-2, where the Factor 1.0 rule applies.
3. Multi phase installations and phase (optional) compensation
Phase compensation
Phase compensation, which is common practice in Germany, is used to have a storage hub connected to only one phase, and compensate on that phase for the other two phases, thereby effectively regulating the total power of all three phases combined.
See the following example, where the Hub is connected to L1, and by compensating for phase L2 and L3 as well, it regulates the total power at the distribution box to 0 W.
| L1 | L2 | L3 | Total | |
|---|---|---|---|---|
| Load | 100 W | 400 W | 200 W | 700 W |
| Inverter/charger | -700 W | 0 W | 0 W | -700 W |
| Distribution box | -600 W | 400 W | 200 W | 0 W |
Enabling or disabling phase compensation is done in the Hub-4 settings on the Color Control GX. See the screenshot further down below in this manual.
Split- and three-phase installations
It is not yet possible to install an inverter/charger on multiple phases. This will be made possible by a (free) firmware update, expected in 2015 Q4. In such a system, there will be one meter, multiple inverter/chargers, configured into a split or three-phase group, each loaded with the Hub-4 Assistant.
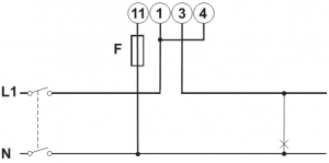
4. Connecting and configuring the AC sensor
A Hub-4 setup requires an AC sensor connected in the main distribution panel: between the grid and installation. This AC sensor has been designed for 3 phase measurement, but can be configured for single phase support as well.
3-phase setup diagram:
single phase setup diagram:
Meter configuration
Change the front selector of the AC sensor so it is not in the locked state. This will allow the CCGX to automatically configure the meter. The front selector is located next to the display as indicated in the image below.
Option A: Wireless connection to CCGX
1. Connect the Zigbee to USB converter to the CCGX using the supplied USB cable. A few seconds after connecting, the active LED should be on and the TX/RX LED should be blinking (the converter takes its power from the CCGX, so the CCGX needs to be switched on as well).
2. Connect the Zigbee to RS485 converter to the EM24 energy meter:
| Converter | Grid meter |
|---|---|
| GND | Terminal 43 |
| A | Terminal 42 |
| B | Terminal 41 |
3. Make sure only one Zigbee device is powered up right now: the Zigbee to USB converter connected to the CCGX. Power down all others. If you don't do this, the Zigbee to RS485 converter may be connected permanently to another Zigbee device.
4. Connect the 12V DC power supply to the Zigbee to RS485 converter. When the power is switched on, check the LEDs again.
Option B: Wired connection to CCGX
Connect the meter to the CCGX using the USB to RS485 converter cable:
| RS485 Converter | Grid meter |
|---|---|
| Yellow | Terminal 41 |
| Orange | Terminal 42 |
| Black | Terminal 43 |
5. Multi/Quattro installation and configuration
First, follow the instructions as per the standard installation manual. AC Input 1 is connected to the distribution panel of the installation. And, optionally, AC Output 1 can be used as a UPS output, to power its loads during a grid failure.
Then use VEConfigure3 to load the assistant self consumption Hub-4 into the device.
If you have a Multi Compact, check the DIP switches: DIP switch 1 must be on, and DIP switch 2 must be off.
If you used an earlier (beta) version of the assistant, make sure to remove it from the private assistant directory in VE configure, or disable the directory. You can set the private directory in the Assistant Tools tab within Assistants tab.
6. Battery charging and discharging behavior
(Note: All absolute voltages mentioned in the text below are for a 12V system and should be multiplied by 2 or 4 for a 24V or 48V system.)
- When ordered to discharge, the Multi will continue to discharge the battery until it has reached the DC input low shut-down parameter, configured on the Inverter tab of VEConfigure. Note that the minimum feed-in working voltage is 10.2V, so when DC input low shut-down is set below 10.2V, 10.2V will be used instead.
- Besides looking at voltage, it is also possible to configure the Multi to stop discharging when the low SOC threshold is met. Usage of this threshold is optional, and configuration is done in the Hub4 assistant settings.
- The charge process will follow the standard charge profile, as configured on the Charger tab in VEConfigure3.
- The charge algorithm will be reset to bulk every time the battery voltage drops below the reset voltage. For lithium batteries (checkbox on the charger tab) this voltage is Float - 0.2V, with a minimum of 13.5V. For other batteries, the reset voltage is Float - 1.3V with a minimum of 12.9V. The delay depends on the difference between the battery voltage and the reset voltage. The bigger the difference the smaller the delay. Approximately 60 seconds for 0.1V difference and 3 seconds for a 2V difference.
- The assistant will disable PowerAssist. Please keep this option disabled.
- Please keep the lithium batteries checkbox on the charger page consistent with the battery choice in the assistant.
Sustain Mode
The purpose of the Sustain Mode is to prevent leaving batteries in a deeply discharged state during several days. The Sustain Mode is entered when during 30 seconds the following two conditions are met without interruption:
- the battery voltage is below the sustain level: 12.5V for Lithium batteries and 12V for other batteries
- the current drawn from the battery is smaller than 1/10th of the battery capacity
During Sustain Mode, the charger is enabled to keep the DC voltage at the sustain level. The maximum charge current during system is 5A.
Sustain mode is left as soon as the battery voltages rises 0.1V above the sustain level.
Note that the normal Hub-4 regulation is suspended during Sustain. And note that, for non-lithium systems, the sustain level is 12 V for the first 24 hours, and after that it is raised to 12.5 Volts DC.
DC voltages specified are for a 12V system. These voltages should be multiplied by 2 or 4 for a 24V or 48V system.
7. Color Control GX configuration
- Power up the system.
- After a few seconds, the display should come to life. If not, check the wiring of the system.
- Within 60 seconds after power up, the CCGX will detect the meter. The meter will show up in the device list on the display. When selected, the CCGX will show a page with current measurements.
- Make sure Role is set to Grid meter, and Phase Type matches your setup (ie. single or multi phase).
- For further configuration, see the Color Control GX manual.
Note that the following features are not yet available and will be added to the Color Control GX and the VRM app soon:
- Add support for a Hub-4 schematic in the iOS and Android app
8. Using the Wired HUB-4 AC Sensor to measure PV Inverter output
Instead of used for the Hub-4 regulation, the same three phase meter can be configured to measure output of a PV Inverter. Make sure the check Paragraph 1.3 in the Color Control GX Manual for other options of measuring PV Inverter output.
Installation is similar to the AC sensor on the grid. Terminals 1, 4 and 7 should face the PV inverter. On the CCGX change the Role of the meter to PV inverter. You can now also chose its Position. In the case of a Hub4 setup, this must be Input 1.
There are 3 options to connect the extra AC sensor:
- Wired connection with an extra RS485 to USB converter cable. Works just like the grid meter.
- Wired connection with modbus multidrop (both AC sensors connected to the same RS485 to USB converter cable). In this case you need to change the modbus address of one of the AC sensors (see below).
- Wireless connection: the AC sensor is connected to an additional Zigbee to RS485 converter just like the grid meter. Also requires change of the modbus address.
Changing the modbus address:
- Press the joystick down until until the display shows 'Pass'. The joystick on the right side on the display, above the front selector).
- Press the joystick down again and release immediately.
- Press the joystick right several times until 'Address' appears. Press the joystick down. Now you can adjust the address by pressing the joystick up and down. Set it to 2.
- Press down again. 'Baudrate' appears.
- Press down again twice. 'Address' appears again.
- Press right until 'End' appears.
- Press down. The display now shows measurements again.
Note that if you own a Fronius PV inverter with a data manager card, the CCGX can read out the inverter directly, so you do not need to install an AC sensor on the inverter output. This page explains how to connect one or more Fronius PV inverters to the CCGX.
9. FAQ
How does the Multi behave when it no longer receives data from the energy monitor?
It will switch to Bypass, and Sustain mode is still active and will prevent the battery from being discharged below, approximately, 50%. See Paragraph 6 for the details on Sustain and the Sustain Voltages.
Note that we changed this behavior a few times during development of the Hub-4 Assistant. Make sure to run the latest Hub-4 Assistant. You can see the version under the 'Add Assistants' button, latest Hub-4 Assistant is current 014E, released on September 18th 2015.
Is there a winter mode, like in Hub-2?
No not yet.
DISQUS
~~DISQUS~~
Add this page to your book
Remove this page from your book
Manage book (
Help 








