3. Installation
Varning
VARNING: Säkerställ att AC-effektkällorna är avstängda eller frånkopplade innan och under installation.
Montering:
Installera transferbrytaren på en torr och väl ventilerad plats.
Ta bort de fyra skruvarna på frontpanelen för att nå transferbrytaren.
Transferbrytaren kan monteras på väggen genom att använda de fyra hålen i den bakre delen av höljet.
Elektriska kopplingar:
Ingångskablarna (nät/generator) och växelriktaren (växelriktare/laddaren) och utgångskabeln (till anordningarna) ska kopplas i enlighet med kopplingsschemat nedan:
Ingångs- och utgångskablarna måste ha rätt kärntjocklek för en säker installation. För små kablar kan orsaka överhettning i kablarna. Den högsta kärntjockleken är 6 mm².
Använd de medföljande kabelförskruvningarna för att föra ingångs- och utgångskablarna genom höljet.
Skruva åt alla anslutningar med ett nominellt vridmoment på 1,2 Nm. Detta för att i största möjliga mån begränsa övergångsmotståndet. Lösa kopplingar kan orsaka farlig överhettning av terminalerna.
![]() Kopplingsschema för VE Transferbrytare 5 kVA. | ![]() Kopplingsschema för VE Transferbrytare 10 kVA. |
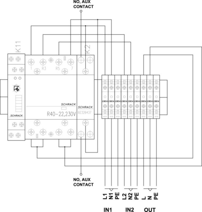
Anslutning till Digital Multi Control Panel:
När transferbrytaren används tillsammans med en MultiPlus och en Digital Multi Control-panel (DMC):
Koppla transferbrytarens hjälpkontakt 1 och 2 på relä K2 (NO) till skruvkontaktdonet på baksidan av DMC enligt anvisningar i kopplingsschemat nedan.
När transferbrytarens hjälpkontakt är öppen styrs MultiPlus strömbegränsning av vredet på DMC-panelens framsida. Displayen på DMC visar strömbegränsningsvärdet.
När transferbrytarens hjälpkontakt är stängd skickas en förinställd (generator) strömbegränsning till MultiPlus. Displayen på DMC visar texten: ”GEN”.
Se manualen för Digital Multi Control-panel för mer information om funktionen och hur man ställer in den förinställda (generator-) strömbegränsningen.
![]() |
Kopplingsschema för Digital Multi Control Panel.
Säkringar, jordläckageskydd och jordning:
Kablarna för AC-ingång och AC-utgång måste skyddas med säkringar eller miniatyrkretsbrytare (MCB) som är lämpliga för systemets kabeltvärsnitt.
Externa jordläckagebrytare (RCD eller RCCB) måste integreras med transferbrytarens kablar.
Strömkällornas och strömförbrukarnas jordanslutningar måste kopplas till fartygets eller elinstallationens centrala jordanslutning.
Konfigurering:
I det flesta fall är det inte nödvändigt att konfigurera transferbrytaren. Transferbrytaren är redo att användas direkt efter installation. I vissa särskilda omständigheter behövs dock en justering av ”fördröjd påslagning” för ingång 1. Du justerar tiden genom att använda en liten spårskruvmejsel.


