Skip to main content
Toggle navigation
VE Transferbrytare
print
Toggle navigation
VE Transferbrytare
Kopplingsschema
Föregående
Nästa
5
.
Kopplingsschema
I detta avsnitt
:
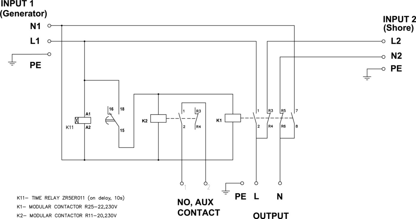
VE Transferbrytare 5 kVA
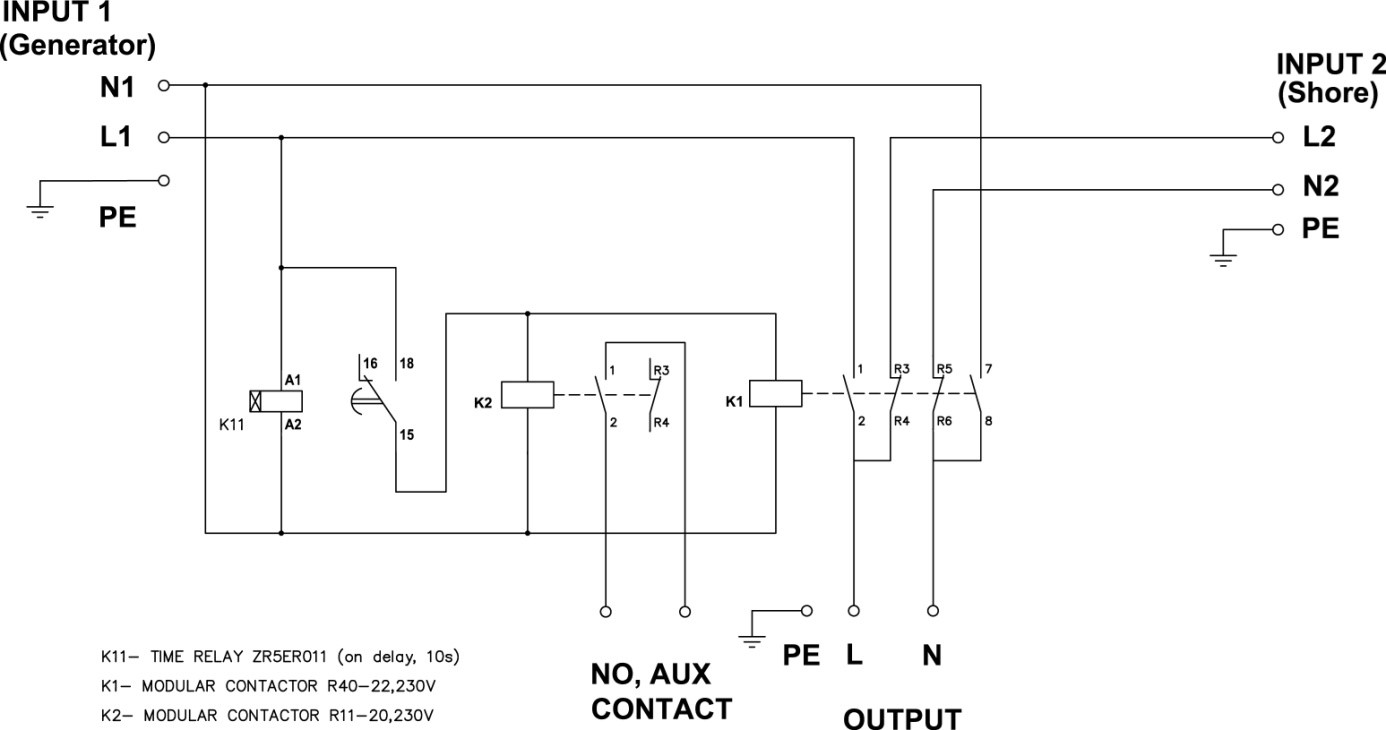
VE Transferbrytare 10 kVA
Sökresultat
Inga resultat hittades
Föregående
Nästa