3. Instalação
Atenção
ADVERTÊNCIA: Certifique-se de que todas as fontes de alimentação CA estão desligadas ou desconectadas antes e durante a instalação.
Montagem:
Instale o interruptor de transferência numa área seca e bem ventilada.
Para aceder ao interruptor de transferência, remova os quatro parafusos no painel frontal.
O interruptor de transferência pode ser montado na parede com os quatro orifícios na parte traseira da caixa.
Ligações elétricas:
Os cabos de entrada (alimentação/gerador) e o cabo do inversor (ou inversor/carregador) e de saída (para os aparelhos) devem ser instalados de acordo com o diagrama de ligação apresentado abaixo.
O condutor dos cabos de entrada e saída deve ter a espessura correta para uma instalação segura. Os cabos subdimensionados podem aquecer demasiado. A espessura máxima do condutor do cabo são 6 mm².
Utilize os bucins de cabos fornecidos para passar os cabos de entrada e de saída através da caixa.
Aperte todas as ligações com um binário nominal de 1,2 Nm. Assim limita a resistência de transição, tanto quanto possível. As ligações soltas podem provocar um sobreaquecimento perigoso dos terminais.
![]() Diagrama de ligações do interruptor de transferência VE 5 kVA. | ![]() Diagrama de ligações do interruptor de transferência VE 10 kVA. |
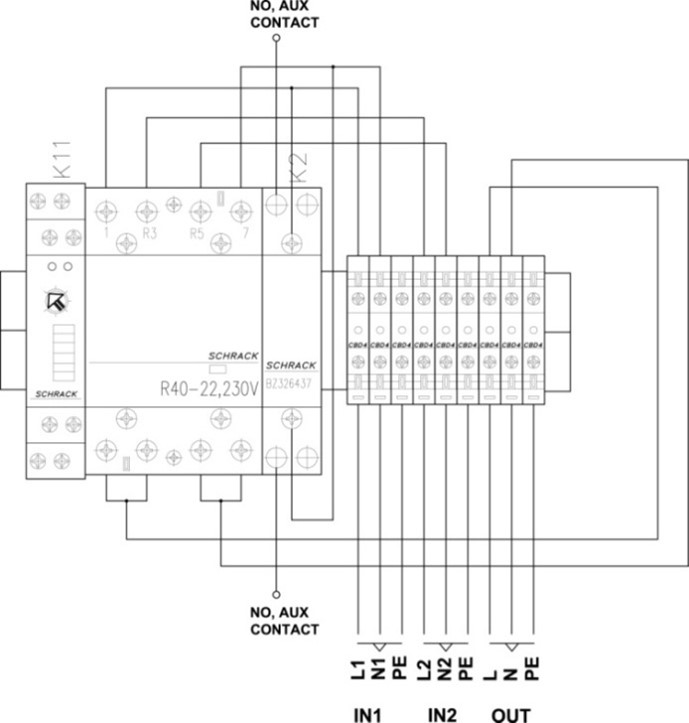
Ligação do painel Digital Multi Control:
Quando utilizar o interruptor de transferência com um Multiplus e um painel Digital Multi Control (DMC):
Ligue os contactos auxiliares 1 e 2 do interruptor de transferência do relé K2 (NO) ao conector de parafuso na parte posterior do DMC, conforme indicado no diagrama de ligações seguinte.
Quando o contacto auxiliar do interruptor de transferência estiver aberto, o limite de corrente Multiplus é controlado pelo botão na parte frontal do DMC. O ecrã do DMC visualiza o valor limite atual.
Quando o contacto auxiliar do interruptor de transferência estiver fechado, será enviado um limite de corrente predefinido (gerador) ao Multiplus. O ecrã do DMC visualizar o texto: «GEN».
Para obter mais informação sobre esta função e o limite de corrente predefinido (gerador), consulte o manual do painel Digital Multi Control.
![]() |
Diagrama de ligação do painel Digital Multi Control.
Fusíveis, proteção contra fugas de terra e ligação à terra:
A cablagem de entrada e saída CA deve estar protegida por fusíveis ou por disjuntores miniatura (MCB) adequados para a secção do cabo do sistema.
Os interruptores de fuga à terra (RCD ou RCCB) devem ser integrados na cablagem do interruptor de transferência.
Todas as ligações à terra das fontes de alimentação e dos consumidores de energia devem ser realizadas através da ligação de aterramento central da embarcação ou da instalação elétrica.
Configuração:
Na maioria dos casos, não vai ser preciso configurar o interruptor de transferência. O interruptor de transferência está pronto a ser utilizado imediatamente após a instalação. No entanto, em algumas circunstâncias específicas, é necessário uma regulação do «atraso de ativação» da entrada 1. Faça a regulação do atraso com uma pequena chave de fendas.


