Skip to main content

Interruptor de transferência VE

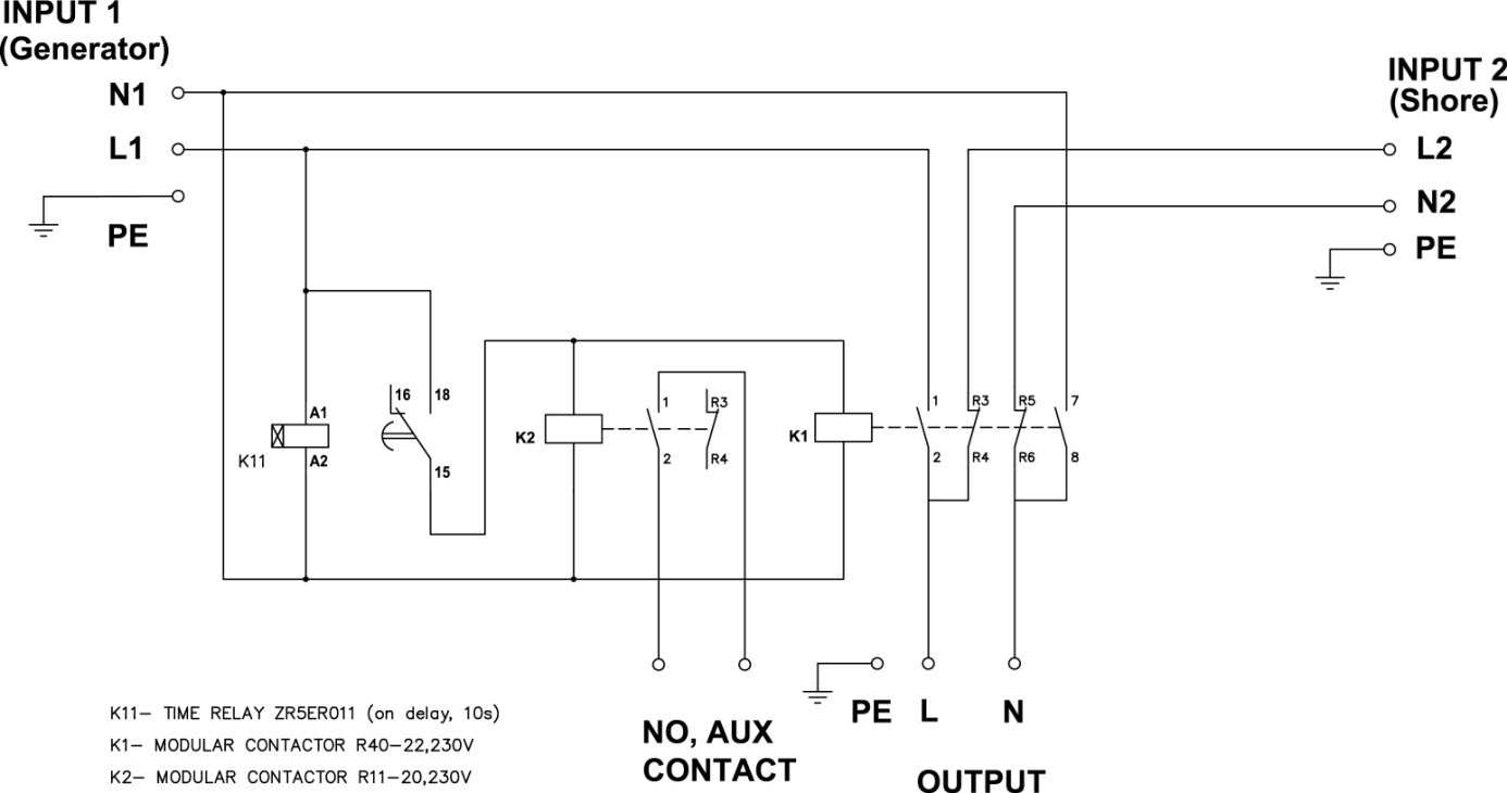
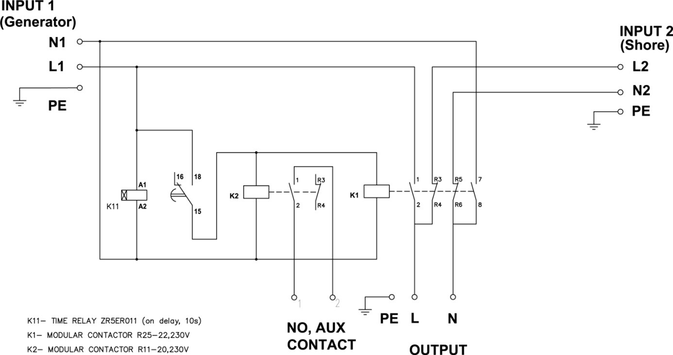
5. Diagrama elétrico

Nesta secção:

Interruptor de transferência VE 5 kVA

Transfer_switch_5K_-_Electrical_diagram.jpg

Interruptor de transferência VE 10 kVA

Transfer_switch_10K_-_Electrical_diagram.jpg