3. Installatie
Waarschuwing
WAARSCHUWING: Zorg ervoor dat alle AC-voedingsbronnen uitgeschakeld of ontkoppeld worden vóór en tijdens installatie.
Montage:
Installeer de transfer-schakelaar op een droge en goed geventileerde plaats.
Verwijder, om toegang te krijgen tot de transfer-schakelaar, de vier schroeven in het voorpaneel.
De transfer-schakelaar kan op de muur gemonteerd worden door het gebruik van de vier gaten aan de achterkant van de behuizing.
Elektrische verbindingen:
De ingangkabels (net/aggregaat) en de omvormer (of omvormer/lader) en de uitgangkabel (naar de apparaten) moeten verbonden worden in overeenstemming met het onderaan getoonde aansluitschema.
De ingang- en uitgangkabels moeten de juiste ader doorsnede hebben voor een veilige installatie. Te kleine kabels kunnen oververhitting van de kabels veroorzaken. De maximale ader doorsnede van de kabel bedraagt 6 mm².
Gebruik de geleverde wartels om de ingang- en uitgangkabels in de behuizing te duwen.
Draai alle verbindingen vast met een nominaal aandraaimoment van 1,2 Nm. Dit is om de overgangsweerstend zo ver mogelijk te beperken. Losse verbindingen kunnen gevaarlijke oververhitting van de aansluitklemmen veroorzaken.
![]() Aansluitschema VE Transfer-schakelaar 5 kVA. | ![]() Aansluitschema VE Transfer-schakelaar 10 kVA. |
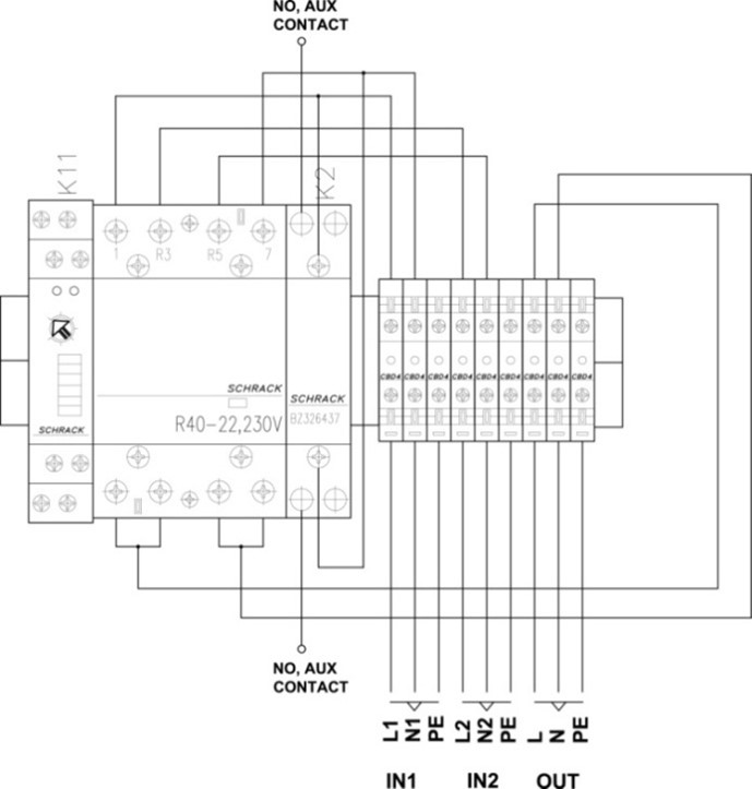
Digital Multi Control-paneelverbinding:
Wanneer de transfer-schakelaar samen met een MultiPlus en een Digital Multi Control-paneel (DMC) gebruikt wordt:
Verbind het transfer-schakelaar hulpcontact 1 en 2 van relais K2 (NO) met de schroefconnector op de achterzijde van de DMC zoals aangeduid in de onderstaande aansluitschema.
Wanneer het transfer-schakelaar hulpcontact open is, wordt de MultiPlus stroomlimiet geregeld door de schakelaar aan de voorkant van de DMC. Het beeldscherm op de DMC toont de stroomlimietwaarde.
Wanneer het transfer-schakelaar hulpcontact gesloten is, wordt een vooraf ingestelde (aggregaat) stroomlimiet naar de MultiPlus verzonden. Het beeldscherm op de DMC toont de tekst: "GEN".
Raadpleeg, voor meer informatie over deze functie en hoe de vooraf ingestelde (aggregaat) stroomlimiet in te stellen, de Digital Multi Control-paneel handleiding.
![]() |
Aansluitschema Digital Multi Control-paneel.
Van zekering voorzien, aardlekbeveiliging en aarding:
De AC-ingang- en uitgangbedrading moet beschermd worden door zekeringen of zekeringautomaten (MCB's) die geschikt zijn voor de draaddoorsnede van het systeem.
Externe aardlekschakelaars (RCD's of RCCB's) moeten geïntegreerd worden met de transfer-schakelaarbedrading.
Alle aardingsverbindingen van de voedingsbronnen en voedingsverbruikers moeten verbonden zijn met de centrale aardingsverbinding van het schip of de elektrische installatie.
Configuratie:
In de meeste gevallen is er geen noodzaak om de transfer-schakelaar in te stellen. De transfer-schakelaar is direct na installatie klaar voor gebruik, . In bepaalde specifieke omstandigheden echter is een aanpassing van de "schakelaar met vertraging" van ingang 1 nodig. Maak de aanpassing van de vertragingstijd met een kleine platte schroevendraaier.


