Skip to main content
Toggle navigation
VE Transfer-schakelaar
print
Toggle navigation
VE Transfer-schakelaar
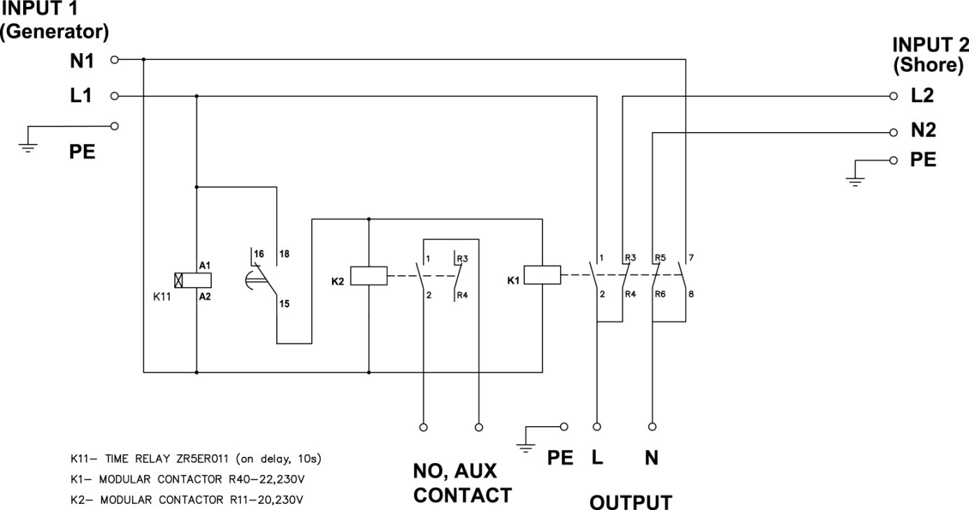
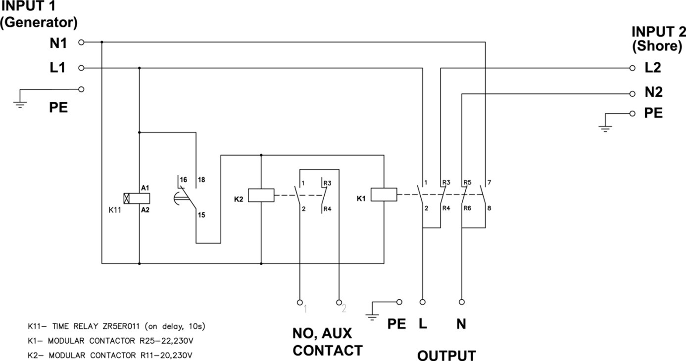
Elektrisch schema
Terug
Volgende
5
.
Elektrisch schema
In deze sectie
:
VE Transfer-schakelaar 5 KVA
VE Transfer-schakelaar 10 KVA
Zoekresultaten
Geen resultaten gevonden
Terug
Volgende