3. Installazione
Avvertimento
AVVERTENZA: Prima e durante installazione, assicurarsi che tutte le sorgenti di alimentazione CA siano spente o scollegate.
Montaggio:
Installare il commutatore di trasferimento in un ambiente asciutto e ben ventilato.
Per accedere al commutatore di trasferimento, rimuovere le quattro viti del pannello anteriore.
Il commutatore di trasferimento può essere montato a parete utilizzando i quattro fori presenti sul retro dell'involucro.
Connessioni elettriche:
I cavi di ingresso (rete/generatore) e l'inverter (o inverter/caricabatterie) e i cavi di uscita (diretti agli elettrodomestici) dovranno essere collegati secondo lo schema dei collegamenti elettrici riportato qui sotto.
Per un'installazione sicura, i cavi di ingresso e di uscita devono avere il corretto spessore dell'anima. Cavi sottodimensionati possono causare il surriscaldamento dei cavi stessi. Lo spessore massimo dell'anima del cavo è di 6 mm².
Utilizzare i pressacavi in dotazione per far passare i cavi di ingresso e di uscita attraverso l'involucro.
Serrare tutti i collegamenti con un momento di coppia nominale pari a 1,2 Nm. Ciò serve a limitare il più possibile la resistenza di transizione. I collegamenti allentati possono causare un pericoloso surriscaldamento dei morsetti.
![]() Schema di collegamento del commutatore di trasferimento VE da 5kVA. | ![]() Schema di collegamento del commutatore di trasferimento VE da 10kVA. |
Collegamento del pannello Digital Multi Control:
Quando il commutatore di trasferimento viene utilizzato insieme a un MultiPlus e a un pannello Digital Multi Control (DMC):
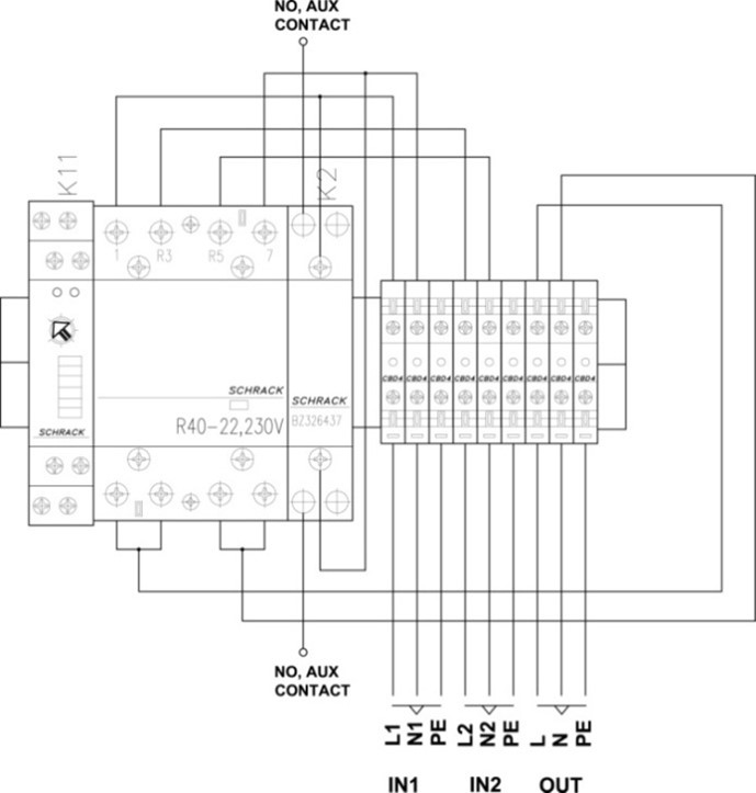
Collegare i contatti ausiliari 1 e 2 del relè K2 (NO) del commutatore di trasferimento al connettore a vite sul retro del DMC, come indicato nel seguente schema di collegamento.
Quando il contatto ausiliare del commutatore di trasferimento è aperto, il limite di corrente MultiPlus è controllato dalla manopola sita nella parte frontale del DMC. Il display del DMC visualizza il valore del limite corrente.
Quando il contatto ausiliare del commutatore di trasferimento è chiuso, viene inviato al MultiPlus un limite di corrente preimpostato (generatore). Il display del DMC mostrerà il testo: "GEN".
Per ulteriori informazioni su questa funzione e su come impostare il limite di corrente preimpostato (generatore), consultare il manualedel pannello Digital Multi Control.
![]() |
Schema di collegamento del pannello Digital Multi Control.
Fusibili, protezione da dispersione a terra e messa a terra:
Il cablaggio delle entrate e delle uscite CA deve essere protetto da fusibili o microinterruttori (MCB), compatibili con la sezione trasversale del cavo del sistema.
Gli interruttori differenziali esterni (RCD o RCCB) devono essere integrati nel cablaggio del commutatore di trasferimento.
Tutti i collegamenti a terra delle sorgenti di alimentazione e delle utenze devono essere collegati alla messa a terra centrale della nave o dell'impianto elettrico.
Configurazione:
Nella maggior parte dei casi, non è necessario configurare il commutatore di trasferimento. Il commutatore di trasferimento è pronto per l'uso subito dopo l'installazione. Tuttavia, in alcune circostanze specifiche, è necessaria una regolazione del "ritardo di accensione" dell'ingresso 1. Effettuare la regolazione del tempo di ritardo aiutandosi con un piccolo cacciavite a punta piatta.


