Skip to main content

Commutatore di trasferimento VE

5. Schema elettrico

In questa sezione:

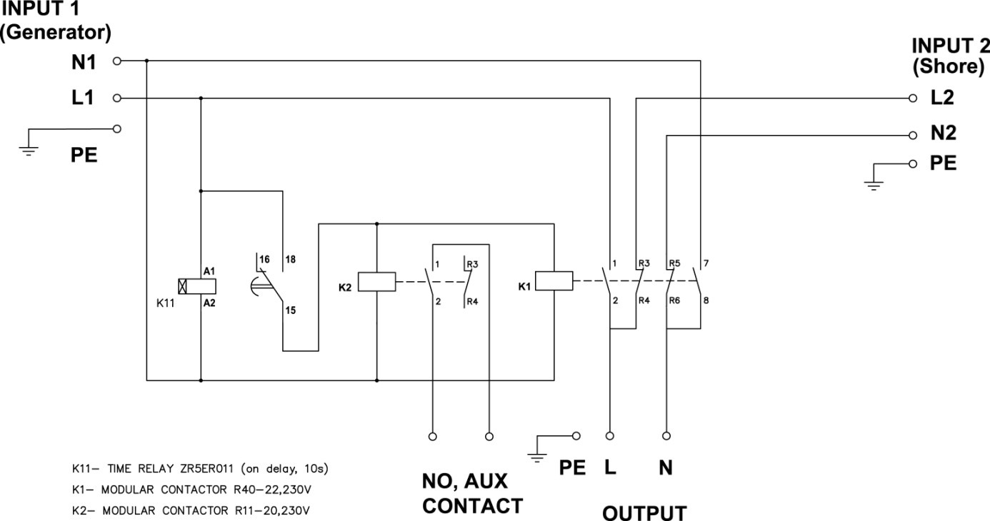
Commutatore di trasferimento VE 5 KVA

Transfer_switch_5K_-_Electrical_diagram.jpg

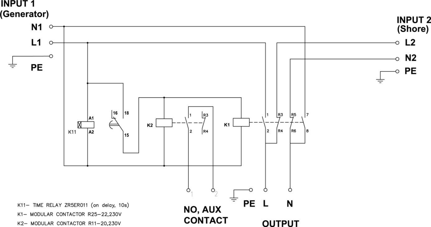
Commutatore di trasferimento VE 10 KVA

Transfer_switch_10K_-_Electrical_diagram.jpg