3. Installation
Avertissement
ATTENTION : assurez-vous que toutes les sources d’alimentation CA sont éteintes ou déconnectées avant et pendant l’installation.
Montage :
installez le commutateur de transfert dans un endroit sec et bien ventilé.
Pour accéder au commutateur de transfert, retirez les quatre vis du panneau avant.
Le commutateur de transfert peut être fixé au mur à l’aide des quatre trous situés à l’arrière du boîtier.
Branchements électriques :
les câbles d’entrée (secteur/générateur), le convertisseur (ou le convertisseur/chargeur) et le câble de sortie (vers les appareils) doivent être raccordés selon le schéma de raccordement illustré ci-dessous.
Les câbles d’entrée et de sortie doivent avoir une âme de la bonne épaisseur pour que l’installation soit sûre. Des câbles sous-dimensionnés peuvent entraîner une surchauffe des câbles. L’épaisseur maximale de l’âme des câbles est de 6 mm².
Utilisez les passe-câbles fournis pour acheminer les câbles d’entrée et de sortie vers le boîtier.
Serrez toutes les connexions avec un couple de serrage nominal de 1,2 Nm. Cela permet de limiter autant que possible la résistance de passage. Des raccordements lâches peuvent provoquer une surchauffe dangereuse des bornes.
![]() Schéma de raccordement du Commutateur de transfert VE 5 kVA. | ![]() Schéma de raccordement du Commutateur de transfert VE 10 kVA. |
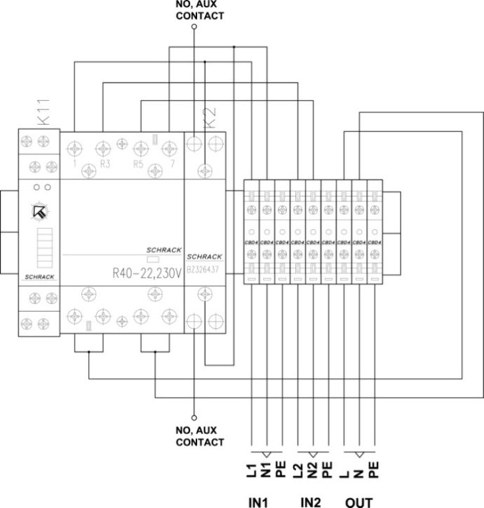
Raccordement du tableau de commande Digital Multi Control :
Lorsque le commutateur de transfert est utilisé avec un MultiPlus et un tableau de commande Digital Multi Control (DMC) :
Raccordez les contacts auxiliaires 1 et 2 du relais K2 (NO) du commutateur de transfert au connecteur à vis situé à l’arrière du DMC, comme illustré dans le schéma de raccordement ci-dessous.
Lorsque le contact auxiliaire du commutateur de transfert est ouvert, la limite de courant du MultiPlus est contrôlée par le bouton situé à l’avant du DMC. L’écran du DMC affiche la valeur de la limite de courant.
Lorsque le contact auxiliaire du commutateur de transfert est fermé, une limite de courant prédéfinie (générateur) est envoyée au MultiPlus. L’écran du DMC affiche le texte : « GEN ».
Pour plus d’informations sur cette fonction et sur la manière de régler la limite de courant prédéfinie (générateur), voir le manuel du tableau de commande Digital Multi Control.
![]() |
Schéma de raccordement du tableau de commande Digital Multi Control.
Fusibles, protection contre les fuites à la terre et mise à la terre :
le câblage d’entrée et de sortie CA doit être protégé par des fusibles ou des disjoncteurs miniatures (MCB) adaptés à la section des fils du système.
Des disjoncteurs différentiels externes (RCD ou RCCB) doivent être intégrés au câblage du commutateur de transfert.
Toutes les prises de terre des sources d’alimentation et des consommateurs d’énergie doivent être reliées à la terre centrale du navire ou de l’installation électrique.
Configuration :
dans la plupart des cas, il n’est pas nécessaire de configurer le commutateur de transfert. Le commutateur de transfert est prêt à être utilisé dès son installation. Cependant, dans certaines circonstances spécifiques, un ajustement du « délai de mise en marche » de l’entrée 1 est nécessaire. Vous pouvez régler ce délai à l’aide d’un petit tournevis plat.


