Skip to main content
Toggle navigation
Commutateur de transfert VE
print
Toggle navigation
Commutateur de transfert VE
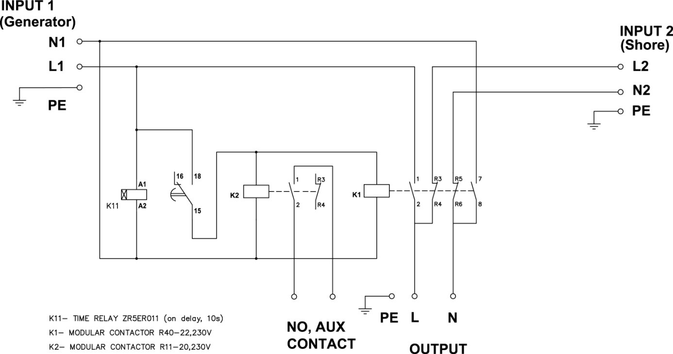
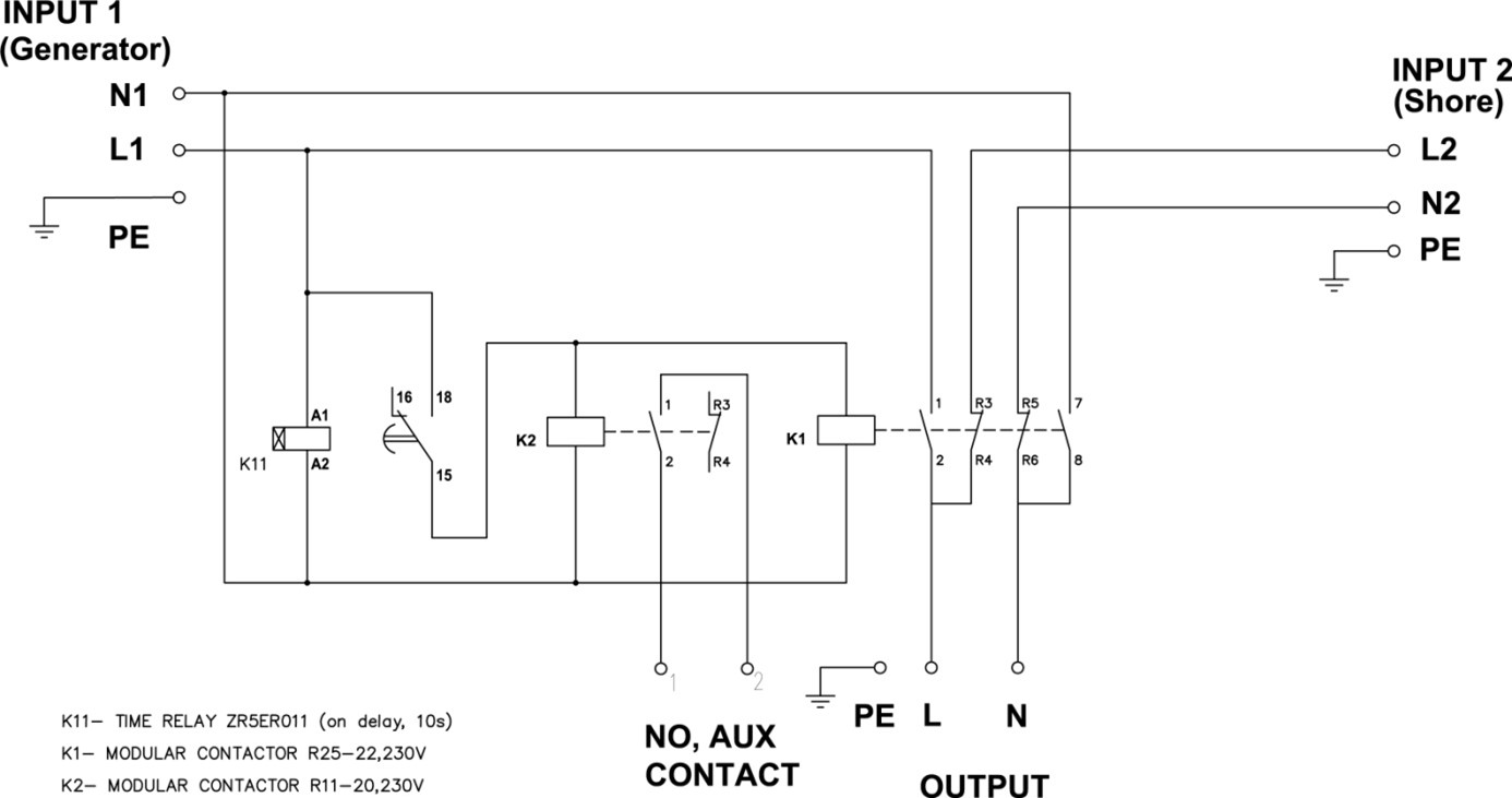
Schéma électrique
Précédent
Suivant
5
.
Schéma électrique
Voir aussi
:
Commutateur de transfert VE 5 kVA
Commutateur de transfert VE 10 kVA
Résultats de la recherche
Aucun résultat trouvé
Précédent
Suivant