3. Instalación
Aviso
ADVERTENCIA: Asegúrese de que todas las fuentes de alimentación CA están apagadas o desconectadas antes de la instalación y durante la misma.
Montaje:
Instale el conmutador de transferencia en un lugar seco y bien ventilado.
Para acceder al conmutador de transferencia, retire los cuatro tornillos del panel frontal.
El conmutador de transferencia puede montarse en la pared usando los cuatro orificios de la parte trasera de la carcasa.
Conexiones eléctricas:
Los cables de entrada (red/generador) y el inversor (o inversor/cargador) y el cable de salida (a los aparatos) deberán conectarse según el diagrama de conexión que figura a continuación.
Los cables de entrada y salida deben tener un núcleo del grosor adecuado para que la instalación sea segura. Unos cables de menor tamaño pueden sufrir sobrecalentamiento. El máximo grosor del núcleo del cable es de 6 mm².
Use los casquillos pasacables proporcionados para pasar los cables de entrada y salida a través de la carcasa.
Apriete todas las conexiones con un momento de torsión nominal de 1,2 Nm. De este modo se limita la resistencia de la transición todo lo posible. Las conexiones sueltas pueden ocasionar que los terminales se sobrecalienten de forma peligrosa.
![]() Diagrama de conexión del Conmutador de transferencia VE de 5 kVA. | ![]() Diagrama de conexión del Conmutador de transferencia VE de 10 kVA. |
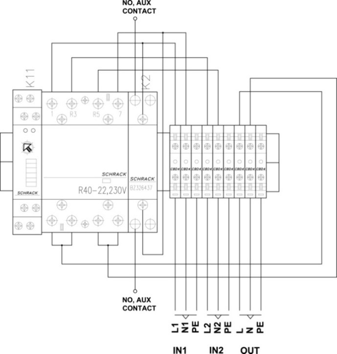
Conexión del panel Digital Multi Control:
Cuando el conmutador de transferencia se usa junto con un MultiPlus y un panel Digital Multi Control (DMC):
Conecte los contactos auxiliares 1 y 2 del relé K2 (NO) del conmutador de transferencia al conector de tornillo de la parte trasera del DMC tal y como se indica en el siguiente diagrama de conexión.
Cuando el contacto auxiliar del conmutador de transferencia está abierto, el límite de corriente del MultiPlus está controlado por el selector que se encuentra en la parte frontal del DMC. La pantalla del DMC mostrará el valor del límite de corriente.
Cuando el contacto auxiliar del conmutador de transferencia está cerrado, se envía un límite de corriente predeterminado (generador) al MultiPlus. La pantalla del DMC mostrará el texto: “GEN”.
Para más información sobre esta opción y sobre cómo predeterminar el límite de corriente (generador), véase el manual del panel Digital Multi Control.
![]() |
Diagrama de conexión del panel Digital Multi Control.
Fusibles, protección de fugas a tierra y puesta a tierra:
El cableado de entrada y salida de CA debe estar protegido con fusibles o disyuntores miniatura (MCB) que sean adecuados para la sección de cable del sistema.
Deben integrarse interruptores externos de fugas a tierra (ID o RCCB) en el cableado del conmutador de transferencia.
Todas las conexiones a tierra de las fuentes de alimentación y los consumidores eléctricos deben conectarse a la conexión de puesta a tierra central del barco o de la instalación eléctrica.
Configuración:
En la mayoría de los casos, no es necesario configurar el conmutador de transferencia. El conmutador de transferencia puede empezar a usarse directamente después de su instalación. No obstante, en determinadas circunstancias, es necesario hacer un ajuste del “switch on delay” (retraso en el encendido) de la entrada 1. Para ello, utilice un destornillador plano pequeño.


