Skip to main content

Conmutadores de transferencia VE

5. Diagrama eléctrico

En esta sección:

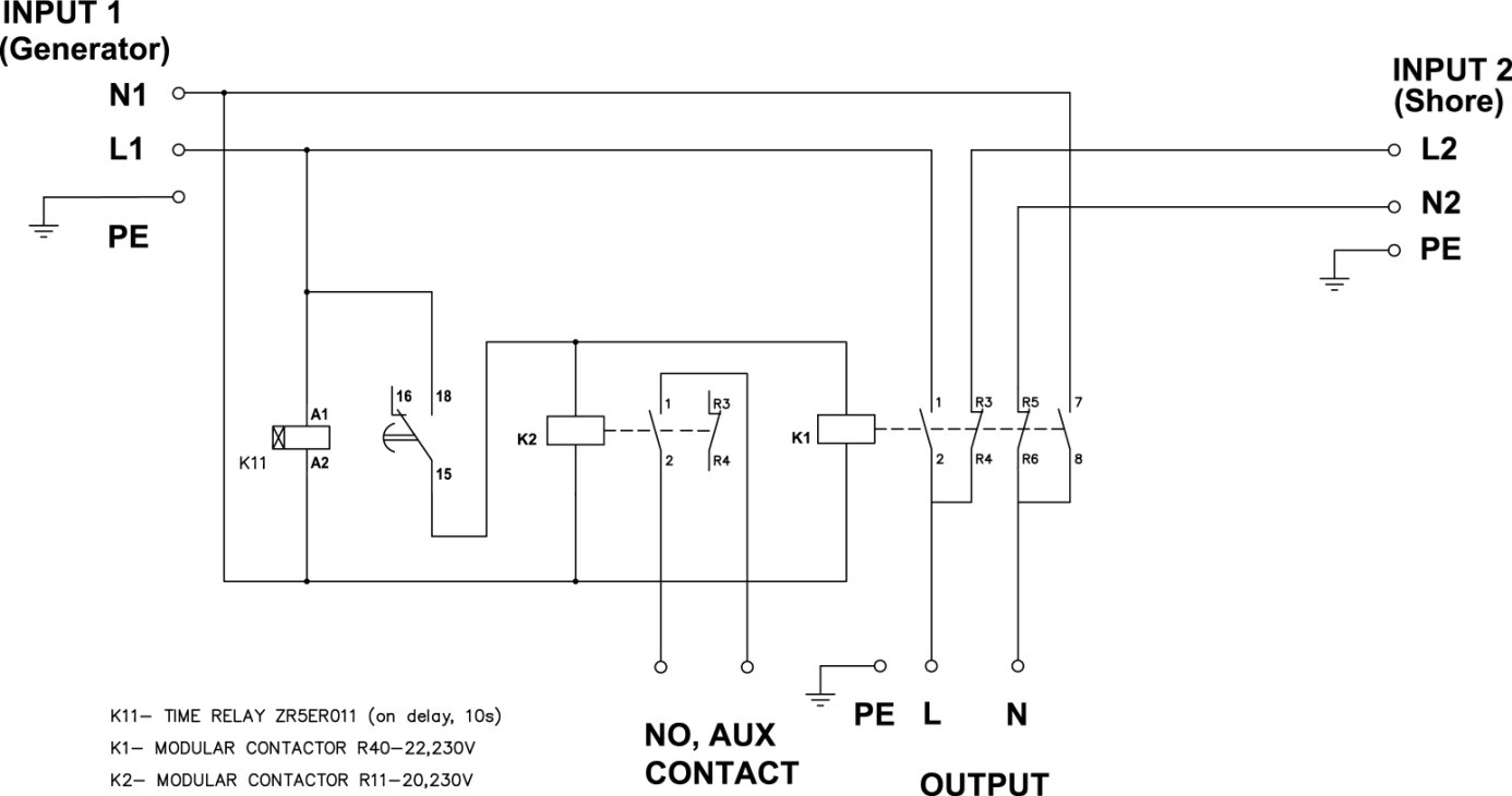
Conmutador de transferencia VE 5 kVA

Transfer_switch_5K_-_Electrical_diagram.jpg

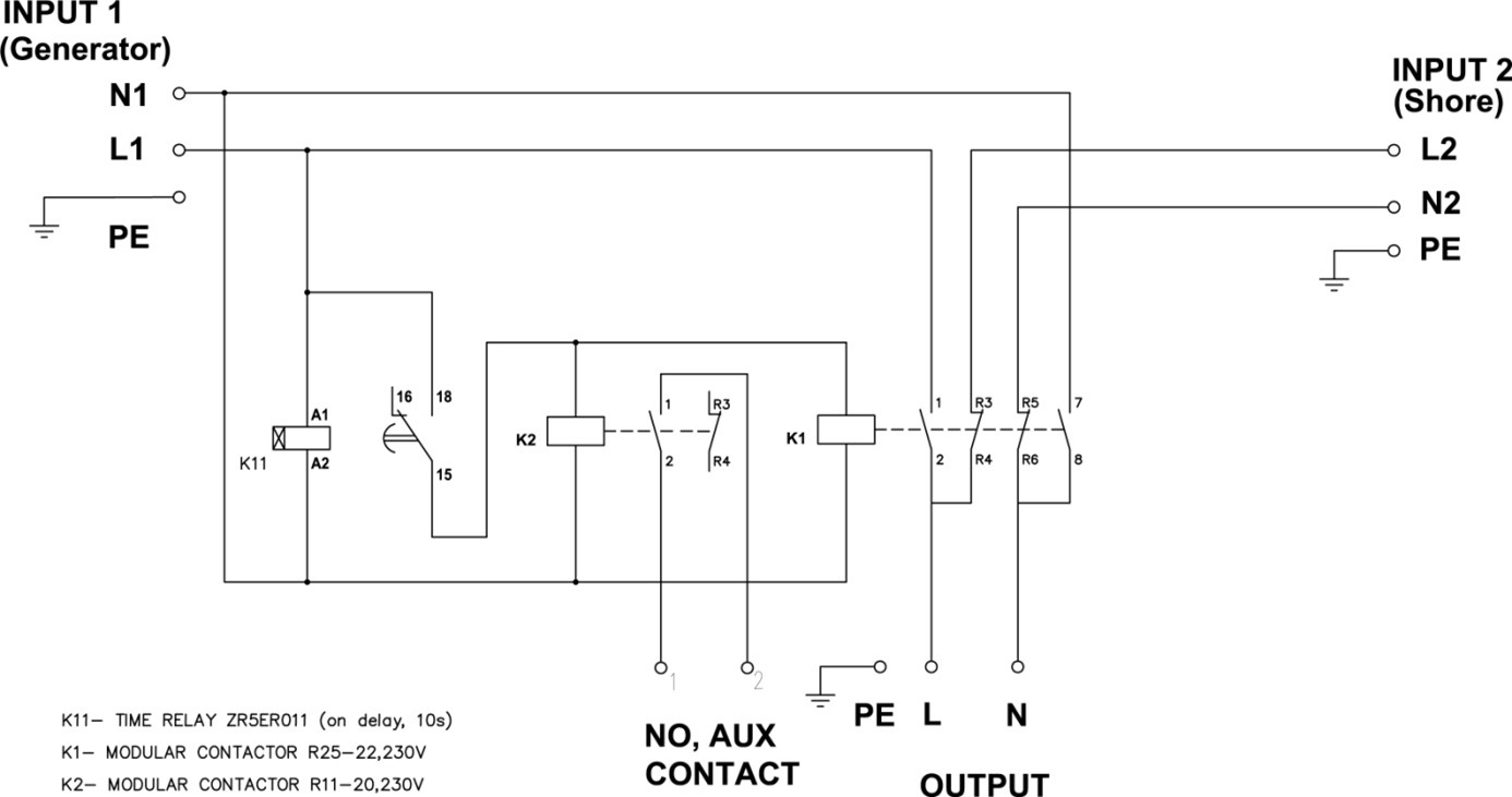
Conmutador de transferencia VE 10 kVA

Transfer_switch_10K_-_Electrical_diagram.jpg