3. Installation
Warnung
WARNHINWEIS: Achten Sie darauf, dass alle Wechselstromquellen vor und während der Installation ausgeschaltet oder getrennt sind.
Montage:
Installieren Sie den Transferschalter in einer trockenen und gut belüfteten Umgebung.
Um Zugang zum Transferschalter zu erhalten, entfernen Sie die vier Schrauben an der Vorderseite des Geräts.
Der Transferschalter kann über die vier Löcher auf der Rückseite des Gehäuses an einer Wand montiert werden.
Elektrische Verbindungen:
Die Eingangskabel (Netz/Generator) und der Wechselrichter (oder Wechselrichter/Ladegerät) sowie das Ausgangskabel (zu den Geräten) sollten gemäß dem unten abgebildeten Anschlussdiagramm angeschlossen werden.
Die Eingangs- und Ausgangskabel müssen für eine sichere Installation die richtige Aderstärke aufweisen. Zu gering dimensionierte Kabel können zu einer Überhitzung der Kabel führen. Die maximale Aderstärke des Kabels beträgt 6 mm².
Verwenden Sie die mitgelieferten Kabelverschraubungen, um die Eingangs- und Ausgangskabel durch das Gehäuse zu führen.
Ziehen Sie alle Verbindungen mit einem Nenndrehmoment von 1,2 Nm an. Dadurch wird der Übergangswiderstand so weit wie möglich begrenzt. Lose Verbindungen können zu einer gefährlichen Überhitzung der Klemmen führen.
![]() Anschlussdiagramm VE Transferschalter 5 kVA. | ![]() Anschlussdiagramm VE Transferschalter 10 kVA. |
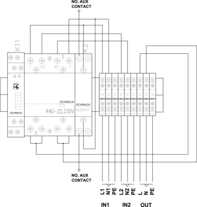
Anschluss eines Digital Multi Control-Panels:
Wenn der Transferschalter zusammen mit einem MultiPlus und einem Digital Multi Control-Panel (DMC) verwendet wird:
Verbinden Sie den Zusatzkontakt 1 und 2 des Transferschalters des Relais K2 (NO) mit der Anschlussbuchse auf der Rückseite des DMC, wie im folgenden Anschlussdiagramm dargestellt.
Wenn der Zusatzkontakt des Transferschalters geöffnet ist, wird der MultiPlus-Stromgrenzwert über den Drehschalter an der Vorderseite des DMC gesteuert. Auf dem Display des DMC wird der aktuelle Grenzwert angezeigt.
Wenn der Zusatzkontakt des Transferschalters geschlossen wird, wird eine voreingestellte (Generator-)Stromgrenze an den MultiPlus gesendet. Auf dem Display des DMC erscheint der Text: „GEN“.
Für weitere Informationen zu dieser Eigenschaft und zur Einstellung der voreingestellten (Generator-)Stromgrenze siehe das Handbuch zum Digital Multi Control-Panel.
![]() |
Anschlussdiagramm eines Digital Multi Control-Panels
Sicherung, Erdschlussschutz und Erdung:
Die Verkabelung des Wechselstromeingangs und -ausgangs muss durch Sicherungen oder Miniatur-Stromkreisunterbrecher (MCBs) geschützt werden, die für den Leitungsquerschnitt des Systems ausgelegt sind.
Externe Fehlerstromschutzschalter (RCDs oder RCCBs) müssen in die Verkabelung des Transferschalters integriert werden.
Alle Erdungsanschlüsse der Stromquellen und Stromverbraucher müssen mit dem zentralen Erdungsanschluss des Schiffes oder der elektrischen Anlage verbunden werden.
Konfiguration:
In den meisten Fällen besteht keine Notwendigkeit, den Transferschalter zu konfigurieren. Der Transferschalter ist direkt nach der Installation einsatzbereit. Unter bestimmten Umständen ist jedoch eine Anpassung der „Einschaltverzögerung“ von Eingang 1 erforderlich. Nehmen Sie die Einstellung der Verzögerungszeit mit einem kleinen Schlitzschraubendreher vor.


