Skip to main content
Toggle navigation
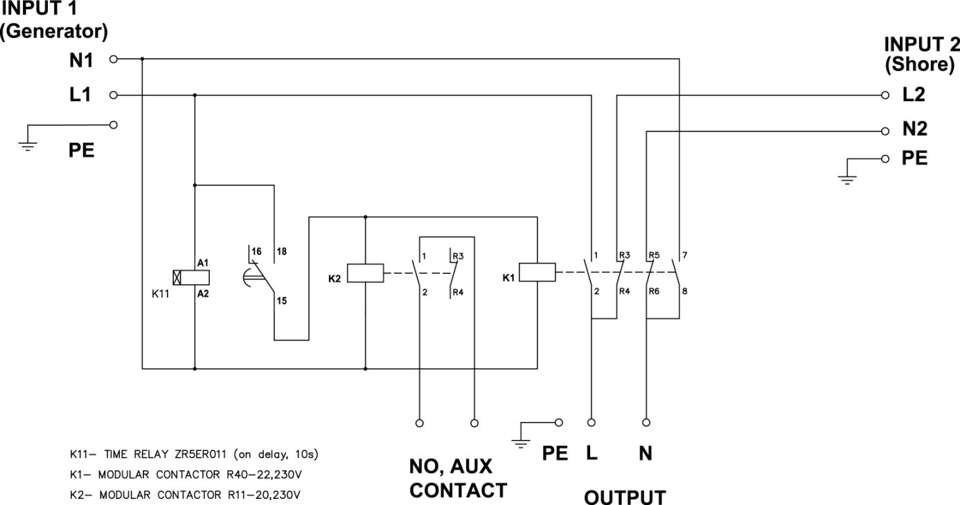
VE Transferschalter
print
Toggle navigation
VE Transferschalter
Schaltplan
Zurück
Weiter
5
.
Schaltplan
In diesem Abschnitt
:
VE Transferschalter 5 KVA
VE Transferschalter 10 KVA
Suchresultat
Zurück
Weiter