7. Mise à la masse, mise à la terre et sécurité électrique
La masse ou la terre fournit un chemin de retour commun pour le courant électrique issu de différents composants du circuit électrique. Ce chemin est créé en reliant le point neutre d’une installation à la masse générale de la terre ou à une masse mécanique. La mise à la terre est nécessaire pour la sécurité électrique et crée également un point de référence dans un circuit sur lequel les tensions sont mesurées. |
D’une manière générale, il existe trois types de mise à la terre :
|
| |
| ![]() |
7.1. Sécurité électrique
L’électricité est dangereuse, elle peut entraîner des blessures et des brûlures graves, voire mortelles. C’est l’intensité du courant qui est la partie la plus dangereuse de l’électricité. Un courant de faible intensité peut déjà être très dangereux s’il traverse une personne. Voir le tableau ci-dessous. |
Intensité du courant électrique (contact d’une seconde) | Effets physiologiques |
|---|---|
1 mA | Seuil de ressenti d’une sensation de picotement. |
5 mA | Accepté comme courant maximal inoffensif. |
De 10 à 20 mA | Début d’une contraction musculaire soutenue (« impossible de lâcher prise »). |
De 100 à 300 mA | Fibrillation ventriculaire, mortelle si elle se poursuit. La fonction respiratoire continue. |
6 A | Contraction ventriculaire soutenue suivie d’un rythme cardiaque normal (défibrillation). Paralysie respiratoire temporaire et brûlures éventuelles. |
Le courant circule dès qu’un circuit électrique est fermé. Par exemple, imaginez deux fils CA lâches, un fil sous tension et un fil neutre. Lorsque les fils pendent simplement, aucun courant ne circule car le circuit n’est pas fermé. Mais si vous touchez un fil sous tension d’une main et le fil neutre de l’autre, vous fermez le circuit et l’électricité circulera à partir du fil sous tension, traversant votre corps et votre cœur avant de revenir au fil neutre. Le courant continuera à circuler jusqu’à ce que le fusible saute, mais à ce moment-là, vous serez probablement déjà mort. |
![]() |
|
| ||
Fils électriques exposés. | Le circuit électrique n’est pas fermé et l’électricité ne peut pas circuler. | Le circuit électrique est fermé et l’électricité circule. |
Outre le fait de toucher simultanément un neutre et un fil sous tension, il existe une autre situation dangereuse : lorsque l’électricité circule en passant par la terre. Cette situation est plus fréquente que celle où une personne touche la phase et le neutre en même temps. Le conducteur neutre est relié à la terre à un certain point. Cela peut être dans l’installation domestique, dans le réseau de distribution ou au niveau du générateur électrique (le point étoile). |
Si un équipement électrique présente une défaillance, les parties métalliques de l’extérieur de cet équipement peuvent devenir sous tension. Cela peut être dû au fait qu’il existe un raccourci interne entre l’électricité sous tension et le boîtier métallique de l’équipement. Prenons par exemple à une machine à laver défectueuse. Une défaillance peut avoir été causée par un défaut électrique, un dommage mécanique ou des fils électriques endommagés qui touchent le boîtier métallique de l’équipement électrique. Dès que vous touchez le lave-linge défectueux, l’électricité passe de la phase au boîtier métallique, puis à la terre, en passant par vous. De la terre, l’électricité passera ensuite dans le neutre du réseau électrique. Le circuit est complet. L’électricité continuera à circuler jusqu’à ce que le fusible de l’alimentation secteur saute. Mais comme dans la situation précédente, vous êtes probablement déjà mort. | ![]() |
Le conducteur de terre a été introduit pour rendre les installations électriques plus sûres. Le fil de terre relie le boîtier métallique à la terre. Si vous touchez l’équipement défectueux, l’électricité circulera alors dans le fil de terre plutôt que dans votre corps. La raison en est que l’électricité emprunte le chemin de moindre résistance. Le chemin qui passe par vous et la terre est un chemin plus résistif que celui qui passe par le fil de terre. Sachez toutefois qu’une très petite quantité de courant peut toujours passer par votre corps. Un courant peut déjà être dangereux à partir de 30 mA. Notez qu’un simple fil de terre n’est pas suffisant. Une installation doit aussi être équipée d’un dispositif différentiel résiduel (DDR). Voir le chapitre DDR, RRCB ou DDFT pour plus d’informations. | ![]() |
7.2. Câblage de mise à la terre
Un bon câblage de mise à la terre est essentiel à la sécurité électrique. Le fil et les connexions à la terre doivent avoir une faible résistance électrique. N’oubliez pas que l’électricité passera par le chemin où la résistance est la plus faible. Donc, vous devez vous assurer que le fil de terre est assez épais et que toutes les connexions sont bien serrées. Le fil de terre peut être parcouru par des courants potentiellement importants en cas de défaut de l’équipement. Le fil de terre doit pouvoir supporter ce courant jusqu’à ce que le fusible saute. Il est donc important que le fil de terre soit suffisamment épais. Les fils de terre ou de masse sont jaune et vert. Dans les installations plus anciennes ou dans certains pays, vous pouvez également voir un fil vert. |
| |
AttentionMISE EN GARDE : respectez toujours les réglementations locales en matière de câblage pour le dimensionnement correct du fil de terre. | ||
7.3. DDR, RRCB ou DDFT
L’électricité peut être très dangereuse. L’ajout d’un conducteur de terre dans un système améliore la sécurité, mais une installation peut être rendue encore plus sûre en incorporant un DDR (dispositif différentiel résiduel). L’utilisation d’un DDR est obligatoire dans toutes les installations de courant alternatif. |
Fonction du DDR : Le DDR déconnecte l’installation dès qu’il détecte que de l’électricité circule dans la terre. L’électricité pénètre dans le sol en cas de défaillance du système ou, ce qui est plus important, si le courant circule dans le corps d’une personne. Les DDR sont conçus pour se déconnecter dès qu’une circulation de courant vers la terre est détectée. Un dispositif différentiel résiduel (DDR) peut être connu sous différents noms :
|
Fonctionnement du DDR : Un DDR mesure l’équilibre entre la phase et le neutre. L’appareil ouvre son contact lorsqu’il détecte une différence d’intensité entre la phase et le neutre. Dans un système sûr, la somme des intensités d’alimentation et de retour doit être égale à zéro. Si ce n’est pas le cas, il y a un défaut dans le système, le courant fuit vers la terre ou vers un autre circuit. |
| |
Les DDR sont conçus pour empêcher l’électrocution en détectant ce courant de fuite, qui peut être bien plus faible (typiquement de 5 à 30 mA) que les courants nécessaires pour déclencher les disjoncteurs ou les fusibles classiques (plusieurs ampères). Les DDR sont conçus pour fonctionner dans un délai de 25 à 40 millisecondes. Ce délai est plus rapide que le temps nécessaire à un choc électrique pour entraîner le cœur en fibrillation ventriculaire, la cause la plus courante de décès par électrocution. Un système sûr est un système qui protège contre les courts-circuits, les surcharges et la fuite à la terre. |
| |
La détection de fuite à la terre ne peut avoir lieu que dans des systèmes où le conducteur neutre est connecté au conducteur de terre, comme dans un système TN ou TT. La détection de fuite à la terre n’est pas possible dans un réseau IT. | ||
Où monter un DDR Un DDR doit être monté avant les consommateurs dans une installation électrique. En réalité, cela signifie que les DDR doivent être montés avant que l’installation ne soit divisée en différents groupes. Si un convertisseur ou un convertisseur/chargeur est utilisé, le DDR doit être installé après, sinon, il n’y aura pas de protection de la terre pendant que le convertisseur est opérationnel. Les consommateurs qui ne sont opérationnels que lorsqu’ils sont connectés à l’alimentation à quai devront être équipés de leur propre DDR. |
Déclenchement intempestif des DDR Dans certaines installations, les DDR se déclenchent prématurément. Ce phénomène peut être causé par :
|
7.4. Liaison neutre-terre dans les convertisseurs et dans les convertisseurs/chargeurs
Une source d’alimentation CA doit avoir une liaison neutre-terre (liaison MEN) pour qu’un DDR puisse fonctionner. C’est le cas pour le réseau public, mais aussi si la source de courant alternatif est un générateur ou un convertisseur.
Mais lorsque des unités combinées convertisseur/chargeur sont utilisées, la liaison MEN est moins simple. Le convertisseur/chargeur a deux modes de fonctionnement différents :
Lorsque le convertisseur/chargeur s’inverse pour fonctionner comme une source d’alimentation, il doit établir une liaison MEN indépendante. Mais lorsqu’il alimente le système par l’intermédiaire d’un générateur ou du réseau, c’est l’alimentation entrante qui doit comporter la liaison MEN au lieu du convertisseur/chargeur. Les convertisseurs/chargeurs Victron contiennent un relais de masse interne. Ce relais établit ou coupe automatiquement la connexion entre la terre et le neutre. Si cela n’est pas souhaité, ce relais peut être désactivé dans les paramètres du convertisseur/chargeur. Notez que si le relais est désactivé, vous devrez câbler une liaison neutre-terre dans le système. De même, dans certaines installations, il peut être interdit de rompre le conducteur neutre. Dans ce cas, si vous utilisez un convertisseur/chargeur-II, choisissez un réglage de code réseau d’un type qui stipule que le chemin neutre CA est relié à l’extérieur. |
Le convertisseur/chargeur est en mode chargeur et/ou en mode traversée (feed-through) : Lorsque le convertisseur est connecté à l’alimentation CA, le relais d’entrée CA est fermé et, en même temps, le relais de terre est ouvert. Le système de sortie CA dépend de l’alimentation CA pour assurer la liaison neutre-terre. Cette liaison est nécessaire pour que le DDR soit opérationnel dans le circuit de sortie CA. Relais de terre Relais d’entrée CA
|
Le convertisseur/chargeur est en mode convertisseur : Lorsque l’alimentation CA est déconnectée, éteinte ou en panne, le relais d’entrée CA s’ouvre. Lorsque le relais d’entrée CA est ouvert, l’installation ne dispose plus de liaison neutre-terre. C’est pourquoi le relais de terre doit être fermé au même moment. Dès que le relais de terre se ferme, le convertisseur/chargeur a établi une liaison neutre-terre interne. Cette liaison est nécessaire pour que le DDR soit opérationnel dans le circuit de sortie CA.
|
7.5. Installations mobiles
Une installation mobile est une installation fonctionnant indépendamment du réseau public. Lorsqu’elle se connecte à l’alimentation CA, elle se connecte généralement au réseau à différents endroits et/ou à différents générateurs. Par exemple, les bateaux, les véhicules ou les systèmes d’alimentation de secours mobiles. Dans ce chapitre, nous utilisons une installation de bateau. Cependant, ces informations peuvent être utilisées pour toute installation mobile. Un système mobile n’a pas de piquet de terre. Un autre dispositif doit donc le remplacer pour créer un potentiel de masse central. Toutes les parties métalliques du bateau ou du véhicule susceptibles d’être touchées doivent être connectées les unes aux autres pour créer une mise à la terre locale. Les parties métalliques d’un bateau ou d’un véhicule sont, par exemple, le châssis, la coque, les conduites de liquide métalliques, la balustrade, le moteur, les contacts de terre des prises de courant, les paratonnerres et la plaque de terre (le cas échéant). Un système mobile se connecte généralement à diverses sources d’alimentation. Il n’est pas toujours évident de savoir lequel des fils de l’alimentation à quai est relié à la terre ou si la terre est bien reliée. De plus, la phase et le neutre peuvent ne pas avoir été câblés correctement. La connexion d’une telle alimentation à un système mobile peut potentiellement créer un court-circuit à la terre. Ou bien la terre est tout simplement absente. Il faut aussi savoir si le système mobile est connecté au secteur ou s’il est déconnecté du secteur et fonctionne de manière autonome. Quelques exemples de situations différentes dans lesquelles un système mobile peut se trouver : |
Un bateau est connecté à l’alimentation à quai Lorsqu’un bateau est amarré et relié à une installation d’alimentation à quai, il est similaire à une installation résidentielle. Il n’y a qu’une seule différence : le bateau n’a pas sa propre connexion à la terre par un piquet de terre comme une installation résidentielle. L’installation du bateau dépend de la prise de terre fournie par la connexion à quai. Malheureusement, cette prise de terre n’est pas toujours fiable en raison du fait que les câbles du port sont souvent longs et l’épaisseur de leur âme peut être insuffisante. Pour créer une situation sûre, les parties métalliques du bateau, comme la coque, devront être connectées à la terre depuis le câble d’alimentation à quai. La prise de terre de l’alimentation à quai est connectée au neutre. En cas de fuite à la terre, le courant circule dans le conducteur de terre du câble d’alimentation secteur, mais également dans la coque par l’intermédiaire de l’eau avant de retourner à la prise de terre du quai. Les deux circuits de fuite à la terre ont le même potentiel et sont en quelque sorte connectés en parallèle. Mais un courant de plus forte intensité traversera le conducteur de terre dans le câble de quai. Le chemin qui traverse la coque et l’eau a une plus forte résistance. Le DDR déclenchera toujours un défaut de terre car il comparera le courant entrant par la phase au courant sortant par le neutre. | ![]() ![]() |
Un bateau est déconnecté de la prise de quai Dès que le bateau se déconnecte de l’alimentation à quai, toute l’installation change car elle ne fait plus partie du réseau et la connexion avec le neutre et la terre est perdue. L’installation constitue désormais l’alimentation principale et forme avec la charge son propre circuit électrique autonome. Aucun courant ne circule alors dans la coque et dans l’eau. | ![]() |
Réseau flottant dans un bateau ou un véhicule (réseau IT) Dans un système mobile où un convertisseur (ou un générateur) est la seule source d’énergie, on peut choisir de ne pas utiliser un réseau TT mais un réseau IT. Dans un réseau IT, la phase et le neutre ne sont pas couplés à un autre potentiel comme la terre. Les tensions créées par la source d’alimentation indépendante sont flottantes. Un système de ce type est très sûr et simple à installer. Si un conducteur ou un boîtier de ce système est touché par une personne, aucun courant ne peut circuler vers la terre. N’oubliez pas que pour que le courant circule, il faut un circuit complet. Dans ce système, le conducteur de terre est absent, et le circuit électrique vers la terre n’est pas complet. Cette situation est similaire à celle du transformateur de sécurité dans une salle de bains. Les convertisseurs et les générateurs ne sont en principe rien d’autre que la source de deux différences de potentiel avec une différence de 230 V (ou 120 V). Si vous les touchez, le courant ne vous traversera pas car le chemin est incomplet. C’est le même principe que pour un oiseau posé sur un fil électrique. Sachez qu’il est toujours dangereux de toucher en même temps le fil de phase et le fil neutre, car le chemin est alors complet. | ![]() ![]() | |
![]() Sans danger, l’électricité ne circule pas | ![]() Sans danger, l’électricité ne circule pas | ![]() Dangereux, l’électricité circule |
Réseau mobile avec prise de terre et liaison neutre-terre (réseau TT) Si le système mobile se connecte au réseau par l’intermédiaire d’un commutateur de transfert ou d’un convertisseur/chargeur, la prise de terre et une liaison neutre-terre sont introduits dans le système. Le système devient un réseau TT. C’est également le cas si la réglementation locale exige que la prise de terre, une liaison neutre-terre et un DDR soient câblés dans un système mobile contenant un convertisseur ou un générateur. Dès que cela se produit, le système devient plus dangereux, donc dès que la terre et une liaison neutre-terre ont été ajoutées à un système, un DDR doit être installé afin de satisfaire aux exigences du réseau TT ou TN auquel le réseau mobile est maintenant connecté. | ||
![]() Pas de terre, l’électricité ne circule pas | ![]() Terre ajoutée, l’électricité circule | ![]() Sans danger, le DDR vous protégera si l’électricité circule |
Du réseau IT au réseau TT Avec un système mobile, il est possible de créer un réseau qui est un réseau TT lorsqu’il est connecté au réseau électrique et qui devient en même temps un réseau IT flottant lorsque le réseau est déconnecté et qu’un générateur ou un convertisseur est utilisé. Cette situation n’est pas souhaitable et doit être évitée. Lorsqu’une installation se déconnecte du réseau, elle se déconnecte également de la prise de terre du réseau. Si l’installation mobile n’a pas de terre ni de liaison terre-neutre, elle deviendra un système flottant dès que le réseau sera déconnecté. Bien que le système puisse être équipé d’un DDR, ce dernier ne peut plus détecter un courant de fuite à la terre car le neutre n’est pas relié à la terre. Il est inutile d’appuyer sur le bouton de test du DDR si la liaison neutre-terre est absente. Lorsque vous appuyez sur le bouton de test, vous aurez la fausse impression que le DDR est opérationnel, alors qu’en réalité, le DDR ne fonctionnera pas en cas de défaut de terre car la liaison neutre-terre est absente. Lorsque vous appuyez sur le bouton de test d’un DDR, une dérivation interne est activée, simulant une fuite à la terre, de sorte que le DDR peut être testé électriquement et mécaniquement. Le bouton de test ne permet en aucun cas de tester l’installation entière. Il teste seulement le DDR lui-même. Cela peut prêter à confusion et entraîner des situations dangereuses. C’est pour ces raisons qu’il est recommandé de toujours suivre les principes du réseau TT, même dans les situations où l’installation n’est pas raccordée au réseau électrique. Le passage du réseau IT au réseau TT doit permettre de réaliser une connexion entre le neutre et la terre du système mobile dès que le réseau est déconnecté. Cela peut être fait automatiquement par un convertisseur/chargeur avec un relais de terre ou cela doit être câblé en dur dans un commutateur de transfert. Tous les convertisseurs et générateurs n’ont pas un neutre connecté à la terre. Vous devez toujours vérifier ce point avant l’installation. Et si nécessaire, une liaison neutre-terre doit être câblée. |
7.6. Isolation et mise à la terre de l’équipement Victron
Ce chapitre explique l’isolement de différents produits Victron entre courant alternatif et courant continu, ou entre courant continu et courant continu. Ces informations sont nécessaires pour relier correctement à la masse un système contenant un produit Victron. |
Isolement de tous les convertisseurs et convertisseurs/chargeurs Victron :
Dans le cas d’une mise à la terre positive, les connexions d’interface non isolées se référeront au négatif CC et non à la masse. La mise à la masse d’une telle connexion endommagera le produit. La borne de masse CA de tous les convertisseurs et convertisseurs/chargeurs est connectée au châssis. |
Mise à la masse neutre en CA des convertisseurs Victron Le neutre de tous les convertisseurs de 1600 VA et plus et du convertisseur Compact 1200 VA est connecté au châssis. Par conséquent, la mise à la masse du châssis mettra également le neutre CA à la masse. Un neutre mis à la masse est nécessaire pour le bon fonctionnement d’un DDR (ou RCCB, RCBO ou DDFT). Si aucune mise à la masse fiable n’est disponible et/ou si aucun DDR (ou RCCB, RCBO ou DDFT) n’est installé, la connexion du neutre CA au châssis doit être retirée pour plus de sécurité. Attention : il est probable qu’une telle installation ne soit pas conforme à la réglementation locale. Le neutre CA des convertisseurs de puissance inférieure n’est généralement pas connecté au châssis. Une connexion neutre-masse peut toutefois être établie : veuillez consulter le manuel du produit. |
Mise à la masse du neutre CA des convertisseurs/chargeurs Victron La sortie neutre CA de tous les convertisseurs/chargeurs est connectée à l’entrée neutre CA lorsque les relais de rétroalimentation sont fermés (CA disponible sur l’entrée). Lorsque les relais de rétroalimentation sont ouverts, un relais de masse connecte le neutre sortant au châssis. Un neutre mis à la masse est nécessaire pour le bon fonctionnement d’un DDR. La désactivation du relais de masse est possible sur la plupart des modèles. Pour plus d’informations, consultez le mode d’emploi du produit. |
Isolement des chargeurs solaires MPPT Il n’y a pas d’isolation entre l’entrée PV et la sortie CC. Il existe une isolation de base entre l’entrée/sortie et le châssis. |
Isolement d’autres produits Chargeurs de batterie : isolement renforcé entre le courant alternatif et le courant continu. Isolement de base entre le secteur et le châssis, à l’exception des chargeurs Smart IP65, qui offrent une isolation renforcée entre le secteur et le boîtier en plastique. Convertisseurs CC-CC, répartiteurs à diode et FET et autres produits à courant continu : le boîtier est toujours isolé du courant continu (isolation de base). |
7.7. Mise à la masse du système
Jusqu’ici, nous avons discuté de la terre ou de la masse CA dans les installations à courant alternatif, mais une mise à la masse est également nécessaire pour les composants à courant continu d’une installation. Ce chapitre décrit certaines installations courantes qui contiennent non seulement un convertisseur/chargeur mais aussi un parc de batteries, un chargeur solaire et un réseau de panneaux photovoltaïques. |
Mise à la masse du système hors réseau Ne mettez pas à la masse le positif ou le négatif du générateur photovoltaïque. L’entrée PV négative du MPPT n’est pas isolée de la sortie négative. La mise à la masse du PV entraînera donc des courants de fuite à la masse. Les châssis PV peuvent quant à eux être mis à la masse, soit à proximité du générateur PV, soit (de préférence) vers le contact central de mise à la masse. Cette mise à la masse fournira une certaine protection contre la foudre. Masse près de la batterie. Les pôles de batterie sont supposés pouvoir être touchés sans danger. La masse de la batterie doit donc être la connexion de masse la plus fiable et la plus visible. Le câblage de masse CC doit avoir une épaisseur suffisante pour pouvoir supporter un courant de défaut au moins égal à la capacité du fusible CC. Le châssis du convertisseur ou du Multi/Quattro doit être mis à la masse. Il existe une isolation de base entre le secteur et le châssis. Le châssis du chargeur solaire MPPT doit être mis à la masse. Il existe une isolation de base entre le secteur et le châssis. Veuillez noter que la distribution CA avec fusibles ou MCB et la mise à la masse du réseau de panneaux photovoltaïques et du châssis PV ne sont pas illustrées. |
|
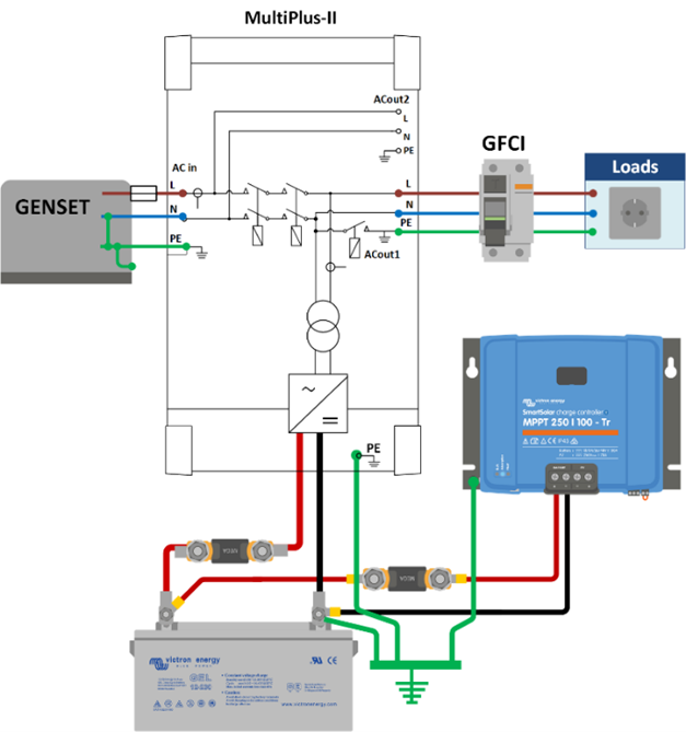
Hors réseau avec générateur Utilisez une seule prise de masse, à proximité de la batterie. Les pôles de batterie sont supposés pouvoir être touchés sans danger. La masse de la batterie doit donc être la connexion de masse la plus fiable et la plus visible. Le câblage de masse CC doit avoir une épaisseur suffisante pour pouvoir supporter un courant de défaut au moins égal à la capacité du fusible CC. De même, le câblage de masse CA doit pouvoir supporter un courant de défaut au moins égal à la capacité nominale du fusible CA. Un GFCI ne fonctionnera que si le châssis du Multi/Quattro est mis à la masse. |
|
Hors réseau avec générateur à haute puissance Mettez le générateur à la masse directement au contact central de mise à la masse. |
|
Système de stockage d’énergie (ESS) connecté au réseau Le câblage de masse CC doit pouvoir supporter un courant de défaut au moins égal à la capacité nominale du fusible CC. Connectez le châssis du convertisseur/chargeur à la barre omnibus de masse. La masse de la sortie CA peut être prise à partir de la barre omnibus centrale ou de la borne de sortie CA. |
|























