7. Conexión a tierra, tierra y seguridad eléctrica
La conexión a tierra (toma de tierra o puesta a tierra) constituye una vía de retorno común para la corriente eléctrica de un circuito eléctrico. Se crea conectando el punto neutro de una instalación a la masa general de la tierra o a un chasis. La toma de tierra es necesaria por seguridad eléctrica y también constituye un punto de referencia en un circuito para medir las tensiones. |
En general, hay tres tipos de conexión a tierra, a saber:
|
| |
| ![]() |
7.1. Seguridad eléctrica
La electricidad es peligrosa, puede matar, herir o quemar a una persona. La corriente es la parte más peligrosa de la electricidad. Una pequeña corriente que pase por una persona ya puede ser muy peligrosa. Véase la siguiente tabla. |
Corriente eléctrica (contacto de 1 segundo) | Efectos fisiológicos |
|---|---|
1 mA | Umbral en el que se siente una sensación de hormigueo. |
5 mA | Aceptada como corriente inofensiva máxima. |
10 - 20 mA | Comienzo de la contracción muscular sostenida (corriente que “no se puede soltar”). |
100 - 30 mA | Fibrilación ventricular, es mortal si se mantiene. Se conserva la función respiratoria. |
6 A | Contracción ventricular sostenida seguida de ritmo cardíaco normal (desfibrilación). Parálisis respiratoria temporal y posibles quemaduras. |
La corriente fluirá en cuando se cierre un circuito eléctrico. Por ejemplo, imagine dos cables de CA sueltos: uno con corriente y uno neutro. Si los cables están simplemente sueltos, no habrá corriente porque el circuito no está cerrado. Pero si toca un cable con corriente con una mano y el neutro con la otra, usted mismo cierra el circuito y la electricidad pasará por el cable con corriente de vuelta al cable neutro a través de su cuerpo y de su corazón. La corriente seguirá fluyendo hasta que se funda el fusible, pero para entonces seguramente ya estará muerto. |
![]() |
|
| ||
Cables eléctricos expuestos. | El circuito eléctrico no está cerrado y la electricidad no puede fluir. | El circuito eléctrico está cerrado y la electricidad fluirá. |
Aparte de tocar un cable neutro y uno con corriente al mismo tiempo, hay otras situaciones peligrosas que pueden producirse, por ejemplo cuando la electricidad pasa por la tierra. Esta es una situación más probable que la de una persona que toque un conductor neutro y una fase a la vez. El conductor neutro está conectado a tierra en algún punto. Esto puede ser en la instalación doméstica, en la red de distribución o en el generador de energía (punto estrella). |
Si hay un fallo en el equipo eléctrico es posible que las partes metálicas de ese equipo lleven corriente. Esto puede pasar si hay un atajo interno entre la electricidad activa y la carcasa metálica del equipo. Piense, por ejemplo, en una lavadora que no funciona bien. Puede tener un fallo por una avería eléctrica, por un daño mecánico o por cables eléctricos dañados en contacto con la carcasa metálica del equipo eléctrico. En el momento en que toque la lavadora averiada, la electricidad pasará desde la fase a la carcasa metálica, a través de usted, hasta la tierra. Desde la tierra, la electricidad pasará al neutro de la alimentación de la red. El circuito está completo. La electricidad seguirá fluyendo hasta que se funda el fusible de suministro de la red. Pero al igual que en la situación anterior, para entonces probablemente ya esté muerto. | ![]() |
Para que las instalaciones eléctricas fueran más seguras, se introdujo el conductor de tierra. El conductor de tierra conecta la carcasa metálica a la tierra. Ahora. Si usted toca el equipo averiado, la electricidad pasará por el conductor de tierra y no por su cuerpo. Esto se debe a que la electricidad irá por la ruta de menor resistencia. La ruta a través de usted y la tierra es más resistiva que la del cable de puesta a tierra. Pero tenga en cuenta que aún es posible que una pequeña cantidad de corriente pase por una persona. Una corriente de más de 30 mA ya es peligrosa. Tenga en cuenta que un solo cable de puesta a tierra no es suficiente. También se necesita un interruptor diferencial (ID) en la instalación. Véase el capítulo ID, RCD, RCCB o GFCI para más información. | ![]() |
7.2. Cableado de la puesta a tierra
Un buen cableado de tierra es fundamental para la seguridad eléctrica. Las conexiones de cable y de tierra han de tener baja resistencia eléctrica. Recuerde que la electricidad irá por el camino de menos resistencia. De modo que tiene que asegurarse de que el cable de tierra es lo suficientemente grueso y de que las conexiones están bien apretadas. Puede haber corrientes elevadas atravesando el cable de puesta a tierra si hay una avería en el equipo. La puesta a tierra ha de poder llevar esta corriente hasta que se funda el fusible del sistema. Así que es importante que el cable de tierra sea lo suficientemente grueso. Los cables de tierra o de toma de tierra son amarillos/verdes. En instalaciones más antiguas o en algunos países también puede encontrar un cable verde. |
| |
AtenciónPRECAUCIÓN: Respete siempre la normativa de cableado local para elegir el tamaño correcto del cable de puesta a tierra. | ||
7.3. ID, RCD, RCCB o GFCI
La electricidad puede ser muy peligrosa. Incorporar un conductor de tierra a un sistema hace que sea más seguro, pero las instalaciones pueden ser aún más seguras con un interruptor diferencial (ID). Su uso es obligatorio en todas las instalaciones de CA. |
Función del ID: El ID detecta que la electricidad está pasando a la tierra y desconecta inmediatamente. La electricidad irá a la tierra si hay un fallo en el sistema o, lo que es más importante, cuando la corriente esté pasando por una persona. Los ID están diseñados para desconectar en cuanto se detecta un flujo de corriente hacia la tierra. Los interruptores diferenciales (ID) pueden conocerse con distintos nombres:
|
Funcionamiento del ID: Un ID mide el equilibrio de corriente entre el conductor de fase y el neutro. El dispositivo abrirá su contacto cuando detecte una diferencia de corriente entre la fase y el neutro. En un sistema seguro, la suma de las corrientes de alimentación y retorno debe ser igual a cero. De lo contrario, hay un fallo en el sistema, hay fugas de corriente a tierra o a otro circuito. |
| |
Los interruptores diferenciales (ID) estás diseñados para evitar la electrocución detectando esta fuga de corriente, que puede ser mucho menor (normalmente 5 - 30 mA) que las corrientes necesarias para accionar los disyuntores o los fusibles convencionales (varios amperios). Están pensados para actuar en 20 - 40 milisegundos. Este periodo de tiempo es inferior al necesario para que la descarga eléctrica haga que el corazón llegue a fibrilación ventricular, la causa más frecuente de muerte por descarga eléctrica. Un sistema seguro protege contra cortocircuitos, sobrecargas y corrientes de fuga de tierra. |
| |
La detección de fugas de tierra solo es posible en sistemas en los que el conductor neutro está conectado al conductor de tierra, como un sistema TN o TT. No es posible detectar fugas a tierra en una red IT. | ||
Dónde montar un ID En una instalación eléctrica, el ID debe montarse antes de las cargas. En la práctica, esto significa que el ID tiene que montarse antes de dividir la instalación en distintos grupos. Si se usa un inversor o inversor/cargador, el ID debe colocarse después. De lo contrario no habrá protección de puesta a tierra mientras el inversor esté operativo. Los consumidores eléctricos que solo funcionan cuando están conectados a la toma del puerto, necesitarán su propio ID. |
Disparo accidental del ID En algunas instalaciones, el ID saltará antes de tiempo. Esto puede deberse a lo siguiente:
|
7.4. Enlace neutro a tierra en inversores e inversores/cargadores
Las fuentes de alimentación CA necesitan tener un enlace neutro a tierra (enlace MEN) para que el ID pueda funcionar. Este es el caso para la red, pero también si la fuente de CA es un generador o un inversor.
Pero cuando se usan unidades inversor/cargador combinadas, el enlace MEN no es tan claro. El inversor/cargador tiene dos modos de funcionamiento diferentes:
Cuando el inversor/cargador esté invirtiendo y actuando como fuente de alimentación, tendrá que hacer un enlace MEN independiente. Pero cuando esté alimentado a través de un generador o del suministro de la red, el suministro entrante tendrá que tener el enlace MEN en lugar del inversor/cargador. Los inversores/cargadores de Victron incluyen un relé de tierra interno. Este relé establece o rompe automáticamente la conexión entre tierra y neutro. Si no se desea que esto sea así, este relé puede apagarse en los ajustes del inversor/cargador. Tenga en cuenta que si el relé se apaga, tendrá que conectar con cable un enlace de neutro a tierra en el sistema. Del mismo modo, en algunas instalaciones, puede que no esté permitido romper el conductor neutro. En ese caso, suponiendo que se usa un inversor/cargador-II, elija un ajuste de código de red de un tipo que determine que la ruta del neutro a CA esté unida externamente. |
El inversor/cargador está en modo cargador y/o en modo paso a través (feed-through): Cuando el inversor está conectado a la alimentación CA, el relé de entrada de CA está cerrado y al mismo tiempo, el relé de puesta a tierra está abierto. El sistema de salida de CA depende de que la alimentación CA proporcione el enlace neutro a tierra. El enlace es necesario para que el ID del circuito de salida de CA funcione. Relé de puesta a tierra relé de entrada de CA
|
El inversor/cargador está en modo inversor: Cuando el suministro de energía CA está desconectado, se ha apagado o ha fallado, se abre el relé de entrada de CA. Cuando el relé de entrada CA está abierto, la instalación ya no tiene enlace neutro a tierra. Por esto es por lo que al mismo tiempo el relé de tierra está cerrado. En cuanto el relé de puesta a tierra se cierra, el inversor/cargador ha establecido un enlace neutro a tierra interno. El enlace es necesario para que el ID del circuito de salida de CA funcione.
|
7.5. Instalaciones móviles
Una instalación móvil es una instalación que funciona con independencia de la red. Cuando se conecta a la alimentación CA, se suele conectar a la red en distintas ubicaciones y/o generadores. Por ejemplo, barcos, vehículos o sistemas de alimentación móviles auxiliares. En este capítulo, se usa la instalación de un barco. No obstante, la información puede usarse para cualquier instalación móvil. Las instalaciones móviles no tiene una pica a tierra. Por lo que se necesita algo en su lugar que cree un potencial de tierra central. Todas las partes metálicas que se puedan tocar del barco o del vehículo deben estar conectadas entre sí para crear una tierra local. Algunos ejemplos de partes metálicas de un barco o vehículo son: chasis, casco, tuberías metálicas, barandillas, motor, contactos de tierra de las tomas de alimentación, pararrayos y la placa de puesta a tierra (si la hay). Un sistema móvil normalmente se conecta a distintas fuentes de alimentación. En estos casos, a veces no está claro cuál de los cables de la fuente de alimentación del puerto se conecta a la puesta a tierra o si la puesta a tierra está conectada. Además, es posible que la fase y el neutro no se hayan conectado correctamente. Conectar una fuente como esta a un sistema móvil podría crear un cortocircuito a tierra. O simplemente no hay puesta a tierra. También es importante considerar si el sistema móvil se conecta a la alimentación o si está desconectado de la alimentación y funciona de forma autónoma. Algunos ejemplos de distintas situaciones en las que se puede encontrar un sistema móvil: |
Un barco conectado a la alimentación del puerto Cuando un barco está amarrado y conectado a la instalación de suministro del puerto es similar a una instalación doméstica. Solo hay una diferencia, que el barco no tiene su propia conexión a tierra, como la pica de tierra que se puede encontrar en una casa. La instalación del barco utiliza la toma de tierra proporcionada por la conexión del puerto. Desgraciadamente, esta toma de tierra no siempre es fiable debido a que los cables del pantalán a menudo son muy largos y es posible que no tengan suficiente grosor. Para que la situación sea segura, las partes metálicas del barco, como el casco, tendrán que conectarse a la tierra entrante desde el cable de alimentación del puerto. La tierra de alimentación del puerto está conectada al neutro. Si se produce una fuga a tierra, la corriente pasará por el conductor de tierra del cable de red, pero también a través del casco y del agua y de vuelta a la tierra del puerto. Los dos circuitos de fuga a tierra tienen el mismo potencial y de alguna forma están conectados en paralelo. Pero pasará más corriente por el conductor de tierra del cable del puerto. El camino que va por el casco y el agua ofrece más resistencia. El ID aún detectará un fallo de la puesta a tierra porque comparará la corriente de fase entrante con la corriente de salida a través del neutro. | ![]() ![]() |
Un barco desconectado de la toma del puerto En cuanto el barco se desconecta de la alimentación del puerto, toda la instalación cambia porque ahora ya no forma parte de la red y la conexión con el neutro y la tierra se ha perdido. La instalación es ahora la principal fuente de energía y junto con la carga forma su propio circuito eléctrico autónomo. No pasará ninguna corriente por el casco ni por el agua. | ![]() |
Red flotante en un barco o en un vehículo (red IT) En un sistema móvil en el que un inversor (o generador) es la única fuente de alimentación, se puede elegir específicamente usar la red IT en lugar de la red TT. En una red IT, la fase y el neutro no están acoplados a otro potencial como la puesta a tierra. Las tensiones creadas por una fuente de alimentación independiente son flotantes. Un sistema así es muy seguro y fácil de instalar. Si una persona toca un conductor o una carcasa de este sistema, ninguna corriente puede fluir a la tierra. Recuerde que para que la corriente fluya hace falta un circuito completo. En este sistema no hay conductor de puesta a tierra y el circuito eléctrico a tierra no está completo. Esto es una situación similar a la del transformador de seguridad de un baño, En principio, los inversores y los generadores no son más que la fuente de dos diferencias de potencial con una diferencia de 230 V (o 120 V). El contacto no producirá un flujo de corriente porque el recorrido no es completo. Es lo mismo que cuando un pájaro está apoyado en un cable de electricidad. Tenga en cuenta que tocar la fase y el neutro al mismo tiempo siempre es peligroso porque así se completa el recorrido. | ![]() ![]() | |
![]() Seguro, no habrá flujo de electricidad | ![]() Seguro, no habrá flujo de electricidad | ![]() Poco seguro, habrá flujo de electricidad |
Red móvil con toma de tierra y enlace neutro a tierra (red TT) Si el sistema móvil se conecta a la red mediante un interruptor de transferencia o mediante un inversor/cargador, se introduce en el sistema una toma de tierra y un enlace neutro a tierra. Se convierte en una red TT. Este también es el caso si la normativa local exige que haya una toma de tierra, un enlace neutro a tierra y un ID en los sistemas móviles que contengan un inversor o un generador. En el momento en que esto suceda, el sistema será más peligroso, de modo que en cuanto se han añadido al sistema una puesta a tierra y un enlace de neutro a tierra, será necesario instalar un ID para satisfacer los requisitos de la red TT o TN a la que la red móvil está conectada. | ||
![]() No hay puesta a tierra, no habrá flujo de electricidad | ![]() Se añade una puesta a tierra, habrá flujo de electricidad | ![]() Seguro, el ID servirá de protección si hay flujo de electricidad |
De red IT a red TT Con un sistema móvil, es posible crear una red que sea una red TT cuando esté conectada a la red eléctrica y al mismo tiempo pasará a ser una red IT flotante cuando esté desconectada de la red eléctrica y se esté usando un generador o un inversor. Esto no es deseable y debe evitarse. Cuando una instalación se desconecta de la red, también se desconecta de la toma de tierra de la red. Si la instalación móvil no tiene puesta a tierra ni enlace de tierra a neutro, pasará a ser un sistema flotante en el momento en que se desconecte la red eléctrica. Aunque puede que el sistema tenga un ID, el ID ya no puede detectar una fuga de corriente a tierra porque el neutro no está conectado a tierra. Pulsar el botón de prueba del ID es inútil si no hay enlace de neutro a tierra. Cuando pulse el botón de prueba, tendrá la falsa impresión de que el ID está operativo, pero en realidad no funcionará en caso de fallo de la puesta a tierra ya que falta el enlace de neutro a tierra. Cuando se pulsa el botón de prueba de un ID, se activa un bypass interno que simula una fuga a tierra, de modo que puede probarse eléctrica y mecánicamente el ID. El botón de prueba no sirve en absoluto para comprobar toda la instalación. Solo prueba el propio ID. Esto puede llevar a confusiones y a situaciones de peligro. Por estos motivos, se recomienda seguir siempre los principios de la red TT, también en las situaciones en las que la instalación no está conectada a la red eléctrica. El interruptor de red IT a TT debe acomodarse para que se establezca una conexión entre el neutro y la puesta a tierra del sistema móvil en cuanto se desconecte la red eléctrica. Esto puede hacerse automáticamente mediante un inversor/cargador con un relé de puesta a tierra o conectando un cable en un interruptor de transferencia. No todos los inversores y generadores tienen un neutro conectado a tierra. Esto debe comprobarse siempre antes de la instalación. Y si hace falta, debe establecerse un enlace neutro a tierra. |
7.6. Aislamiento y puesta a tierra de equipos de Victron
En este apartado se explica el aislamiento de diferentes productos de Victron entre CA y CC, o entre CC y CC. Esta información es necesaria para que un sistema con equipos de Victron pueda conectarse a tierra correctamente. |
Aislamiento de todos los inversores e inversores/cargadores de Victron:
En el caso de conexión a tierra positiva, las conexiones de interfaz no aisladas llevarán al negativo CC y no a la conexión a tierra. Poner a tierra una conexión así dañaría el producto. La terminal de conexión a tierra de CA de todos los inversores e inversores/cargadores se conecta al chasis. |
Puesta a tierra del neutro CA de los inversores Victron El neutro de todos los inversores de 1600 VA nominales y más y del inversor Compact 1200 VA se conecta al chasis. Al poner a tierra el chasis también se pone a tierra el neutro de CA. Se necesita un neutro conectado a tierra para el correcto funcionamiento del ID (o RCD, RCCB, RCBO o GFCI). Si no hay una toma de tierra fiable disponible y/o si no hay instalado un ID (o RCD, RCCB, RCBO o GFCI), la conexión del neutro CA al chasis debería retirarse para mejorar la seguridad. Advertencia: es probable que una instalación así no cumpla la normativa local. El neutro CA de los inversores de menos potencia generalmente no está conectado al chasis. Se puede establecer una conexión neutro a tierra, pero consulte el manual del producto. |
Puesta a tierra del neutro CA de los inversores/cargadores Victron El neutro CA de salida de todos los inversores/cargadores está conectado al neutro CA de entrada cuando los relés de retroalimentación están cerrados (CA disponible en la entrada). Cuando los relés de retroalimentación están abiertos, un relé de tierra conecta el neutro saliente al chasis. Se necesita un neutro conectado a tierra para el correcto funcionamiento del ID. En casi todos los modelos se puede deshabilitar el relé de tierra. Consulte el manual del producto. |
Aislamiento de cargadores solares MPPT No hay aislamiento entre la entrada FV y la salida CC. Hay aislamiento básico entre entrada/salida y chasis. |
Aislamiento de otros productos Cargadores de baterías: aislamiento reforzado entre CA y CC. Aislamiento básico entre CA y el chasis, excepto para los cargadores IP65 Smart, que tienen aislamiento reforzado entre CA y la carcasa de plástico. Convertidores CC-CC, separadores de diodo y separadores FEC y otros productos CC: la carcasa siempre está aislada de la CC (aislamiento básico). |
7.7. Puesta a tierra del sistema
Hasta ahora hemos hablado de tierra o conexión a tierra CA en instalaciones de CA, pero también hace falta en los componentes CC de una instalación. En este capítulo se describen algunas instalaciones habituales que no solo tienen un inversor/cargador sino también una bancada de baterías, un cargador solar y un conjunto FV. |
Puesta a tierra de un sistema desconectado de la red No conecte a tierra ni el positivo ni el negativo del conjunto FV. La entrada negativa FV del MPPT no está aislada de la salida negativa. Por lo que al poner a tierra el FV se producirían corrientes de tierra. Los marcos FV no obstante pueden conectarse a tierra, ya sea cerca del conjunto FV o (preferentemente) a la tierra central. Esto proporciona cierta protección frente a los rayos. Ponga la conexión a tierra cerca de la batería. Se supone que tocar los polos de la batería es seguro. Por lo tanto, la toma de tierra de la batería debería ser la conexión a tierra más fiable y visible. El cableado de tierra CC debería tener el grosor suficiente para transportar una corriente de fallo al menos igual a la corriente nominal del fusible CC. El chasis del inversor o Multi/Quattro debe conectarse a tierra. Existe un aislamiento básico entre la CA y el chasis. El chasis del cargador solar MPPT debe estar conectado a tierra. Existe un aislamiento básico entre la CA y el chasis. Tenga en cuenta que no se muestra la distribución CA con fusibles o MCB y conjunto solar y la conexión a tierra del marco FV. |
|
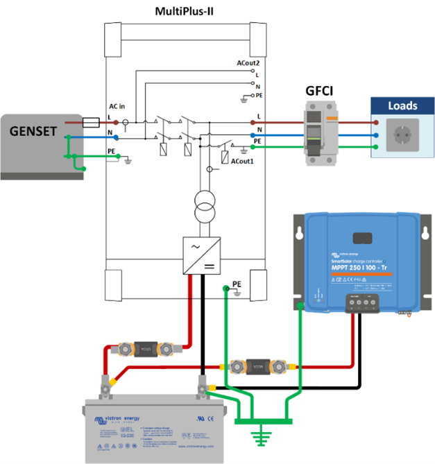
Generador sin conexión a la red Use una sola toma de tierra, cerca de la batería. Se supone que tocar los polos de la batería es seguro. Por lo tanto, la toma de tierra de la batería debería ser la conexión a tierra más fiable y visible. El cableado de tierra CC debería tener el grosor suficiente para transportar una corriente de fallo al menos igual a la corriente nominal del fusible CC. Del mismo modo, el cableado de tierra CA debería poder transportar una corriente de fallo al menos igual a la corriente nominal del fusible CA. El ID solo funcionará si el chasis del Multi/Quattro tiene toma de tierra. |
|
Generador de lata potencia sin conexión a la red Conecte a tierra el generador directamente en la toma de tierra central. |
|
Sistema de almacenamiento de energía (ESS) conectado a la red El cableado de tierra CC debería poder transportar una corriente de fallo al menos igual a la corriente nominal del fusible CC. Conecte el chasis del inversor/cargador a la barra de conexiones de la toma de tierra. La toma de tierra de CA de salida puede sacarse desde la barra de conexiones central o desde el terminal de salida de CA. |
|























