9. ANNEXE
9.1. Annexe A : vue d’ensemble des connections

FR | |
|---|---|
A | Interrupteur DIP Retirer couverture |
B | Commutateur on / off / chargeur-uniquement |
C | Port de communication VE.Bus |
D | Sonde de température |
E | Contact alarme |
F | Pôle négatif de la batterie |
G | Borne positive de la batterie de démarrage |
H | Contrôle à distance |
I | Secteur IN |
J | Secteur/convertisseur OUT |
K | Pôle positif de la batterie |
L | Connexion à la terre |
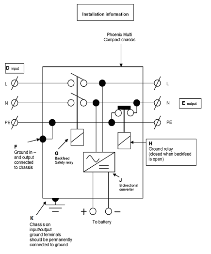
9.2. Annexe B : informations relatives à l'installation

FR | |
|---|---|
D | Entrée |
E | Sortie |
F | Entrée et sortie à la terre raccordées au châssis |
G | Relais de réalimentation/sécurité |
H | Relais de terre (fermé si la réalimentation est ouverte) |
J | Convertisseur bidirectionnel |
K | Le châssis sur les bornes à la terre d’entrée/sortie doit être connecté à la terre en permanence. |
9.3. Annexe C : connexion en parallèle

9.4. Annexe D : connexion triphasée

9.5. Annexe E : algorithme de charge
![]() |
Charge en 4 étapes :
Bulk : Mode présenté quand le chargeur est démarré. Le courant constant est appliqué jusqu'à ce que la tension de gazage soit atteinte (Température compensée 14,4 V et 28,8 V respectivement).
Battery Safe : Si pour obtenir une recharge rapide, un courant élevé a été associé à une tension d'absorption élevée, le Multi évite une détérioration due à un gazage excessif en limitant automatiquement la progression de la tension dès que la tension de gazage est atteinte. La durée « Battery safe » fait partie de la durée d’absorption calculée.
Absorption : Durée de tension constante pour recharger entièrement la batterie. La durée d'absorption est égale à 20 x la durée Bulk ou la durée d’absorption maximale paramétrée, quelle que soit la valeur qui est atteinte en premier.
Float : La tension Float est appliquée afin de garantir que la batterie reste complètement chargée, et pour la protéger contre la décharge automatique.
Stockage : Après une journée de recharge Float, le chargeur commute sur veille. Ce qui représente resp 13,2 V et 26,4 V (pour un chargeur de 12 V ou 24 V). Cela réduira au minimum les fuites d’eau. Après un certain temps qui peut être défini (par défaut = 7 jours), le chargeur va entrer en mode Absorption répétée pour une période de temps qui peut aussi être ajustée (par défaut = 1 heure).
9.6. Annexe F : compensation de température

Les tensions de charge Absorption et Float sont réglées en usine pour 25 °C.
Une tension Float réduite suit une tension Float, et une tension d'absorption augmentée suit une tension d'absorption.
En mode d’ajustement, la compensation de température ne s’applique pas.
9.7. Annexe G : dimensions

