9. ANHANG
9.1. Anhang A: Übersicht Anschlüsse

DE | |
|---|---|
A | Abdeckung des DIP-Schalters entfernen |
B | An / Aus / Nur Ladegerät-Schalter |
C | VE.BUS-Schnittstelle |
D | Temperatur-Fühler |
E | Alarm-Kontakt |
F | Batterie minus |
G | Starterbatterie Plus |
H | Fernsteuerung |
I | Stromeingang |
J | Stromausgang/Konverter |
K | Batterie Plus |
L | Erdungsanschluss |
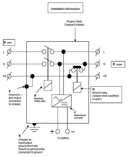
9.2. Anhang B: Informationen zur Installation

DE | |
|---|---|
D | Eingang |
E | Ausgang |
F | Masse im Ein- und Ausgang mit dem Chassis verbunden |
G | Rücklaufsicherungsrelais |
H | Erdungsrelais (geschlossen, wenn die Rückspeisung geöffnet ist) |
J | Bidirektionaler Konverter |
K | Die Masse an den Eingangs-/Ausgangsklemmen sollte dauerhaft geerdet sein |
9.3. Anhang C: Parallelbetrieb

9.4. Appendix D: Drei-Phasen-Betrieb

9.5. Anhang E: Ladealgorithmus
![]() |
4-stufiges Laden:
Konstantstrom: Eingeleitet, wenn Ladegerät gestartet wird. Konstantstrom wird zugeführt, bis die Gasungsspannung erreicht wird (14,4 V bzw. 24 V, Temperaturkompensation).
Battery Safe: Um die Ladezeit zu verkürzen, wird ein möglichst hoher Ladestrom bis zum Erreichen der Gasungsspannung angestrebt. Damit aber eine übermäßige Gasentwicklung gegen Ende der Konstantstromphase vermieden wird, begrenzt der Multi die Geschwindigkeit des Spannungsanstiegs. Der Zeitraum von „Battery Safe“ ist Teil der berechneten Konstantspannungsdauer.
Konstantspannung: Eine konstante Spannungsperiode zum vollständigen Laden der Batterie. Die Konstantspannungszeit ist gleich der 20-fachen Konstantstromzeit oder der eingestellten maximalen Konstantspannungszeit, je nachdem, was zuerst der Fall ist.
Ladeerhaltung: Die Ladeerhaltungsspannung wird dazu genutzt, um die Batterie im voll aufgeladenen Zustand zu halten und zum Schutz vor Selbstentladung..
Lagerung: Nach einem Tag Erhaltungsladung schaltet das Ladegerät auf Speicherung um. Das heißt auf 13,2 V bzw. 26,4 V (für 12 V und 24 V Ladegeräte). Dadurch wird der Wasserverlust auf ein Minimum beschränkt. Nach einem einstellbaren Zeitraum (Voreinstellung = 7 Tage) schaltet das Ladegerät in die Wiederholten-Konstantspannung (Voreinstellung = eine Stunde ).
9.6. Anhang F: Temperaturkompensation

Die standardmäßigen Ausgangsspannungen für den Ladeerhaltungs- und Konstantspannungsmodus gelten bei 25 C.
Reduzierte Ladeerhaltungsspannung folgt auf Ladeerhaltungsspannung und Erhöhte Konstantspannung folgt auf Konstantspannung.
Im Anpassungsmodus gilt die Temperaturkompensation nicht.
9.7. Anhang G: Maße

