8. Załącznik
8.1. A: Przegląd połączeń
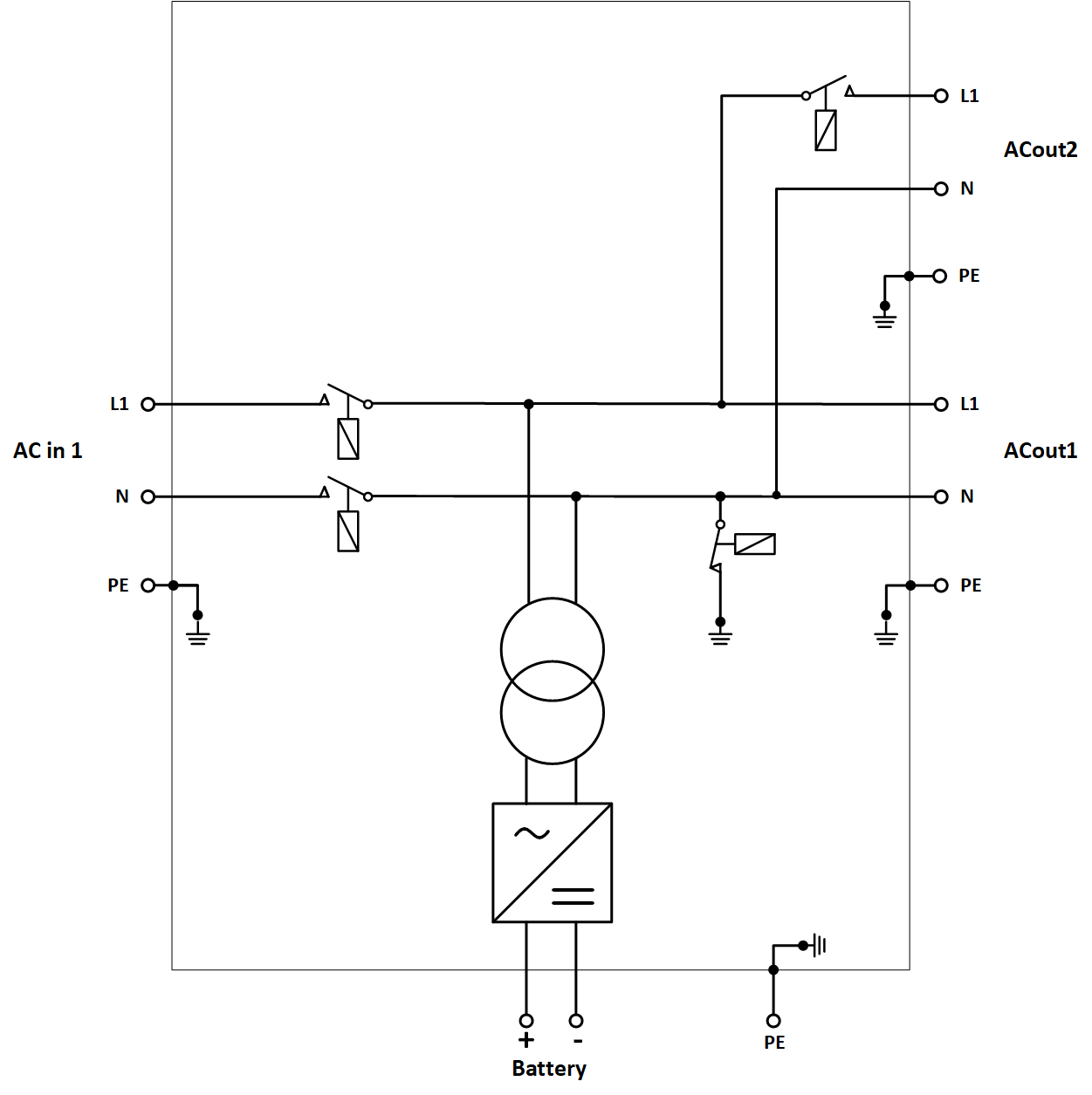
![]() | ||
A | Przyłącze odbiornika. AC-out-1. Od lewej do prawej: N (neutralne) i L (faza). | |
B | Przyłącze odbiornika. AC-out-2. Od lewej do prawej: N (neutralne) i L (faza). | |
C | Wejście prądu przemiennego: Od lewej do prawej: N (neutralne) i L (faza). | |
D | Zewnętrzny czujnik natężenia. Celem podłączenia czujnika natężenia prądu należy usunąć mostek pomiędzy zaciskami INT i COM, podłączyć czerwony przewód czujnika do zacisku EXT, a biały przewód czujnika do zacisku COM. | |
E | 2 złącza RJ45 VE.Bus do zdalnego sterowania i/lub pracy równoległej/3-fazowej. | |
F | Złącze dla przełącznika zdalnego: Krótko, aby włączyć "on" (włączone). | |
G | Styk alarmu: (od lewej do prawej) NO, NZ, COM. | |
H | Szyna uziemienia dla obu wejść AC PE, wyjścia prądu przemiennego PE i uziemienia podwozia M6. | |
I | Terminal dla: od góry do dołu:
| |
J | Przycisk A – do wykonania uruchomienia bez asysty. | |
K | Podłączenie M8 bieguna dodatniego akumulatora. | |
L | Podłączenie M8 bieguna ujemnego akumulatora. | |
M | Główny przełącznik: 1=Włączony, 0=Wyłączony, ||=tylko ładowarka | |
8.2. B: Schemat blokowy

* Patrz tabela w rozdziale 4.2 „Zalecany amperaż bezpiecznika prądu stałego”
8.3. E: Algorytm ładowania


Ładowanie 4-etapowe:
Bulk (Ładowanie prądem maksymalnym)
Rozpoczęcie po włączeniu ładowarki. Podawany jest prąd stały aż do osiągnięcia nominalnego napięcia akumulatora, w zależności od temperatury i napięcia wejściowego, po czym podawany jest prąd stały aż do momentu, w którym rozpoczyna się nadmierne gazowanie (odpowiednio 14,4 V, 28,8 V lub 57,6 V z kompensacją temperatury).
Bezpieczny dla akumulatorów
Napięcie podawane do akumulatora jest stopniowo zwiększane do osiągnięcia napięcia absorpcji. Tryb Battery Safe Mode (Bezpieczny dla akumulatorów) jest częścią obliczonego czasu absorpcji.
Absorption (Ładowanie absorpcyjne)
Okres ładowania absorpcyjnego zależy od okresu ładowania prądem maksymalnym (bulk). Maksymalny czas ładowania absorpcyjnego jest zadawany w parametrze „Maximum Absorption Time” (maks. czas ładowania absorpcyjnego).
Float (Ładowanie płynne)
W fazie ładowania płynnego podawane jest napięcie umożliwiające utrzymanie akumulatora całkowicie naładowanego.
Storage (Magazynowanie)
Po jednym dniu ładowania konserwacyjnego napięcie wyjściowe zostaje obniżone do poziomu napięcia magazynowania. Jest to 13,2 V dla akumulatorów 12 V, 26,4 V dla akumulatorów 24 V i 52,8 V dla akumulatorów 48 V. Ograniczy to do minimum utratę wody podczas przechowywania akumulatora w sezonie zimowym. Po ustawionym czasie (domyślnie = 7 dni) ładowarka przejdzie w tryb powtarzanej absorpcji na regulowany czas (domyślnie = jedna godzina), aby „odświeżyć” akumulator.
8.4. F: Wykres kompensacji temperatury

Na powyższym wykresie przedstawiono domyślne wartości napięcia wyjściowego dla ładowania konserwacyjnego i absorpcyjnego w temperaturze 25 °C dla baterii akumulatorowych 12 i 24 V. W przypadku baterii akumulatorowej 48 V wartość napięcia 24 V należy pomnożyć przez 2.
Zredukowane napięcie ładowania konserwacyjnego podąża za napięciem ładowania konserwacyjnego, a podwyższone napięcie ładowania absorpcyjnego podąża za napięciem ładowania absorpcyjnego.
W trybie dostrojenia kompensacja temperatury nie ma zastosowania.
8.5. G: Wymiary obudowy


