8. APPENDICE
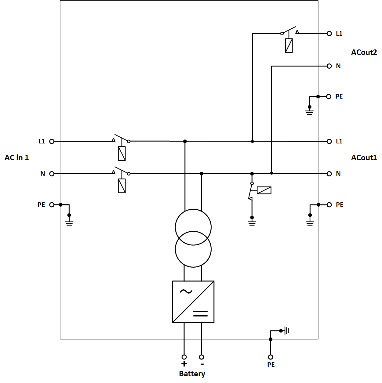
8.1. A: Panoramica collegamenti
![]() | ||
A | Collegamento del carico. Uscita CA 1. Da sinistra a destra: N (neutro) e L (fase). | |
B | Collegamento del carico. Uscita CA 2. Da sinistra a destra: N (neutro) e L (fase). | |
C | Ingresso CA: Da sinistra a destra: N (neutro) e L (fase). | |
D | Sensore corrente esterno. Per collegare il sensore di corrente, rimuovere il ponticello tra i morsetti INT e COM, collegare il filo rosso del sensore al morsetto EXT e collegare il filo bianco del sensore al morsetto COM. | |
E | 2x connettori VE.Bus RJ45 per controllo remoto e/o funzionamento parallelo/trifase. | |
F | Connettore per interruttore on/off remoto: Fare cortocircuito per “accendere”. | |
G | Contatto allarme: (da sinistra a destra) NO, NC, COM. | |
H | Sistema di sbarre di terra/massa sia per entrata CA PE che per uscita CA PE e connessioni M6 terra/massa del telaio. | |
I | Morsetti dall’alto in basso:
| |
J | Pulsante A - Per eseguire un avvio senza assistenti | |
K | Collegamento positivo della batteria M8. | |
L | Collegamento negativo della batteria M8. | |
M | Interruttore principale: 1=On, 0=Off, ||=charger only | |
8.2. B: Diagramma di blocco

* Vedere la tabella al Capitolo 4.2 “Fusibile CC consigliato”.
8.3. E: Algoritmo di carica


Carica a 4 fasi:
Massa
Si attiva all'avviamento del caricabatterie. Si applica corrente costante finché viene raggiunta la tensione nominale della batteria, in base alla temperatura e alla tensione di ingresso, dopodiché l'alimentazione costante viene applicata fino al punto in cui inizia il degasaggio (rispettivamente fino a 14,4 V, 28,8 V o 57,6 di temperatura compensata).
BatterySafe
La tensione applicata alla batteria è aumentata gradualmente finché si raggiunge la tensione di assorbimento. La modalità BatterySafe è parte del tempo di assorbimento calcolato.
“Absorption” (assorbimento)
Il periodo di assorbimento dipende dal periodo di prima fase di carica. Il periodo di assorbimento max è impostato sul tempo di assorbimento max.
“Float” (mantenimento)
La tensione di mantenimento viene applicata per mantenere la batteria completamente carica.
“Storage” (accumulo)
Dopo un giorno di carica di mantenimento, la tensione di uscita viene ridotta al livello di accumulo. Tale carica è di 13,2 V per batterie da 12 V, 26,4 V per batterie da 24 V e 52,8 V per batterie da 48 V. Ciò limiterà la perdita di acqua al minimo, quando la batteria viene stoccata per la stagione invernale. Dopo un periodo di tempo regolabile (predefinito = 7 giorni), il caricabatterie entra in modalità di Assorbimento ripetuto per un tempo regolabile (predefinito = un'ora) per “aggiornare” la batteria.
8.4. F: Tabella di compensazione della temperatura

La tabella qui sopra mostra le tensioni di uscita predefinite per Mantenimento e Assorbimento a 25 °C per banchi batterie da 12 e 24 V. Per un banco batterie da 48 V, moltiplicare le tensioni di quello da 24 V per 2.
Il Mantenimento ridotto segue la Tensione di mantenimento e l'Assorbimento maggiorato segue la Tensione di assorbimento.
La compensazione della temperatura non si applica in modalità di regolazione.
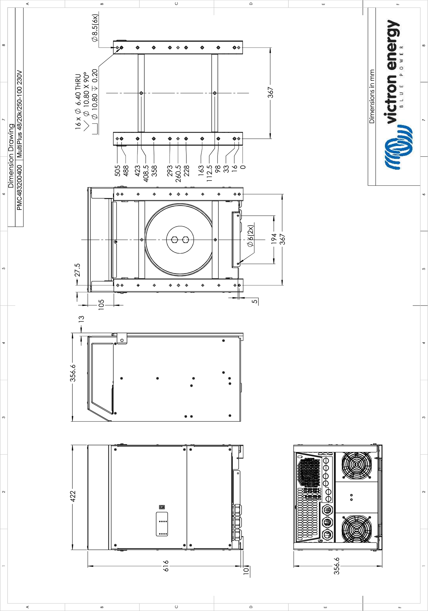
8.5. G: Misure carcassa


