8. Appendix
8.1. A: Connection overview
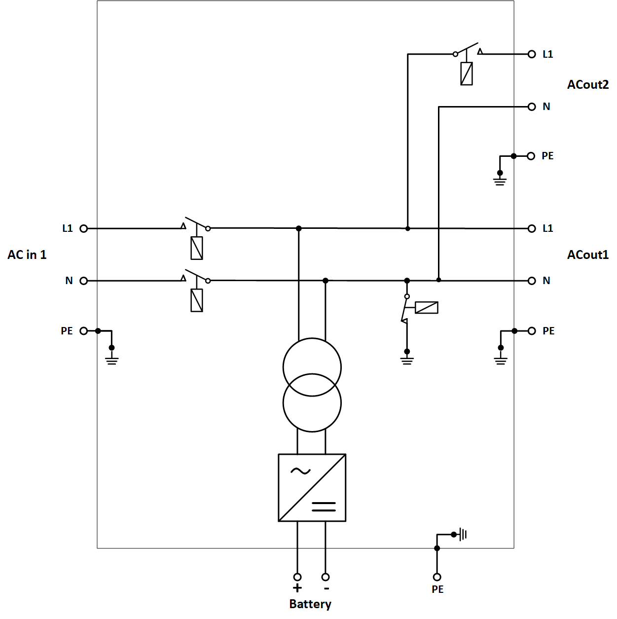
![]() | ||
A | Load connection. AC out 1. Left to right: N (neutral) and L (phase). | |
B | Load connection. AC out 2. Left to right: N (neutral) and L (phase). | |
C | AC input: Left to right: N (neutral) and L (phase). | |
D | External current sensor. To connect the current sensor, remove the wire bridge between the INT and COM terminals, connect the red sensor wire to the EXT terminal and connect the white sensor wire to the COM terminal. | |
E | 2x RJ45 VE-BUS connector for remote control and/or parallel / three-phase operation. | |
F | Connector for remote on/off switch: Short to switch “on”. | |
G | Alarm contact: (left to right) NO, NC, COM. | |
H | Earth/ground busbar for both AC input PE, AC output PE and chassis earth/ground M6 connections. | |
I | Terminal for: top to bottom:
| |
J | Push button A – To perform a startup without assistants. | |
K | M8 battery positive connection. | |
L | M8 battery minus connection. | |
M | Main switch: 1=On, 0=Off, ||=charger only | |
8.2. B: Block diagram

* See table in Chapter 4.2 ‘Recommended DC fuse’
8.3. E: Charge algorithm


4-stage charging:
Bulk
Entered when charger is started. Constant current is applied until nominal battery voltage is reached, depending on temperature and input voltage, after which constant power is applied up to the point where excessive gassing starts (resp 14.4V, 28.8V or 57.6 temperature compensated).
Battery Safe
The applied voltage to the battery is raised gradually until the set Absorption voltage is reached. The Battery Safe Mode is part of the calculated absorption time.
Absorption
The absorption period is dependent on the bulk period. The maximum absorption time is the set Maximum Absorption time.
Float
Float voltage is applied to keep the battery fully charged
Storage
After one day of float charge the output voltage is reduced to storage level. This is 13.2 V for 12V, 26.4V for 24V and 52.8V for 48V batteries. This will reduce water loss to a minimum when the battery is stored for the winter season. After an adjustable time (default = 7 days) the charger will enter Repeated Absorption-mode for an adjustable time (default = one hour) to ’refresh’ the battery.
8.4. F: Temperature compensation chart

The above chart displays the default output voltages for Float and Absorption at 25 °C for 12 and 24V battery banks. For a 48V battery bank, multiply the 24V voltages by 2.
Reduced Float voltage follows the Float voltage, and Raised Absorption voltage follows the Absorption voltage.
Temperature compensation does not apply in adjust mode.
8.5. G: Enclosure dimensions


