8. Bilaga
8.1. A: Översikt anslutningar
![]() | ||
A | Belastningsanslutning. AC-out-2 - från vänster till höger: N (neutral), L2 (fas 2), PE (jord), L1 (fas 1) | |
B | Belastningsanslutning. AC-out-1 - från vänster till höger: N (neutral), L2 (fas 2), PE (jord), L1 (fas 1) | |
C | Ac-ingång - från vänster till höger: N (neutral), L2 (fas 2), PE (jord), L1 (fas 1) | |
D | Hjälprelä - från vänster till höger: NO, NC, COM | |
E | Primär jordanslutning (PE) - M8-bult | |
F | Underhållsladdning positiv terminal (endast 12 och 24 V-modeller) | |
G | Batteri plusanslutning - 2 x M8-bult | |
H | Batteri minusanslutning - 2 x M8-bult | |
I | Strömbrytare - för att ställa in: 1=På, 0=Av, ||=endast laddare | |
J | Tryckknapp A - för att starta utan assistenter | |
K | Fjärrstyrning på/av - kort kontakt för att slå ”på” | |
L | VE.Bus-kontaktdon - 2x RJ45: för fjärrkontroll och/eller parallell- / trefasdrift | |
M | Extern strömsensor För att ansluta strömsensorn ska du ta bort kopplingsbryggan mellan INT- och COM-terminalerna, ansluta den röda sensorkabeln till EXT-terminalen och ansluta den vita sensorkabeln till COM-terminalen. | |
N | I/O-terminal (in/ut), från ovan till nedan:
| |
8.2. B: Blockdiagram
*Se tabellen i avsnitt 4.2 ”rekommenderad DC-säkring”.
8.3. C: Parallellanslutningsdiagram
8.4. D: Trefasanslutningsdiagram
8.5. E: Laddningsalgoritm


4-stegsladdning:
Bulk
Anges när laddaren är igång. Konstant ström tillämpas till dess att den nominella batterispänningen uppnås, beroende på temperatur- och ingångsspänningen, och därefter tillämpas konstant effekt upp till den punkt då det börjar bildas för hög gasning (14,4, 28,8 eller 57,6 V med kompenserad temperatur).
BatterySafe
Spänningen som tillämpas på batteriet ökas gradvis till dess att fastställd absorptionsspänning uppnås. Läget BatterySafe är en del av den beräknade absorptionstiden.
Absorption
Absorptionsperioden beror på bulkperioden. Den maximala absorptionstiden är den fastställda maximala absorptionstiden.
Float
Floatspänning tillämpas för att hålla batteriet fullladdat
Förvaring
Efter en dags floatladdning minskar utgångsspänningen till förvaringsnivå. Det är 13,2 V för 12 V, 26,4 V för 24 V och 52,8 V för 48 V-batterier). Detta begränsar vattenförlusten till ett minimum när batteriet förvaras under vintersäsongen. Efter en inställningsbar tidsperiod (standard = 7 dagar) går laddaren in i upprepat absorptionsläge under en inställningsbar tid (standard = en timme) för att ”fräscha upp” batteriet.
8.6. F: Temperaturkompensationstabell

Tabellen ovan visar standardutgångspänningar för float och absorption är vid 25 °C för 12 och 24 V-batteribanker. För en batteribank på 48 V ska du multiplicera 24 V-spänningen med 2.
Reducerad floatspänning följer floatspänningen och höjd absorptionsspännning följer absorptionsspänningen.
Temperaturkompensation tillämpas inte i justerbart läge.
8.7. G: Höljesdimensioner


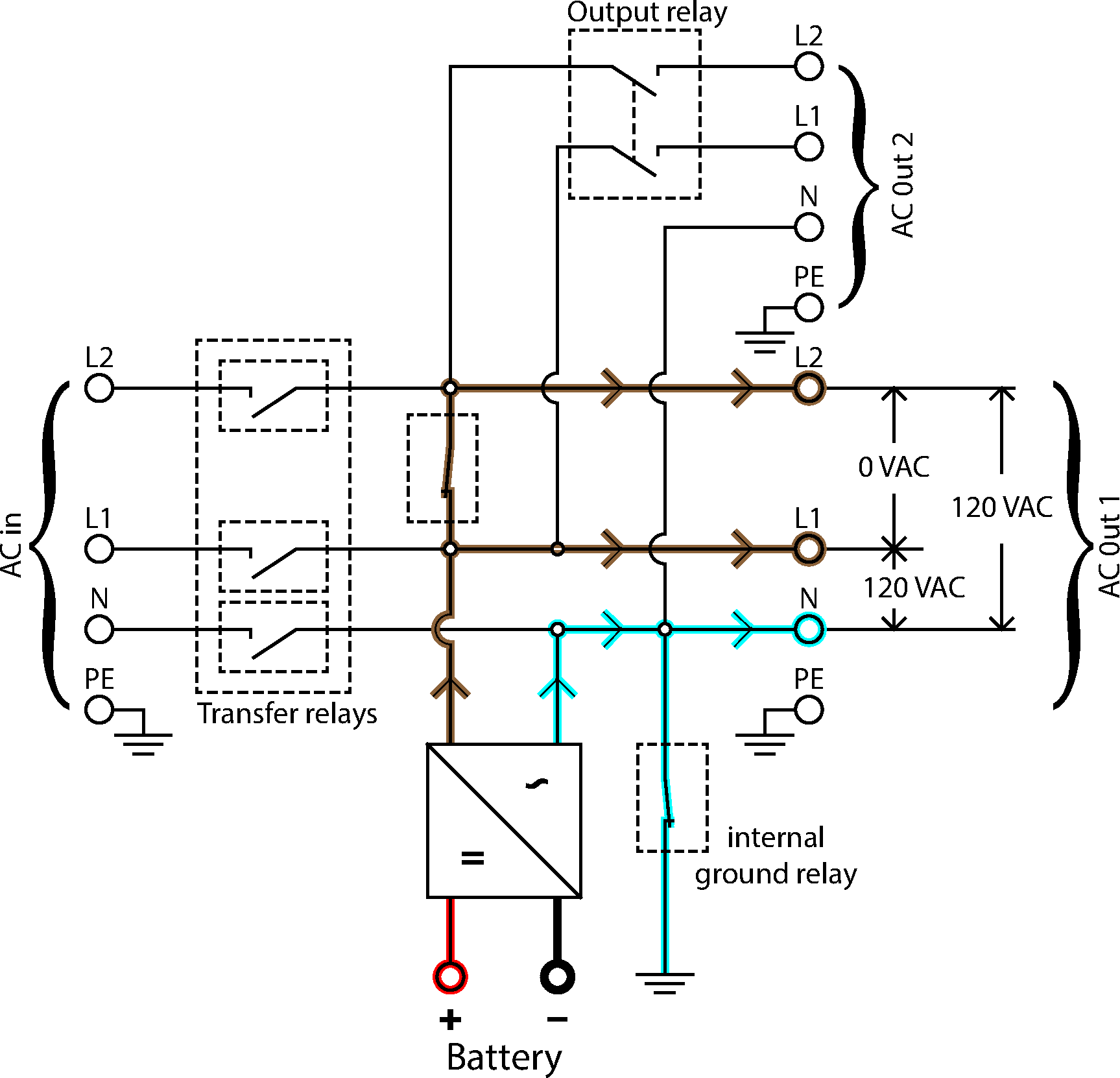
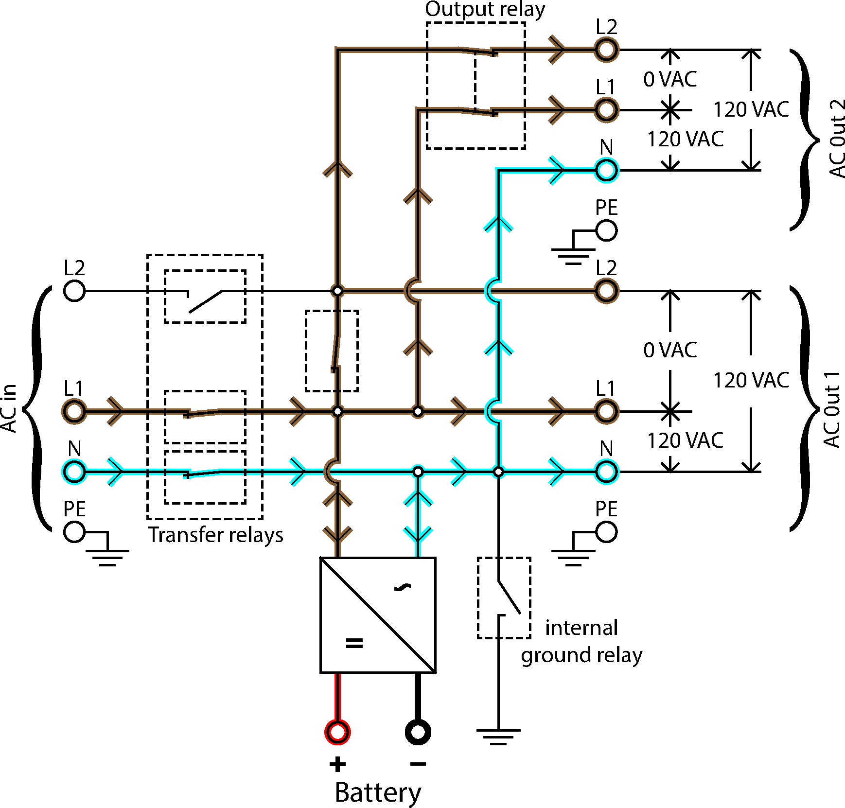
8.8. Effektflödesdiagram

Effektflöde växelriktare

Effektflöde enfas

Effektflöde delad fas
