8. Anexă
8.1. A: Prezentare conexiune
![]() | ||
A | Încărcare conexiune AC-out-2 - De la stânga la dreapta: „N” (neutru), „L2” (faza 2), „PE” (împământare/sol), „L1” (fază 1) | |
B | Încărcare conexiune AC-out-1 - De la stânga la dreapta: „N” (neutru), „L2” (faza 2), „PE” (împământare/sol), „L1” (fază 1) | |
C | Intrare CA - De la stânga la dreapta: „N” (neutru), „L2” (faza 2), „PE” (împământare/sol), „L1” (fază 1) | |
D | Releu auxiliar - De la stânga la dreapta: NO, NC, COM | |
E | Conexiune împământare primară (PE) - surub M8 | |
F | Borna pozitivă a încărcăturii (numai pentru modelele de 12 sau 24 V) | |
G | Conexiuni pozitive ale bateriei - 2 x șurub M8 | |
H | Conexiuni minus ale bateriei - 2 x șurub M8 | |
I | Comutator de pornire - Pentru a comuta: 1=pornit, 0=oprit, ||=numai încărcător | |
J | Apăsați butonul A - pentru a efectua pornirea fără asistenți | |
K | Conector pornire/oprire de la distanță - Contact scurt pentru a schimba la „pornit” | |
L | Conectori VE.Bus - 2x RJ45: Pentru control de la distanță și/sau funcționarea paralelă/trifazică | |
M | Senzor de curent extern Pentru conectarea senzorului de curent; îndepărtați puntea de cablu dintre bornele INT și COM, conectați firul roșu al senzorului la terminalul EXT și conectați firul alb al senzorului la terminalul COM. | |
N | Terminal I/O, de sus în jos:
| |
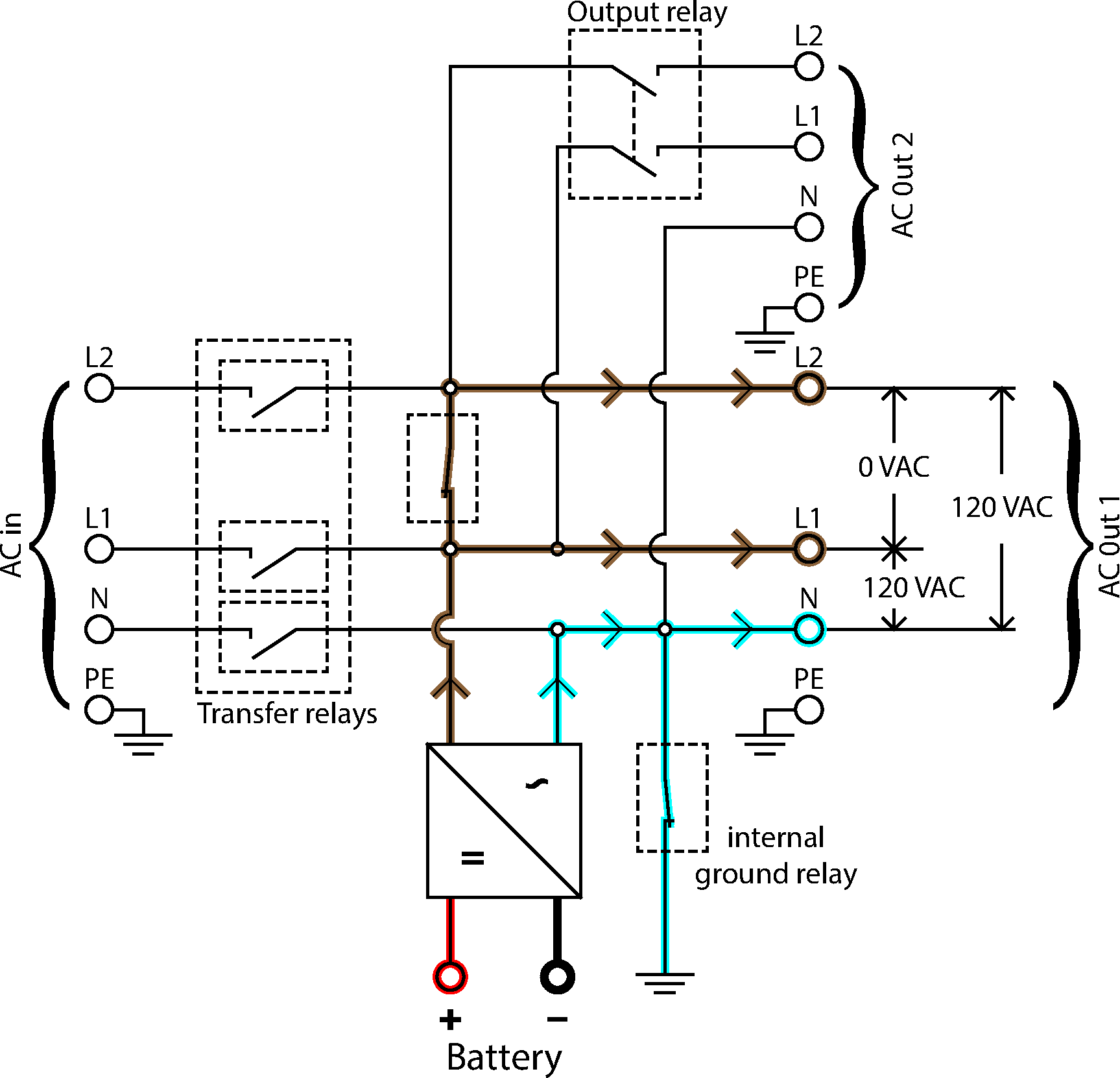
8.2. B: Schemă bloc
* Consultați tabelul din capitolul 4.2 „Siguranță recomandată pentru curent continuu“
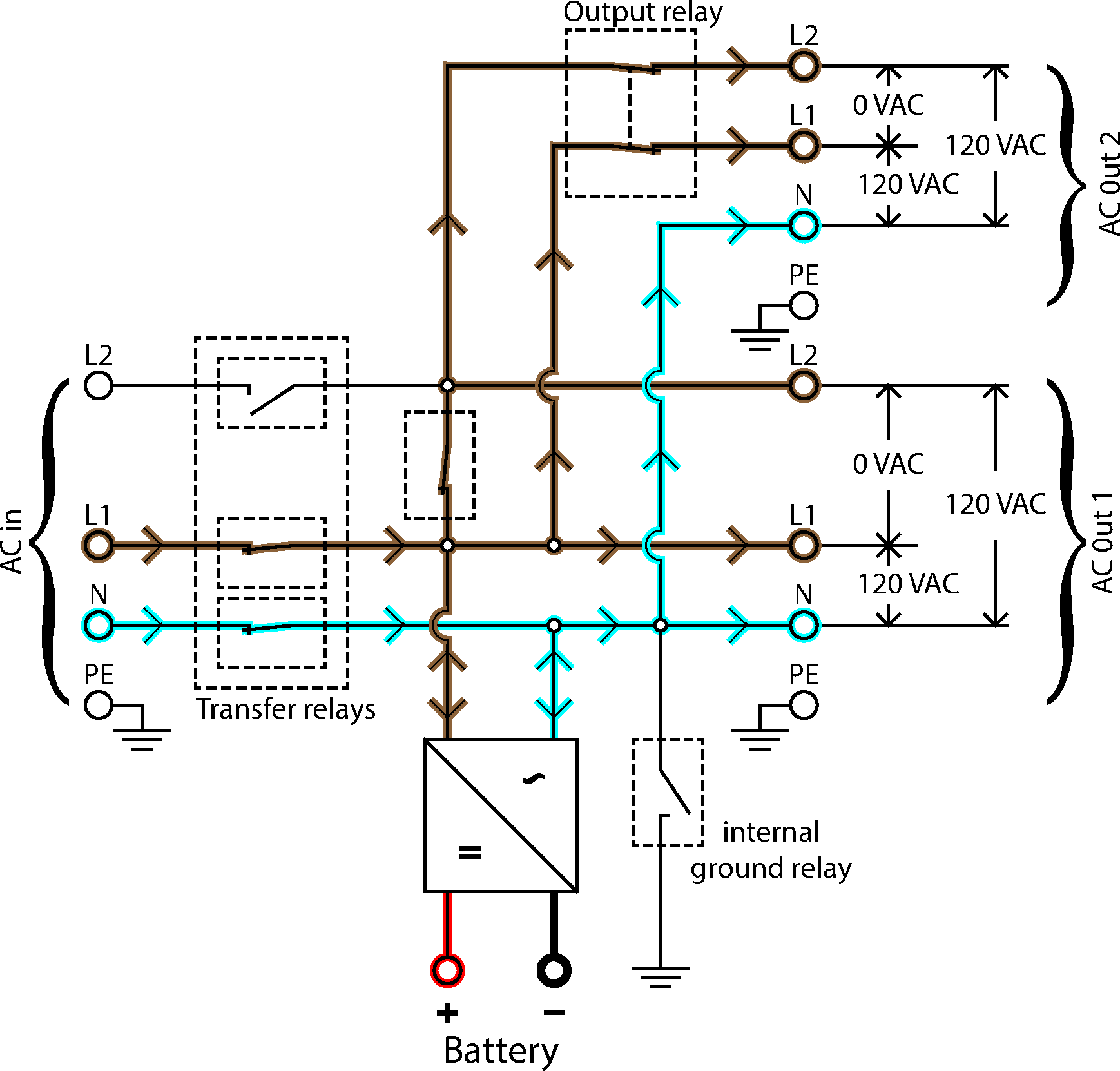
8.3. C: Schemă de conectare în paralel
8.4. D: Schemă conexiune trifazică
8.5. E: Algoritm de încărcare


Încărcarea în 4 trepte:
Bulk
Introdus la pornirea încărcătorului. Se aplică un curent constant până în momentul în care se atinge tensiunea nominală a bateriei, în funcție de temperatură și de tensiunea de intrare, după care se aplică o putere constantă până la punctul în care începe gazarea excesivă (resp. 14,4 V, 28,8 V sau 57,6 compensată de temperatură).
BatterySafe
Tensiunea aplicată la baterie este ridicată treptat până la atingerea tensiunii de absorbție setate. Modul de funcționare în siguranță a bateriei face parte din timpul de absorbție calculat.
Absorption
Perioada de „Absorption” depinde de perioada „Bulk”. Timpul maxim de „Absorption” este timpul maxim de „Absorption” setat.
Float
Se folosește tensiunea de „Float” pentru a ține bateria complet încărcată.
Stocare
După o zi de încărcare în „float”, tensiunea de ieșire este redusă la nivelul de stocare. Acesta este de 13,2 V pentru 12 V, 26,4 V pentru 24 V și 52,8 V pentru 48 V. Acest lucru va limita pierderea apei la minim atunci când bateria este înmagazinată pentru sezonul de iarnă. După un timp reglabil (implicit = 7 zile), încărcătorul va intra în modul de „absorption” repetat pentru un timp reglabil (implicit = o oră) pentru a „reîmprospăta” bateria.
8.6. F: Schemă de compensare a temperaturii

Graficul de mai sus afișează tensiunile de ieșire implicite pentru „Float” și „Absorption” la 25 °C pentru baterii de 12 și 24 V. Pentru un banc de baterii de 48 V, înmulțiți tensiunile de 24 V cu 2.
Tensiunea de „Float” redusă urmează după tensiunea de „Float” și tensiunea de absorption mărită urmează după tensiunea de absorption.
Compensarea temperaturii nu se aplică în modul de reglare.
8.7. G: Dimensiuni carcasă


8.8. Diagrame ale fluxului de putere

Invertor de putere

Debit de putere monofazat

debitul de putere divizată
