8. Apêndice
8.1. A: vista geral das ligações
![]() | ||
A | Ligação de carga AC-out-2 - Da esquerda para a direita: N (neutro), L2 (fase 2), PE (terra), L1 (fase 1) | |
B | Ligação de carga AC-out-1 - Da esquerda para a direita: N (neutro), L2 (fase 2), PE (terra), L1 (fase 1) | |
C | Entrada CA - Da esquerda para a direita: N (neutro), L2 (fase 2), PE (terra), L1 (fase 1) | |
D | Relé auxiliar - Da esquerda para a direita: NO, NC, COM | |
E | Ligação à terra primária (PE) - Perno M8 | |
F | Terminal positivo de carga lenta (apenas modelo 12 V e 24 V) | |
G | Ligações positivas de bateria - 2 x perno M8 | |
H | Ligações negativas de bateria - 2 x perno M8 | |
I | Interruptor de funcionamento - Para ativar 1=On, 0=Off, ||=apenas carregador | |
J | Botão de pressão A - para um arranque sem assistentes | |
K | Conector do On / Off remoto - curto-circuito em contato para mudar para “On” | |
L | Conectores VE.Bus - 2x RJ45: Para controlo remoto e/ou funcionamento em paralelo/trifásico | |
M | Sensor de corrente externo Para conectar o sensor de corrente; remova a ponte de fios entre os terminais INT e COM, conecte o fio vermelho do sensor ao terminal EXT e conecte o fio branco do sensor ao terminal COM. | |
N | Terminal E/S, de cima para baixo:
| |
8.2. B: diagrama de blocos
* Consulte a tabela na secção 4.2 «Fusível CC recomendado»
8.3. C: diagrama de ligação em paralelo
8.4. D: diagrama da ligação trifásica.
8.5. E: algoritmo de carga


Carga de 4 etapas:
«Bulk» (inicial)
Introduzida com o arranque do carregador. A corrente constante é aplicada até atingir a tensão da bateria nominal, dependendo da temperatura e tensão de entrada; depois é aplicada uma potência constante até ao início de uma gaseificação excessiva (14,4 V, 28,8 V ou 57,6 V resp., temperatura compensada).
BatterySafe
A tensão aplicada à bateria aumenta gradualmente até atingir a tensão de absorção configurada. O modo BatterySafe (bateria segura) pertence ao tempo de absorção calculado.
«Absorption» (absorção)
O período de absorção depende do período de carga inicial. O tempo de absorção máximo corresponde ao tempo de absorção máximo.
«Float» (flutuação)
A tensão carregada lenta permite manter a bateria completamente carregada.
Armazenagem
Após um dia em carga de flutuação, a tensão de saída diminui para o nível de armazenagem. Corresponde a 13,2 V resp. 26,4 V (para carregador 24 V e 52,8V 52,8 V). Isto reduzirá a perda de água ao mínimo durante a armazenagem da bateria durante o inverno. Depois de um tempo regulável (defeito =7 dias), o carregador entra no modo absorção repetida durante um período regulável (defeito = uma hora) para reparar a bateria.
8.6. F: gráfico de compensação de temperatura

O gráfico anterior mostra as tensões de saída padrão em Flutuação e Absorção a 25 ºC para bancos de baterias de 12 V e 24 V. Num banco de baterias de 48 V, multiplique as tensões de 24 V por 2.
A tensão de flutuação reduzida sucede à tensão de flutuação e a tensão de absorção sucede à tensão de absorção aumentada.
A compensação da temperatura não se aplica no modo de ajustamento.
8.7. G: dimensões do invólucro exterior


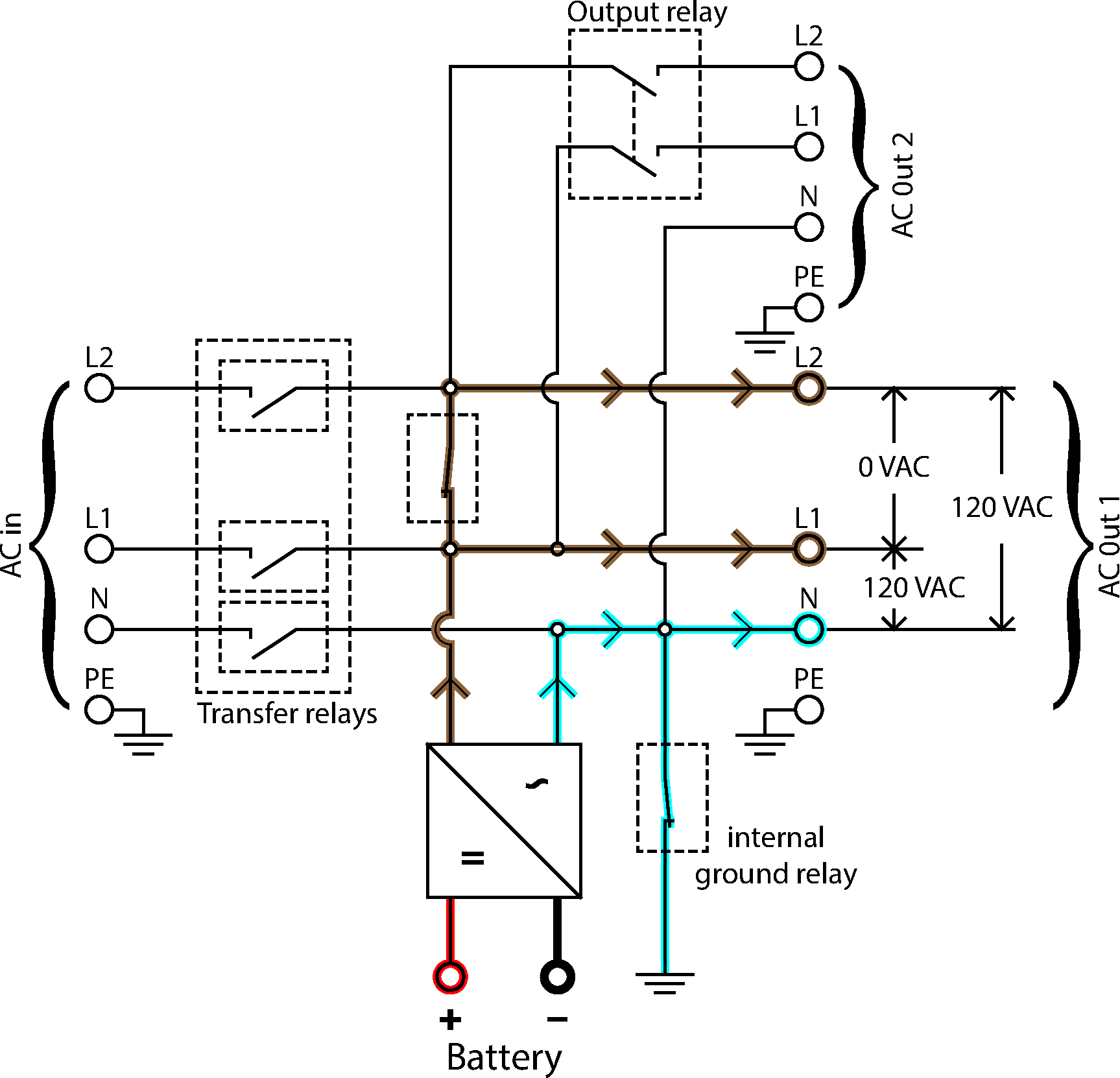
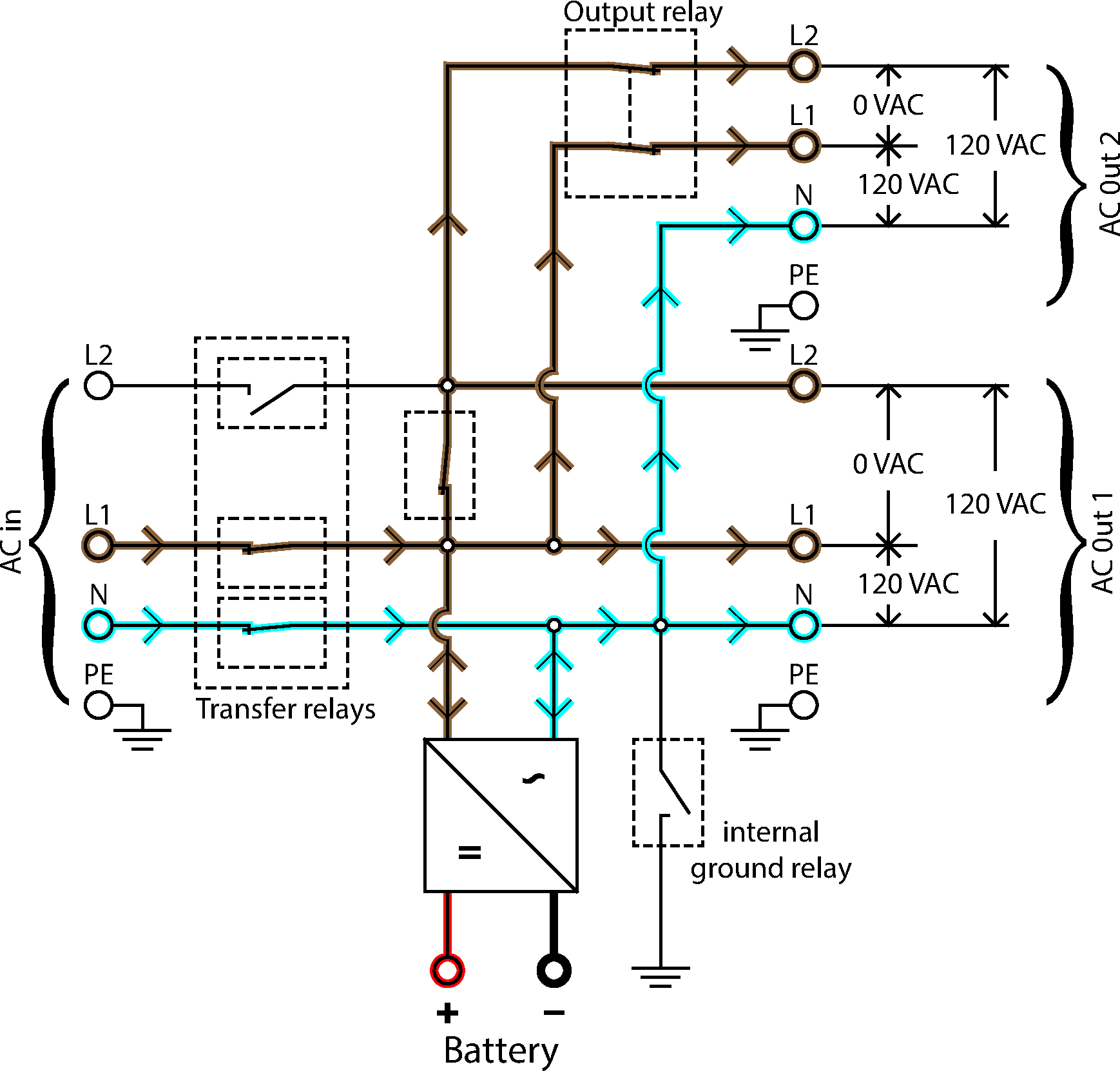
8.8. Diagramas do fluxo elétrico

Inversor do fluxo elétrico

Monofase do fluxo elétrico

Fase dividida do fluxo elétrico
