8. APÉNDICE
8.1. A: Descripción de las conexiones
![]() | ||
A | Conexión de la carga. AC-out-2 - De izquierda a derecha: N (neutro), L2 (fase 2), PE (tierra), L1 (fase 1) | |
B | Conexión de la carga. AC-out-1 - De izquierda a derecha: N (neutro), L2 (fase 2), PE (tierra), L1 (fase 1) | |
C | Entrada CA - De izquierda a derecha: N (neutro), L2 (fase 2), PE (tierra), L1 (fase 1) | |
D | Relé auxiliar - De izquierda a derecha: NO, NC, COM | |
E | Conexión a tierra primaria (PE) - tornillo M8 | |
F | Terminal positivo carga de mantenimiento (modelos de 12 y 24 V exclusivamente) | |
G | Conexiones positivas de la batería - 2 tornillos M8 | |
H | Conexiones negativas de la batería - 2 tornillos M8 | |
I | Interruptor de encendido - Para encender: 1=Encendido, 0=Apagado, ||=solo cargador | |
J | Pulse el botón A - Para efectuar un arranque sin asistentes | |
K | Conector on/off remoto - Puentear para activar. | |
L | Conectores VE.Bus - 2 x RJ45: Para control remoto y/o funcionamiento en paralelo o trifásico | |
M | Sensor de corriente externo Para conectar el sensor de corriente, retire el puente situado entre los terminales INT y COM, conecte el cable de sensor rojo al terminal EXT y conecte el cable de sensor blanco al terminal COM. | |
N | Terminal I/O, de arriba a abajo:
| |
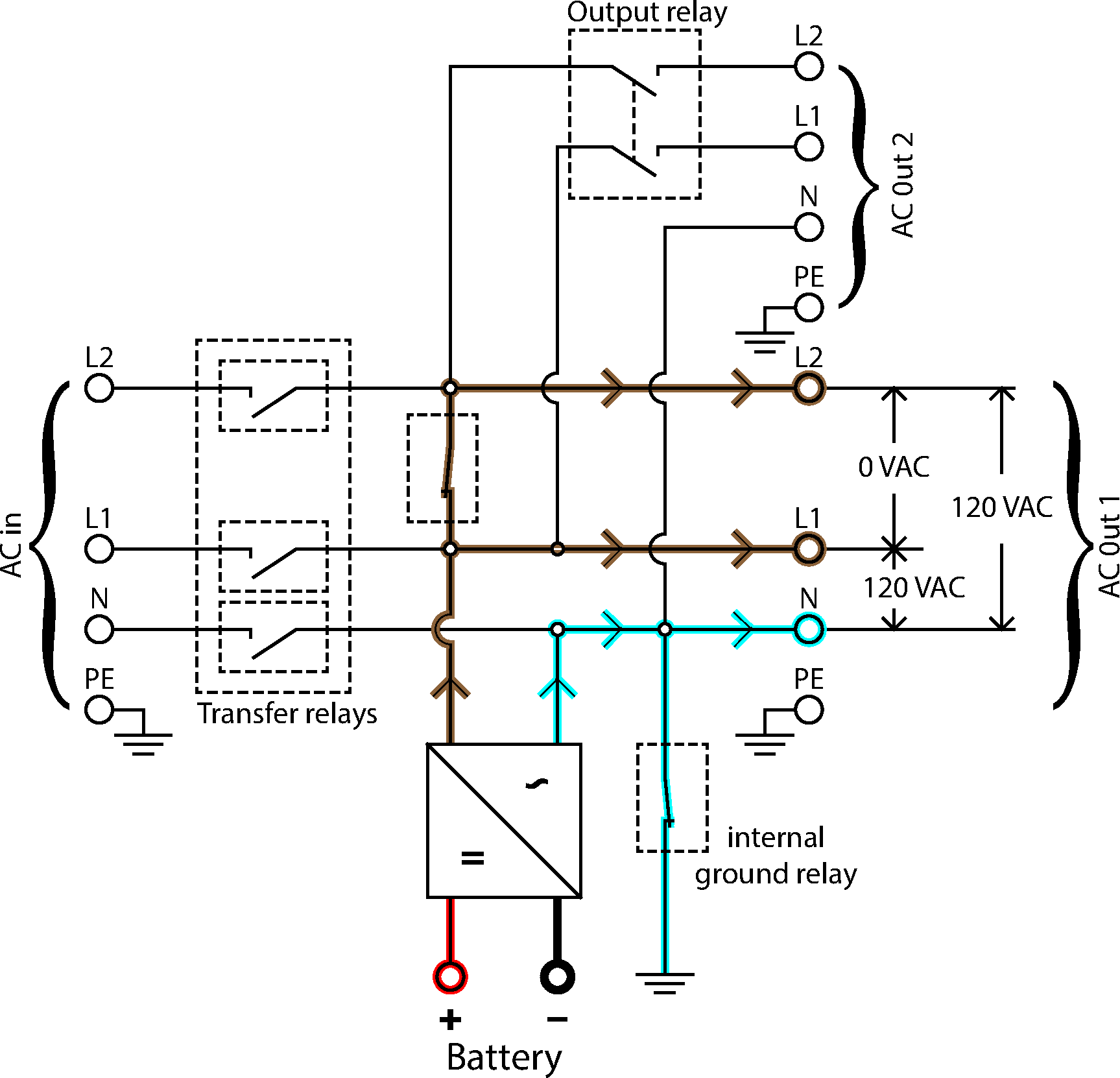
8.2. B: Diagrama de bloques
* Véase la tabla del Capítulo 4.2 “Fusible CC recomendado”.
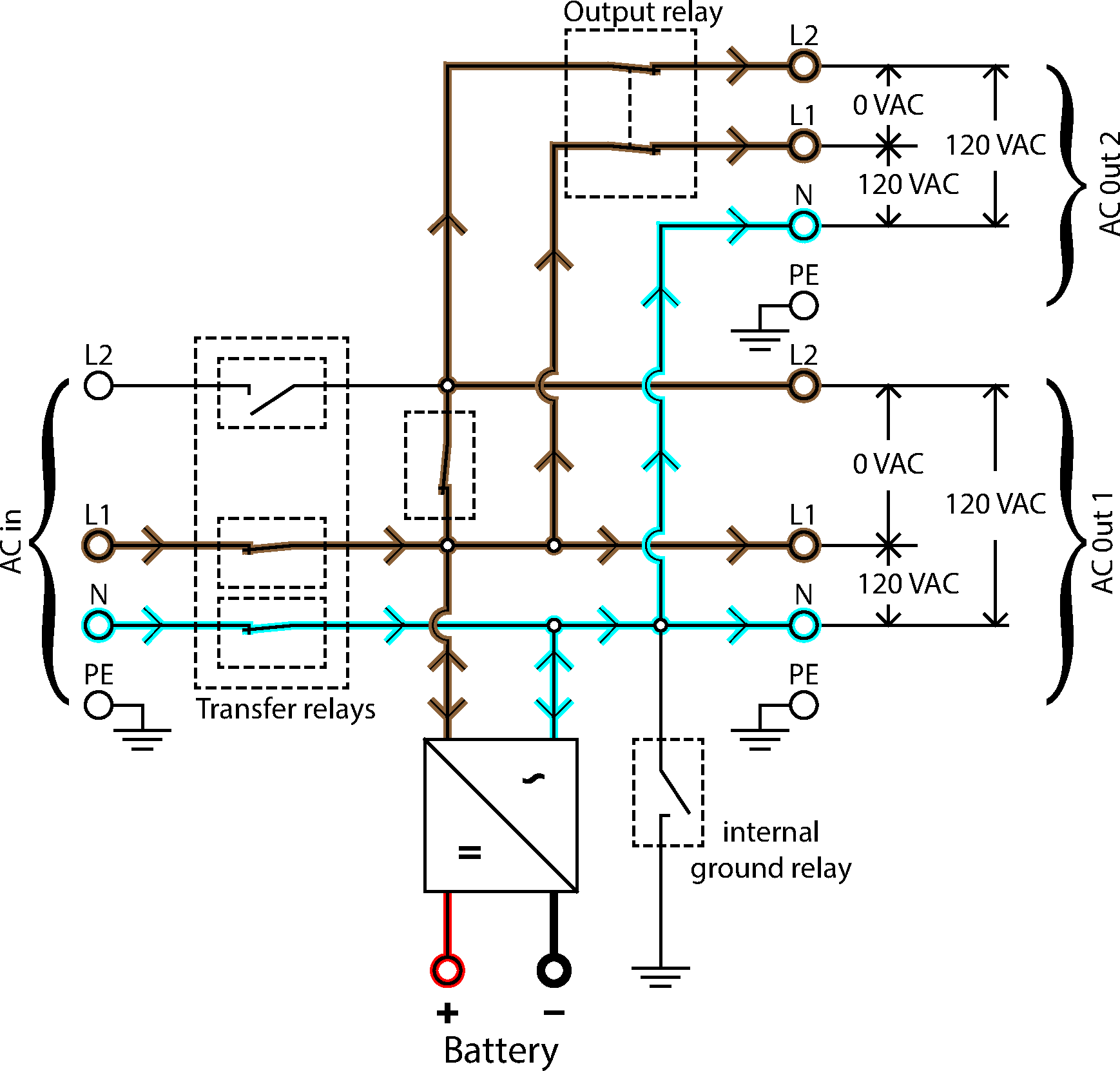
8.3. C: Diagrama de conexión en paralelo
8.4. D: Diagrama de conexión trifásica
8.5. E: Algoritmo de carga


Carga de 4 etapas:
Carga inicial
Se inicia al arrancar el cargador. Se aplica una corriente constante hasta alcanzar la tensión nominal de la batería, según la temperatura y la tensión de entrada, tras lo cual, se aplica una corriente constante hasta el punto en que empiece un gaseado excesivo (resp 14,4 V, 28,8 V o 57,6 V con compensación de temperatura).
BatterySafe
La tensión aplicada a la batería aumenta gradualmente hasta alcanzar la tensión de absorción establecida. El modo BatterySafe forma parte del tiempo de absorción calculado.
Absorción
El periodo de absorción depende del periodo de carga inicial. El tiempo máximo de absorción máximo es el tiempo de absorción máximo establecido.
Flotación
La tensión de flotación se aplica para mantener la batería completamente cargada.
Almacenamiento
Después de un día de carga de flotación, se reduce la tensión de salida a nivel de almacenamiento. Esto es 13,2 V para baterías de 12 V, 26,4 V para 24 V y 52,8 V para 48 V. Esto mantendrá la pérdida de agua al mínimo cuando la batería se guarde durante la temporada de invierno. Tras un periodo de tiempo que puede ajustarse (por defecto = 7 días), el cargador entrará en modo “Repeated Absorption” (absorción repetida) durante un periodo de tiempo que se puede ajustar (por defecto = 1 hora) para “refrescar” la batería.
8.6. F: Gráfico de compensación de temperatura

El gráfico anterior muestra las tensiones de salida por defecto para flotación y absorción a 25 ºC para bancadas de baterías de 12 V y 24 V. Para una bancada de baterías de 48 V, multiplique las tensiones de 24 V por 2.
La tensión de flotación reducida sigue a la tensión de flotación y la tensión de absorción incrementada sigue a la tensión de absorción.
La compensación de temperatura no se aplica en el modo ajuste.
8.7. G: Dimensiones de la carcasa


8.8. Diagramas de flujo de energía

Flujo de energía inversor

Flujo de energía monofase

Flujo de energía fase dividida
