8. Appendix
8.1. A: Connection overview
![]() | ||
A | Load connection AC-OUT-2 - From left to right: N (neutral), L2 (phase 2), PE (earth/ground), L1 (phase 1) | |
B | Load connection AC -OUT-1- From left to right: N (neutral), L2 (phase 2), PE (earth/ground), L1 (phase 1) | |
C | AC input - From left to right: N (neutral), L2 (phase 2), PE (earth/ground), L1 (phase 1) | |
D | Auxiliary relay - From left to right: NO, NC, COM | |
E | Primary ground connection (PE) - M8 bolt | |
F | Trickle charge positive terminal (12 and 24V model only) | |
G | Battery positive connections - 2 x M8 bolt | |
H | Battery minus connections - 2 x M8 bolt | |
I | Power switch - To switch: 1=On, 0=Off, ||=charger only | |
J | Push button A - To perform a startup without assistants | |
K | Remote on/off connector - Short contact to switch to “on” | |
L | VE.Bus connectors - 2x RJ45: For remote control and/or parallel / three-phase operation | |
M | External current sensor To connect the current sensor, remove the wire bridge between the INT and COM terminals, connect the red sensor wire to the EXT terminal and connect the white sensor wire to the COM terminal. | |
N | I/O Terminal, from top to bottom:
| |
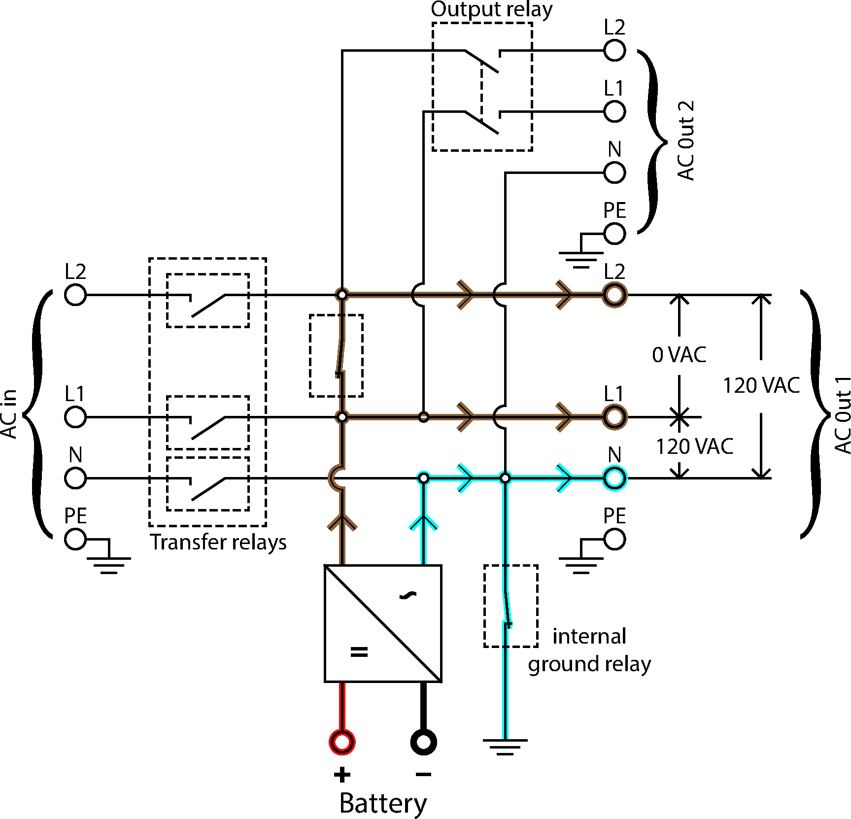
8.2. B: Block diagram
* See table in Chapter 4.2 ‘Recommended DC fuse’
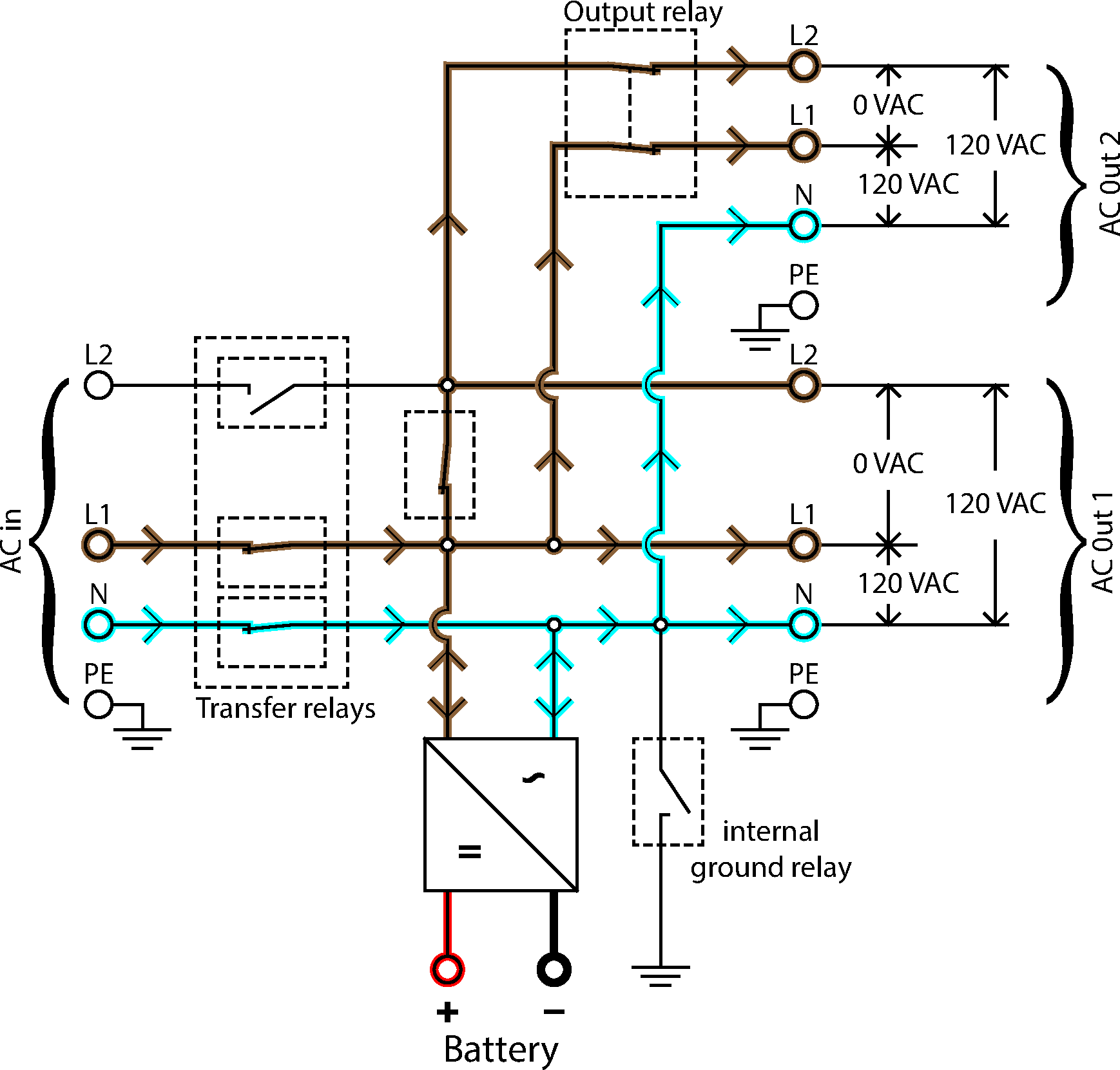
8.3. C: Parallel connection diagram
8.4. D: Three-phase connection diagram
8.5. E: Charge algorithm


4-stage charging:
Bulk
Entered when charger is started. Constant current is applied until nominal battery voltage is reached, depending on temperature and input voltage, after which constant power is applied up to the point where excessive gassing starts (resp 14.4V, 28.8V or 57.6 temperature compensated).
Battery Safe
The applied voltage to the battery is raised gradually until the set Absorption voltage is reached. The Battery Safe Mode is part of the calculated absorption time.
Absorption
The absorption period is dependent on the bulk period. The maximum absorption time is the set Maximum Absorption time.
Float
Float voltage is applied to keep the battery fully charged
Storage
After one day of float charge the output voltage is reduced to storage level. This is 13.2 V for 12V, 26.4V for 24V and 52.8V for 48V batteries. This will reduce water loss to a minimum when the battery is stored for the winter season. After an adjustable time (default = 7 days) the charger will enter Repeated Absorption-mode for an adjustable time (default = one hour) to ’refresh’ the battery.
8.6. F: Temperature compensation chart

The above chart displays the default output voltages for Float and Absorption at 25 °C for 12 and 24V battery banks. For a 48V battery bank, multiply the 24V voltages by 2.
Reduced Float voltage follows the Float voltage, and Raised Absorption voltage follows the Absorption voltage.
Temperature compensation does not apply in adjust mode.
8.7. G: Enclosure dimensions


8.8. Power flow diagrams

Power flow inverter

Power flow single phase

Power flow split phase
