Skip to main content
Toggle navigation
Filax 2
print
Toggle navigation
Filax 2
Apêndice
Anterior
9
.
Apêndice
Ver também
:
9.1
.
Dimensão do invólucro
9.2
.
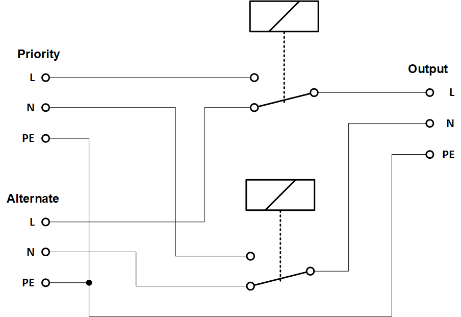
Esquema de ligações internas
Anterior