Skip to main content
Toggle navigation
Filax 2
print
Toggle navigation
Filax 2
Annexe
Précédent
9
.
Annexe
Voir aussi
:
9.1
.
Dimensions du boitier
9.2
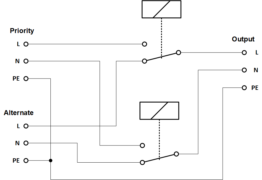
.
Diagramme de câblage interne
Résultats de la recherche
Aucun résultat trouvé
Précédent