Skip to main content
Toggle navigation
Filax 2
print
Toggle navigation
Filax 2
Appendix
Prev
9
.
Appendix
In this section
:
9.1
.
Enclosure dimensions
9.2
.
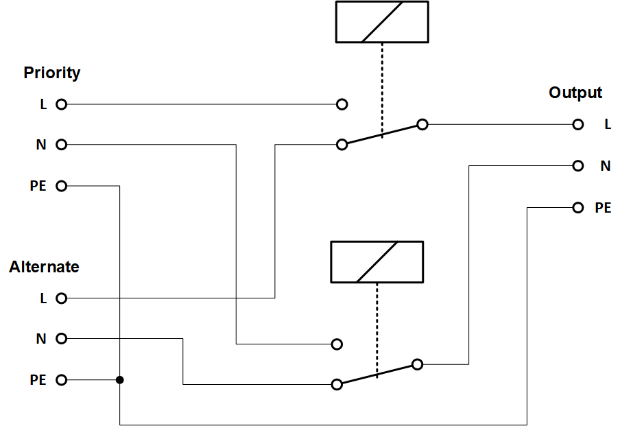
Internal wiring diagram
Search results
No results found
Prev