5. Systemdesign
5.1. Delar av ett Lynx DC distributionssystem
Ett Lynx distributionssystem består av en enskild Lynx Shunt VE.Can-modul.
Därefter läggs enskilda, flera eller en kombination av Lynx Distributor-moduler och/eller Lynx Power In/Lynx Class-T Power In-moduler till.
Tillsammans utgör de en kontinuerligt negativ eller positiv samlingsskena med DC-anslutningar, och beroende på konfigurationen, integrerade säkringar, en batteriövervakare och/eller litiumbatterihantering.
5.1.1. Sammankoppling av Lynx-moduler
Varje Lynx-modul kan kopplas till en annan Lynx-modul på vänster sida och på höger sida. Observera att M10-moduler inte kan kopplas direkt till M8-moduler och vice versa.
Om Lynx-modulen är först i ledet, sist i ledet eller används fristående, är det möjligt att ansluta batterier, belastningar eller laddare direkt till dessa anslutningar. Observera att ytterligare säkringar kan krävas om batterierna och belastningarna är anslutna direkt till dessa sammankopplingar.
Lynx-anslutningar: Pilen anges var de andra Lynx-modulerna kan anslutas.
Exemplet nedan visar ett Lynx-system bestående av en Lynx Power In, Lynx Shunt VE.Can och Lynx Distributor. Tillsammans utgör de en kontinuerlig samlingsskena, med osäkrade belastningsanslutningar, batteriövervakare, huvudsystemsäkring och säkrade belastningsanslutningar.
Sammankopplade Lynx-moduler: Lynx Power In, Lynx Shunt VE.Can och Lynx Distributor. Till höger finns M10-varianten med samlingsskena istället för säkringen.
5.1.2. Orientering av Lynx-moduler
Om Lynx-systemet innehåller en Lynx Shunt VE.Can, måste batterierna alltid anslutas på vänster sida på Lynx-systemet och resten av DC-systemet (belastningar och laddare) anslutas på höger sida. Detta för att batteriets laddningsstatus ska kunna beräknas korrekt.
Exempel på orientering av en Lynx-modul: batterierna ansluts på vänster sida och alla belastningar och laddare ansluts på höger sida.
Lynx-modulerna kan monteras i alla riktningar. Om de monteras upp-och-ned, så att även texten på fronten på enheterna är upp-och-ned, kan du använda de särskilda klistermärkena som medföljer varje Lynx-modul, så att texten hamnar åt rätt håll.
Exempel på Lynx-moduler monterade upp-och-ned: batterierna ansluts på höger sida, alla belastningar och laddare ansluts på vänster sida och de upp-och-nedvända klistermärkena är ditsatta.
5.1.3. Systemexempel - Lynx Shunt VE.Can, Lynx Power In, Lynx Distributor och blybatterier
Det här systemet innehåller följande komponenter:
- Lynx Power In med 4 parallellkopplade 12 V-blybatterier. 
- Identiska kabellängder för varje batteri. 
- Lynx Shunt VE.Can med huvudsystemsäkring och batteriövervakare. 
- Lynx Distributor med säkrade anslutningar för växelriktare/laddare, belastningar och laddare. Observera att ytterligare moduler kan läggas till om fler anslutningar krävs. 
- Cerbo GX (eller en annan GX-enhet) för att utläsa batteriövervakningsdata. 
System med Lynx Shunt VE.Can, blybatterier och en Lynx Distributor
System med Lynx Shunt VE.Can, blybatterier och en Lynx Distributor
5.2. Systemstorlek
5.2.1. Märkström för Lynx-moduler
Lynx Distributor, Lynx Shunt VE.Can, Lynx Class-T Power In och Lynx Power In har kapaciteten för en nominell ström på 1000 A för 12, 24 eller 48 V-systemspänningar.
Se tabellen nedan för att få en uppskattning av vilken strömkapacitet Lynx-modulerna har vid olika spänningar. Märkeffekten ger dig en anvisning på hur stort det anslutna växelriktare/laddarsystemet kan vara. Tänk på att om du använder växelriktare eller växelriktare/laddare kommer både AC- och DC-systemet förses med ström från batterierna. Tänk även på att en Lynx Smart BMS eller en Lynx Ion (ej längre tillgänglig) kan ha en lägre märkström.
| 12 V | 24 V | 48 V | |
|---|---|---|---|
| 1000 A | 12 kW | 24 kW | 48 kW | 
5.2.2. Säkringar
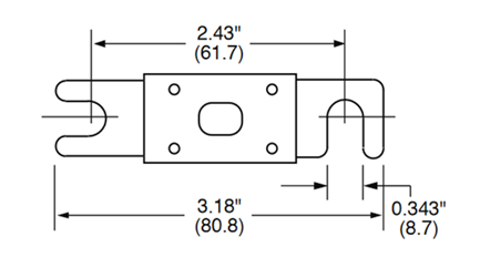
Lynx Shunt VE.Can M8-modellen har ett utrymme för en CNN-huvudsäkring. Det är även möjligt att installera en Mega-säkring på M6-bultarna. På Victron har vi 325 A/80 V CNN-säkringar på lager (artikelnummer CIP140325000) men de finns tillgängliga i 35 A upp till 800 A nästan överallt.
|  | 
Dimensioner för CNN-säkringen i tum (mm)
Använd alltid säkringar med korrekt märkspänning och märkström. Se till att säkringskapaciteten överensstämmer med den högsta spänningen och strömmen som potentiellt kan uppstå i den säkrade kretsen. Se boken Wiring Unlimited för mer information om säkringskapaciteter och beräkningar av säkringsström.
Observera
Det totala värdet på säkringarna i alla kretsar får inte överstiga strömkapaciteten i Lynx-modulen, eller den Lynx-modell med lägst märkström om flera Lynx-moduler används.
5.2.3. Kablar
Strömkapaciteten på de kablar som används för att ansluta Lynx Shunt VE.Can (M8) till batterier och/eller DC-belastningarna måste vara tillräcklig för de maximala strömmar som kan uppstå i de anslutna kretsarna. Använd kablar med tillräcklig kärnyta för att matcha kretsens maximala märkström.
Se vår bok Wiring Unlimited för mer information om kablar och beräkningar av kabeltjocklek.