5. Conceção do sistema
5.1. Peças do sistema de distribuição Lynx
Depois são adicionados módulos únicos, múltiplos ou uma combinação de Distribuidor Lynx e/ou Lynx Power In/Lynx Class-T Power In.
Em conjunto, formam um barramento positivo e negativo contínuo com ligações CC e, dependendo da configuração, com fusíveis integrados, um monitor de bateria e/ou a gestão da bateria de lítio.
5.1.1. Ligar os módulos Lynx
Cada módulo Lynx pode ser conectado a outros módulos Lynx à esquerda e à direita. Observe que os módulos M10 não podem ser conectados diretamente aos módulos M8 e vice-versa.
Se o módulo Lynx for o primeiro da linha, o último da linha ou for usado sozinho, é possível conectar baterias, cargas ou carregadores diretamente a essas conexões. Observe que pode ser necessário um fusível adicional se as baterias e cargas forem conectadas diretamente às interconexões.
5.1.2. Orientação dos módulos Lynx
Se o sistema Lynx tiver um Lynx Shunt VE.Can, as baterias terão de ser sempre conectadas ao lado esquerdo do sistema Lynx e o restante do sistema CC (cargas e carregadores) será conectado ao lado direito. Isso serve para que o estado de carga da bateria possa ser calculado corretamente.
Exemplo de orientação do módulo Lynx com as baterias ligadas no lado esquerdo e com todas as cargas e carregadores ligados no lado direito.
Os módulos Lynx podem ser montados na posição vertical. Se forem montados invertidos, o texto na parte frontal das unidades também ficará invertido. Utilize os autocolantes especiais incluídos em cada módulo Lynx para orientar o texto corretamente.
Exemplo de módulos Lynx montados invertidos: as baterias ligam-se ao lado direito, todas as cargas e os carregadores ligam-se ao lado esquerdo e os autocolantes invertidos são afixados.
5.1.3. Exemplo de sistema com derivador Lynx Shunt VE.Can, Lynx Power In, distribuidor Lynx Distributor e baterias de chumbo-ácido
Este sistema inclui os seguintes componentes:
Lynx Power In com quatro baterias de chumbo-ácido de 12 V em paralelo.
Comprimentos do cabo idênticos para cada bateria.
Derivador Lynx Shunt VE.Can com fusível de sistema principal e monitor de bateria.
Distribuidor Lynx Distributor com ligações de fusível para inversor/carregador, cargas e carregadores. Pode acrescentar mais módulos se precisar de mais ligações.
Cerbo GX (ou outro dispositivo GX) para ler os dados do monitor de bateria.
Sistema com Lynx Shunt VE.Can, baterias de chumbo-ácido e um distribuidor Lynx
Sistema com Lynx Shunt VE.Can, baterias de chumbo-ácido e um distribuidor Lynx
5.2. Dimensionamento do sistema
5.2.1. Corrente nominal dos módulos Lynx
O Distribuidor Lynx, o derivador Shunt Lynx VE.Can e o Lynx Class-T Power In têm uma corrente nominal de 1000 A, para tensões de sistemas de 12 V, 24 V ou 48 V.
Para conhecer a potência nominal dos módulos Lynx em diferentes tensões, consulte a tabela seguinte. A potência nominal indica a dimensão possível do sistema de inversor/carregador ligado. Lembre-se de que, se utilizar inversores ou inversores/carregadores, as baterias irão alimentar os sistemas CA e CC. Lembre-se de que um Lynx Smart BMS ou um Lynx Ion (agora descontinuado) podem ter uma corrente nominal inferior.
12 V | 24 V | 48 V | |
|---|---|---|---|
1000 A | 12 kW | 24 kW | 48 kW |
5.2.2. Fusíveis
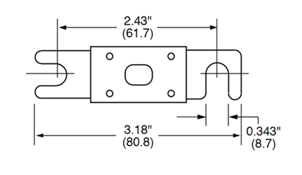
O modelo Lynx Shunt VE.Can M10 pode acomodar um fusível CNN ou ANL e também oferece espaço para o fusível fictício fornecido (pedaço de barramento), caso o fusível principal seja instalado fora da derivação. Também é possível instalar um fusível Mega nos parafusos M6. Na Victron, temos em stock o fusível CNN de 325 A/80 V (número de peça CIP140325000), mas estão disponíveis em 35 A até 800 A, em quase todos os lugares.
![]() |
Dimensões do fusível CNN em in (mm)
Use sempre fusíveis com a classificação correta de tensão e corrente. Faça a correspondência entre a classificação do fusível e as tensões e correntes máximas que podem ocorrer no circuito com fusível. Para obter mais informações sobre classificações de fusíveis e cálculos de corrente de fusíveis, consulte o livro Wiring Unlimited.
Cuidado
O valor total dos fusíveis de todos os circuitos não deve superar a corrente nominal do módulo Lynx ou do modelo Lynx com a corrente nominal inferior, no caso de serem utilizados vários módulos Lynx.
5.2.3. Cablagem
A corrente nominal dos fios ou dos cabos utilizados para ligar Lynx Shunt VE.Can (M10) as baterias e/ou as cargas CC deve corresponder às correntes máximas que podem ocorrer nos circuitos conectados. Utilize uma cablagem com uma área superficial do núcleo suficiente para corresponder à corrente nominal máxima do circuito.
Para mais informação sobre a cablagem e os cálculos da espessura dos cabos, consulte o nosso livro Wiring Unlimited.
