5. Systeemontwerp
5.1. Lynx Distributor systeemonderdelen
Vervolgens worden enkele, meerdere of een combinatie van Lynx Distributor-modules en / of Lynx Power In/Lynx Class-T Power In-modules toegevoegd.
Samen vormen zij een doorlopende negatieve en positieve verdeelrail met DC-aansluitingen en, afhankelijk van de configuratie, geïntegreerde zekeringen, een accumonitor en / of lithiumaccubeheer.
5.1.1. Het onderling verbinden van Lynx-modules
Elke Lynx-module kan verbonden worden met andere Lynx-modules aan de linkerkant en aan de rechterkant. Houd er rekening mee dat M10-modules niet rechtstreeks op M8-modules en vice versa kunnen worden aangesloten.
Als de Lynx-module de eerste in de lijn, de laatste in de lijn is, of alleenstaand wordt gebruikt, dan is het mogelijk accu's, belastingen of laders direct op deze verbindingen aan te sluiten. Houd er rekening mee dat extra zekering vereist kan zijn als accu's en belastingen direct op de onderlinge verbindingen aangesloten zijn.
5.1.2. Oriëntering van Lynx-modules
Als het Lynx-systeem een Lynx Shunt VE.Can bevat, moeten alle accu's altijd aan de linkerkant van het Lynx-systeem worden aangesloten en de rest van het DC-systeem (belastingen en laders) moeten aan de rechterkant worden aangesloten. Op deze manier kan de accu-laadstatus juist worden berekend.
Voorbeeld van Lynx-module-oriëntatie: de accu's maken verbinding met de linkerkant en alle belastingen en laders maken verbinding aan de rechterkant
De Lynx-modules kunnen in elke richting worden gemonteerd. Mochten ze ondersteboven worden gemonteerd, zodat de tekst op de voorkant van de units ook ondersteboven staat, gebruik dan de speciale stickers die bij elke Lynx-module worden geleverd, zodat de tekst in de juiste richting staat.
Voorbeeld van ondersteboven gemonteerde Lynx-modules: de accu's zijn aan de rechterkant aangesloten, alle belastingen en laders zijn aan de linkerkant aangesloten en de ondersteboven-stickers zijn aangebracht.
5.1.3. Systeem voorbeeld - Lynx Shunt VE.Can, Lynx Power In, Lynx Distributor en loodzuur accu's
Dit systeem bestaat uit de volgende componenten:
Lynx Power In met 4 parallel geschakelde 12 V loodzuur accu's.
Identieke kabellengtes voor elke accu.
Lynx Shunt VE.Can met systeem hoofdzekering en accumonitor.
Lynx Distributor met gezekerde aansluitingen voor omvormer / lader(s), belastingen en laders. Let op dat extra modules toegevoegd kunnen worden als meer aansluitingen nodig zijn.
Cerbo-GX (of ander GX-apparaat) om de accu bewakingsgegevens af te lezen.
Systeem met Lynx Shunt VE.Can, loodzuuraccu's en een Lynx Distributor
Systeem met Lynx Shunt VE.Can, loodzuuraccu's en een Lynx Distributor
5.2. Systeemafmetingen
5.2.1. Stroomclassificatie Lynx-modules
De Lynx Distributor, Lynx Shunt VE.Can, Lynx Distributor en de Lynx Power In zijn geclassificeerd voor een nominale stroom van 1000 A voor 12, 24 of 48 systeemspanningen.
Raadpleeg onderstaande tabel om een idee te krijgen over hoeveel stroom de Lynx-modules aankunnen bij de verschillende spanningen. De stroomclassificatie geeft een indicatie over hoe groot het verbonden omvormer- / ladersysteem kan zijn. Houd er rekening mee dat als er omvormers of omvormer/acculaders worden gebruikt zowel het AC- als DC-systeem wordt gevoed door de accu's. Let ook op het feit dat een Lynx Smart BMS of een Lynx Ion (niet meer leverbaar) een lagere stroomclassificatie kan hebben.
12 V | 24 V | 48 V | |
|---|---|---|---|
1000 A | 12 kW | 24 kW | 48 kW |
5.2.2. Zekeren
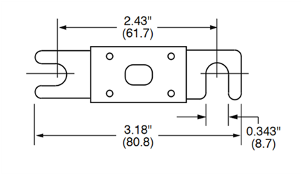
Het Lynx Shunt VE.Can M10-model is geschikt voor een CNN- of ANL-zekering en biedt ook ruimte voor de meegeleverde zekeringdummy (onderdeel van verdeelrail) voor het geval de hoofdzekering buiten de shunt wordt geïnstalleerd. Het is ook mogelijk een Mega-zekering op de M6-bouten te installeren. Bij Victron hebben we op voorraad de 325 A/80 V CNN-zekering (onderdeelnummer CIP140325000) maar ze zijn bijna overal beschikbaar in 35 A tot 800 A.
![]() |
CNN-zekering afmetingen in inches (mm)
Gebruik altijd zekeringen met de juiste spanning en zekeringwaarde. Stem de waarde van de zekering af op de maximale spanningen en stromen die mogelijk kunnen optreden in het gezekerde circuit. Voor meer informatie over de waarden van zekeringen en berekeningen van stroom door de zekeringen zie het Wiring Unlimited boek.
Let op
Als er meerdere Lynx-modules worden gebruikt dan moet de totale waarde van alle zekeringen in alle circuits niet groter zijn dan de stroomclassificatie van de Lynx-module of het Lynx-model met de laagste stroomclassificatie.
5.2.3. Bekabeling
De stroomclassificatie van de draden of kabels gebruikt om de Lynx Shunt VE.Can (M10) te verbinden met accu's en / of DC-belastingen moeten geschikt zijn voor de maximale stromen die op kunnen treden in de verbonden circuits. Gebruik bekabeling met voldoende kernoppervlak om overeen te komen met de maximale stroomsterkte van het circuit.
Raadpleeg voor meer informatie over bekabeling en kabeldikteberekeningen ons boek Wiring Unlimited.
