5. Progettazione del sistema
5.1. Parti del sistema di distribuzione Lynx
Poi si aggiungono uno, vari o una combinazione di moduli Lynx Distributor e/o Lynx Power In/Lynx Class-T Power In.
Nell’insieme questi formano un sistema di sbarre positivo e negativo continuo con connessioni CC che, in base alla configurazione, può comprendere fusibili, un monitor della batteria e/o la gestione delle batterie al litio.
5.1.1. Collegamento dei moduli Lynx
Ogni modulo Lynx può essere collegato ad altri moduli Lynx sul lato sinistro e sul lato destro. Si noti che i moduli M10 non possono essere collegati direttamente ai moduli M8 e viceversa.
Se il modulo Lynx è il primo della linea, è l’ultimo o viene usato da solo, è possibile collegare batterie, carichi o caricabatterie direttamente a tali connessioni. Tenere presente che potrebbero essere necessari fusibili aggiuntivi se le batterie e i carichi sono collegati direttamente alle interconnessioni.
5.1.2. Orientazione dei moduli Lynx
Se il Sistema Lynx comprende un Lynx Shunt VE.Can o un , le batterie devono sempre essere collegate sul lato sinistro del Sistema Lynx e gli elementi rimanenti del sistema CC (carichi e caricabatterie) devono essere collegati sul lato destro affinché lo stato di carica della batteria possa essere calcolato correttamente.
Esempio di orientazione del modulo Lynx: le batterie sono collegate al lato sinistro e tutti i carichi e i caricabatterie al lato destro.
I moduli Lynx possono essere montati con qualsiasi orientamento. Se dovessero essere montati capovolti, in modo che anche il testo sulla parte anteriore delle unità sia capovolto, utilizzare gli speciali adesivi inclusi in ogni modulo Lynx per orientare il testo nel modo corretto.
Esempio di moduli Lynx montati sottosopra: batterie collegate sul lato destro, tutti i carichi e i caricabatterie collegati sul lato sinistro e adesivo capovolto con testo leggibile apposto.
5.1.3. Esempio di sistema - Lynx Shunt VE.Can, Lynx Power In, Lynx Distributor e batterie piombo acido
Questo sistema comprende i seguenti componenti:
Lynx Power In con 4 batterie piombo-acido da 12 V collegate in parallelo.
Lunghezza del cavo identica per ogni batteria.
Lynx Shunt VE.Can con fusibile principale del sistema e monitor della batteria.
Lynx Distributor con connessioni con fusibile per inverter/caricabatterie, carichi e caricabatterie. Tenere presente che si possono aggiungere altri moduli, se fossero necessarie più connessioni.
Cerbo GX (o un altro dispositivo GX) per leggere i dati del monitor della batteria.
Sistema con Lynx Shunt VE.Can, batterie piombo acido e un Lynx Distributor
Sistema con Lynx Shunt VE.Can, batterie piombo acido e un Lynx Distributor
5.2. Dimensionamento del sistema
5.2.1. Corrente nominale dei moduli Lynx
Il Lynx Distributor, il Lynx Shunt VE.Can, il Lynx Class-T Power In e il Lynx Power In sono dimensionati per una corrente nominale di 1000 A e per tensioni di sistema di 12, 24 o 48.
Per avere un’idea della potenza nominale dei moduli Lynx a varie tensioni, vedere la seguente tabella. La potenza nominale indica la dimensione del sistema inverter/caricabatterie collegato. Ricordare che, se si usano inverter o inverter/caricabatterie, le batterie alimenteranno sia il sistema CA che quello CC. Tenere altresì presente che un Lynx Smart BMS o un Lynx Ion (ora fuori produzione) possono avere una corrente nominale più bassa.
12 V | 24 V | 48 V | |
|---|---|---|---|
1000 A | 12 kW | 24 kW | 48 kW |
5.2.2. Uso di fusibili
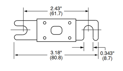
Il modello M10 del Lynx Shunt VE.Can può alloggiare un fusibile CNN o ANL e offre anche spazio per il fusibile fittizio (pezzo di sistema di sbarre) in dotazione, nel caso in cui il fusibile principale sia installato al di fuori dello shunt. È anche possibile installare un fusibile Mega sui bulloni M6. In Victron abbiamo in stock i fusibili CNN da 325 A/ 80 V (codice articolo CIP140325000), ma sono disponibili quasi ovunque in versioni da 35 A a 800 A .
![]() |
Dimensioni del fusibile CNN in pollici (mm)
Usare sempre fusibili con tensioni e correnti nominali corrette. La portata del fusibile deve corrispondere alle tensioni e correnti massime che si possono dare nel circuito con fusibili. Per ulteriori informazioni sulla portata dei fusibili e sul calcolo della corrente del fusibile, vedere il libro Cablaggio Illimitato.
Attenzione
Il valore totale dei fusibili di tutti i circuiti non deve superare la corrente nominale del modulo Lynx o del modello Lynx con la corrente nominale più bassa, nel caso si usassero vari moduli Lynx.
5.2.3. Cablaggio
La corrente nominale dei fili o dei cavi utilizzati per collegare il Lynx Shunt VE.Can (M10) alle batterie e/o ai carichi CC deve essere tarata in base alle correnti massime che si possono dare nei circuiti collegati. Usare un cablaggio con una superficie dell’area dell’anima corrispondente alla massima corrente nominale del circuito.
Per ulteriori informazioni sul cablaggio e il calcolo dello spessore del cavo, consultare il nostro libro Cablaggio Illimitato.
