5. Conception du système
5.1. Éléments d’un système de distribution Lynx
Ensuite, un, plusieurs ou une combinaison de modules Lynx Distributor et/ou de modules Lynx Power In/Lynx Class-T Power In sont ajoutés.
Ensemble, ils forment une barre omnibus positive et négative avec des connexions CC, et en fonction de la configuration, des fusibles intégrés, un contrôleur de batterie et/ou un système de gestion de batteries au lithium.
5.1.1. Interconnexion des modules Lynx
Chaque module Lynx peut se connecter à d’autres modules Lynx sur le côté gauche et sur le côté droit. Notez que les modules M10 ne peuvent pas être connectés directement aux modules M8 et vice versa.
Si le module Lynx est le premier ou le dernier de la ligne ou s’il est utilisé seul, il est possible de raccorder des batteries, des consommateurs ou des chargeurs directement à ces connexions. Veuillez noter que des fusibles supplémentaires peuvent être nécessaires si des batteries et des consommateurs sont connectés directement aux interconnexions.
5.1.2. Orientation des modules Lynx
Si le système Lynx contient un Lynx Shunt VE.Can , les batteries doivent toujours être connectées au côté gauche du système Lynx et le reste du système CC (consommateurs et chargeurs) au côté droit. Cela permet de calculer correctement l’état de charge de la batterie.
Exemple d’orientation du module Lynx : les batteries se branchent sur le côté gauche, et toutes les charges et les chargeurs sur le côté droit.
L’orientation des modules Lynx installés n’a pas d’importance : s’ils sont installés à l’envers, la tête en bas, et que le texte sur la face avant est également à l’envers, utilisez les étiquettes spéciales qui sont incluses avec chaque module Lynx afin que le texte soit orienté correctement.
Exemple de modules Lynx installés à l’envers : les batteries sont branchées sur le côté droit, toutes les charges consommatrices et les chargeurs sont sur le côté gauche, et les étiquettes pour l’orientation à l’envers sont collées.
5.1.3. Exemple de système - Lynx Shunt VE.Can, Lynx Power In, distributeur Lynx et batteries au plomb
Ce système contient les éléments suivants :
- Lynx Power In avec 4 batteries au plomb de 12 V installées en parallèle. 
- Longueurs de câble identiques pour chaque batterie. 
- Lynx Shunt VE.Can avec fusible du système principal et contrôleur de batterie. 
- Distributeur Lynx avec des connexions équipées de fusible pour des convertisseurs/chargeurs, des consommateurs et des chargeurs. Notez que des modules supplémentaires peuvent être ajoutés si davantage de connexion sont nécessaires. 
- Un Cerbo GX (ou tout autre appareil GX) pour lire les données du contrôleur de batterie 
Système avec Lynx Shunt VE.Can, batteries au plomb et distributeur Lynx
Système avec Lynx Shunt VE.Can, batteries au plomb et distributeur Lynx
5.2. Capacité du système
5.2.1. Courant nominal des modules Lynx
Le distributeur Lynx, le Lynx Shunt VE.Can, le Lynx Class-T Power In et le Lynx Power In sont conçus pour un courant nominal de 1 000 A pour des tensions de système de 12, 24 ou 48 V.
Consultez le tableau ci-dessous pour avoir une idée de la puissance nominale des modules Lynx à différentes tensions. La puissance nominale indique la taille du système de convertisseur/chargeur connecté. N’oubliez pas que si des convertisseurs ou des convertisseurs/chargeurs sont utilisés, les batteries alimenteront à la fois les systèmes CA et CC. Sachez également qu’un Lynx Smart BMS ou un Lynx Ion (qui n’est plus produit) peut présenter un courant nominal inférieur.
| 12 V | 24 V | 48 V | |
|---|---|---|---|
| 1000 A | 12 kW | 24 kW | 48 kW | 
5.2.2. Fusibles
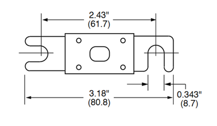
Le modèle Lynx Shunt VE.Can M10 peut accueillir un fusible CNN ou ANL et offre également un espace pour le fusible factice fourni (morceau de barre omnibus) au cas où le fusible principal serait installé à l’extérieur du shunt. Il est également possible d’installer un fusible Mega sur les boulons M6. Chez Victron, nous stockons le fusible CNN 325 A/80 V (référence CIP140325000), mais ils sont disponibles en 35 A jusqu’à 800 A presque partout.
|  | 
Dimensions du fusible CNN en pouces (mm)
Utilisez toujours des fusibles dont la tension et l’intensité nominales sont correctes. Faites correspondre le calibre du fusible aux tensions et courants maximaux pouvant potentiellement circuler dans le circuit protégé par le fusible. Pour plus d’informations sur le calibre des fusibles et le calcul de leur intensité, consultez le livre Wiring Unlimited.
Attention
La valeur totale des fusibles de tous les circuits ne doit pas dépasser le courant nominal du module du Lynx, sinon le modèle de Lynx ayant le courant nominal le plus faible – dans le cas de plusieurs modules Lynx – sera utilisé.
5.2.3. Câblage
Le courant nominal des fils ou des câbles utilisés pour raccorder le Lynx Shunt VE.Can (M10) aux batteries et/ou aux consommateurs CC doit correspondre aux courants maximaux pouvant circuler dans les circuits connectés. Utilisez des câbles dont la surface de l’âme est suffisante pour correspondre à l’intensité maximale du circuit.
Pour plus d’informations sur le câblage et le calcul de l’épaisseur des câbles, consultez notre livre Wiring Unlimited.