2. Functies
De scheidingstransformator elimineert alle elektrische continuïteit tussen AC-walvoeding en het vaartuig. Het is essentieel voor veiligheid en maakt galvanische isolatoren en polariteitalarmen overbodig.
2.1. Elektrische veiligheid
Elektrische veiligheid wordt als vanzelfsprekend genomen in het geval van een standaard installatie op het land. Een stroomonderbreker schakelt uit, of een aardlekautomaat schakelt uit bij een kortsluiting of een lekstroom naar aarde.
Het verbinden van de aardingsdraad van de voeding aan walzijde met de metalen onderdelen van een vaartuig resulteert in galvanische corrosie.
Alleen de fase en nul draad aan boord brengen resulteert in een onveilige situatie omdat aardlekschakelaar dan niet werken, ook schakelt een onderbreker niet uit bij een kortsluiting op een metalen onderdeel van het vaartuig.
2.2. Galvanische corrosiepreventie
Galvanische corrosie treedt op wanneer twee verschillende metalen in elektrisch contact tegelijkertijd blootgesteld worden aan een elektrisch geleidende vloeistof. Zeewater en, in mindere mate, zoetwater zijn dergelijke vloeistoffen. Over het algemeen verroest de actievere legering van de twee als eerste, terwijl het minder actieve (edeler) materiaal kathodisch beschermd wordt. Het snelheid van galvanische corrosie is een functie van meerdere variabelen, inclusief gebiedscategorieën, de soortelijke geleiding van de vloeistof, temperatuur, de aard van de materialen, enz.
Het is een misverstand dat galvanische corrosie alleen voorkomt in metalen en aluminium omhulsels. Het kan zelfs gebeuren op elk vaartuig zodra een metalen onderdeel (de as en schroef) in contact komt met water. Galvanische corrosie lost snel je oploselektrodes op en valt de as, schroef en andere metalen onderdelen, in contact met water, aan wanneer het vaartuig verbonden is met de voeding aan walkant. Het kan verleidelijk zijn om de aardingsgeleider niet te verbinden: dit is echter ontzettend gevaarlijk omdat een aardlekschakelaar dan niet werkt, ook schakelt een stroomonderbreker niet uit bij een kortsluiting van een metalen onderdeel op het vaartuig.
De beste oplossing om galvanische corrosie te vermijden en tegelijkertijd elke onveilige situatie te voorkomen is door een scheidingstransformator te installeren om verbinding te maken met de walstroom. De scheidingstransformator elimineert alle elektrische continuïteit tussen-walvoeding en het vaartuig. De walstroom wordt gevoed aan de primaire zijde van de transformator en het vaartuig wordt verbonden met de secondaire zijde. De scheidingstransformator isoleert het vaartuig volledig van de walaarding. Door alle onderdelen te verbinden met de nul uitgang aan de secondaire zijde van de transformator, zal een aardlekschakelaar of aardlekautomaat uitschakelen bij een kortsluiting.
![]() De walaarding verbonden aan ondergedompelde metalen van het vaartuig veroorzaakt galvanische corrosie. |
|
![]() De walaarding is geïsoleerd van de vaartuigaarding en galvanische corrosie, voortkomend uit de wal aardverbinding, wordt geblokkeerd. |
|
2.3. Spanningen omzetten
De scheidingstransformator zet de ingangsspanning om met een 1:1,05 ratio. De 1:1,05 transformatorratio vergroot de uitgangsspanning van de scheidingstransformator met 5 %. Dit dient om spanningsdaling van de walvoeding te compenseren, wat vaak voorkomt in jachthavens.
Een 230 V ingang wordt 240 V.
De scheidingstransformator kan gebruikt worden in 50 Hz- of 60 Hz-systemen. De scheidingstransformator kan geen frequenties omzetten van 50 Hz naar 60 Hz of vice versa.
2.4. Zachte start
Zachte start is een standaard kenmerk van een Victron Energy-scheidingstransformator. Het voorkomt dat de zekering van walvoeding uitschakelt door de inschakelstroom van de transformator.
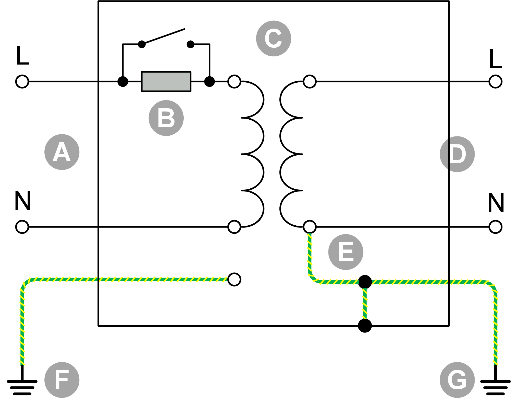
2.5. Intern bedradingsschema
Intern bedradingsschema van de scheidingstransformator. |
|
2.6. Veiligheid wanneer het vaartuig uit het water is.
Het wordt, voor optimale veiligheid, aangeraden de walaarding te verbinden met de vaartuigaarding wanneer het vaartuig uit het water is, in de winter of voor onderhoud. De scheidingstransformator heeft een faciliteit hiervoor.


