2. Fonctions
Le transformateur d’isolement élimine toute continuité électrique entre l’alimentation à quai CA et le navire. Il est essentiel pour la sécurité et élimine le besoin d’isolateurs galvaniques et d’alarmes de polarité.
2.1. Sécurité électrique
La sécurité électrique est tenue pour acquise dans le cas d’une installation à quai standard. Un disjoncteur ou un DDFT (disjoncteur différentiel de fuite à la terre) se déclenchera en cas de court-circuit ou de fuite de courant à la terre.
Le raccordement du fil de terre de l’alimentation à quai aux parties métalliques d’un navire entraînera une corrosion galvanique.
Le fait d’acheminer uniquement la phase et le neutre à bord entraîne une situation dangereuse car les DDFT ne fonctionneront pas et un disjoncteur ne se déclenchera pas en cas de court-circuit sur une pièce métallique du navire.
2.2. Prévention de la corrosion galvanique
La corrosion galvanique se produit lorsque deux métaux dissemblables en contact électrique sont exposés simultanément à un fluide conducteur d’électricité. L’eau de mer et, dans une moindre mesure, l’eau douce sont de tels fluides. En général, l’alliage le plus actif du couple se corrode en priorité, tandis que le matériau le moins actif (plus noble) est protégé cathodiquement. La vitesse de la corrosion galvanique est fonction de plusieurs variables, notamment les rapports de surface, la conductivité du fluide, la température, la nature des matériaux, etc.
On pense à tort que la corrosion galvanique ne se produit que sur les coques en métal et en aluminium. En réalité, elle peut se produire sur n’importe quel navire dès lors qu’une pièce métallique (l’arbre et l’hélice) est en contact avec l’eau. La corrosion galvanique dissoudra rapidement vos anodes sacrificielles et attaquera l’arbre, l’hélice et les autres pièces métalliques en contact avec l’eau lorsque le bateau sera raccordé à l’alimentation à quai. Il peut donc être tentant de ne pas connecter le conducteur de terre : c’est cependant extrêmement dangereux car un DDFT ne fonctionnera pas et un disjoncteur ne se déclenchera pas en cas de court-circuit sur une pièce métallique du navire.
La meilleure solution pour éviter la corrosion galvanique et, en même temps, prévenir toute situation dangereuse est d’installer un transformateur d’isolement pour le raccordement à l’alimentation à quai. Le transformateur d’isolement élimine toute continuité électrique entre l’alimentation à quai et le navire. L’alimentation à quai est acheminée vers le côté primaire du transformateur, et le navire est raccordé au côté secondaire. Le transformateur d’isolement isole complètement le navire de la terre du quai. En reliant toutes les pièces métalliques à la sortie neutre sur le côté secondaire du transformateur, un DDFT ou un disjoncteur se déclenchera en cas de court-circuit.
![]() Le fait de raccorder la prise de terre aux métaux immergés du navire entraîne une corrosion galvanique. |
|
![]() La terre du quai est isolée de la terre du navire et la corrosion galvanique issue de l’alimentation à quai est bloquée. |
|
2.3. Conversion des tensions
Le transformateur d’isolement convertit la tension d’entrée avec un rapport de 1:1,05. Le rapport de transformation de 1:1,05 augmente la tension de sortie du transformateur d’isolement de 5 %. Cela vise à compenser les chutes de tension de l’alimentation à quai qui sont courantes dans les ports de plaisance.
Une entrée de 230 V devient 240 V.
Le transformateur d’isolement peut être utilisé dans des systèmes 50 Hz ou 60 Hz. Cependant, le transformateur d’isolement ne peut pas convertir les fréquences de 50 Hz à 60 Hz ou vice versa.
2.4. Démarrage progressif (soft start)
Le démarrage progressif est une caractéristique standard des transformateurs d’isolement Victron Energy. Il permet d’éviter que le disjoncteur de l’alimentation à quai ne se déclenche à cause du courant d’appel du transformateur.
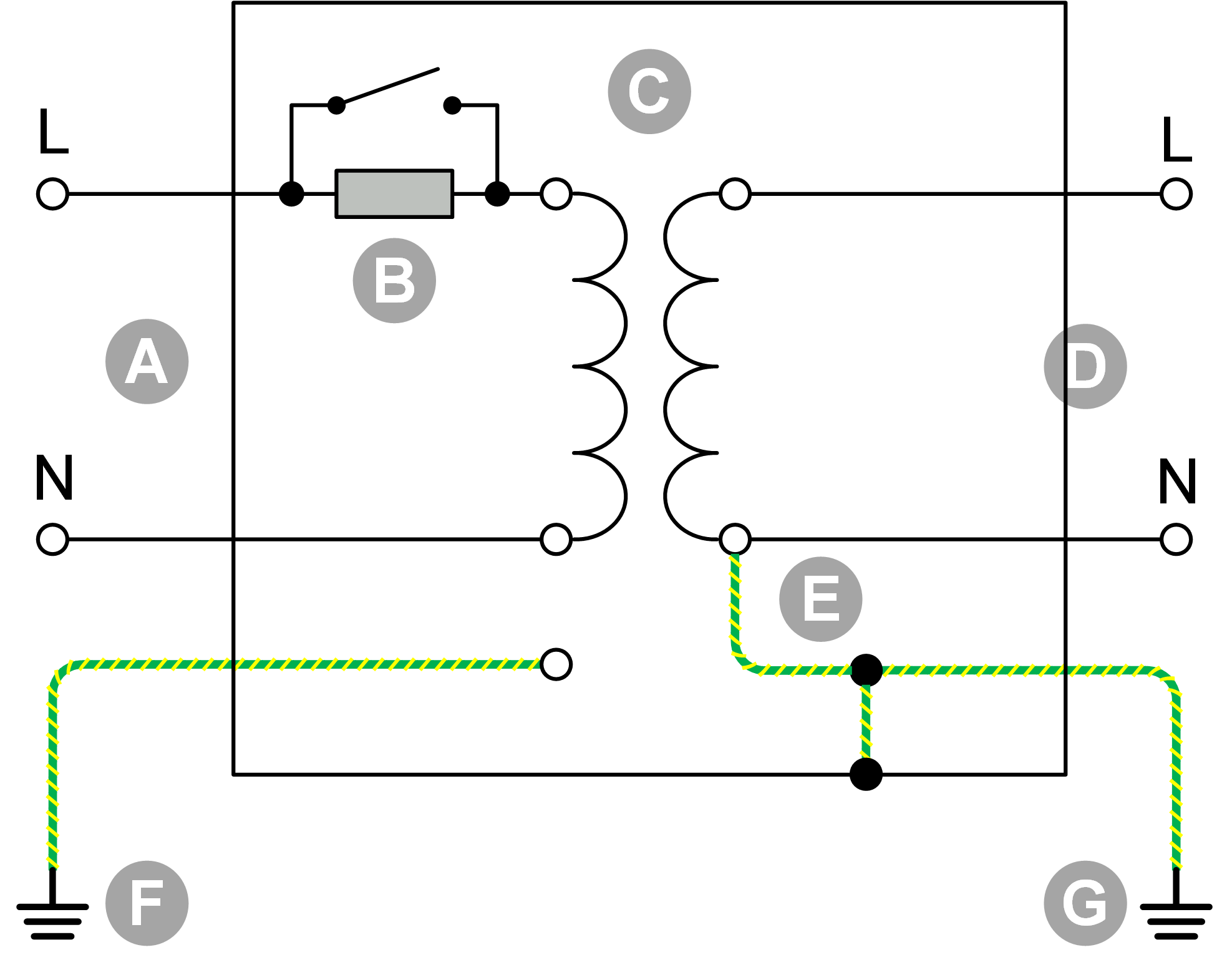
2.5. Schéma de câblage interne
Schéma de câblage interne du transformateur d’isolement. |
|
2.6. Sûr lorsque le bateau est hors de l’eau
Il est recommandé, pour une sécurité optimale, de raccorder la terre du quai à la terre du navire lorsque celui-ci est hors de l’eau, en hiver ou pour l’entretien. Le transformateur d’isolement est équipé d’un dispositif à cet effet.


