1. GX - Aggregaat Automatische Start/Stop
1.1. Inleiding
Door het integreren van een AC- of DC-aggregaat met een GX-apparaat komen de volgende functies beschikbaar:
Algemene functies:
Automatische aggregaatbesturing: Start en stop het aggregaat automatisch met de ”Aggregaat auto start/stop”-functionaliteit op basis van verschillende systeemvoorwaarden.
Handmatige besturing en planning: Start en stop het aggrgaat handmatig, met de optie om een geplande werking in te plannen.
Service tracering: Bewaak bedieningsuren en onderhoudsintervallen.
Langere levensduur aggregaat: Geïntegreerde opwarming- en afkoelingsfuncties zorgen voor correcte smering vóór belasting en voorkomen plotselinge uitschakelingen.
Voor gekoppelde aggregaten:
Prestatiebewaking: Bekijk AC- of DC-productiegegevens.
Motorparameters volgen: Bewaak druk, temperatuur, RPM, startaccuspanning en brandstoftankniveaus.
Foutwaarschuwingen: Ontvang mededelingen over systeemfouten.
DVCC-ondersteuning: Geselecteerde DC-aggregaten ondersteunen Gedistribueerde spanning en stroomregeling (raadpleeg het DVCC - Gedistribueerde spanning en stroomregeling) hoofstuk.
Controle en regeling zijn niet alleen beschikbaar op het GX-apparat zelf, maar ook via het VRM-portaal en de Maritieme MFD HTML5-app. Raadpleeg voor meer details de VRM-portaal en Nautische MFD-integratie door app hoofdstukken.
Meer algemene informatie over het plannen van een Victron-systeem met een aggregaat is ook beschikbaar in de MultiPlus Aggregaat Veelgestelde vragen.
1.2. Hoe integreren
Er zijn twee integratie mogelijkheden:
Relais-geregelde integratie: Een bedraad potentiaalvrij start/stop-signaal wordt ondersteund via relais 1 van het GX-apparaat (raadpleeg hoofdstuk 17.2.7 voor relaisgestuurd start/stop-signaal).
Gekoppelde aggregaat integratie: Als het aggregaat of de besturing in de onderstaande tabel staat, wordt digitale communicatie ondersteund voor uitlezing en besturing via VE.Can, Ethernet of RS485 (via een RS485-naar-USB omvormer zoals de Victron RS485 naar USB-interface).
Ondersteunde AC-aggregaatbesturingen voor gekoppelde aggregaat integratie
Fabrikant | Model | Koppelingstype | Opmerkingen |
|---|---|---|---|
ComAp | InteliLite 4 AMF 25 InteliLite 4 AMF 20 InteliLite 4 AMF 9 InteliLite 4 AMF 8 InteliLite 4 MRS 16 | Ethernet | |
CRE-technologie | Compacte AMF Gensys Compact Prime Gensys Compact netspanning | Ethernet | |
Deep Sea Electronics | DSE4620 | Ethernet of RS485 | Voor Ethernet: Raadpleeg 1) Voor RS485: Raadpleeg 2) en 3) |
DSE6120 | |||
DSE4510 MKII | |||
DSE4520 MKII | |||
DSE6110 MKII | |||
DSE6120 MKII | |||
DSE7310 MKII | Voor Ethernet: Raadpleeg 1) Voor RS485: Raadpleeg 3) | ||
DSE 7410 MKII | Voor RS485: Raadpleeg 4) | ||
DSE 7420 MKII | |||
DSE8610 MKII | |||
DSE8620 MKII | |||
DSE8660 MKII | |||
DEIF | AGC 150 Aggregaat | Ethernet of RS485 | Voor RS485: Raadpleeg 4) |
AGC 150 Hybride | |||
AGC 150 PMS Lite | |||
Fischer Panda | xControl | VE.Can | |
iAggregaat | |||
fpControl | |||
1) Dit model heeft geen Ethernet-connectiviteit. Daarom is het Deep Sea Electronics DSE855 USB-naar-Ethernet communicatie-apparaat, of een andere Ethernet-ingeschakelde DSE-gateway vereist. 2) Dit model heeft geen RS485-connectiviteit. Daarom is het Deep Sea Electronics DSE857 USB-to-RS485 communicatie-apparaat, of een andere RS485-ingeschakelde DSE-gateway vereist. 3) De Hjelmslund Electronics USB485-STIXL geïsoleerde USB naar RS485 omvormer is vereist (https://hjelmslund.eu/) 4) Dit model heeft een ingebouwde geïsoleerde RS485-poort; echter de Victron RS485 naar USB-interface is vereist. | |||
Ondersteunde DC-aggregaatbesturingen voor gekoppelde aggreggaat integratie
Fabrikant | Model | Koppelingstype | Opmerkingen |
|---|---|---|---|
Fischer Panda | fpControl | VE.Can | |
Hatz | fiPMG | VE.Can | Ondersteunt DVCC-spanningsregeling |
Belangrijk
Het GX-apparaat ondersteunt maar één aangesloten aggregaatbesturing. Zorg er bij het integreren via Ethernet voor dat slechts één aggregaatbesturing toegankelijk is voor het GX-apparaat.
1.2.1. Relais-geregeld start/stop-signaal
De meeste aggregaten ondersteunen een extern start/stop signaal, kenmerkend via een potentiaalvrij contact. Het sluiten van het contact start het aggregaat, terwijl het openen het aggregaat stopt.
Bepaalde aggregaten vereisen pulserende signalen in plaats van een voortdurende aansluiting. In dergelijke gevallen kunnen extra timing relais nodig zijn (zie onderaan). Raadpleeg altijd de aggregaathandleiding of raadpleeg de leverancier voor meer informatie over de bedrading van het remote startsignaal.
Op het GX-apparaat moet de Relais 1 gebruikt worden om het aggregaat te regelen. Ga, na het aansluiten van de aggregaat ingang op Relay 1, naar Instellingen → Relais → Functie-opties → Aggregaat start/stop. Als Relay 1 ingesteld is op “Aggregaat start/stop” ontstaat er toegang tot de gerelateerde instellingen via Instellingen → Aggregaat start/stop. |
1.3. Aggregaat start/stop menu
Dit is de algemene overzichtspagina van de aggregaat start/stop functie. Deze pagina kan worden gebruikt om de status van het aggregaat te controleren, de foutstatus te bekijken, toegang te krijgen tot looptijd en service en de nodige instellingen te maken.
Voor gekoppelde aggregaten verschijnt het overzicht in de apparatenlijst
Voor relais-geregelde aggregaten is de overzichtspagina te vinden op Instellingen → Aggregaat start/stop
De individuele menu-items hebben de volgende functies:
| |
(*) Alleen van toepassing op gekoppelde aggregaten. (*2) Alleen van toepassing op voor gekoppelde aggregaten. | |
1.4. Instellingenmenu
Ga, in het aggregaat start/stop menu, omlaag en tik op instellingen om het instellingenmenu naar voor te brengen.
|
1.4.1. Alarm als autostartfunctie uitgeschakeld wordt
Als deze optie ingeschakeld is, dan wordt een alarm gestart als de autostartfunctie langer dan 10 minuten uitgeschakeld blijft. Dit is vooral handig als het aggregaat net een onderhoud heeft gehad en de onderhoudstechnicus vergeten is het aggregaat opnieuw in autostart-modus te zetten. Deze functie zorgt ervoor dat de autostartfunctie niet per ongeluk wordt uitgeschakeld. Voor digitaal aangesloten aggregaaten, zoals DSE, ComAp en Fischer Panda controleert het ook of remote starten is ingeschakeld op het paneel van het aggregaat. Er kunnen twee alarmen worden geactiveerd:
|
1.4.2. Looptijd en onderhoudsinterval-menu
Elke aggregaat moet na een bepaalde periode onderhouden worden. De aanbevolen onderhoudsfrequentie van een aggregaat hangt voornamelijk af van gebruik en looptijd. Met dit menu kan een onderhoudsinterval ingesteld worden, een teller startend die een waarschuwing geeft als onderhoud noodzakelijk is. De menu-items in detail:
|
1.4.3. Opwarmings- & afkoelmenu
Het menu opwarmen en afkoelen laat toe de tijd in te stellen die het aggregaat nodig heeft om op te warmen of af te koelen vóór of na gebruik. Dit wordt geregeld via relais terwijl het AC-ingangsrelais open staat en de omvormer/acculader niet is aangesloten.
Dit menu is ook van toepassing op digitaal verbonden aggregaten (bv., over Modbus), waar de GX-relais niet gebruikt wordt.
Opmerking: deze functie vereist VE.Bus omvormer/lader firmware 502 of later.
Opwarmingstijd:
Afkoeltijd:
Stoptijd aggregaat:
|
1.5. Voorwaarden voor auto start/stop
Bij verlies van communicatie: Als er zich ooit een communicatie-uitval voordoet tussen de / en de VE. Bus omvormer/acculader en de start/stop-parameters van het aggregaat afhankelijk zijn van deze gegevens, kies dan één van de volgende acties:
Stop aggregaat als AC-ingang beschikbaar is: Nuttig voor back-up systemen waarbij een Quattro is aangesloten op het lichtnet/net op AC-in 1 of AC-in 2, met een aggregaat op de andere AC-ingang. Als dit is ingeschakeld, stopt het aggregaat pas als de netvoeding is hersteld na een storing. |
De volgende parameters kunnen door de gebruiker worden gedefinieerd om een automatische start/stop van het aggregaat te activeren:
(* De hier gemeten waarde is het totale AC-stroomverbruik van het systeem.)
De voorwaardeparameters krijgen de prioriteit in de bovenstaande volgorde. Als meerdere voorwaarden tegelijkertijd worden bereikt, dan wordt alleen de voorwaarde met de hoogste prioriteit als actief weergegeven. Alle ingeschakelde voorwaarden worden geëvalueerd, zelfs als het aggregaat al actief is. Als aan een actieve voorwaarde is voldaan, houdt een parameter van een voorwaarde met een lagere prioriteit het aggregaat draaiende.
1.5.1. Aggregaat-stop als AC-ingang beschikbaar wordt
Deze optie is ideaal voor noodstroom-systemen waar een Quattro met één AC-ingang verbonden is met netspanning en de andere met een aggregaat.
Indien ingeschakeld en de AC-ingang, die is aangesloten op het elektriciteitsnet, is gedefinieerd, stopt het aggregaat automatisch zodra de netvoeding is hersteld na een storing in het elektriciteitsnet. Het proces volgt deze stappen:
Het aggregaat wordt eerst ontkoppeld.
Een afkoelperiode wordt toegepast, gebaseerd op de ingestelde instelling.
Een extra 15 seconden is toegestaan voor het aggregaat om afsluiten te voltooien.
|
1.5.2. Start/Stop gebaseerd op accu laadstatus
Deze functie laat aggregaatbesturing toe, gebaseerd op niveaus van laadstatus accu (SoC).
|
1.5.3. Start/Stop gebaseerd op accustroom
Met deze functie kan het aggregaat worden bestuurd op basis van de stroomniveaus van de accu.
|
1.5.4. Start/Stop gebaseerd op accuspanning
Met deze functie kan het aggrgaat worden bestuurd op basis van het spanningsniveau van de accu.
|
1.5.5. Start/Stop gebaseerd op AC-belasting
AC-belasting activaties werken op dezelfde manier als andere activaties, maar de functie wordt verfijnd door een instelling van de meting. De instelling van de meting is beschikbaar op firmware v2.0 en hoger en heeft drie mogelijke waarden:
|
1.5.6. Start/Stop gebaseerd op hoge temperatuur van omvormer
Deze functie laat aggregaat activering toe, gebaseerd op waarschuwingen van omvormer temperatuur.
|
1.5.7. Start/Stop gebaseerd op overbelasting van de omvormer
Deze functie maakt activering van het aggregaat mogelijk als reactie op een waarschuwing voor overbelasting van de omvormer.
|
1.5.8. Periodieke inbedrijfstelling
Met deze functie kan het periodiek automatisch aggregaat gestart worden.
|
1.5.9. Functie handmatige-start
Met de functie Handmatige start kan het aggrgaat op afstand starten. Als het aggregaat al draait, voorkomt een druk op Start dat deze automatisch stopt als aan de voorwaarde is voldaan die de start activeerde. Met andere woorden, Handmatige Start heft de autostopparameters op.
Manieren om het aggregaat handmatig te starten:
Let opAls handmatig (remote) wordt gestart zonder een stoptimer (getimede loopfunctie), dan blijft deze onbeperkt draaien totdat deze handmatig wordt uitgeschakeld.
|
1.5.10. Stille uren
Met de functie Stille uren kan een periode ingesteld worden waarin het geluid van het aggregaat storend is. Tijdens deze periode zal het aggregaat alleen starten als dat absoluut noodzakelijk is, met behulp van aangepaste autostartcondities.
Hoe stille uren inschakelen
Houd er rekening mee dat als de start- en stoptijden op dezelfde waarde worden ingesteld, Stille uren onbeperkt actief blijven als ze zijn ingeschakeld. |
“Stille uren” gebruiken als hulpmiddel om twee sets gebruikersvoorkeuren te definiëren
De Stille uren-functie kan ook gebruikt worden om te bepalen hoe het systeem reageert op verschillende. Bijvoorbeeld:
Vroeg in de ochtend/lage laadstatus: De acculaadstatus is vaak het laagst in de ochtend. Indien gecombineerd met bewolkt weer of PV-panelen die op het westen staan gericht (beter werkend in de namiddag) kan het aggregaat 's ochtends automatisch starten vanwege een lage laadstatus. Later op de dag echter, als de PV-energieproductie toeneemt, kan het werk van het aggregaat echter onnodig worden. Door Stille uren in deze periode in te stellen met lagere autostartdrempels, kan voortijdige start van het aggregaat voorkomen worden en beter gebruik maken van de beschikbare PV-energie.
Vakantiehuis: In een vakantiehuis is de stroomvraag beduidend hoger als het huis bezet is dan als het huis leeg staat. De functie Stille uren kan helpen door lagere drempels voor automatisch opstarten toe te passen als het huis in gebruik is en hogere drempels als het leeg staat.
Om dit te implementeren:
Stel Stille uren in als een permanente voorwaarde (raadpleeg boven) terwijl het huis bewoond is.
Schakel Stille uren UIT als het huis leeg is om het standaardgedrag van het aggregaat mogelijk te maken.
1.6. ComAp-besturing
1.6.1. Inleiding
Hoe werkt het?
Het GX apparaat communiceert (lezen/zenden) met het InteliLite 4 paneel via Modbus TCP over Ethernet, met behulp van de ComAp CM3-Ethernet module (vereist) als de communicatie-interface. Modbus registers moeten opnieuw worden toegewezen met de InteliConfig software.
Een overzicht van alle gebruikte Modbus-registers en hun vereiste toewijzingen kan in de bijlage gevonden worden: Modbus houdregisters voor de ComAp InteliLite 4 besturing
Na het toepassen van de toewijzingen detecteert het GX-apparaat automatisch de aanwezigheid van een ComAp InteliLite 4-besturingdoor identificatiestring in Modbus-register 1307 te gebruiken. Het GX apparaat herkent alle modules met namen die beginnen met "InteliLite4-". Deze identificatiestring verschijnt ook in de titelbalk van het InteliConfig-venster.

1.6.2. Vereisten
GX-apparaat met VenusOS v3.42 of later
Ondersteunde ComAp-besturing
CM3-Ethernet module (ComAp bestelcode: CM3ETHERXBX)
Het GX apparaat kan ook werken met de standaard CM-Ethernet module (ComAp bestelcode: CM2ETHERXBX), maar werd nog niet getest.
Ethernet netwerk-materiaal
1.6.3. Installatie & Instellingen
Installatie en instellen wordt in maar enkele stappen gedaan De Modbus Server in de CM3-Ethernet-module moet ingeschakeld worden. Dit kan gedaan worden vanuit het bedieningspaneel of via de software voor de besturing, InteliConfig, die gedownload kan worden vanaf de ComAp website.
Er is geen verdere instelling van de ComAp CM3-Ethernet module vereist.
De Modbus-registers moeten worden aangepast met de InteliConfig-software volgens de registerlijst zoals beschreven in Modbus houdregisters voor de ComAp InteliLite 4 besturing
Instelling ComAp-besturing
De volgende procedure beschrijft de stappen voor het gebruik van de InteliConfig-instellingssoftware. Zorg ervoor dat de nieuwste versie wordt gebruikt en aangesloten is op de besturing:
Zorg voor juiste eenheden/vermogenformaat:
Selecteer het instellingstabblad van de besturing
Kies andere
Selecteer eenheden/vermogenformaat
Zorg ervoor dat eenheden ingesteld zijn op “Meeteenheid - 20°C, 10.0 Bar, 11.4 l/h” en dat vermogenformaat ingesteld staat op “Standaard 1 kW/kVA/kVAr 1 V

Opnieuw toewijzen Modbus-registers:
Selecteer in hetzelfde venster MODBUS
Download het Modbus afbeelding-bestand voor Victron Energy: ComAp InteliLite GX-afbeelding
Klik onderaan, onder Import/Export, op het Import-pictogram rechts
Selecteer het gedownloade toewijzingenbestand en klik op OK
Klik in de rechter-benedenhoek op de schrijven-toets om de instelling op de besturing op te slaan
Het ComAp Modbus afbeelding UMOD-bestand bevat de noodzakelijke Modbus-register toewijzingen, zoals vereist door het GX-apparaat. Een voor mensen leesbaar formaat van de toewijzing is ook te vinden in de bijlage:Modbus houdregisters voor de ComAp InteliLite 4 besturing.


Inschakelen van de Modbus server van de bestruring
Selecteer het instelpunt-tabblad
Selecteer in het volgende menu de CM-Ethernet module
Schakel de Modbus-server in

Instellen GX-apparaat
Als het GX-apparaat en de aggregaat besturing op hetzelfde netwerk zijn aangesloten dan verschijnt de besturing automatisch in de apparatenlijst. De afbeelding toont een voorbeeld van een DSE-aggregaatbesturing. Als de besturing niet verschijnt, controleer dan de Modbus-instellingen op het GX-apparaat door te gaan naar Instellingen → Modbus TCP/UDP-apparaten. Zorg ervoor dat Automatisch Zoeken ingeschakeld is (dit is de standaard instelling) of zoek handmatig naar het apparaat; de besturing moet gedetecteerd worden en vermeld onder het ontdekte D´apparaten sub-menu. Voor een betrouwbare werking moet automatisch zoeken ingeschakeld blijven, daar het netwerk elke tien minuten wordt doorzocht. Als het IP-adres wijzigt, wordt het apparaat opnieuw ontdekt. Het is echter aan te raden om een statisch IP-adres toe te wijzen aan de besturing om onverwacht communicatie verlies te voorkomen. |
1.7. CRE-Technology besturing.
1.7.1. Inleiding
Hoe werkt het?
Het GX-apparaat communiceert met de CRE-besturing door gegevens te lezen en te verzenden volgens de Modbus TCP-specificatie van de besturing, via de Ethernet-connectiviteit van de CRE-besturing.
Door gebruik te maken van de identificatiewaarden die via Modbus worden opgehaald, detecteert het GX-apparaat automatisch de aanwezigheid van de besturing.
1.7.2. Vereisten
GX-apparaat met VenusOS v3.50 of later
Ondersteunde CRE-besturing met firmware-versie van v2.0 of later
Ethernet netwerk materiaal
1.7.3. Installatie & Instellingen
Eerste vereisten
Met de CRE-besturing kunnen de eenheden voor druk en temperatuur gewijzigd worden; het GX-apparaat verwacht echter dat de oliedruk wordt ingesteld in bar en de temperatuur in °C. Zorg ervoor dat de eenheden juist zijn ingesteld.
Instellen GX-apparaat
Als het GX-apparaat en de aggregaat-besturing op hetzelfde netwerk zijn aangesloten dan verschijnt de besturing automatisch in de apparatenlijst. De afbeelding toont een voorbeeld van een DSE-aggregaatbesturing. Als de besturing niet verschijnt, controleer dan de Modbus-instellingen op het GX-apparaat door naar Instellingen → Modbus TCP/UDP-apparaten te gaan. Zorg ervoor dat Automatisch Zoeken ingeschakeld is (dit is de standaard instelling) of zoek handmatig naar het apparaat; dE besturing moet gedetecteerd worden en vermeld onder het ontdekte D´apparaten sub-menu. Voor een betrouwbare werking moet automatisch zoeken ingeschakeld blijven, daar het netwerk elke tien minuten wordt doorzocht. Als het IP-adres wijzigt, wordt het apparaat opnieuw ontdekt. Het is echter aan te raden om een statisch IP-adres toe te wijzen aan de besturing om onverwacht communicatieverlies te voorkomen. |
1.8. DSE- Ondersteuning voor Deep Sea aggregaatbesturing
1.8.1. Inleiding
Door een Deep Sea Electronics (DSE) aggregaat-besturing te integreren met een GX-apparaat is het mogelijk AC-gegevens, oliedruk, koelmiddeltemperatuur, tankniveau, aantal motorstarten en verdere statusmeldingen uit te lezen. Bovendien ondersteunt de besturing digitale start/stop-signalen van het GX-apparaat.
Hoe werkt het?
Het GX-apparaat communiceert met de Deep Sea Electronics (DSE)-besturing door gegevens te lezen en te verzenden via de DSE "GenComm" Modbus-specificatie. Deze communicatie verloopt ofwel via de ethernetaansluiting van de DSE-besturing zelf of, voorbesturingen zonder een ethernet-interface, via het Deep Sea Electronics DSE855 USB-naar-ethernet communicatieapparaat of een andere compatibele ethernet DSE-gateway die Modbus TCP ondersteunt.
Aan de hand van de via Modbus verkregen identificatiewaarden detecteert het GX-apparaat automatisch de aanwezigheid van de besturing.
1.8.2. Vereisten
GX-apparaat met VenusOS v3.12 of later
Ondersteunde DSE-besturing
Voor modellen die alleen USB-connectiviteit aanbieden (raadpleeg bovenstaande tabel) is een Deep Sea Electronics DSE855 (of een gelijkwaardig apparaat) vereist.
Ethernet netwerk-materiaal
Speciaal geval: DSE 4520 MKII (Venus OS v3.50 of later)
In tegenstelling tot alle andere ondersteunde DSE-besturings accepteert de DSE 4520 MKII geen besturingscommando's via digitale communicatie. Daarom moet een bedraad regelsignaal worden gebruikt via de functie "Aangesloten aggregaat-hulprelais". Meer informatie kan gevonden worden in het hoofdstuk ???.
1.8.3. Installatie & Instellingen
Instellen GX-apparaat
Als het GX-apparaat en de aggregaat-besturing zijn aangesloten op hetzelfde netwerk, dan verschijnt de besturing automatisch in de apparatenlijst. Als de besturing niet verschijnt, controleer dan de Modbus-instellingen op het GX-apparaat door naar Instellingen → Modbus TCP/UDP-apparaten te gaan. Zorg ervoor dat Automatisch Zoeken ingeschakeld is (dit is de standaard instelling) of zoek handmatig naar het apparaat; de besturing moet dan gedetecteerd worden en vermeld onder het ontdekte apparaten sub-menu. Voor een betrouwbare werking moet automatisch zoeken ingeschakeld blijven, omdat het netwerk elke tien minuten wordt doorzocht. Als het IP-adres wijzigt, wordt het apparaat opnieuw ontdekt. Het is echter aan te raden om een statisch IP-adres toe te wijzen aan de besturing om onverwacht communicatieverlies te voorkomen. |
Aangesloten aggregaat helper relais
Startend met Venus OS v3.50 is een nieuwe functionaliteit beschikbaar voor Relais 1 op het GX-apparaat: het aangesloten aggregaat hulprelais.
Met deze instelling kan relais 1 parallel werken met de digitale besturingscommando's van een aangesloten DSE 4520 MKII. Relais 1 blijft open terwijl de aggregaat gestopt wordt en sluit zodra het startcommando gegeven wordt.
Deze functie is nuttig voor:
Raadpleeg voor bedradingsinstructies Relais-geregeld start/stop-signaal |
1.9. DEIF-besturing
1.9.1. Inleiding
Hoe werkt het?
Het GX-apparaat leest gegevens van en verzendt gegevens naar de DEIF-besturing via de Modbus-specificatie van de besturing, via de Ethernet-verbinding of de RS485-poort 1 van de DEIF-besturing. Door de identificatiewaarden, via Modbus gevonden, te gebruiken, detecteert het GX-apparaat automatisch de aanwezigheid van de besturing.
1.9.2. Vereisten
GX-apparaat met Venus OS v3.50 of later
Ondersteunde DEIF AGC 150-besturing met firmware-version 1.19.0 (van mei 2024) of later
Voor het integreren via Ethernet: Ethernet netwerk-materiaal
Voor het integreren via RS485: Victron Energy RS485 naar USB interface (onderdeelnummer ASS030572050 of ASS030572018)
1.9.3. Installatie & Instellingen
Instellen van de juiste schaalparameter Momenteel wordt alleen de standaard waarde voor de ”Schaal" parameter (kanaal 9030, waarde 100 tot 25000 V) ondersteund. Zorg, vóór het aansluiten, dat deze instelling juist is. De instelling is beschikbaar via het scherm van de besturing bij Parameter → Basis instellingen → Meetopstelling → Schaal → Schaal. Voer, om wijzigingen te maken, het master wachtwoord in (standaard: 2002) en stel de schaalparameter in op het standaard bereik van 100 tot 25000 V. | ![]() |
Voor Ethernet-aansluiting Gebruik de Ethernet-poort van de DEIF-besturing om de besturing aan te sluiten op hetzelfde Ethernet netwerk als het GX-apparaat. |
Voor RS485-aansluiting De DEIF AGC 150-besturing serie heeft twee RS485-poorten, waarvan Poort 1 galvanisch geïsoleerd is. Galvanische isolatie voorkomt zogenaamde aardlussen, die anders kunnen leiden tot schade aan de apparaten door ongewenste stromen. Daarom moet Poort 1 gebruikt worden, zoals uitgelegd in de tabel. Gebruik, na het aansluiten van de besturing op het GX-apparaat, het scherm van de besturing en ga naar Parameters → Communicatie → RS485 → RS485 1 → Parameters, voer het master wachtwoord in (standaard is '2002') en stel de parameters als volgt in:
|
| |||||||||||||||||||||
![]() |
Instelling GX-apparaat Als het GX-apparaat en de aggregaat-besturing aangesloten zijn, verschijnt de besturing automatisch in de apparatenlijst. Als de Ethernet-methode gebruikt wordt en de besturing verschijnt niet, controleer dan de Modbus-instellingen op het GX-apparaat, Instellingen → Modbus TCP/UDP Apparaten, en zorg ervoor dat Automatisch zoeken is ingeschakeld (standaard instelling) of zoek ernaar; de besturing moet automatisch worden gedetecteerd en verschijnen in het submenu Ontdekte apparaten. Om dit betrouwbaar te doen werken, moet automatisch zoeken ingeschakeld blijven. Het netwerk wordt elke tien minuten doorzocht. Als het IP-adres wijzigt, wordt het apparaat opnieuw gevonden. Toch is het aan te raden om een statisch IP-adres toe te wijzen aan de controller om onverwacht communicatieverlies te voorkomen. |
1.10. Ondersteuning voor Fischer Panda aggregaat
1.10.1. Inleiding
Het GX-apparaat leest gegevens uit en verzendt deze naar het Fischer Panda-aggregaat via een VE.Can-verbinding met behulp van de Fischer Panda SAE J1939-module (vereist). Zowel AC- als DC-aggregaten worden ondersteund.
1.10.2. Vereisten
GX-apparaat met firmware v2.07 of later
Fischer Panda-aggregaat, xControl, iGenerator of pfControl GC
Fischer Panda SAE J1939 CAN-module (onderdeelnummer 0006107)
Fischer Panda FP-Bus tot VE.Can-adapter (onderdeelnummer 0023441)
Optioneel: FP-CAN tot NMEA2000 (FP Art. Nr. 0031409)
Fischer Panda firmwarevereisten:
iControl (voor de iGenerator): v2.17 of hoger
iControl-paneel: geen minimale vereiste
xControl (voor de constante snelheidaggregaten): 4V38 of hoger
xControl-paneel: 4V29
fpControl (voor AC- en DC-aggregaten): elke versie
fpControl-paneel: 4V29 of hoger
Fischer Panda SAE J1939 CAN-module: 2V05 of hoger
Fischer Panda 3-fasen module: 4V0b of hoger
Fischer Panda NMEA2000-interface: 2V11 of hoger
1.10.3. Installatie en instelling
Aansluiten van een Fischer Panda xControl-aggregaat
Het onderstaande schema laat zien hoe een Fischer Panda xControl aggregaat wordt aangesloten.
![]() |
Aansluiten van een Fischer Panda iControl-aggregaat
Het onderstaande schema laat zien hoe een Fischer Panda iControl aggregaat wordt aangesloten.
![]() |
Aansluiten van een Fischer Panda fpControl-aggregaat
Het onderstaande schema toont hoe aan te sluiten op een Fischer Panda fpControl aggregaat.
![]() |
1.10.4. Instelling en bewaking van GX-apparaat
Belangrijk
Belangrijk: bediening van het aggregaat is alleen mogelijk en toegestaan als het xControl- of het fpControl- of iControl-paneel ingeschakeld is.
Zorg ervoor dat bij Instellingen → Services het geselecteerde CAN-bus profiel "VE.Can & Lynx Ion BMS (250kbit/s)” is. Dit is de standaard en ondersteunt NMEA 2000. |
Als alle bedrading volledig is en de installatie juist uitgevoerd is, wordt de Fischer Panda getoond in de apparatenlijst: |
Het menu van het Fischer Panda-apparaat openen toont het volgende: Let op dat besturing een aan/uit-schakelaar heeft en statusinformatie en de belangrijkste AC-parameters weergeeft: spanning, stroom en vermogen. |
Motortemperatuur, toerental en aanvullende informatie zijn beschikbaar via het submenu-item Motor. |
1.10.5. Onderhoud
Stop het aggregaat altijd met het Fischer Panda-bedieningspaneel voordat er onderhoud wordt uitvoerd aan het aggregaat. Dit schakelt autostartfunctie uit, waardoor het aggregaat niet op afstand kan worden gestart, bijvoorbeeld door een Cerbo GX.
Schakel na het onderhoud de autostartfunctie weer in via het Fischer Panda bedieningspaneel in het menu Aggregaat → Autostart → Inschakelen/Uitschakelen.
1.11. Hatz fiPMG DC-aggregaat
1.11.1. Inleiding
Hoe werkt het?
Het Hatz fiPMG DC-aggregaat is een vliegwiel-geïntegreerd Permanent Magneet aggregaat (PMG) dat zich met variabele snelheid aanpast aan verschillende belastingsniveaus. Het aggregaat wordt aangedreven door een Hatz E1 dieselmotor met elektronisch geregelde injectie.
De voedingseenheid biedt instelbare uitgangsspanningen voor 28 Volt of 56 Voltsystemen en communicatie tussen PSU – ECU – Victron GX-apparaat volgens SAE J1939.
De dubbele CAN-omvormer heeft twee aparte CAN-poorten:
CAN poort 1: Verwerkt communicatie tussen de PSU (omvormer) en de ECU van de motor.
CAN poort 2: Beheert communicatie tussen het PSU en het GX-apparaat.
Ga voor meer informatie naar www.hatz.com waar toegang is tot alle elektrische schema's en extra eenheid-specifieke informatie.
1.11.2. Vereisten
GX-apparaat met firmware Venus OS v3.50 of later
Hatz fiPMG-aggregaat met Dubbele CAN PSU (omvormer) voor DC-uitgang in 28 V of 56 V
Kabel VE-CAN tot HATZ-CAN (beschikbaar voor aankoop van HATZ)
1.11.3. Installatie & Instellingen
Aansluiten van een Hatz fiPMG-aggregaat
Het onderstaande schema toont hoe het Hatz fiPMG DC-aggregaat aan te sluiten op het GX-apparaat.

Instelling GX-apparaat
Zorg ervoor dat in Instellingen → Diensten het geselecteerde CAN-bus profiel "VE.Can & Lynx Ion BMS (250kbit/s)” is. Dit is de standaard en ondersteunt NMEA 2000. Als het GX-apparaat en de aggregaat-besturing aangesloten zijn, verschijnt de bestruring automatisch in de apparatenlijst. |
1.11.4. Onderhoud
Raadpleeg voor onderhoudsinstructies de fiPMG-handleiding.
1.11.5. Problemen oplossen
PSU-lijst van foutcodes: Raadpleeg www.hatz.com (CAN protocol Eserie)
ECU-lijst van foutcodes: Raadpleeg www.hatz.com (Diagnostische foutcodes E-serie)
1.12. Aggregaatstatus en verbeterde bedrijfsurenuren via een digitale ingang
Voor een nauwkeurige motorstatus en een verbeterde opvolging van de geaccumuleerde bedrijfsuren op het GX-apparaat kan een extra signaalkabel met droog contact worden gebruikt.
Er zijn twee algemene bedradingsopties:
Gebruik een potentiaalvrije uitgang op de aggregaat-besturing (indien ondersteund) om de motorstatus te melden.
Via een AC-hulprelais op de AC-lijn van het aggregaat, dat een potentiaalvrij contact sluit zodra het aggregaat vermogen begint te leveren.
Ga, om deze functie in te schakelen, naar Instellingen → I/O → Digitale ingangen en stel de respectievelijke ingang als “Aggregaat” in. Als ingesteld is de status van het aggregaat zichtbaar in de Apparatenlijst en wordt de totale looptijd bepaald, gebaseerd op de status van deze digitale ingang. |
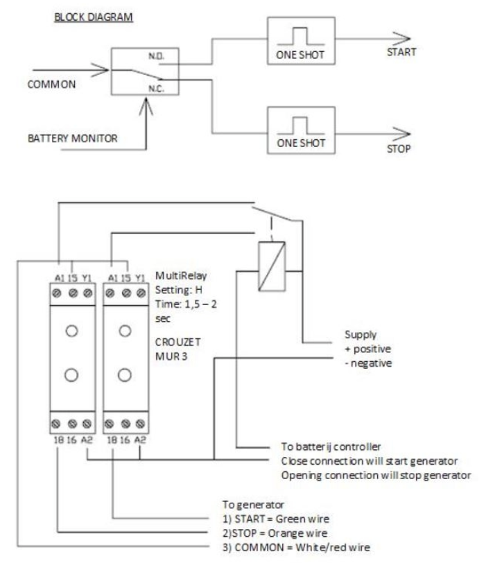
1.13. Bedraden van een aggregaat met een drieaderige interface
Om een aggregaat met een drieaderige-interface te starten, moet het open/dicht-contact worden omgezet in afzonderlijke start- en stoppulsen. De onderstaande oplossing, via standaard timing relais, bereikt dit door:
Genereren van een startpuls als het open/sluiten contact sluit.
Genereren van een stoppuls als het open/sluiten contact opent.
Belangrijk: Deze methode mag alleen worden gebruikt bij aggregaten die een eigen controlepaneel hebben voor bewaking en automatische uitschakeling bij problemen zoals lage oliedruk. Sluit dit niet rechtstreeks aan op de startmotor of de brandstofmagneetspoel.
![]() |
1.14. Bijlage
1.14.1. Modbus houdregisters voor de ComAp InteliLite 4 besturing
De volgende tabel vermeldt de vereiste ComAp Modbus-instelling. Naast de vermelde vasthoudregisters wordt spoel 4700 gebruikt om het aggregaat te starten en te stoppen.
Register(s) | Com. Voorw. | Naam | DIM | Type | Dec | Groep |
|---|---|---|---|---|---|---|
01004 | 10123 | RPM | rpm | int16 | 0 | Motor |
01006 | 9152 | T-koelmiddel | °C | int16 | 0 | Besturing I/O |
01008 | 9151 | P-Olie | bar | int16 | 1 | Regelaar I/O |
01013 - 01014 | 8206 | Uren in werking | h | int32 | 1 | Statistieken |
01020 | 8202 | Belasting P | kW | int16 | 0 | Belasting |
01021 | 8524 | Belasting P L1 | kW | int16 | 0 | Belasting |
01022 | 8525 | Belasting P L2 | kW | int16 | 0 | Belasting |
01023 | 8526 | Belasting P L3 | kW | int16 | 0 | Belasting |
01036 | 8210 | Aggregaatfrequentie | Hz | uint16 | 1 | Aggregaat |
01037 | 8192 | Aggregaatspanning L1-N | V | uint16 | 0 | Aggregaat |
01038 | 8193 | Aggregaatspanning L2-N | V | uint16 | 0 | Aggregaat |
01039 | 8194 | Aggregaatspanning L3-N | V | uint16 | 0 | Aggregaat |
01043 | 8198 | Belastingsstroom L1 | A | uint16 | 0 | Belasting |
01044 | 8199 | Belastingsstroom L2 | A | uint16 | 0 | Belasting |
01045 | 8200 | Belastingsstroom L3 | A | uint16 | 0 | Belasting |
01053 | 8213 | Accu volt | V | int16 | 1 | Besturing I/O |
01055 | 9153 | Brandstofniveau | % | int16 | 0 | Regelaar I/O |
01263 - 01264 | 8205 | Aggregaat kWh | kWh | int32 | 0 | Statistieken |
01298 | 9244 | Motorstatus | Stringlijst | Info | ||
01301 | 12944 | Aansluitingstype | Stringlijst | Info | ||
01307 - 01322 | 24501 | ID String | Lange string | Info | ||
01323 - 01330 | 24339 | FW-versie | Korte string | Info | ||
01382 | 9887 | Besturingmodus | stringlijst | Info | ||
03000 - 03007 | 8637 | Aggregaatnaam | Korte string | Basis instellingen/Naam | ||






