1. Démarrage/arrêt automatique du générateur GX
1.1. Introduction
L’intégration d’un générateur CA ou CC à un dispositif GX permet de bénéficier des fonctionnalités suivantes :
Caractéristiques générales :
Contrôle automatique du générateur : Démarrage et arrêt automatiques du générateur avec la fonctionnalité « Démarrage/arrêt automatique du générateur » en fonction des différentes conditions du système.
Contrôle manuel et programmation : Démarrage et arrêt manuels du générateur, avec la possibilité de programmer une période de fonctionnement.
Suivi de l’entretien : Surveillance des heures de fonctionnement et des intervalles d’entretien.
Durée de vie prolongée du groupe électrogène : Les fonctions intégrées de préchauffage et de refroidissement assurent une lubrification optimale avant l’application de la charge et évitent les arrêts soudains.
Pour les groupes électrogènes connectés :
Contrôle des performances : Visualisation des données de production CA ou CC.
Suivi des paramètres moteur : Surveillance de la pression, de la température, du régime, de la tension de la batterie de démarrage et du niveau du réservoir de carburant.
Alertes d’erreur : Notifications en cas d’erreurs système.
Prise en charge DVCC : Certains générateurs CC prennent en charge le contrôle de tension et de courant distribué (voir le chapitre DVCC - Contrôle de la tension et du courant distribués).
La surveillance et le contrôle sont disponibles non seulement sur le dispositif GX lui-même, mais aussi via le portail VRM et l’application HTML5 Marine MFD. Pour plus de détails, consultez les chapitres Portail VRM et Intégration du Marine MFD par l’application.
Des informations générales sur la planification d’un système Victron avec un générateur sont également disponibles dans la FAQ sur les générateurs MultiPlus.
1.2. Méthodes d’intégration
Deux options d’intégration sont disponibles :
Intégration commandée par relais : Un signal de démarrage/arrêt filaire sans potentiel est géré via le relais 1 du dispositif GX (voir section 17.2.7 pour le signal de démarrage/arrêt commandé par relais).
Intégration d’un groupe électrogène connecté : Si le générateur ou son contrôleur figure dans le tableau ci-dessous, la communication numérique est prise en charge pour la lecture et le contrôle via VE.Can, Ethernet ou RS485 (avec un convertisseur RS485-USB comme l’interface Victron RS485 vers USB).
Contrôleurs de générateurs CA compatibles pour l’intégration de groupes électrogènes connectés
Fabricant | Modèle | Type de connexion | Remarques |
|---|---|---|---|
ComAp | InteliLite 4 AMF 25 InteliLite 4 AMF 20 InteliLite 4 AMF 9 InteliLite 4 AMF 8 InteliLite 4 MRS 16 | Ethernet | |
CRE Technology | Compact AMF Gensys Compact Prime Gensys Compact Mains | Ethernet | |
Deep Sea Electronics | DSE4620 | Ethernet ou RS485 | Pour Ethernet : Voir 1) Pour RS485 : Voir 2) et 3) |
DSE6120 | |||
DSE4510 MKII | |||
DSE4520 MKII | |||
DSE6110 MKII | |||
DSE6120 MKII | |||
DSE7310 MKII | Pour Ethernet : Voir 1) Pour RS485 : Voir 3) | ||
DSE 7410 MKII | Pour RS485 : Voir 4) | ||
DSE 7420 MKII | |||
DSE8610 MKII | |||
DSE8620 MKII | |||
DSE8660 MKII | |||
DEIF | Générateur AGC 150 | Ethernet ou RS485 | Pour RS485 : Voir 4) |
AGC 150 Hybrid | |||
AGC 150 PMS Lite | |||
Fischer Panda | xControl | VE.Can | |
iGenerator | |||
fpControl | |||
1) Ce modèle ne prend pas en charge la connectivité Ethernet. Par conséquent, le dispositif de communication USB-Ethernet Deep Sea Electronics DSE855, ou une autre passerelle DSE compatible Ethernet, est requise. 2) Ce modèle ne prend pas en charge la connectivité RS485. Par conséquent, le dispositif de communication USB-RS485 Deep Sea Electronics DSE857, ou une autre passerelle DSE compatible RS485, est requise. 3) Le convertisseur USB vers RS485 isolé USB485-STIXL de Hjelmslund Electronics est requis (https://hjelmslund.eu/) 4) Ce modèle comprend un port RS485 isolé intégré ; cependant, l’interface Victron RS485 vers USB est requise. | |||
Contrôleurs de générateurs CC compatibles pour l’intégration de groupes électrogènes connectés
Fabricant | Modèle | Type de connexion | Remarques |
|---|---|---|---|
Fischer Panda | fpControl | VE.Can | |
Hatz | fiPMG | VE.Can | Prend en charge la commande de tension DVCC |
Important
Le dispositif GX ne prend en charge qu’un seul contrôleur de groupe électrogène connecté. Lors d’une intégration via Ethernet, assurez-vous qu’un seul contrôleur de groupe électrogène soit accessible au dispositif GX.
1.2.1. Signal de démarrage/arrêt commandé par relais
La plupart des générateurs prennent en charge un signal de démarrage/arrêt externe, généralement via un contact sans potentiel. La fermeture du contact démarre le générateur, tandis que son ouverture l’arrête.
Certains générateurs nécessitent des signaux pulsés plutôt qu’une connexion continue. Dans ce cas, des relais de temporisation supplémentaires peuvent être nécessaires (voir ci-dessous). Consultez toujours le manuel du générateur ou le fournisseur pour obtenir des détails sur la configuration du fil de signal de démarrage à distance.
Sur le dispositif GX, le relais 1 doit être utilisé pour contrôler le générateur. Après avoir câblé l’entrée du générateur au relais 1, accédez à Paramètres → Relais → Options de fonction → Démarrage/arrêt du générateur. Une fois que le relais 1 est configuré sur « Démarrage/arrêt du générateur », les paramètres correspondants seront accessibles via Paramètres → Démarrage/arrêt du générateur. |
1.3. Menu démarrage/arrêt du générateur
Il s’agit de la page de vue d’ensemble de la fonction de démarrage/arrêt du générateur. Cette page permet de surveiller l’état du générateur, visualiser l’état des erreurs, accéder au temps de fonctionnement et à l’entretien et effectuer les réglages nécessaires.
Pour les groupes électrogènes connectés, l’aperçu apparaît dans la liste des appareils.
Pour les groupes électrogènes commandés par relais, la page d’aperçu est située dans Paramètres → Démarrage/arrêt du générateur.
Les différentes options du menu ont les fonctions suivantes :
| |
(*) Uniquement applicable aux groupes électrogènes connectés. (*2) Uniquement applicable aux groupes électrogènes CC connectés. | |
1.4. Menu de configuration
Dans le menu Démarrage/arrêt du générateur, faites défiler vers le bas et appuyez sur Paramètres pour afficher le menu Paramètres.
|
1.4.1. Alarme lorsque la fonction de démarrage automatique est désactivée
Si cette option est activée, une alarme se déclenche si la fonction de démarrage automatique reste désactivée plus de 10 minutes. Cette fonction est particulièrement utile lorsque le générateur vient d’être entretenu et que le technicien a oublié de remettre le générateur en mode de démarrage automatique. Le but de cette fonction est de vous avertir lorsque vous avez oublié de réactiver la fonctionnalité de démarrage automatique. Pour les groupes électrogènes à connexion numérique, tels que DSE, ComAp et Fischer Panda, il s’agit de vérifier que les démarrages à distance sont activés sur le panneau du groupe électrogène. Deux alarmes peuvent être déclenchées :
|
1.4.2. Menu Temps de fonctionnement et intervalle d’entretien
Chaque générateur nécessite un entretien après une certaine durée de fonctionnement. L’intervalle recommandé dépend de l’usage et du temps de fonctionnement. Cet intervalle de temps peut être défini via ce menu, qui démarre alors un compteur qui génère un avertissement pour indiquer l’entretien nécessaire lorsqu’il arrive à échéance. Détail des options du menu :
|
1.4.3. Menu de réchauffement et de refroidissement
Le menu de réchauffement et de refroidissement permet de configurer la durée nécessaire au générateur pour se réchauffer ou se refroidir via la commande de relais lorsque le relais d’entrée CA est ouvert et que le convertisseur/chargeur n’y est pas connecté.
Ce même menu est également utilisé pour les groupes électrogènes à connexion numérique (par exemple, via Modbus), où le relais GX n’est pas utilisé.
Remarque : cette fonctionnalité nécessite le micrologiciel VE.Bus du convertisseur/chargeur version 502 ou ultérieure.
Temps de préchauffage :
Temps de refroidissement :
Temps d’arrêt du générateur :
|
1.5. Conditions de démarrage/arrêt automatique
En cas de perte de communication : si la communication entre le et le convertisseur/chargeur VE.Bus est interrompue et que des paramètres de démarrage/arrêt du générateur en dépendent, choisissez l’une des actions suivantes :
Arrêter le générateur lorsque l’entrée CA est disponible : cette option est utile pour les systèmes de secours dans lesquels un Quattro comporte une alimentation secteur/réseau connectée à sa borne AC-in 1 ou AC-in 2, et un groupe électrogène connecté à l’autre entrée CA. Si cette option est activée, le groupe électrogène ne s’arrêtera pas jusqu’à ce que la tension du réseau soit rétablie après une panne du secteur. |
Les paramètres suivants peuvent être définis par l’utilisateur pour déclencher un démarrage/arrêt automatique du générateur :
(* La valeur mesurée ici sera la consommation CA totale du système.)
Les paramètres des conditions sont hiérarchisés dans l’ordre indiqué ci-dessus. Si plusieurs conditions sont remplies simultanément, seule la condition ayant la priorité la plus élevée sera affichée comme active. Toutes les conditions activées sont évaluées, même si le générateur est déjà en fonctionnement. Une fois que la condition active est satisfaite, un paramètre non rempli d’une condition de priorité inférieure peut maintenir le générateur en marche.
1.5.1. Arrêter le générateur lorsque l’entrée CA est disponible
Cette option est idéale pour les systèmes de secours dans lesquels un Quattro a une entrée CA connectée au secteur et l’autre à un générateur.
Lorsqu’elle est activée et que l’entrée CA connectée au réseau est définie, le générateur s’arrêtera automatiquement une fois l’alimentation secteur rétablie après une panne. Le processus suit les étapes ci-après :
Le générateur est d’abord déconnecté.
Une période de refroidissement est appliquée, selon le paramètre configuré.
Un délai supplémentaire de 15 secondes est accordé pour assurer l’arrêt complet du générateur.
|
1.5.2. Démarrage/arrêt basé sur l’état de charge de la batterie
Cette fonctionnalité permet de contrôler le générateur en fonction du niveau de charge (SoC) de la batterie.
|
1.5.3. Démarrage/arrêt basé sur le courant de la batterie
Cette fonctionnalité permet de contrôler le générateur en fonction du niveau de courant de la batterie.
|
1.5.4. Démarrage/arrêt basé sur la tension de la batterie
Cette fonctionnalité permet de contrôler le générateur en fonction du niveau de tension de la batterie.
|
1.5.5. Démarrage/arrêt basé sur la charge CA
Les déclenchements du relais dus à la charge CA fonctionnent de manière semblable à celle des autres facteurs de déclenchements, mais la fonction est améliorée par un paramètre intitulé Mesure. Le paramètre Mesure est disponible sur les produits avec un micrologiciel v2.0 ou de version ultérieure, et il présente trois valeurs possibles :
|
1.5.6. Démarrage/arrêt basé sur la température élevée du convertisseur
Cette fonctionnalité permet de contrôler le générateur en fonction des avertissements de température du convertisseur.
|
1.5.7. Démarrage/arrêt basé sur la surcharge du convertisseur
Cette fonctionnalité permet d’activer le générateur en réponse à un avertissement de surcharge du convertisseur
|
1.5.8. Exécution périodique
Cette fonctionnalité permet de programmer des démarrages automatiques à intervalles réguliers.
|
1.5.9. Fonction de démarrage manuel
La fonction de démarrage manuel permet de démarrer le générateur à distance. Si le générateur est déjà en marche, l’activation du démarrage manuel empêche l’arrêt automatique lorsque la condition qui l’a déclenché est satisfaite. En d’autres termes, la fonction de démarrage manuel ignore les paramètres d’arrêt automatique.
Méthodes pour démarrer le générateur manuellement :
AttentionSi le générateur est démarré manuellement (à distance) sans minuteur d’arrêt (fonction d’exécution programmée), il fonctionnera indéfiniment jusqu’à ce qu’il soit arrêté manuellement.
|
1.5.10. Heures calmes
La fonctionnalité heures calmes permet de définir une période pendant laquelle le bruit du générateur serait gênant. Pendant cette période, le générateur ne démarrera que si absolument nécessaire, en utilisant des conditions de démarrage automatique ajustées.
Comment activer les heures calmes
Remarque : si les heures de début et de fin sont identiques, les heures calmes resteront actives indéfiniment une fois activées. |
Utilisez la fonction « Heures calmes » comme un outil permettant de définir deux ensembles de préférences utilisateur.
La fonction Heures calmes peut également être utilisée pour ajuster le comportement du système en fonction de différentes conditions. Par exemple :
Tôt le matin/faible état de charge : l’état de charge de la batterie est souvent au plus bas le matin. Si l’on ajoute à cela un temps nuageux ou des panneaux orientés vers l’ouest, qui ont tendance à mieux fonctionner l’après-midi, on obtient une situation dans laquelle le générateur peut démarrer automatiquement le matin en raison d’un état de charge faible, mais où, plus tard, lorsque la production solaire augmente, le générateur peut devenir inutile. En définissant les heures calmes pour cette période avec des seuils de démarrage plus bas, vous pouvez éviter les démarrages prématurés et mieux utiliser l’énergie solaire disponible.
Maison de vacances : dans une maison de vacances, la demande d’électricité est beaucoup plus élevée lorsqu’elle est occupée que lorsqu’elle est vide. La fonction heures calmes peut être utilisée pour appliquer des seuils de démarrage plus bas lorsque la maison est occupée et des seuils plus élevés lorsqu’elle est vide.
Mise en œuvre :
Définissez les heures calmes comme une condition permanente (voir ci-dessus) lorsque la maison est occupée.
Désactivez-les lorsque la maison est vide pour permettre un fonctionnement normal du générateur.
1.6. Contrôleur ComAp
1.6.1. Introduction
Comment ça marche ?
Le dispositif GX communique (lecture/envoi) avec le panneau InteliLite 4 via Modbus TCP sur Ethernet, en utilisant le module ComAp CM3-Ethernet (requis) comme interface de communication. Il est nécessaire de reconfigurer les registres Modbus à l’aide du logiciel InteliConfig.
Une vue d’ensemble de tous les registres Modbus utilisés et de leurs mappages requis est disponible dans l’annexe : Registres de maintien Modbus pour le contrôleur ComAp InteliLite 4
Après application du mappage, le dispositif GX détecte automatiquement la présence d’un contrôleur ComAp InteliLite 4 en utilisant la chaîne d’identification située dans le registre Modbus 1307. Il reconnaîtra tous les modules dont le nom commence par « InteliLite4- ». Cette chaîne d’identification apparaît également dans la barre de titre de la fenêtre InteliConfig.

1.6.2. Configuration requise
Dispositif GX avec VenusOS v3.42 ou version ultérieure
Contrôleur ComAp pris en charge
Module CM3-Ethernet (référence ComAp : CM3ETHERXBX)
Il est également possible qu’il fonctionne avec le module CM-Ethernet standard (référence ComAp : CM2ETHERXBX), mais il n’a pas été testé.
Équipement réseau Ethernet
1.6.3. Installation et configuration
L’installation et la configuration se font en quelques étapes seulement. Il vous suffit d’activer le serveur Modbus dans votre module CM3-Ethernet. Cette opération peut être effectuée à partir du panneau de commande ou à l’aide du logiciel du contrôleur, InteliConfig, qui peut être téléchargé sur le site web de ComAp.
Aucune autre configuration du module CM3-Ethernet de ComAp n’est nécessaire.
Les registres Modbus doivent être ajustés à l'aide du logiciel InteliConfig en fonction de la liste des registres décrite dans Registres de maintien Modbus pour le contrôleur ComAp InteliLite 4.
Configuration du contrôleur ComAp
La procédure suivante décrit les étapes pour configurer le contrôleur à l’aide du logiciel InteliConfig. Assurez-vous d’avoir la dernière version du logiciel et d’être connecté au contrôleur :
Vérification des unités et du format de puissance :
Sélectionnez l’onglet Configuration du contrôleur.
Choisissez Autres.
Sélectionnez Unités/Format de puissance.
Assurez-vous que l’option Unités est réglée sur « Métrique - 20 °C, 10,0 bar, 11,4 l/h » et que l’option Format de puissance est réglée sur « Standard 1 kW/kVA/kVAr 1 V ».

Reconfiguration des registres Modbus :
Dans la même fenêtre, sélectionnez MODBUS.
Téléchargez le fichier de mappage Modbus pour Victron Energy : Mappage GX ComAp InteliLite
En bas de la fenêtre, sous Importer/Exporter, cliquez sur l’icône Importer (à droite).
Sélectionnez le fichier de mappage téléchargé et cliquez sur OK.
En bas à droite, cliquez sur Écrire pour enregistrer la configuration dans le contrôleur.
Le fichier UMOD de mappage ComAp Modbus contient les registres Modbus requis par le dispositif GX. Un format lisible par un humain de ce mappage est également disponible dans l’annexe : Registres de maintien Modbus pour le contrôleur ComAp InteliLite 4.


Activation du serveur Modbus du contrôleur
Sélectionnez l’onglet Point de consigne.
Dans le menu suivant, sélectionnez le module CM-Ethernet.
Activez le serveur Modbus.

Configuration du dispositif GX
Une fois le dispositif GX et le contrôleur du groupe électrogène connectés au même réseau, le contrôleur apparaîtra automatiquement dans la liste des appareils. L’image ci-dessous montre un exemple de contrôleur de générateur DSE. S’il ne s’affiche pas, vérifiez les paramètres Modbus du dispositif GX en accédant à Paramètres → Appareils Modbus TCP/UDP. Assurez-vous que la recherche automatique est activée (paramètre par défaut) ou recherchez-le manuellement ; il devrait être automatiquement détecté et apparaître dans le sous-menu Appareils découverts. Pour que le fonctionnement soit fiable, la recherche automatique doit rester activée. Le réseau est analysé toutes les dix minutes. Si l’adresse IP change, l’appareil sera à nouveau détecté. Cependant, il est recommandé d’attribuer une adresse IP statique pour éviter toute perte de communication inattendue. |
1.7. Contrôleur CRE Technology
1.7.1. Introduction
Comment ça marche ?
Le dispositif GX communique avec le contrôleur CRE en lisant et en envoyant des données conformément à la spécification Modbus TCP du contrôleur, en utilisant la connectivité Ethernet du contrôleur CRE.
En utilisant les valeurs d’identification récupérées via Modbus, le dispositif GX détecte automatiquement la présence du contrôleur.
1.7.2. Configuration requise
Dispositif GX avec VenusOS v3.50 ou version ultérieure
Contrôleur CRE pris en charge avec micrologiciel v2.0 ou version ultérieure
Équipement réseau Ethernet
1.7.3. Installation et configuration
Exigences préalables
Le contrôleur CRE permet de modifier les unités de pression et de température. Cependant, le dispositif GX s’attend à ce que la pression d’huile soit configurée en bar, et les températures en °C. Assurez-vous que ces unités sont correctement définies.
Configuration du dispositif GX
Une fois le dispositif GX et le contrôleur du groupe électrogène connectés au même réseau, le contrôleur apparaîtra automatiquement dans la liste des appareils. L’image ci-dessous montre un exemple de contrôleur de générateur DSE. S’il ne s’affiche pas, vérifiez les paramètres Modbus du dispositif GX en accédant à Paramètres → Appareils Modbus TCP/UDP. Assurez-vous que la recherche automatique est activée (paramètre par défaut) ou recherchez-le manuellement ; il devrait être automatiquement détecté et apparaître dans le sous-menu Appareils découverts. Pour que le fonctionnement soit fiable, la recherche automatique doit rester activée. Le réseau est analysé toutes les dix minutes. Si l’adresse IP change, l’appareil sera à nouveau détecté. Cependant, il est recommandé d’attribuer une adresse IP statique pour éviter toute perte de communication inattendue. |
1.8. Prise en charge des contrôleurs de groupe électrogène DSE - Deep Sea
1.8.1. Introduction
En intégrant un contrôleur de groupe électrogène Deep Sea Electronics (DSE) à un dispositif GX, il est possible de lire les données CA, la pression d’huile, la température du liquide de refroidissement, le niveau des réservoirs, le nombre de démarrages du moteur et d’autres données d’état. En outre, il prend en charge la signalisation numérique de démarrage/arrêt à partir du dispositif GX.
Comment ça marche ?
Le dispositif GX communique avec le contrôleur Deep Sea Electronics (DSE) en lisant et en envoyant des données via la spécification Modbus « GenComm » de DSE. Cette communication s’effectue soit via la connexion Ethernet du contrôleur DSE lui-même, soit, pour les contrôleurs sans interface Ethernet, via le dispositif de communication USB vers Ethernet DSE855 de Deep Sea Electronics ou une autre passerelle DSE compatible Ethernet qui prend en charge Modbus TCP.
En utilisant les valeurs d’identification obtenues via Modbus, le dispositif GX détecte automatiquement la présence du contrôleur.
1.8.2. Configuration requise
Dispositif GX avec VenusOS v3.12 ou version ultérieure
Contrôleur DSE pris en charge
Pour les modèles offrant uniquement une connectivité USB, un DSE855 de Deep Sea Electronics (ou un périphérique similaire) est nécessaire.
Équipement réseau Ethernet
Cas particulier : DSE 4520 MKII (Venus OS v3.50 ou version ultérieure)
Contrairement aux autres contrôleurs DSE pris en charge, le DSE 4520 MKII n’accepte pas les commandes via communication numérique. Un signal de commande filaire doit donc être utilisé via la fonction « Relais d’aide du groupe électrogène connecté ». Vous trouverez plus d’informations à la section ???.
1.8.3. Installation et configuration
Configuration du dispositif GX
Une fois que le dispositif GX et le contrôleur du groupe électrogène sont connectés au même réseau, ce dernier apparaîtra automatiquement dans la liste des appareils. S’il ne s’affiche pas, vérifiez les paramètres Modbus du dispositif GX en accédant à Paramètres → Appareils Modbus TCP/UDP. Assurez-vous que la recherche automatique est activée (paramètre par défaut) ou recherchez-le manuellement ; il devrait être automatiquement détecté et apparaître dans le sous-menu Appareils découverts. Pour que le fonctionnement soit fiable, la recherche automatique doit rester activée. Le réseau est analysé toutes les dix minutes. Si l’adresse IP change, l’appareil sera à nouveau détecté. Cependant, il est recommandé d’attribuer une adresse IP statique pour éviter toute perte de communication inattendue. |
Relais d’aide du groupe électrogène connecté
À partir de VenusOS v3.50, une nouvelle fonctionnalité est disponible pour le relais 1 sur le dispositif GX : Relais d’aide du groupe électrogène connecté.
Cette fonction permet au relais 1 de fonctionner en parallèle avec les commandes numériques d’un DSE 4520 MKII connecté. Le relais 1 reste ouvert lorsque le groupe électrogène est arrêté et se ferme dès qu’une commande de démarrage est envoyée
Cette fonction est utile pour
Pour les instructions de câblage, voir Signal de démarrage/arrêt commandé par relais |
1.9. Contrôleur DEIF
1.9.1. Introduction
Comment ça marche ?
Le dispositif GX lit et envoie des données au contrôleur DEIF via la spécification Modbus du contrôleur, en utilisant la connexion Ethernet ou le port RS485 1 du contrôleur DEIF. En utilisant les valeurs d’identification récupérées via Modbus, le dispositif GX détecte automatiquement la présence du contrôleur.
1.9.2. Configuration requise
Dispositif GX avec Venus OS v3.50 ou version ultérieure
Contrôleur DEIF AGC 150 pris en charge avec micrologiciel v1.19.0 (mai 2024) ou version ultérieure
Pour une intégration via Ethernet : Équipement réseau Ethernet
Pour une intégration via RS485 : Interface Victron Energy RS485 vers USB (référence ASS030572050 ou ASS030572018)
1.9.3. Installation et configuration
Réglage du paramètre de mise à l’échelle correct Actuellement, seule la valeur par défaut du paramètre « Mise à l’échelle » du contrôleur est prise en charge (Canal 9030, valeur 100 à 25000 V). Avant la connexion, assurez-vous que ce paramètre est correct. Ce paramètre est disponible via l’affichage du contrôleur dans Paramètres → Paramètres de base → Configuration des mesures → Mise à l’échelle → Mise à l’échelle. Pour effectuer des modifications, saisissez le mot de passe maître (par défaut : 2002) et réglez la valeur sur la plage par défaut de 100 à 25000 V. | ![]() |
Pour une connexion Ethernet Utilisez le port Ethernet du contrôleur DEIF pour le connecter au même réseau Ethernet que le dispositif GX. |
Pour une connexion RS485 Le contrôleur DEIF AGC 150 comporte deux ports RS485, le port 1 étant isolé galvaniquement. L’isolation galvanique permet d’éviter les boucles de masse, qui risquent d’endommager les appareils en raison de courants indésirables. Par conséquent, seul le port 1 doit être utilisé, comme expliqué dans le tableau. Après avoir connecté le contrôleur au dispositif GX, utilisez l’écran du contrôleur et accédez à Paramètres → Communication → RS485 → RS485 1 → Paramètres, saisissez le mot de passe maître (par défaut « 2002 ») et réglez les paramètres comme suit :
|
| |||||||||||||||||||||
![]() |
Configuration du dispositif GX Une fois le dispositif GX et le contrôleur du groupe électrogène connectés, le contrôleur apparaîtra automatiquement dans la liste des appareils. Si vous utilisez la méthode Ethernet et qu’il ne s’affiche pas, vérifiez les paramètres Modbus sur le dispositif GX dans Paramètres → Appareils Modbus TCP/UDP, et assurez-vous que la recherche automatique est activée (paramètre par défaut) ou recherchez-le manuellement ; il devrait être automatiquement détecté et apparaître dans le sous-menu Appareils découverts. Pour que le fonctionnement soit fiable, la recherche automatique doit rester activée. Le réseau est analysé toutes les dix minutes. Si l’adresse IP change, l’appareil sera à nouveau détecté. Cependant, il est recommandé d’attribuer une adresse IP statique pour éviter toute perte de communication inattendue. |
1.10. Assistance pour générateur Fischer Panda
1.10.1. Introduction
Le dispositif GX lit et envoie des données au générateur Fischer Panda via une connexion VE.Can, en utilisant le module Fischer Panda SAE J1939 (requis). Les générateurs CA et CC sont pris en charge.
1.10.2. Configuration requise
Dispositif GX avec micrologiciel v2.07 ou version ultérieure
Générateur Fischer Panda, xControl, iGenerator ou pfControl GC
Module CAN Fischer Panda SAE J1939 (référence 0006107)
Adaptateur Fischer Panda FP-Bus vers VE.Can (référence 0023441)
En option : FP-CAN vers NMEA 2000 (réf. FP n° 0031409)
Exigences relatives au micrologiciel Fischer Panda :
iControl (pour l’iGenerator) : v2.17 ou version ultérieure
Panneau iControl : aucune exigence minimale
xControl (pour les générateurs à vitesse constante) : 4V38 ou version ultérieure
Panneau xControl : 4V29
fpControl (pour les générateurs CA et CC): n’importe quelle version
Panneau fpControl : 4V29 ou version ultérieure
Module CAN Fischer Panda SAE J1939 : 2V05 ou version ultérieure
Module triphasé Fischer Panda : 4V0b ou version ultérieure
Interface NMEA 2000 Fischer Panda : 2V11 ou version ultérieure
1.10.3. Installation et configuration
Connexion d’un générateur Fischer Panda xControl
Le schéma ci-dessous indique comment connecter un générateur Fischer Panda xControl.
![]() |
Connexion d’un générateur Fischer Panda iControl
Le schéma ci-dessous indique comment connecter un générateur Fischer Panda iControl.
![]() |
Connexion d’un générateur Fischer Panda fpControl
Le schéma ci-dessous montre comment connecter un générateur Fischer Panda fpControl.
![]() |
1.10.4. Configuration et surveillance du dispositif GX
Important
Important : le fonctionnement du générateur n’est possible et autorisé que lorsque le xControl ou le panneau fpControl ou iControl est allumé.
Assurez-vous que le profil CAN-bus « VE.Can & Lynx Ion BMS (250 kbit/s) » est sélectionné dans Paramètres → Services. Il s’agit du profil par défaut et il prend en charge NMEA 2000. |
Lorsque tout le câblage est terminé et que la configuration a été correctement effectuée, le Fischer Panda apparaît dans la liste des appareils : |
Si vous accédez à l’appareil Fischer Panda dans le menu, vous verrez apparaître une page comme celle-ci : Vous remarquerez qu’elle comporte un interrupteur marche/arrêt et qu’elle affiche des informations sur l’état de l’appareil, ainsi que les principaux paramètres CA : tension, courant et puissance. |
La température du moteur, le régime et d’autres informations sont disponibles dans le sous-menu Moteur. |
1.10.5. Maintenance
Avant toute intervention sur le générateur, arrêtez-le à l’aide du panneau de commande Fischer Panda. Cela désactivera la fonction de démarrage automatique, empêchant le générateur d’être démarré à distance, par exemple par un Cerbo GX.
Une fois la maintenance terminée, réactivez la fonction de démarrage automatique via le panneau de contrôle Fischer Panda dans le menu Générateur → Démarrage automatique → Activer/désactiver.
1.11. Générateur CC Hatz fiPMG
1.11.1. Introduction
Comment ça marche ?
Le générateur CC Hatz fiPMG est un générateur à aimant permanent (PMG) intégré au volant d’inertie, qui s’ajuste aux niveaux de charge variables grâce à une vitesse variable. Il est alimenté par un moteur diesel Hatz E1 avec injection contrôlée électroniquement.
L’alimentation électrique fournit des tensions de sortie ajustables pour des systèmes 28 V ou 56 V et permet la communication entre l’alimentation, l’unité de contrôle du moteur et le dispositif GX Victron, selon la norme SAE J1939.
Le double convertisseur CAN possède deux ports CAN séparés :
Port CAN 1 : gère la communication entre l’alimentation (convertisseur) et l’unité de contrôle du moteur.
Port CAN 2 : gère la communication entre l’alimentation et le dispositif GX.
Pour plus de détails, rendez-vous sur www.hatz.com, où vous pourrez accéder à tous les schémas électriques et à d’autres informations spécifiques à l’unité.
1.11.2. Configuration requise
Dispositif GX avec micrologiciel Venus OS v3.50 ou version ultérieure
Générateur Hatz fiPMG avec double alimentation CAN (convertisseur) pour une sortie CC en 28 V ou 56 V
Câble VE-CAN vers HATZ-CAN (disponible à l’achat auprès de HATZ)
1.11.3. Installation et configuration
Connexion d’un générateur Hatz fiPMG
Le schéma ci-dessous montre comment connecter le générateur CC Hatz fiPMG au dispositif GX.

Configuration du dispositif GX
Assurez-vous que le profil CAN-bus « VE.Can & Lynx Ion BMS (250 kbit/s) » est sélectionné dans Paramètres → Services. Il s’agit du profil par défaut et il prend en charge NMEA 2000. Une fois le dispositif GX et le contrôleur du groupe électrogène connectés, le contrôleur apparaîtra automatiquement dans la liste des appareils. |
1.11.4. Maintenance
Pour les instructions de maintenance, consultez le manuel Hatz fiPMG.
1.11.5. Dépannage
Liste des codes d’erreur de l’alimentation : Consultez www.hatz.com (protocole CAN série E)
Liste des codes d’erreur de l’unité de contrôle du moteur : Consultez www.hatz.com (codes de diagnostic de panne série E)
1.12. État du générateur et amélioration du suivi des heures de fonctionnement via une entrée numérique
Pour un suivi précis de l’état du moteur et des heures de fonctionnement cumulées sur le dispositif GX, un fil de signal à contact sec supplémentaire peut être utilisé.
Deux options de câblage courantes existent :
Utilisation d’une sortie sans potentiel sur le contrôleur du groupe électrogène (si pris en charge) pour signaler l’état du moteur.
Utilisation d’un relais auxiliaire CA sur la ligne CA du générateur, qui ferme un contact sans potentiel dès que le groupe électrogène commence à fournir de l’énergie.
Pour activer cette fonctionnalité, accédez à Paramètres → E/S → Entrées numériques et réglez l’entrée concernée sur « Générateur ». Une fois configurée, l’état du générateur sera visible dans la liste des appareils, et le temps total de fonctionnement sera déterminé en fonction de l’état de cette entrée numérique. |
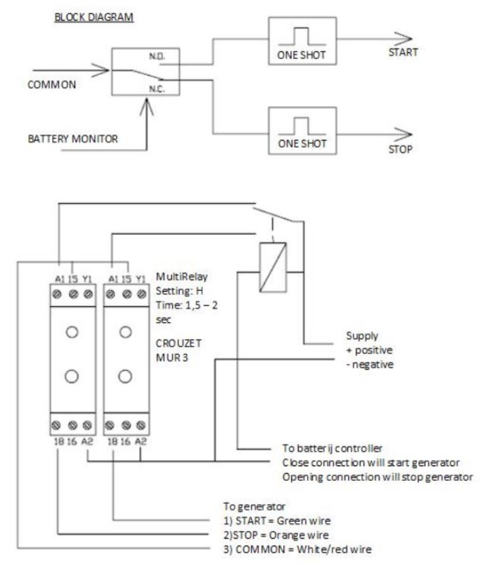
1.13. Câblage d’un générateur avec une interface à trois fils
Pour démarrer un générateur équipé d’une interface à trois fils, le contact ouvert/fermé doit être converti en impulsions de démarrage et d’arrêt distinctes. Une solution basée sur des relais temporisés standard permet d’obtenir ce résultat en :
Générant une impulsion de démarrage lorsque le contact se ferme.
Générant une impulsion d’arrêt lorsque le contact s’ouvre.
Important : Cette méthode doit uniquement être utilisée avec des générateurs dotés d’un panneau de contrôle intégré. Le panneau doit gérer l’arrêt automatique en cas de faible pression d’huile ou d’autres défaillances. Ne connectez jamais directement ces signaux au démarreur ou à l’électrovanne de carburant.
![]() |
1.14. Annexe
1.14.1. Registres de maintien Modbus pour le contrôleur ComAp InteliLite 4
Le tableau suivant présente la configuration Modbus requise pour les contrôleurs ComAp. En plus des registres de maintien listés, la bobine 4700 est utilisée pour démarrer et arrêter le groupe électrogène.
Registre(s) | Com. Obj. | Nom | DIM | Type | Dec | Groupe |
|---|---|---|---|---|---|---|
01004 | 10123 | tr/min | rpm | int16 | 0 | Moteur |
01006 | 9152 | T-Liquide de refroidissement | °C | int16 | 0 | E/S contrôleur |
01008 | 9151 | P-Huile | bar | int16 | 1 | E/S contrôleur |
01013 - 01014 | 8206 | Heures de fonctionnement | h | int32 | 1 | Statistiques |
01020 | 8202 | Charge P | kW | int16 | 0 | Charge |
01021 | 8524 | Charge P L1 | kW | int16 | 0 | Charge |
01022 | 8525 | Charge P L2 | kW | int16 | 0 | Charge |
01023 | 8526 | Charge P L3 | kW | int16 | 0 | Charge |
01036 | 8210 | Fréquence du générateur | Hz | uint16 | 1 | Générateur |
01037 | 8192 | Tension du générateur L1-N | V | uint16 | 0 | Générateur |
01038 | 8193 | Tension du générateur L2-N | V | uint16 | 0 | Générateur |
01039 | 8194 | Tension du générateur L3-N | V | uint16 | 0 | Générateur |
01043 | 8198 | Courant de la charge L1 | A | uint16 | 0 | Charge |
01044 | 8199 | Courant de la charge L2 | A | uint16 | 0 | Charge |
01045 | 8200 | Courant de la charge L3 | A | uint16 | 0 | Charge |
01053 | 8213 | Volts de la batterie | V | int16 | 1 | E/S contrôleur |
01055 | 9153 | Niveau de carburant | % | int16 | 0 | E/S contrôleur |
01263 - 01264 | 8205 | kWh Groupe électrogène | kWh | int32 | 0 | Statistiques |
01298 | 9244 | État du moteur | Liste de chaînes | Info | ||
01301 | 12944 | Type de connexion | Liste de chaînes | Info | ||
01307 - 01322 | 24501 | Chaîne d'ID | Chaîne longue | Info | ||
01323 - 01330 | 24339 | Version FW | Chaîne courte | Info | ||
01382 | 9887 | Mode contrôleur | Liste de chaînes | Info | ||
03000 - 03007 | 8637 | Nom du groupe électrogène | Chaîne courte | Paramètres de base / Nom | ||






