1. GX - Arranque/parada automático del generador
1.1. Introducción
Al integrar un generador CA o CC con un dispositivo GX, se puede acceder a las siguientes funciones:
Funciones generales:
- Control automático del generador: Arranque y detenga el generador de forma automática con la función “Arranque/parada automático del generador” según distintas condiciones del sistema. 
- Control manual y programación: Arranque y detenga el generador manualmente, con la opción de programar un periodo de funcionamiento. 
- Seguimiento del mantenimiento: Monitorice las horas de funcionamiento y los intervalos de servicio. 
- Prolongación del ciclo de vida del generador: Las funciones integradas de calentamiento y enfriamiento garantizan una adecuada lubricación previa a la aplicación de la carga y evitan desconexiones repentinas. 
Para generadores conectados:
- Monitorización del rendimiento: Ver datos de producción CA o CC. 
- Seguimiento de parámetros del motor: Monitorice presión, temperatura, RPM, tensión de la batería de arranque y niveles del depósito de combustible. 
- Alertas de error: Reciba notificaciones sobre errores del sistema. 
- Compatibilidad con DVCC: Ciertos generadores CC admiten control de tensión y corriente distribuido (véase el capítulo Control de corriente y tensión distribuido (DVCC)). 
Se puede monitorizar y controlar no solo en el mismo dispositivo GX, sino también mediante el portal VRM y la aplicación Marine MFD HTML5. Para más información, véanse los capítulos Portal VRM y Integración de pantalla multifuncional marina mediante aplicación.
Puede obtener más información general sobre la planificación de un sistema Victron con un generador en las Preguntas frecuentes sobre el generador MultiPlus.
1.2. Cómo hacer la integración
Hay dos opciones de integración:
- Integración controlada por relé: Se admite una señal de arranque/parada con cable sin potencial mediante el Relé 1 del dispositivo GX (véase en la sección 17.2.7 la señal de arranque/parada controlada por relé). 
- Integración del generador conectado: Si el generador o su controlador aparecen en la tabla siguiente, significa que se admite la comunicación digital para lectura y control mediante VE.Can, Ethernet o RS485 (con un convertidor RS485-a-USB como la interfaz RS485 a USB de Victron). 
Controladores del generador CA compatibles para la integración del generador conectado
| Fabricante | Modelo | Tipo de conexión | Observaciones | 
|---|---|---|---|
| ComAp | InteliLite 4 AMF 25 InteliLite 4 AMF 20 InteliLite 4 AMF 9 InteliLite 4 AMF 8 InteliLite 4 MRS 16 | Ethernet | |
| CRE Technology | Compact AMF Gensys Compact Prime Gensys Compact Mains | Ethernet | |
| Deep Sea Electronics | DSE4620 | Ethernet o RS485 | Para Ethernet: Véase 1) Para RS485: Véase 2) y 3) | 
| DSE6120 | |||
| DSE4510 MKII | |||
| DSE4520 MKII | |||
| DSE6110 MKII | |||
| DSE6120 MKII | |||
| DSE7310 MKII | Para Ethernet: Véase 1) Para RS485: Véase 3) | ||
| DSE 7410 MKII | Para RS485: Véase 4) | ||
| DSE 7420 MKII | |||
| DSE8610 MKII | |||
| DSE8620 MKII | |||
| DSE8660 MKII | |||
| DEIF | AGC 150 Generator | Ethernet o RS485 | Para RS485: Véase 4) | 
| AGC 150 Hybrid | |||
| AGC 150 PMS Lite | |||
| Fischer Panda | xControl | VE.Can | |
| iGenerator | |||
| fpControl | |||
| 1) Este modelo no incluye conectividad Ethernet. Por lo tanto, se necesita el dispositivo de comunicación USB-a-Ethernet de Deep Sea Electronics DSE855 u otra pasarela DSE con Ethernet. 2) Este modelo no incluye conectividad RS485. Por lo tanto, se necesita el dispositivo de comunicación USB-a-RS485 de Deep Sea Electronics DSE857 u otra pasarela DSE con RS485. 3) Se necesita el convertidor de USB a RS485 aislado USB485-STIXL de Hjelmslund Electronics (https://hjelmslund.eu/) 4) Este modelo incluye un puerto RS485 aislado integrado; pero se necesita la interfaz RS485 a USB de Victron. | |||
Controladores del generador CC compatibles para la integración del generador conectado
| Fabricante | Modelo | Tipo de conexión | Notas | 
|---|---|---|---|
| Fischer Panda | fpControl | VE.Can | |
| Hatz | fiPMG | VE.Can | Acepta el control de tensión DVCC | 
Importante
El dispositivo GX solo admite la conexión de un controlador del generador. Cuando se haga la integración mediante Ethernet, asegúrese de que solo hay un controlador del generador accesible para el dispositivo GX.
1.2.1. Señal de arranque/parada controlada por relé
La mayoría de los generadores aceptan una señal de arranque/parada externa. Normalmente a través de un contacto sin potencial. Al cerrar el contacto, se arranca el generador, mientras que al abrirlo se detiene.
Algunos generadores necesitan señales pulsadas en lugar de una conexión continua. En esos casos, puede que se necesiten relés de temporización adicionales (véase a continuación). Revise siempre el manual del generador o consulte al proveedor para más detalles sobre la configuración del cable de señal de arranque a distancia.
| En el dispositivo GX, debe usarse el Relé 1 para controlar el generador. Tras conectar la entrada del generador al Relé 1, vaya a Configuración → Relé → Opciones de función → Arranque/parada del generador. Una vez que el Relé 1 está configurado en “Arranque/parada del generador”, se puede acceder a los ajustes relacionados a través de Configuración → Arranque/parada del generador. | 
1.3. Menú de arranque/parada del generador
Esta es la página de resumen general de la función de arranque/parada del generador. Esta página puede usarse para monitorizar el estado del generador, ver el estado de los errores y acceder a Tiempo de funcionamiento y mantenimiento para hacer los ajustes necesarios.
- En el caso de los generadores conectados, el resumen aparecerá en la Lista de dispositivos. 
- En el caso de los generadores controlados por relé, la página de resumen puede encontrarse en Configuración → Arranque/parada del generador. 
Los elementos del menú individual tienen las siguientes funciones:
| 
 | |
| (*) Solo aplicable a generadores conectados. (*) Solo aplicable a generadores CC conectados. | |
1.4. Menú de ajustes
| En el menú de Arranque/parada del generador, desplácese hacia abajo y pulse en Configuración para que aparezca el menú de Configuración. 
 | 
1.4.1. Alarma cuando la función de arranque automático se deshabilite
| Si esta opción está habilitada, saltará una alarma cuando la función de arranque automático permanezca deshabilitada durante más de 10 minutos. Esto es especialmente útil cuando se haya realizado alguna tarea de mantenimiento en el generador y el técnico haya olvidado ponerlo de nuevo en modo de arranque automático. Esta opción garantiza que la función de arranque automático no se queda deshabilitada por error. Para generadores conectados digitalmente, como DSE, ComAp y Fischer Panda, también comprueba si el arranque a distancia está habilitado en el panel del generador. Se pueden activar dos alarmas: 
 | 
1.4.2. Menú de tiempo de funcionamiento e intervalo de mantenimiento
| Todos los generadores necesitan tareas de mantenimiento tras un determinado periodo de tiempo. La frecuencia recomendada del mantenimiento de un generador depende fundamentalmente de su uso y su tiempo de funcionamiento. Este menú permite fijar un intervalo de mantenimiento e iniciar un contador que genera un aviso cuando hay que hacer el mantenimiento. Elementos del menú en detalle: 
 | 
1.4.3. Menú de calentamiento y enfriamiento
El menú de calentamiento y enfriamiento permite configurar el periodo de tiempo que el generador necesita para calentase o enfriarse antes o después de entrar en funcionamiento. Se controla mediante un relé mientras el relé de entrada CA está abierto y el inversor/cargador no está conectado.
Este menú también se aplica a generadores conectados digitalmente (por ejemplo, por Modbus), cuando no se usa el relé GX.
Nota: Esta opción necesita que el firmware del inversor/cargador VE.Bus sea el 502 o posterior.
| Periodo de calentamiento: 
 Periodo de enfriamiento: 
 Tiempo de parada del generador: 
 | 
1.5. Condiciones del arranque/parada automático
| Si se pierde la comunicación: Si se pierde la comunicación entre el y el inversor/cargador VE.Bus, y los parámetros de arranque/parada del generador dependen de esta información, elija una de las siguientes acciones: 
 Detener el generador cuando haya entrada de CA disponible: Es útil para sistemas auxiliares en los que un Quattro está conectado a la red eléctrica en AC-in 1 o AC-in 2, con un generador en la otra entrada de CA. Con esta opción activada, el generador solo se detendrá una vez que se haya restablecido el suministro tras un fallo de la red. | 
El usuario puede definir los siguientes parámetros para desencadenar el arranque/parada automático del generador:
(* El valor medido aquí será el consumo de CA total del sistema.)
Se da prioridad a los parámetros de cada condición en el orden mostrado anteriormente. Cuando se cumplan varias condiciones al mismo tiempo, solo se mostrará la de mayor prioridad como activa. Se evaluarán todas las condiciones habilitadas, incluso si el generador ya está en funcionamiento. Cuando se haya cumplido la condición activa, un parámetro no satisfecho de una condición de menor prioridad podrá mantener el generador en funcionamiento.
1.5.1. Detener el generador cuando haya entrada de CA disponible
Esta opción es ideal para sistemas auxiliares en los que un Quattro tiene una entrada de CA conectada a la red eléctrica y la otra a un generador.
Si está habilitada, y se ha definido la entrada de CA conectada a la red, el generador se detendrá automáticamente una vez que se haya restablecido el suministro tras un fallo de la red. El proceso consta de los siguientes pasos:
- En primer lugar, se desconecta el generador. 
- Se aplica un periodo de enfriamiento según el ajuste configurado. 
- Se dejan 15 segundos adicionales para que el generador complete el apagado. 
| 
 | 
1.5.2. Arranque/parada según el estado de carga de la batería
Esta opción permite controlar el generador a partir de los niveles del estado de carga de la batería.
| 
 | 
1.5.3. Arranque/parada según la corriente de la batería
Esta opción permite controlar el generador a partir de los niveles de corriente de la batería.
| 
 | 
1.5.4. Arranque/parada según la tensión de la batería
Esta opción permite controlar el generador a partir de los niveles de tensión de la batería.
| 
 | 
1.5.5. Arranque/parada según la carga CA
Los activadores de la carga CA funcionan de forma similar a otros activadores, pero la función está refinada por un ajuste de Medición. Este ajuste de Medición está disponible en la versión de firmware v2.0 y posteriores y tiene tres valores posibles:
| 
 | 
1.5.6. Arranque/parada por alta temperatura del inversor
Esta opción permite activar el generador a partir de las advertencias de temperatura del inversor.
| 
 | 
1.5.7. Arranque/parada por sobrecarga del inversor
Esta opción habilita la activación del generador en respuesta a una advertencia de sobrecarga del inversor.
| 
 | 
1.5.8. Puesta en marcha periódica
| Esta opción permite arranques automáticos y periódicos del generador. 
 | 
1.5.9. Opción de arranque manual
La opción de arranque manual permite arrancar el generador a distancia. Si el generador ya está en funcionamiento, pulsando Arranque se evita que se detenga automáticamente cuando la condición que ocasionó su arranque haya pasado. En otras palabras, la opción de arranque manual anulará los parámetros de parada automática.
| Formas de arrancar el generador de forma manual: 
 AtenciónSi se arranca manualmente (a distancia) sin un temporizador de parada (opción de periodo de funcionamiento), el generador funcionará indefinidamente hasta que se apague de forma manual. 
 | 
1.5.10. Periodos de silencio
La opción de periodo de silencio permite definir un periodo durante el que el ruido de un generador sería una molestia. Durante este periodo, el generador solo funcionará si es absolutamente necesario, en las condiciones de arranque automático establecidas.
| Cómo habilitar el periodo de silencio 
 Tenga en cuenta que si se fijan las mismas horas de inicio y fin, el periodo de silencio permanecerá activo de forma indefinida cunado se habilite. | 
Uso del Periodo de silencio como herramienta para definir dos grupos de preferencias del usuario
La opción de periodo de silencio también puede usarse para definir cómo quiere que responda su sistema en diferentes circunstancias, por ejemplo:
- Primera hora de la mañana/bajo estado de carga: A menudo, el estado de carga de la batería está en su nivel más bajo por la mañana. Si además el tiempo es nuboso o los paneles están orientados al oeste (funcionan mejor por la tarde), el generador puede arrancar automáticamente por la mañana por un bajo estado de carga. Aunque más tarde, cuando aumente la producción solar, el trabajo del generador pueda ser innecesario. Fijando un periodo de silencio para este tramo con umbrales de arranque automático más bajos, es posible evitar arranques prematuros del generador y hacer un mejor uso de la energía solar disponible. 
- Segundas residencias: En las segundas residencias, la demanda de energía es significativamente mayor cuando están ocupadas que cuando están vacías. La opción de periodo de silencio puede ayudar en estos casos aplicando umbrales de arranque automático más bajos cuando la casa está en uso y más altos cuando está vacía. - Para ello: - Fije el periodo de silencio como una condición permanente (véase más arriba) mientras la casa está ocupada. 
- Desactive el periodo de silencio cuando la casa esté vacía para que el generador se comporte con normalidad. 
 
1.6. Controlador ComAp
1.6.1. Introducción
¿Cómo funciona?
El dispositivo GX se comunica (lee/envía) con el panel InteliLite 4 a través de Modbus TCP mediante Ethernet, usando el módulo CM3-Ethernet de ComAp (necesario) como interfaz de comunicación. Es necesario contar con registros de remapeado Modbus con el software InteliConfig.
En el apéndice se puede encontrar un resumen de todos los registros Modbus usados y los mapeados que necesitan. Registros de retención Modbus para el controlador ComAp InteliLite 4
Tras aplicar el mapeado, el dispositivo GX detecta automáticamente la presencia de un controlador InteliLite 4 de ComAp usando la cadena de identificación que se encuentra en el registro 1307 de Modbus. Reconocerá todos los módulos con nombres que empiecen por “InteliLite4-”. Esta cadena de identificación también aparece en la barra de título de la ventana InteliConfig.

1.6.2. Requisitos
- Dispositivo GX con Venus OS v3.42 o posterior 
- Controlador ComAp compatible 
- Módulo CM3-Ethernet (código de pedido ComAp: CM3ETHERXBX) - También podría funcionar con el módulo CM-Ethernet estándar (código de pedido ComAp: CM2ETHERXBX), pero no se ha probado. 
- Equipo de red Ethernet 
1.6.3. Instalación y configuración
La instalación y configuración se hace en unos pocos pasos. Solo necesita habilitar el servidor Modbus en su módulo CM3-Ethernet. Esto puede hacerse desde el panel de control o con el software para el controlador, InteliConfig, que puede descargarse del sitio web de ComAp.
No hace falta configurar nada más en el módulo ComAp CM3-Ethernet.
Los Modbus deben ajustarse utilizando el software InteliConfig y de acuerdo con la lista de registros que se muestra en Registros de retención Modbus para el controlador ComAp InteliLite 4.
Configuración del controlador ComAp
El siguiente procedimiento describe los pasos a seguir para usar el software de configuración InteliConfig. Asegúrese de que tiene la última versión y está conectado al controlador:
- Compruebe que las Unidades/Formato de potencia son correctos: - Seleccione la pestaña de configuración del controlador 
- Elija Otros 
- Seleccione Unidades/Formato de potencia 
- Compruebe que las Unidades están fijadas en “Métrico - 20 °C, 10,0 bares, 11,4 l/h” y que el Formato de potencia está en “Estándar 1 kW/kVA/kVAr 1 V” 
  
- Registros de remapeado Modbus: - En la misma ventana, seleccione MODBUS 
- Descargue el archivo de mapeado de Modbus para Victron Energy: Mapeado ComAp InteliLite GX 
- En la parte inferior, bajo Importar/Exportar, pulse sobre el icono de Importar de la derecha 
- Seleccione el archivo de mapeado descargado y pulse OK 
- En la esquina inferior derecha, pulse el botón Escribir para guardar la configuración en el controlador 
 - El archivo UMOD de mapeado Modbus de ComAp contiene los mapeados del registro Modbus necesarios según el dispositivo GX. También se puede encontrar un formato legible del mapeado en el apéndice: Registros de retención Modbus para el controlador ComAp InteliLite 4.   
- Habilitación del servidor Modbus del controlador - Seleccione la pestaña Valor de referencia 
- En el menú posterior, seleccione el módulo CM-Ethernet 
- Habilite el servidor Modbus 
  
Configuración del dispositivo GX
| Una vez que el dispositivo GX y el controlador del generador estén conectados a la misma red, el controlador aparecerá automáticamente en la lista de dispositivos. La imagen muestra un ejemplo de un controlador de generador DSE. Si no aparece, revise los ajustes de Modbus en el dispositivo GX dirigiéndose a Configuración → Dispositivos Modbus TCP/UDP. Asegúrese de que la Detección automática está habilitada (por defecto) o busque manualmente el dispositivo; debería encontrarse y aparecer en el submenú de Dispositivos detectados. Para un funcionamiento fiable, mantenga la detección automática habilitada, ya que la red se escanea cada diez minutos. Si cambia la dirección de IP, se volverá a encontrar el dispositivo. No obstante, es recomendable asignar una dirección de IP estática al controlador para evitar pérdidas de comunicación imprevistas. | 
1.7. Controlador de CRE Technology
1.7.1. Introducción
¿Cómo funciona?
El dispositivo GX se comunica con el controlador CRE leyendo y enviando datos según las especificaciones Modbus TCP del controlador a través de la conectividad Ethernet del controlador CRE.
Empleando los valores de identificación obtenidos a través de Modbus, el dispositivo GX detecta automáticamente la presencia del controlador.
1.7.2. Requisitos
- Dispositivo GX con Venus OS v3.50 o posterior 
- Controlador CRE compatible con versión de firmware v2.0 o posterior 
- Equipo de red Ethernet 
1.7.3. Instalación y configuración
Requisitos previos
El controlador CRE permite cambiar las unidades de presiones y temperaturas. Sin embargo, el dispositivo GX espera que las presiones de aceite estén en bares y las temperaturas en °C. Asegúrese de que las unidades están configuradas correctamente.
Configuración del dispositivo GX
| Una vez que el dispositivo GX y el controlador del generador estén conectados a la misma red, el controlador aparecerá automáticamente en la lista de dispositivos. La imagen muestra un ejemplo de un controlador de generador DSE. Si no aparece, revise los ajustes de Modbus en el dispositivo GX dirigiéndose a Configuración → Dispositivos Modbus TCP/UDP. Asegúrese de que la Detección automática está habilitada (por defecto) o busque manualmente el dispositivo; debería encontrarse y aparecer en el submenú de Dispositivos detectados. Para un funcionamiento fiable, mantenga la detección automática habilitada, ya que la red se escanea cada diez minutos. Si cambia la dirección de IP, se volverá a encontrar el dispositivo. No obstante, es recomendable asignar una dirección de IP estática al controlador para evitar pérdidas de comunicación imprevistas. | 
1.8. Compatibilidad del controlador de generador de Deep Sea - DSE
1.8.1. Introducción
Mediante la integración de un controlador de generador Deep Sea Electronics (DSE) con un dispositivo GX, se pueden leer datos de CA, así como datos de presión del aceite, temperatura del refrigerante, nivel del depósito, número de arranques del motor y otras lecturas relativas al estado. Además, acepta las señales digitales de arranque/parada del dispositivo GX.
¿Cómo funciona?
El dispositivo GX se comunica con el controlador Deep Sea Electronics (DSE) leyendo y enviando datos a través de la especificación Modbus “GenComm” de DSE. Esta comunicación se produce a través de la conexión Ethernet del propio controlador DSE o, para controladores sin interfaz Ethernet, mediante el dispositivo de comunicaciones USB-a-Ethernet DSE855 de Deep Sea Electronics u otra pasarela DSE con Ethernet compatible que admita Modbus TCP.
Empleando los valores de identificación obtenidos a través de Modbus, el dispositivo GX detecta automáticamente la presencia del controlador.
1.8.2. Requisitos
- Dispositivo GX con Venus OS v3.12 o posterior 
- Controlador DSE compatible 
- Para modelos que solo ofrecen conectividad USB (véase la tabla anterior) se necesita un dispositivo DSE855 de Deep Sea Electronics (o similar). 
- Equipo de red Ethernet 
Caso particular: DSE 4520 MKII (Venus OS v3.50 o posterior)
A diferencia de todos los demás controladores DSE compatibles, el DSE 4520 MKII no acepta comandos de control mediante comunicación digital. Por lo tanto, debe usarse una señal de control por cable a través de la función “Relé de ayuda del generador conectado”. Puede obtener más información en la sección ???.
1.8.3. Instalación y configuración
Configuración del dispositivo GX
| Una vez que el dispositivo GX y el controlador del generador estén conectados a la misma red, el controlador aparecerá automáticamente en la lista de dispositivos. Si no aparece, revise los ajustes de Modbus en el dispositivo GX dirigiéndose a Configuración → Dispositivos Modbus TCP/UDP. Asegúrese de que la Detección automática está habilitada (por defecto) o busque manualmente el dispositivo; debería encontrarse y aparecer en el submenú de Dispositivos detectados. Para un funcionamiento fiable, mantenga la detección automática habilitada, ya que la red se escanea cada diez minutos. Si cambia la dirección de IP, se volverá a encontrar el dispositivo. No obstante, es recomendable asignar una dirección de IP estática al controlador para evitar pérdidas de comunicación imprevistas. | 
Relé de ayuda del generador conectado
A partir de Venus OS v3.50, hay una nueva función disponible en el Relé 1 del dispositivo GX: el Relé de ayuda del generador conectado.
Este ajuste permite que el Relé 1 funcione de forma paralela a los comandos de control digital de un DSE 4520 MKII conectado. El Relé 1 permanece abierto mientras el generador está parado y se cierra en cuanto se da el comando de arranque.
| Esta opción es útil para: 
 Para las instrucciones de cableado, véase Señal de arranque/parada controlada por relé | 
1.9. Controlador DEIF
1.9.1. Introducción
¿Cómo funciona?
El dispositivo GX lee datos del controlador DEIF y se los envía mediante la especificación Modbus del controlador, a través de la conexión Ethernet o del puerto RS485 1 del controlador DEIF. Empleando los valores de identificación obtenidos a través de Modbus, el dispositivo GX detecta automáticamente la presencia del controlador.
1.9.2. Requisitos
- Dispositivo GX con Venus OS v3.50 o posterior 
- Controlador AGC 150 de DEIF compatible con versión de firmware 1.19.0 (a partir de mayo de 2024) o posterior 
- Para integración mediante Ethernet: Equipo de red Ethernet 
- Para integración mediante RS485: Interfaz RS485 a USB de Victron Energy (referencia de artículo ASS030572050 o ASS030572018) 
1.9.3. Instalación y configuración
| Ajuste del parámetro de escala correcto Actualmente, solo se admite el valor predeterminado “Escala” del controlador (canal 9030, valor 100 a 25.000 V). Antes de la conexión, asegúrese de que este ajuste es correcto. Este ajuste está disponible en la pantalla del controlador en Parámetro → Ajustes básicos → Configuración de medición → Escala → Escala. Para hacer cambios, introduzca la contraseña maestra (por defecto: 2002) y fíjelo en el rango predeterminado de entre 100 y 25.000 V. |  | 
| Para conexión Ethernet Use el puerto Ethernet del controlador DEIF para conectarlo a la misma red Ethernet que el dispositivo GX. | 
| Para conexión RS485 La serie de controladores AGC 150 de DEIF tiene dos puertos RS485, estando el Puerto 1 aislado galvánicamente. El aislamiento galvánico evita los llamados bucles de tierra, que pueden ocasionar daños en los dispositivos por corrientes no deseadas. De modo que debe usarse el Puerto 1, como se explica en la tabla. Tras conectar el controlador al dispositivo GX, use la pantalla del controlador para ir a Parámetros → Comunicación → RS485 → RS485 1 → Parámetros, introduzca la contraseña maestra (por defecto es “2002”) y fije los parámetros como sigue: 
 | 
 | |||||||||||||||||||||
|  | 
| Configuración del dispositivo GX Una vez que el dispositivo GX y el controlador del generador estén conectados, aparecerá automáticamente en la lista de dispositivos. Si está usando el método Ethernet y no aparece, compruebe los ajustes de Modbus en el dispositivo GX, Configuración → Dispositivos Modbus TCP/UDP y asegúrese de que la detección automática está habilitada (ajuste por defecto) o búsquelo. Debería detectarse automáticamente y aparecer en el submenú de Dispositivos detectados. Para que esto funcione de forma fiable, la detección automática debe permanecer activada. La red se escanea cada diez minutos. Si cambia la dirección de IP, se volverá a encontrar el dispositivo. No obstante, es recomendable asignar una dirección de IP estática al controlador para evitar pérdidas de comunicación imprevistas. | 
1.10. Asistencia del generador Fischer Panda
1.10.1. Introducción
El dispositivo GX lee datos del generador Fischer Panda y se los envía mediante una conexión VE.Can a través del módulo SAE J1939 de Fischer Panda (necesario). Tanto los generadores CA como los CC son compatibles.
1.10.2. Requisitos
- Dispositivo GX con firmware v2.07 o posterior 
- Generador Fischer Panda, xControl, iGenerator o pfControl GC 
- Módulo SAE J1939 CAN de Fischer Panda (referencia del artículo 0006107) 
- Adaptador FP-Bus a VE.Can de Fischer Panda (referencia del artículo 0023441) 
- Opcional: FP-CAN a NMEA 2000 (Ref. articulo FP 0031409) 
Requisitos de firmware de Fischer Panda:
- iControl (para el iGenerator): v2.17 o posterior 
- Panel iControl: no hay requisito mínimo 
- xControl (para los generadores de velocidad constante): 4V38 o posterior 
- Panel xControl: 4V29 
- fpControl (para generadores CA y CC): cualquier versión 
- fpControl Panel: 4V29 o posterior 
- Módulo CAN SAE J1939 CAN de Fischer Panda: 2V05 o posterior 
- Módulo trifásico Fischer Panda: 4V0b o posterior 
- Interfaz Fischer Panda NMEA 2000 2V11 o posterior 
1.10.3. Instalación y configuración
Conexión de un generador Fischer Panda xControl
El esquema siguiente muestra cómo conectar un generador Fischer Panda xControl.
|  | 
Conexión de un generador Fischer Panda iControl
El esquema siguiente muestra cómo conectar un generador Fischer Panda iControl.
|  | 
Conexión de un generador fpControl de Fischer Panda
El esquema siguiente muestra cómo conectar un generador fpControl de Fischer Panda.
|  | 
1.10.4. Configuración y monitorización del dispositivo GX
Importante
Importante: El manejo del generador solo es posible y solo está permitido si el xControl o el fpControl o el panel iControl están encendidos.
| Compruebe que en Ajustes → Servicios, el perfil CAN-bus seleccionado es “VE.Can & Lynx Ion BMS (250kbit/s)”. Este es el ajuste predeterminado, que es compatible con NMEA 2000. | 
| Cuando se hayan hecho todas las conexiones y se haya realizado correctamente la instalación, el Fischer Panda aparecerá en la lista de dispositivos: | 
| Al introducir el dispositivo Fischer Panda en el menú, aparecerá una página como esta: Observe que cuenta con un interruptor on/off, además de mostrar la información de estado y los principales parámetros de CA: tensión, corriente y potencia. | 
| La temperatura del motor, las RPM y otros datos están disponibles en el submenú Motor (Engine). | 
1.10.5. Mantenimiento
Detenga siempre el generador con el panel de control Fischer Panda antes de realizar cualquier tarea de mantenimiento en él. Esto deshabilitará la función de arranque automático, impidiendo que el generador pueda arrancarse a distancia, con un Cerbo GX, por ejemplo.
Cuando se hayan completado las tareas de mantenimiento, vuelva a habilitar la función de arranque automático con el panel de control Fischer Panda en el menú Generador → Arranque automático → Encender/apagar.
1.11. Generador CC fiPMG de Hatz
1.11.1. Introducción
¿Cómo funciona?
El generador CC fiPMG de Hatz es un generador de imanes permanentes integrado en el volante motor que se ajusta a diferentes niveles de carga con distintas velocidades Se alimenta mediante un motor diésel E1 Hatz con inyección controlada electrónicamente.
La fuente de alimentación proporciona tensiones de salida ajustables para sistemas de 28 y 56 voltios y comunicación entre la fuente de alimentación y la unidad de control del motor – acc. dispositivo GX de Victron SAE J1939.
El inversor CAN doble tiene dos puertos CAN separados:
- Puerto CAN 1: Se ocupa de la comunicación entre la fuente de alimentación (inversor) y la unidad de control del motor. 
- Puerto CAN 2: Se ocupa de la comunicación entre la fuente de alimentación y el dispositivo GX. 
Para más información, visite www.hatz.com donde tendrá acceso a todos los diagramas eléctricos y a información adicional específica de la unidad.
1.11.2. Requisitos
- Dispositivo GX con firmware Venus OS v3.50 o posterior 
- Generador fiPMG de Hatz con fuente de alimentación CAN doble (inversor) para salida CC de 28 V o 56 V 
- Cable VE-CAN a HATZ-CAN (se puede adquirir en HATZ) 
1.11.3. Instalación y configuración
Conexión de un generador fiPMG de Hatz
El siguiente diagrama muestra cómo conectar el generador CC fiPMG de Hatz con el dispositivo GX.

Configuración del dispositivo GX
| Compruebe que en Ajustes → Servicios, el perfil CAN-bus seleccionado es “VE.Can & Lynx Ion BMS (250kbit/s)”. Este es el ajuste predeterminado, que es compatible con NMEA 2000. Una vez que el dispositivo GX y el controlador del generador estén conectados, aparecerá automáticamente en la lista de dispositivos. | 
1.11.4. Mantenimiento
Consulte las instrucciones de mantenimiento en el manual de fiPMG.
1.11.5. Resolución de problemas
- Lista de códigos de error de la fuente de alimentación: Véase www.hatz.com (protocolo CAN de la serie E) 
- Lista de códigos de error de la unidad de control del motor: Véase www.hatz.com (Códigos de problemas de diagnóstico de la serie E) 
1.12. Estado del generador y horas de funcionamiento mejoradas a través de la entrada digital
Para un estado preciso del motor y un mejor seguimiento de las horas de funcionamiento acumuladas en el dispositivo GX, se puede usar una señal de contacto seco adicional.
Hay dos opciones de cableado habituales:
- Con una salida sin potencial en el controlador del generador (si es compatible) para informar del estado del motor. 
- Con un relé de ayuda CA en la línea CA del generador que cierra un contacto sin potencial en cuanto el generador empieza a proporcionar energía. 
| Para habilitar esta opción, vaya a Configuración→ I/O → Entradas digitales y ajuste la entrada correspondiente en “Generador”. Una vez configurado, el estado del generador podrá verse en la Lista de dispositivos y se determinará el tiempo de funcionamiento total en función del estado de esta entrada digital. | 
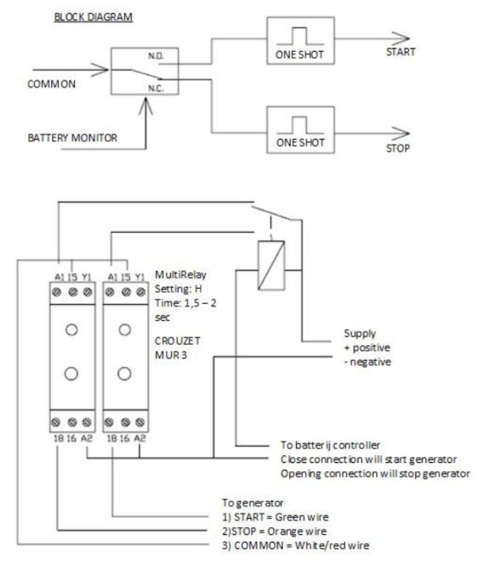
1.13. Conexión de un generador con una interfaz de tres cables
Para arrancar un generador con una interfaz de tres cables, el contacto abrir/cerrar debe convertirse en pulsos de arranque y parada diferentes. Esto se consigue mediante la siguiente solución, que usa relés de temporización estándar:
- Generando un pulso de arranque cuando el contacto abrir/cerrar se cierra. 
- Generando un pulso de parada cuando el contacto abrir/cerrar se abre. 
Importante: Este método solo debe usarse con generadores que tengan su propio panel de control para la monitorización y parada automática en caso de problemas como una baja presión del aceite. No lo conecte directamente al motor de arranque ni al solenoide del combustible.
|  | 
1.14. Apéndice
1.14.1. Registros de retención Modbus para el controlador ComAp InteliLite 4
La siguiente tabla enumera la configuración ComAp Modbus necesaria. Además de los registros recogidos, se usa Coil 4700 para arrancar y detener el generador.
| Registro(s) | Com. Obj. | Nombre | DIM | Tipo | Dec | Grupo | 
|---|---|---|---|---|---|---|
| 01004 | 10123 | RPM | rpm | int16 | 0 | Motor | 
| 01006 | 9152 | T-Refrigerante | °C | int16 | 0 | Controlador I/O | 
| 01008 | 9151 | P-Aceite | bar | int16 | 1 | Controlador I/O | 
| 01013 - 01014 | 8206 | Horas de funcionamiento | h | int32 | 1 | Estadísticas | 
| 01020 | 8202 | Carga P | kW | int16 | 0 | Carga | 
| 01021 | 8524 | Carga P L1 | kW | int16 | 0 | Carga | 
| 01022 | 8525 | Carga P L2 | kW | int16 | 0 | Carga | 
| 01023 | 8526 | Carga P L3 | kW | int16 | 0 | Carga | 
| 01036 | 8210 | Frecuencia del generador | Hz | uint16 | 1 | Generador | 
| 01037 | 8192 | Tensión del generador L1-N | V | uint16 | 0 | Generador | 
| 01038 | 8193 | Tensión del generador L2-N | V | uint16 | 0 | Generador | 
| 01039 | 8194 | Tensión del generador L3-N | V | uint16 | 0 | Generador | 
| 01043 | 8198 | Corriente de carga L1 | A | uint16 | 0 | Carga | 
| 01044 | 8199 | Corriente de carga L2 | A | uint16 | 0 | Carga | 
| 01045 | 8200 | Corriente de carga L3 | A | uint16 | 0 | Carga | 
| 01053 | 8213 | Voltios de la batería | V | int16 | 1 | Controlador I/O | 
| 01055 | 9153 | Nivel de combustible | % | int16 | 0 | Controlador I/O | 
| 01263 - 01264 | 8205 | kWh del grupo electrógeno | kWh | int32 | 0 | Estadísticas | 
| 01298 | 9244 | Estado del motor | Lista de cadena | Info | ||
| 01301 | 12944 | Tipo de conexión | Lista de cadena | Info | ||
| 01307 - 01322 | 24501 | Cadena de ID | Cadena larga | Info | ||
| 01323 - 01330 | 24339 | Versión FW | Cadena corta | Info | ||
| 01382 | 9887 | Modo controlador | lista de cadena | Info | ||
| 03000 - 03007 | 8637 | Nombre del generador | Cadena corta | Configuración básica / Nombre | ||
