Skip to main content
Toggle navigation
VE Transfer Switch
print
Toggle navigation
VE Transfer Switch
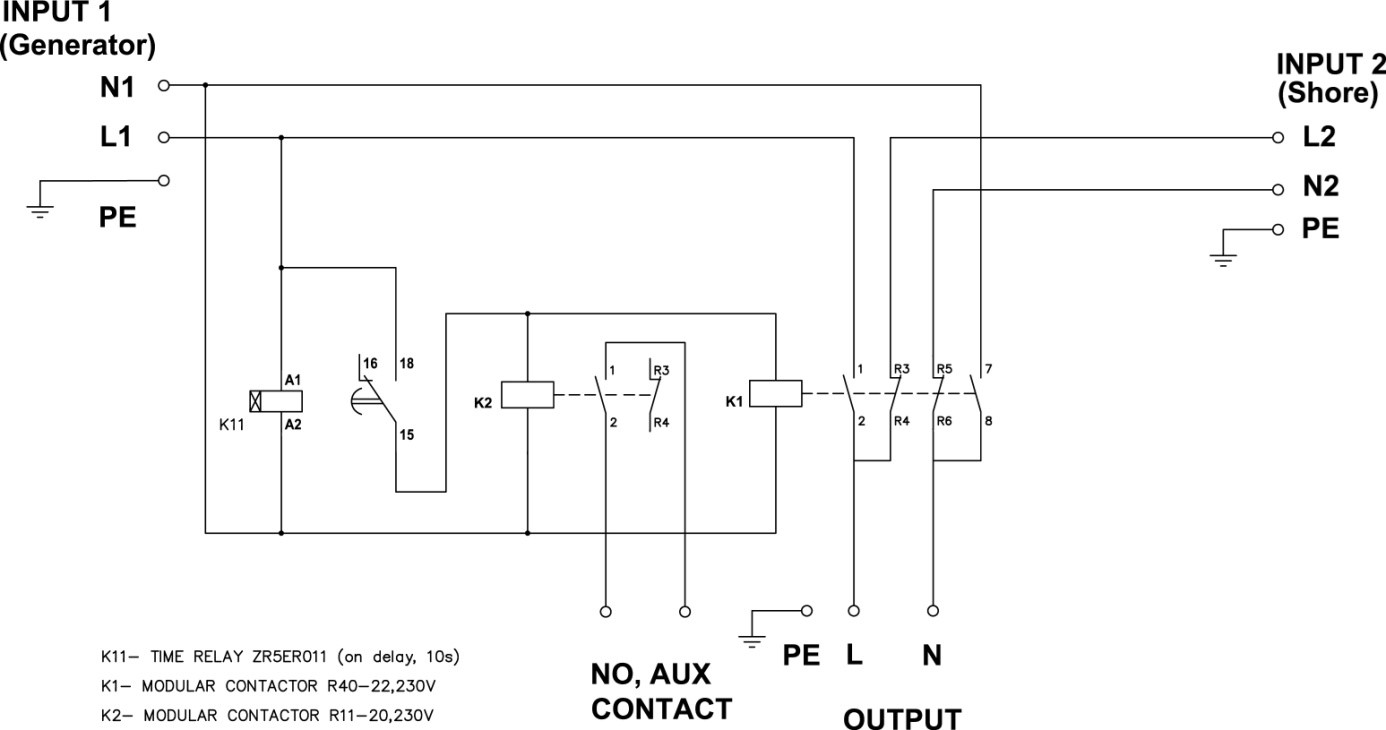
Electrical diagram
Prev
Next
5
.
Electrical diagram
In this section
:
VE Transfer Switch 5KVA
VE Transfer Switch 10KVA
Search results
No results found
Prev
Next