7. Aarding, aarde en elektrische veiligheid
Aarding vormt een gemeenschappelijk retourpad voor elektrische stroom in een stroomkring. Het wordt gemaakt door het nul punt van een installatie te verbinden op de algemene massa van de aarding of een chassis. Aarding is nodig voor elektrische veiligheid en het maakt ook een referentiepunt in een circuit waaraan spanningen worden gemeten. |
Over het algemeen zijn er 3 soorten aarding, namelijk:
|
| |
| ![]() |
7.1. Elektrische veiligheid
Elektriciteit is gevaarlijk, het kan een persoon doden, verwonden of verbranden. Het is de stroom dat het gevaarlijkste deel van elektriciteit is. Een kleine hoeveelheid stroom die door een persoon gaat kan al zeer gevaarlijk zijn. Zie de onderstaande tabel. |
Elektrische stroom (1-seconde contact) | Fysiologische effecten |
|---|---|
1 mA | Drempel van het voelen van een tintelende sensatie. |
5 mA | Aanvaard als maximale ongevaarlijke stroom. |
10 - 20 mA | Begin van aanhoudende spiercontractie ("kan niet loslaten"-stroom). |
100 - 30 mA | Ventrikelfibrillatie, dit is fataal als het aanhoudt. De ademhalingsfunctie gaat door. |
6 A | Aanhoudende ventrikelfibrillatie gevolgd door een normaal hartritme (defibrillatie). Tijdelijke ademhalingsverlamming en mogelijk brandwonden. |
Stroom loopt zodra een stroomkring gesloten wordt. Stelt u zich bijvoorbeeld twee losse wisselstroomdraden voor, een fase en een nul draad. Als de draden daar maar gewoon hangen, dan loopt er geen stroom omdat het stroomkring niet gesloten is. Maar zodra u met de ene hand de fase aanraakt en met de andere hand de nul draad, hebt u destroomkring gesloten en stroomt de elektriciteit van de fase, via uw lichaam en via uw hart, terug naar de nul draad. De stroom zal blijven lopen tot de zekering doorbrandt, maar tegen die tijd bent u waarschijnlijk al dood. |
![]() |
|
| ||
Blootliggende elektrische bedrading. | De stroomkring is niet gesloten en de stroom kan niet lopen. | Het stroomkring is gesloten en er zal een stroom lopen. |
Naast het tegelijkertijd aanraken van een nul en een fase draad, is er nog een andere manier waarop een onveilige situatie kan ontstaan en dat is als de stroom via de aarde stroomt. Dit komt vaker voor dan dat iemand tegelijkertijd een fase- en een nulgeleider aanraakt. De nul aansluiting is op een bepaald punt aangesloten op aarde. Dit kan in de huisinstallatie, in het distributienetwerk of bij de aggregaat (het sterpunt) zijn. |
Als er een storing optreedt in elektrische apparatuur, kunnen de metalen onderdelen aan de buitenkant van die apparatuur onder spanning komen te staan. Dit kan komen doordat er een interne kortsluiting is tussen interne delen onder spanning en de metalen behuizing van de apparatuur. Denk bijvoorbeeld aan een defecte wasmachine. Een storing kan veroorzaakt zijn door een elektrische fout, mechanische schade of beschadigde elektrische draden die de metalen behuizing van de elektrische apparatuur raken. Op het moment dat u de defecte wasmachine aanraakt, stroomt er elektriciteit van fase naar de metalen behuizing, via u, naar aarde. Vanaf de aarde stroomt de elektriciteit dan naar de nul van het elektriciteitsnet. De stroomkring is compleet. Elektriciteit blijft lopen tot de zekering in het elektriciteitsnet gesprongen is. Maar zoals in de vorige situatie bent u wellicht al dood. | ![]() |
Om elektrische installaties veiliger te maken is de aardgeleider geïntroduceerd. De aardedraad verbindt de metalen behuizing met de aarde. Als u nu de defecte apparatuur aanraakt, stroomt de elektriciteit naar de aardedraad in plaats van naar u. De reden hiervoor is dat elektriciteit de weg van de minste weerstand neemt. Het pad via u en de aarde biedt meer weerstand dan via de aardedraad. Maar wees u ervan bewust dat er nog steeds een zeer kleine hoeveelheid stroom via een persoon kan lopen. Een stroom die groter is dan 30 mA kan al gevaarlijk zijn. Houd er rekening mee dat alleen een aardedraad niet voldoende is. Een aardlekbeveiliging is ook nodig in een installatie. Raadpleeg hoofdstuk Aardlekschakelaar of aardlekautomaat voor meer informatie. | ![]() |
7.2. Aardebedrading
Goede aardebedrading is essentieel voor elektrische veiligheid. De draad en aardingaansluitingen moeten een lage elektrische weerstand hebben. Denk er aan dat elektriciteit de weg van de minste weerstand neemt. U moet er dus voor zorgen dat de aardingskabel dik genoeg is en alle aansluitingen goed vast zitten. Door de aardingsdraad kunnen potentieel grote stromen vloeien als er een storing in de apparatuur is. De aardingsdraad moet deze stroom kunnen voeren tot de systeemzekering doorbrandt. Dus is het belangrijk dat de aardingsdraad dik genoeg is. Aarding of aardingsdraden zijn geel/groen. In oudere installaties of in andere landen ziet u wellicht ook een groene draad. |
| |
Let opOPGELET: Volg altijd de plaatselijke installatievoorschriften voor de juiste dimensionering van de aardedraad. | ||
7.3. Aardlekschakelaar of aardlekautomaat
Elektriciteit kan zeer gevaarlijk zijn. Het toevoegen van een aardingsgeleider aan een systeem verbetert de veiligheid, maar een installatie kan nog veiliger worden gemaakt door een aardlekbeveiliging in te bouwen. Het gebruik van een aardlekbeveiliging is verplicht in alle AC-installaties. |
Aardlekbeveiliging-functie: De aardlekbeveiliging detecteert en verbreekt zodra het detecteert dat elektriciteit naar de aarde loopt. Elektriciteit loopt naar de aarde als er een storing in het systeem is, of belangrijker als stroom door een persoon loopt. aardlekbeveiligingen worden ontworpen om te ontkoppelen zodra een stroom naar de aarde gedetecteerd word. Een aardlekbeveiliging (RCD) kan bekend zijn onder verschillende namen:
|
Aardlekbeveiliging werking: Een aardlekbeveiliging meet de stroombalans tussen de fase en de nulgeleider. Het apparaat verbreekt het contact als het een verschil in stroom tussen fase en nul detecteert. In een veilig systeem moeten de aanvoer- en retourstromen bij elkaar opgeteld nul vormen. Als dit niet het geval is, is er een defect in het systeem, stroom lekt naar aarde of naar een ander circuit. |
| |
Aardlekbeveiligingen zijn ontworpen om elektrocutie te voorkomen door deze lekstroom te detecteren, die veel kleiner kan zijn (meestal 5 - 30 mA) dan de stromen die nodig zijn om conventionele stroomonderbrekers of zekeringen te activeren (meerdere ampères). Aardlekbeveiligingen moeten binnen 25 - 40 milliseconden verbreken . Deze tijd is sneller dan de tijd die de elektrische schok nodig heeft om het hart in ventrikelfibrillatie te brengen, de meest voorkomende doodsoorzaak door elektrische schokken. Een veilig systeem is een systeem dat beschermt tegen kortsluiting, te hoge belasting én aardlekstromen. |
| |
Aardlekdetectie kan alleen plaatsvinden in systemen waarbij de nulgeleider is aangesloten op de aardgeleider; zoals in een TN- of TT-systeem. Aardlekdetectie is niet mogelijk in een IT-network. | ||
Waar moet een aardlekbeveiliging geplaatst worden Een aardlekbeveiliging moet vóór de belastingen in een elektrische installatie gemonteerd worden. In de praktijk betekent dit dat de aardlekbeveiligingen gemonteerd moeten worden voordat de installatie verdeeld wordt in verschillende groepen. Als een omvormer of omvormer/acculader gebruikt wordt, moet de aardlekbeveiliging hierachter komen, anders is er geen aardingsbescherming terwijl de omvormer operationeel is. Verbruikers die alleen werken als ze zijn aangesloten op de walstroom, hebben hun eigen aardlekbeveiliging nodig. |
Overlast van aardlekbeveiligingen In sommige installaties schakelen aardlekbeveiligingen vroegtijdig uit. Dit kan door het volgende veroorzaakt worden:
|
7.4. Nul naar aardeverbinding in omvormers en in omvormer/acculaders
Een AC-stroombron moet een nulgeleiderverbinding (MEN-link) hebben zodat een aardlekbeveiliging kan werken. Dit is het geval voor het net maar ook als de AC-bron een aggregaat of een omvormer is.
Maar als er gecombineerde omvormer/acculader-eenheden worden gebruikt, is de MEN-koppeling minder eenvoudig. De omvormer/acculader-eenheid heeft twee verschillende werkingsmodi:
Als de omvormer/acculader aan het omvormen is en werkt als een stroombron, moet het een onafhankelijke MEN-link maken. Maar als de voeding via een aggregaat of het elektriciteitsnet loopt, moet de inkomende voeding de MEN-link hebben in plaats van de omvormer/acculader. Victron omvormer/acculaders bevatten een intern aardingsrelais. Dit relais maakt of verbreekt automatisch de aansluiting tussen aarding en nul. Als dit niet gewenst is, kan dit relais uitgeschakeld worden in de omvormer/acculader instellingen. Let op dat als het relais is uitgeschakeld, u zelf een nul-aardeverbinding in het systeem moet aanbrengen. Ook is het in sommige installaties misschien niet toegestaan om de nulgeleider te verbreken. Kies in dat geval, mits een omvormer/lader-II wordt gebruikt, een netcode-instelling van een type dat aangeeft dat het AC-nulpad extern wordt verbonden. |
De omvormer/acculader is in ladermodus en/of doorvoermodus: Als de omvormer is aangesloten op AC-vermogen, is het AC-ingangrelais gesloten en is tegelijkertijd het aardrelais geopend. Het AC-uitgangssysteem vertrouwt op de AC-voeding om de nul-naar-aardeverbinding te leveren. Deze link is nodig zodat de aardlekbeveiliging in AC-uitgang zal werken. Aardingsrelais AC-ingang relais
|
De omvormer/acculader is in omvormermodus: Als de AC-voeding afgekoppeld is, uitgeschakeld werd, of een storing heeft, dan opent de AC-ingangsrelais. Als het AC-ingangsrelais open is, dan heeft de installatie geen nulgeleiderverbinding meer. Daarom wordt tegelijkertijd het aardrelais gesloten. Zodra het aardrelais sluit, heeft de omvormer/lader een interne nulgeleiderverbinding gemaakt. Deze link is nodig zodat de aardlekbeveiliging in AC-uitgang zal werken.
|
7.5. Mobiele installaties
Een mobiele installatie is een installatie die onafhankelijk van het net werkt. Als het aansluit op AC-vermogen dan sluit het gewoonlijk aan op verschillende plaatsen en/of aggregaten. Bijvoorbeeld boten, voertuigen of mobiele noodstroomsystemen. In dit hoofdstuk wordt een bootinstallatie gebruikt. Deze informatie kan echter gebruikt worden voor elke mobiele installatie. Een mobiel systeem heeft geen aardpen. Dus iets anders is nodig om een centraal aardingspotentiaal te maken. Alle aanraakbare metalen onderdelen van de boot of auto moeten met elkaar verbonden worden om een lokale aarding te maken. Voorbeelden van metalen onderdelen in een boot of voertuig zijn: chassis, romp, metalen vloeistofleidingen, reling, motor, aardcontacten van stopcontacten, bliksemafleiders en de aardplaat (indien aanwezig). Een mobiel systeem wordt meestal aangesloten op verschillende voedingsbronnen. In deze situaties is het soms niet duidelijk welke van de draden in de walaansluiting is aangesloten op de aarde en of de aarde überhaupt is aangesloten. Het is ook mogelijk dat fase en nul niet juist zijn aangesloten. Het aansluiten van een dergelijke voeding op een mobiel systeem kan mogelijk kortsluiting naar aarde veroorzaken. Of de aarde ontbreekt helemaal. Het maakt ook uit of het mobiele systeem verbinding maakt met de voeding of dat het losgekoppeld is van de voeding en autonoom werkt. Bepaalde voorbeelden van verschillende situaties waarin een mobiel systeem kan zijn: |
Een boot wordt aangesloten op walstroom Als een boot is afgemeerd en aangesloten op de walstroom, dan is de installatie vergelijkbaar met die van een woonhuis. Er is maar één verschil; de boot heeft geen eigen aardaansluiting, zoals de aardingspen die u in een huis vindt. De bootinstallatie vertrouwt op de aarde van de walaansluiting. Helaas is deze aarde niet altijd betrouwbaar omdat de kabels in de haven vaak lang zijn en mogelijk een onvoldoende dikke kernoppervlakte hebben. Om een veilige situatie te maken, moeten de metalen onderdelen van de boot, zoals de romp, worden verbonden met de inkomende aarde van de walstroomkabel. De aarding van de walstroom is verbonden met de nulleider. Als er een aardlek optreedt, loopt er stroom door de aardgeleider in de voedingskabel, maar ook via de romp door het water en terug naar de aarding van de wal. Beide aardlekschakelingen hebben hetzelfde potentiaal en zijn als het ware parallel geschakeld. Maar er gaat meer stroom door de aardgeleider in de walkabel. De weg door de romp en het water heeft een grotere weerstand. De aardlekbeveiliging vindt nog steeds een aardlek omdat het de fasestroom ten opzichte van de stroom via de nulleider zal vergelijken. | ![]() ![]() |
Een boot is losgekoppeld van de walstroom Zodra de boot wordt losgekoppeld van de walstroom, verandert de hele installatie omdat de installatie nu geen deel meer uitmaakt van het elektriciteitsnet en de verbinding met nul en aarde verloren gaat. De installatie is nu de hoofdvoeding en vormt samen met de belasting zijn eigen autonome stroomkring. Er loopt geen stroom in de romp en in het water. | ![]() |
Zwevend netwerk in boot of voertuig (IT Netwerk) In een mobiel systeem waar een omvormer (of aggregaat) de enige stroombron is, kan er specifiek voor worden gekozen om geen TT-netwerk te gebruiken, maar een IT-netwerk. In een IT-netwerk zijn de fase en nul niet gekoppeld aan een ander potentiaal zoals aarde. De spanningen die worden gemaakt door de onafhankelijke stroombron zijn zwevend. Een dergelijk systeem is zeer veilig en eenvoudig te installeren. Als een geleider of behuizing in dit systeem wordt aangeraakt door een persoon, kan er geen stroom naar aarde lopen. Onthoud dat er een volledige stroomkring nodig is om stroom te laten lopen. In dit systeem ontbreekt de aardgeleider en is de stroomkring naar aarde niet volledig. Dit is een vergelijkbare situatie als de veiligheidstransformator in een badkamer. Omvormers en aggregaten zijn in principe niets meer dan de bron van twee potentiaalverschillen met een verschil van 230 Volt (of 120 V). Aanraken zal niet leiden tot een stroom omdat het pad onvolledig is. Het is hetzelfde als een vogel die op een elektriciteitsdraad zit. Houd er rekening mee dat het altijd gevaarlijk is om zowel de fase- als de nul draad tegelijkertijd aan te raken, omdat het pad dan compleet is. | ![]() ![]() | |
![]() Veilig, er loopt geen stroom | ![]() Veilig, er loopt geen stroom | ![]() Niet veilig, er loopt een stroom |
Mobiel netwerk met verbinding van aarde en nulleider naar aarde (TT-netwerk) Als het mobiele systeem op het elektriciteitsnet wordt aangesloten via een omschakelaar of via een omvormer/lader, wordt aarde en een nul-geleide verbinding in het systeem geïntroduceerd. Het wordt een TT-netwerk. Dit is ook het geval als de lokale regelgeving vereist dat aarde en nul met aarde verbonden zijn en een aardlekbeveiliging is vast aangesloten in een mobiel systeem dat een omvormer of aggregaat bevat. Op het moment dat dit gebeurt, wordt het systeem gevaarlijker, dus zodra aarde en een nul-aardeverbinding aan een systeem zijn toegevoegd, moet een aardlekbeveiliging worden geïnstalleerd. om te voldoen aan de eisen van het TT- of TN-netwerk waarop het mobiele netwerk nu is aangesloten. | ||
![]() Geen aarding, er loopt geen stroom | ![]() Aarding toegevoegd, er loopt een stroom | ![]() Veilig, de aardlekbeveiliging biedt bescherming in het geval er elektriciteit stroomt |
Van IT-netwerk naar TT-netwerk Met een mobiel systeem is het mogelijk om een netwerk te maken dat een TT-netwerk is als het is aangesloten op het elektriciteitsnet en tegelijkertijd een zwevend IT-netwerk wordt als het elektriciteitsnet is losgekoppeld en een aggregaat of omvormer in gebruik is. Dit is niet wenselijk en moet worden vermeden. Als een installatie wordt losgekoppeld van het elektriciteitsnet, dan wordt deze ook losgekoppeld van de aarde van het elektriciteitsnet. Als de mobiele installatie geen aarde en ook geen aarde- en nulverbinding heeft, wordt het een zwevend systeem op het moment dat het elektriciteitsnet wordt losgekoppeld. Hoewel het systeem misschien een aardlekbeveiliging heeft, kan de aardlekbeveiliging geen aardlekstroom meer detecteren omdat de nulleider niet met aarde is verbonden. Het heeft geen zin om op de testknop van de aardlekbeveiliging te drukken als de nulgeleider ontbreekt. Als u op de testknop drukt, dan krijgt u de valse indruk dat de aardlekbeveiliging werkt, terwijl de aardlekbeveiliging in werkelijkheid niet zal werken in geval van een aardlek omdat de nul-aardeverbinding ontbreekt. Als de testknop op een aardlekbeveiliging wordt ingedrukt, dan wordt een interne overbrugging geactiveerd die een aardlek simuleert, zodat de aardlekbeveiliging elektrisch en mechanisch getest kan worden. De testtoets absoluut geen test voor de hele installatie. Alleen de aardlekschakelaar zelf wordt getest. Dit leidt tot verwarring en/of gevaarlijke situaties. Daarom wordt aanbevolen om altijd de principes van het TT-netwerk te volgen, ook in situaties waarin de installatie niet op het elektriciteitsnet is aangesloten. De omschakeling van IT- naar TT-netwerk moet ervoor zorgen dat er een verbinding wordt gemaakt tussen de nulleider en de aarde van het mobiele systeem zodra het elektriciteitsnet wordt losgekoppeld. Dit kan automatisch worden gedaan door een omvormer/acculader met een aardrelais of moet worden aangesloten op een overdrachtsschakelaar. Niet alle omvormers en aggregaten hebben een nulgeleider die is verbonden met de aarde. Dit moet steeds gecontroleerd worden vóór installatie. En als dat nodig is, moet er een aansluiting voor de nulgeleider naar de aarde worden gemaakt. |
7.6. Isolatie en aarding van Victron-apparatuur
In dit hoofdstuk wordt de isolatie van diverse Victron producten tussen AC en DC, of tussen DC en DC uitgelegd. Deze informatie is nodig om een systeem met Victron producten juist te aarden. |
Isolatie van alle Victron omvormers en omvormer/acculaders:
In het geval van positieve aarding refereren niet-geïsoleerde interfaceaansluitingen naar de DC-negatief en niet naar de aarde. Een dergelijke aansluiting aarden beschadigd het product. De AC-aardklem van alle omvormers en omvormer/acculaders is verbonden met het chassis. |
AC nul aarding van Victron omvormers De nulleider van alle omvormers van 1600 VA en hoger en de Inverter Compact 1200 VA is aangesloten op het chassis. Als u het chassis aardt, aardt u dus ook de AC-nul Een geaarde nulleider is vereist voor de goede werking van een aardlekbeveiliging (of RCCB, RCBO of aardlekbeveiliging). Als er geen betrouwbare aarding beschikbaar is en/of als er geen aardlekbeveiliging (of RCCB, RCBO of aardlekbeveiliging) is geïnstalleerd, moet de AC nul op het chassisaansluiting worden verwijderd om de veiligheid te verbeteren. Waarschuwing: een dergelijke installatie leeft wellicht de lokale voorschriftern niet na. De AC nul van omvormers met een lager vermogen is meestal niet aangesloten op het chassis. Er kan echter een nul-aardeverbinding tot stand worden gebracht: raadpleeg de producthandleiding. |
AC nul aarding van Victron omvormers/acculaders De uitgang AC-nul van alle omvormers/acculaders is verbonden met de ingang AC-nul als de terugvoerrelais gesloten zijn (AC beschikbaar op ingang). Als de terugvoerrelais open zijn, verbindt een aardrelais de uitgaandenul met het chassis. Een geaarde nul is vereist voor de juiste werking van een aardlekschakelaar. Het uitschakelen van de aardingsrelais is mogelijk bij de meeste modellen. Raadpleeg de producthandleiding. |
Isolatie van MPPT PV-laders Er is geen isolatie tussen PV-ingang en DC-uitgang. Er is basis isolatie tussen ingang/uitgang en chassis. |
Isolatie van andere producten Acculaders: verstevigde isolatie tussen AC en DC. Basisisolatie tussen AC en chassis, behalve voor de Smart IP65 laders die een versterkte isolatie hebben tussen AC en de plastic behuizing. DC-DC-omzetters, diode- en FET-splitters en andere DC-producten: de behuizing is altijd geïsoleerd van de DC (basisisolatie). |
7.7. Systeemaarding
Tot nu toe hebben we het gehad over AC-aarde of aarding in AC-installaties, maar aarding is ook nodig voor de DC-componenten in een installatie. Dit hoofdstuk beschrijft enkele veelvoorkomende installaties die niet alleen een omvormer/acculader bevatten, maar ook een accubank, een PV-lader en een PV-reeks. |
Aarding bij zelfvoorzienende systemen Aard de positieve of negatieve van de PV-reeks niet. De negatieve PV-ingang van de MPPT is niet geïsoleerd van de negatieve uitgang. Aarden van de PV resulteert daarom in aardingsstromen. De PV-frames kunnen echter worden geaard, ofwel dicht bij PV-reeks of (bij voorkeur) aan de centrale aarde. Dit biedt wat bescherming tegen bliksem. Aarding dicht bij de accu. De accupolen zouden veilig moeten zijn om aan te raken. De accu-aarding moet daarom de meest betrouwbare en zichtbare aardingsverbinding zijn. De DC-aardingsbekabeling moet voldoende dik zijn om een foutstroom te kunnen doorgeven die minstens gelijk is aan de nominale waarde van de DC-zekering. Het chassis van de omvormer of Multi/Quattro moet geaard zijn. Er is basis isolatie tussen AC en chassis. Het chassis van de MPPT PV-lader moet geaard zijn. Er is basis isolatie tussen AC en chassis. Houd er rekening mee dat de AC distributie met zekeringen of zekeringautomaten en de aarding van de PV-reeks en het PV-frame niet worden weergegeven. |
|
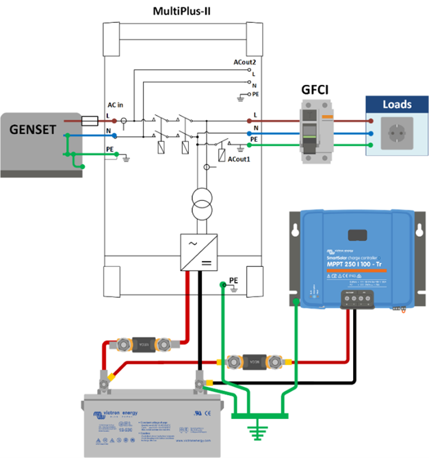
Zelfvoorzienend met aggregaat Gebruik maar één aarding, dicht bij de accu. De accupolen zouden veilig moeten zijn om aan te raken. De accu-aarding moet daarom de meest betrouwbare en zichtbare aardingsverbinding zijn. De DC-aardingsbekabeling moet voldoende dik zijn om een foutstroom te kunnen doorgeven die minstens gelijk is aan de nominale waarde van de DC-zekering. Op dezelfde manier moet AC-aardbekabeling een foutstroom kunnen doorvoeren die ten minste gelijk is aan de nominale waarde van de AC-zekering. Een aardlekschakelaar is alleen functioneel als het chassis van de Multi/Quattro geaard is. |
|
Zelfvoorzienend met aggregaat met hoog vermogen Aard aggregaat rechtstreeks op centrale aarding. |
|
Net-verbonden energieopslagsysteem (ESS) De DC-aardingsbekabeling moet een foutstroom kunnen doorvoeren die minstens gelijk is aan de waarde van de DC-zekering. Verbind het chassis van de omvormer/acculader met de aardingsverdeelrail De AC-uit aarding kan genomen worden uit de centrale verdeelrail of van de AC-uit sluitklem. |
|























