7. Massa, terra e sicurezze elettriche
In un circuito elettrico, la massa o la terra forniscono un percorso comune di ritorno della corrente. Tale percorso si crea collegando il punto neutro di un impianto alla massa generale della terra o a un telaio. La messa a terra è necessaria per questioni di sicurezza elettrica e crea anche un punto di riferimento in un circuito nel quale si misurano le tensioni. |
In generale, esistono 3 tipi di messa a terra, ovvero:
|
| |
| ![]() |
7.1. Sicurezza elettrica
L’elettricità è pericolosa: può uccidere, ferire o bruciare una persona. La corrente è la parte più pericolosa dell'elettricità. Una piccola corrente che passa attraverso una persona può già essere molto pericolosa. Vedere la tebella a continuazione. |
Corrente elettrica (contatto di 1 secondo) | Effetti fisiologici |
|---|---|
1 mA | Soglia di percezione di una sensazione di formicolio. |
5 mA | Corrente massima accettata come innocua. |
10 - 20 mA | Inizio di una contrazione muscolare sostenuta (corrente che "non può lasciare la presa"). |
100 - 30 mA | Fibrillazione ventricolare che, se protratta, è fatale. La funzione respiratoria continua. |
6 A | Contrazione ventricolare sostenuta seguita da un ritmo cardiaco normale (defibrillazione). Paralisi respiratoria temporanea ed eventuali ustioni. |
La corrente inizia a scorrere non appena si chiude un circuito elettrico. Ad esempio, prendiamo due cavi CA staccati, un filo linea e un neutro. Quando i cavi sono appesi, non passa corrente perché il circuito non è chiuso. Ma non appena si tocca un filo linea con una mano e il neutro con l’altra mano, si chiude il circuito e l’elettricità inizia a scorrere dal filo linea, passa per il corpo, per il cuore e termina nel filo neutro. La corrente continuerà a scorrere finché il fusibile non si brucia, ma a quel punto probabilmente sarete già morti. |
![]() |
|
| ||
Cavi elettrici esposti. | Il circuito elettrico non è chiuso e l'elettricità non può fluire. | Il circuito elettrico è chiuso e l'elettricità fluisce. |
Oltre a toccare contemporaneamente con una mano il filo linea e con l’altra il neutro, esiste un altro modo in sui si può verificare una situazione pericolosa: quando l’elettricità passa per il cuore. Si tratta di una situazione più comune di quella in cui qualcuno tocca contemporaneamente un conduttore di fase e uno neutro. Il conduttore neutro, prima o poi, si collega con il cuore. Ciò può succedere nell’impianto domestico, nella rete di distribuzione o in un generatore di energia (il punto stella). |
Se si verifica un guasto in un'apparecchiatura elettrica, le parti metalliche esterne della stessa possono diventare sotto tensione. Ciò può essere dovuto alla presenza di una scorciatoia interna fra l’elettricità in tensione e l’involucro metallico del dispositivo. Prendiamo, ad esempio, una lavatrice difettosa. Un guasto può essere causato da un guasto elettrico, da un danno meccanico o da cavi elettrici danneggiati che toccano l'involucro metallico dell'apparecchiatura elettrica. Nel momento in cui si tocca la lavatrice difettosa, l'elettricità passa dalla fase all'involucro metallico, passando per l'utente, fino alla terra. Dalla terra, l'elettricità fluirà poi nel neutro dell’alimentazione di rete. Il circuito è completo. L’elettricità continuerà a passare finché il fusibile dell’alimentazione di rete non si brucia. Ma, come nella situazione precedente, probabilmente siete già morti. | ![]() |
Per rendere più sicuro un impianto elettrico, è stato introdotto il conduttore di terra. Il cavo di terra collega l’involucro metallico alla terra. Se si tocca ora il dispositivo difettoso, l’elettricità scorrerà verso la terra e non attraverso il corpo. Ciò è dovuto al fatto che l'elettricità viaggia attraverso il percorso di minor resistenza. Il percorso attraverso l'utente e la terra è un percorso più resistivo rispetto a quello attraverso il cavo di terra. Ma fare attenzione, giacché una piccola quantità di corrente può ancora passare attraverso il corpo. Una corrente superiore a 30 mA può già essere pericolosa. Si noti che un semplice cavo di terra non è sufficiente. In un impianto è necessario anche un dispositivo di corrente residua (RCD). Per ulteriori informazioni, si veda il capitolo RCD, RCCB o GFCI. | ![]() |
7.2. Cablaggio di terra
Un buon cablaggio di terra è essenziale per la sicurezza elettrica. Il cavo e le connessioni di terra devono possedere una bassa resistenza elettrica. Ricordare che l’elettricità viaggerà attraverso il percorso con la minor resistenza. Pertanto, ci si deve assicurare che il cavo di terra sia sufficientemente grosso e che tutte le connessioni siano ben serrate. Il cavo di terra può essere attraversato da correnti potenzialmente elevate in caso di guasto dell'apparecchiatura. Il cavo di terra deve poter supportare tali correnti finché non si brucia il fusibile del sistema. Pertanto è importante che il cavo di terra sia sufficientemente grosso. I cavi di terra o di massa sono gialli/verdi. Negli impianti meno recenti o in Paesi diversi potrebbe essere presente anche un filo verde. |
| |
AttenzioneATTENZIONE: Seguire sempre le norme locali si cablaggio per sapere il corretto dimensionamento dei cavi di terra. | ||
7.3. RCD, RCCB o GFCI
L’elettricità può essere molto pericolosa. Aggiungere un conduttore di terra a un sistema aumenta la sicurezza, ma un impianto può essere ancor più sicuro se si incorpora un RCD (dispositivo di corrente residua). È obbligatorio utilizzare un RCD in tutti gli impianti CA. |
Funzione dell’RCD: L’RCD scollega non appena rileva che l’elettricità scorre verso terra. L’elettricità scorrerà verso terra quando si verifica un guasto nel sistema o, ancor più importante, quando la corrente scorre attraverso una persona. Gli RCD sono progettati per scollegare non appena rilevano un flusso di corrente verso terra. Un dispositivo di corrente residua (RCD) può avere diversi nomi:
|
Funzionamento dell'RCD: Un RCD misura il bilanciamento della corrente tra il conduttore di fase e il neutro. Il dispositivo apre i suoi contatti quando rileva una differenza di corrente tra la fase e il neutro. In un sistema sicuro, la somma delle correnti di alimentazione e di ritorno deve essere zero. Se ciò non avviene, si è verificato un guasto nel sistema e la corrente si sta disperdendo verso terra o verso un altro circuito. |
| |
Gli RCD sono progettati per prevenire l'elettrocuzione, giacché rilevano questa corrente di dispersione, che può essere molto più piccola (in genere 5-30 mA) rispetto alle correnti necessarie per far scattare gli interruttori o i fusibili tradizionali (diversi Ampere). Gli RCD sono predisposti per funzionare nell’intervallo di 25 - 40 millisecondi. Tale intervallo è più rapido del tempo necessario a una scossa elettrica per mandare il cuore in fibrillazione ventricolare, che è la più comune causa di morte per scossa elettrica. Un sistema sicuro protegge contro cortocircuito, sovraccarico e dispersione di corrente a terra. |
| |
Il rilevamento di dispersioni di correnti a terra si può verificare solamente nei sistemi in cui il conduttore neutro è collegato al conduttore di terra, come in un sistema TN o TT. Il rilevamento di dispersioni a terra non è possibile in una rete IT. | ||
Dove montare un RCD In un impianto elettrico, l’RCD deve essere montato prima dei carichi. In realtà, ciò significa che gli RCD devono essere montati prima che l'impianto sia suddiviso in diversi gruppi. Se si utilizza un inverter o un inverter/caricabatterie, l'RCD deve essere posizionato dopo di esso, altrimenti non vi sarà alcuna protezione di terra mentre l'inverter è in funzione. Le utenze operative solo quando collegate alla potenza banchina, necessitano il loro RCD. |
Falsi scatti degli RCD In alcuni impianti gli RCD possono scattare prematuramente. Ciò può essere dovuto a quanto segue:
|
7.4. Collegamento neutro-terra negli inverter e negli inverter/caricabatterie
Una sorgente di alimentazione CA deve avere un collegamento neutro-terra (collegamento MEN) affinché un RCD possa funzionare. È il caso della rete, ma anche se la sorgente CA è un generatore o un inverter.
Ma quando si utilizzano unità combinate inverter/caricabatterie, il collegamento MEN è meno semplice. L’unità inverter/caricabatterie funziona in due modalità:
Quando un inverter/caricabatterie sta commutando e funge da sorgente di alimentazione, si dovrà eseguire un vincolo MEN indipendente. Ma quando alimenta tramite generatore o rete, l’energia in entrata deve avere un vincolo MEN invece di un inverter/caricabatterie. Gli inverter/caricabatterie di Victron possiedono un relè di terra interno. Questo relè stabilisce o interrompe automaticamente la connessione tra la terra e il neutro. Se non lo si desidera, questo relè può essere disattivato nelle impostazioni dell'inverter/caricabatterie. Tenere presente che, se il relè è spento, è necessario collegare il neutro alla terra nel sistema. Parimenti, in alcuni impianti potrebbe non essere consentito interrompere il conduttore di neutro; in tal caso, se si utilizza un inverter/caricabatterie-II, scegliere un tipo di impostazione del codice di rete che preveda un percorso del neutro CA unito esternamente. |
L'inverter/caricabatterie è in modalità caricabatterie e/o in modalità passante: Quando l'inverter è collegato all'alimentazione CA, il relè di ingresso CA è chiuso mentre il relè di terra è aperto. Il sistema di uscita CA si basa sull'alimentazione CA per fornire il collegamento neutro-terra. Tale collegamento è necessario affinché l’RCD sul circuito di uscita CA sia operativo. Relè di terra Relè di ingresso CA
|
L’inverter/caricabatterie è in modalità inverter: Quando l’alimentazione CA è scollegata, spenta o guasta, il relè di ingresso CA si apre. Quando il relè di ingresso CA è aperto, l'impianto non dispone più di un collegamento neutro-terra. Ecco perché allo stesso tempo il relè di terra è chiuso. Nel momento in cui il relè di terra si chiude, significa che l'inverter/caricabatterie ha creato un collegamento interno neutro-terra. Tale collegamento è necessario affinché l’RCD sul circuito di uscita CA sia operativo.
|
7.5. Impianti mobili
Un impianto mobile funziona indipendentemente dalla rete. Quando si collega all’alimentazione CA, di solito si collega alla rete in diversi punti e/o generatori. Ad esempio, imbarcazioni, veicoli o sistemi di alimentazione mobile di riserva. In questo capitolo si prende in esame l'impianto di un'imbarcazione. Tuttavia, queste informazioni possono essere utilizzate per qualsiasi impianto mobile. Un impianto mobile non possiede un picchetto di terra. Di conseguenza, si deve utilizzare qualcos’altro per creare un potenziale di terra centrale. Tutte le parti metalliche della barca o del veicolo che si possono toccare devono essere collegate tra loro per creare una terra locale. Esempi di parti metalliche in un'imbarcazione o in un veicolo sono: il telaio, lo scafo, i tubi metallici del fluido, la ringhiera, il motore, i contatti di terra della presa di corrente, i parafulmini e la piastra di terra (se presente). Un sistema mobile in genere si collega a diverse sorgenti di alimentazione. In tali situazioni a volte non è chiaro quale connettore dell'alimentazione da banchina sia collegato a terra o persino se la terra sia collegata. Fase e neutro, inoltre, potrebbero non essere stati cablati correttamente. Collegare un’alimentazione come questa a un sistema mobile può creare un cortocircuito di terra. Oppure la terra è completamente assente. È anche importante sapere se il sistema mobile si collega all’alimentazione o se è scollegato dalla stessa e funziona autonomamente. Alcuni esempi di diverse situazioni riguardanti un sistema mobile sono: |
Una barca è collegata all’alimentazione da banchina Quando una barca è ormeggiata e collegata all’alimentazione banchina, tale impianto è simile a quello domestico. Esiste una sola differenza: la barca non possiede una sua connessione a terra, come il picchetto di terra degli impianti domestici. L’impianto della barca si basa su una terra fornita dalla connessione banchina. Sfortunatamente, tale terra non è sempre affidabile, giacché i cavi marini sono spesso lunghi e possono avere uno spessore dell’anima insufficiente. Per creare una situazione sicura, le parti metalliche della barca, come lo scafo, devono essere collegate alla terra in entrata dal cavo di alimentazione da banchina. La terra dell’alimentazione da banchina è collegata al neutro. Se si verifica una dispersione di terra, la corrente scorrerà attraverso il conduttore di terra del cavo di rete, ma anche attraverso lo scafo tramite l’acqua e di ritorno alla terra della banchina. Entrambi i circuiti di dispersione a terra possiedono lo stesso potenziale e si può dire che siano collegati in parallelo. Ma ancor più corrente scorrerà attraverso il conduttore di terra del cavo banchina. Il percorso attraverso lo scafo e l’acqua possiede una resistenza maggiore. L'RCD attiverà comunque un guasto di terra perché confronterà la corrente di fase in entrata con quella in uscita attraverso il neutro. | ![]() ![]() |
Una barca è scollegata dall’alimentazione da banchina Non appena l'imbarcazione si scollega dall’alimentazione da banchina, l'intero impianto cambia perché non fa più parte della rete e il collegamento con il neutro e la terra viene meno. L’impianto è ora l’alimentazione di rete e, assieme al carico, forma un suo circuito elettrico autonomo. La corrente non scorrerà attraverso lo scafo e l’acqua. | ![]() |
Rete fluttuante in una barca o in un veicolo (Rete IT) In un sistema mobile in cui l'inverter (o il generatore) è l'unica sorgente di alimentazione, si può scegliere di non utilizzare una rete TT ma una rete IT. In una rete IT, la fase e il neutro non sono accoppiati a un altro potenziale come la terra. Le tensioni create dalla sorgente di alimentazione indipendente sono fluttuanti. Un sistema come questo è molto sicuro e semplice da installare. Se una persona tocca un conduttore o un involucro di questo sistema, non scorrerà corrente verso terra. Ricordare che, affinché scorra corrente, è necessario un circuito completo. In questo sistema il conduttore di terra è assente e il circuito elettrico verso terra non è completo. Si tratta di una situazione simile a quella del trasformatore di sicurezza di un bagno. In linea di principio, inverter e generatori non sono altro che la sorgente di due differenze di potenziale con una differenza di 230 Volt (o 120 V). Se vengono toccati non scorrerà corrente, giacché il percorso è incompleto. È un caso identico a quello di un uccello appoggiato su un cavo elettrico. Tenere presente che toccare contemporaneamente il filo di fase e il filo neutro è sempre pericoloso perché il percorso è completo. | ![]() ![]() | |
![]() Sicuro, non scorre elettricità | ![]() Sicuro, non scorre elettricità | ![]() Non sicuro, scorre elettricità |
Rete mobile con terra e collegamento neutro-terra (rete TT) Se il sistema mobile si collega alla rete tramite un commutatore di trasferimento o tramite un inverter/caricabatterie, nel sistema si stabilisce una terra e un collegamento neutro-terra. Diventa una rete TT. Questo è il caso in cui i regolamenti locali richiedono che in un sistema mobile formato da un inverter o da un generatore siano cablati terra, un collegamento neutro-terra e un RCD. Nel momento in cui ciò accade, il sistema diventa più pericoloso, quindi non appena si aggiunge la terra e un collegamento neutro-terra a un sistema, è necessario installare un RCD, per soddisfare i requisiti della rete TT o TN alla quale è ora collegata la rete mobile. | ||
![]() Terra assente, non scorre elettricità | ![]() Terra aggiunta, scorre elettricità | ![]() Sicuro, l'RCD protegge in caso di flusso di elettricità |
Dalla rete IT alla rete TT In un sistema mobile è possibile creare una rete TT quando è collegato alla rete elettrica e, allo stesso tempo, diventa una rete IT fluttuante quando la rete è scollegata e si utilizza un generatore o un inverter. Ciò non è desiderabile e deve essere evitato. Quando un impianto si scollega dalla rete, si scollega anche dalla terra della rete. Se l'impianto mobile non è dotato di terra e nemmeno di collegamento terra-neutro, diventerà un sistema fluttuante nel momento in cui la rete viene scollegata. Sebbene il sistema sia dotato di un RCD, quest'ultimo non è più in grado di rilevare una corrente di dispersione a terra perché il neutro non è collegato a terra. È inutile premere il pulsante di prova dell'RCD se manca il collegamento neutro-terra. Quando si preme il pulsante di prova, si ha la falsa impressione che l'RCD sia operativo, mentre in realtà l'RCD non funziona in caso di guasto a terra perché manca il collegamento neutro-terra. Quando si preme il pulsante di test di un RCD, si attiva un bypass interno che simula una dispersione a terra, in modo che l'RCD possa essere testato elettricamente e meccanicamente. In nessun caso il pulsate di test può essere considerato un test di tutto l’impianto, giacché verifica solamente il proprio RCD. Ciò può creare confusione e/o situazioni pericolose. Per questi motivi si raccomanda di seguire sempre i principi della rete TT, anche nelle situazioni in cui l'impianto non è collegato alla rete elettrica. Il passaggio dalla rete IT alla rete TT deve prevedere un collegamento tra il neutro e la terra del sistema mobile non appena la rete viene scollegata. Ciò può essere effettuato automaticamente da un inverter/caricabatterie con un relè di terra oppure deve essere cablato in un interruttore di trasferimento. Non tutti gli inverter e i generatori possiedono un neutro collegato alla terra. Ciò deve essere sempre verificato prima di eseguire l’installazione Se necessario, il collegamento neutro-terra deve essere cablato |
7.6. Isolamento e messa a terra di un’apparecchiatura Victron
Questo capitolo spiega l’isolamento di una gamma di prodotti Victron tra CA e CC, o tra CC e CC. Queste informazioni sono necessarie affinché un sistema che contiene un prodotto Victron possa essere correttamente messo a terra. |
Isolamento di tutti gli inverter e inverter/caricabatterie di Victron:
In caso di messa a terra del positivo, i collegamenti di interfaccia non isolati si riferiranno al negativo CC e non alla terra. Mettere a terra tale connessione causerà danni al prodotto. Il morsetto di terra CA di tutti gli inverter e inverter/caricabatterie è collegato al telaio. |
Messa a terra del neutro CC negli inverter di Victron Il neutro di tutti gli inverter da 1600 VA e oltre e dell'inverter Compact 1200 VA è collegato al telaio. Mettendo a terra il telaio, pertanto, si mette a terra anche il neutro CA. Per il corretto funzionamento di un RCD (o di un RCCB, RCBO o GFCI) è necessario un neutro collegato a terra. Se non è disponibile una massa affidabile e/o se non è installato un RCD (o RCCB, RCBO o GFCI), la connessione del neutro CA al telaio deve essere rimossa per aumentare la sicurezza. Attenzione: un impianto come questo è molto probabile che non rispetti i regolamenti locali. Il neutro CA di inverter a potenza più bassa, generalmente, non è collegato al telaio. È tuttavia possibile stabilire un collegamento neutro-terra: consultare il manuale del prodotto. |
Messa a terra del neutro CC negli inverter/caricabatterie di Victron Il neutro CA in uscita di tutti gli inverter/caricabatterie è collegato al neutro CA in entrata quando i relè di ritorno di energia sono chiusi (CA disponibile in entrata). Quando i relè di reimissione sono aperti, un relè di terra collega il neutro in uscita al telaio. Per il corretto funzionamento di un RCD è necessario un neutro collegato a terra. Nella maggior parte dei modelli è possibile disattivare il relè di terra. Vedere il manuale del prodotto. |
Isolamento dei caricabatterie solari MPPT Non è presente un isolamento tra l'ingresso FV e l'uscita CC. Esiste un isolamento di base tra l’ingresso/uscita e il telaio. |
Isolamento di altri prodotti Caricabatterie: isolamento rafforzato tra CA e CC. Isolamento di base tra CA e telaio, tranne per i caricabatterie Smart IP65, che possiedono un isolamento rafforzato tra CA e l’involucro in plastica. Convertitori CC-CC, diodi, sdoppiatori FET e altri prodotti CC: l’involucro è sempre isolato dalla CC (isolamento di base). |
7.7. Messa a terra del sistema
Sinora abbiamo parlato della terra CA o della massa degli impianti CA, ma la messa a terra è necessaria anche per i componenti CC di un impianto. Questo capitolo descrive alcuni impianti comuni che contengono non solo un inverter/caricabatterie, ma anche un banco batterie, un caricabatterie solare e un modulo FV. |
Messa a terra di un sistema off-grid Non mettere a terra il positivo o il negativo del sistema del modulo FV. L’entrata del negativo FV dell’MPPT non è isolata dall’uscita negativa. Se si mette a terra il FV, pertanto, si generano correnti di terra. Il telaio FV, tuttavia, può essere messo a terra, sia vicino al modulo FV che (preferibilmente) sulla massa centrale. Ciò fornirà qualche protezione contro i fulmini. Massa vicina alla batteria. I poli della batteria teoricamente si possono toccare in sicurezza. La massa della batteria, pertanto, deve essere la connessione di terra più affidabile e visibile possibile. I cavi della massa CC devono avere uno spessore sufficiente per poter sopportare un guasto di corrente corrispondente per lo meno alla potenza del fusibile CC. Il telaio dell’inverter o del Multi/Quattro deve essere messo a terra. È presente un isolamento di base tra la CA e il telaio. Il telaio del caricabatterie solare MPPT deve essere messo a terra. È presente un isolamento di base tra la CA e il telaio. Si noti che la distribuzione CA con fusibili o MCB e la messa a terra del modulo e del telaio FV non sono mostrate. |
|
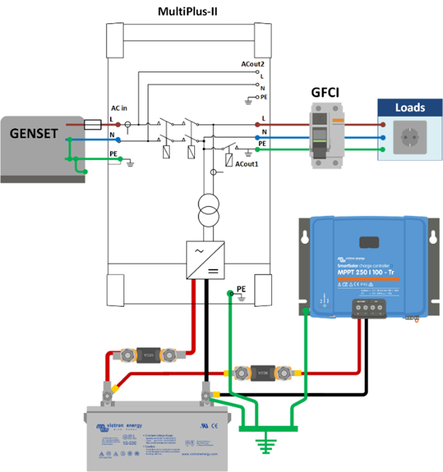
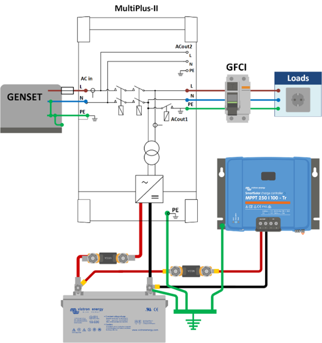
Off-grid con generatore Usare una sola massa, vicino alla batteria. I poli della batteria teoricamente si possono toccare in sicurezza. La massa della batteria, pertanto, deve essere la connessione di terra più affidabile e visibile possibile. I cavi della massa CC devono avere uno spessore sufficiente per poter sopportare un guasto di corrente corrispondente per lo meno alla potenza del fusibile CC. Parimenti, i cavi della massa CA devono poter sopportare un guasto di corrente corrispondente per lo meno alla potenza del fusibile CA. Un GFCI deve funzionare solamente se il telaio del Multi/Quattro è messo a terra. |
|
Sistema isolato con generatore ad alta potenza Mettere a terra il generatore direttamente sulla massa centrale. |
|
Sistema di Accumulo di Energia (ESS) collegato alla rete I cavi della massa CC devono avere uno spessore sufficiente per poter sopportare un guasto di corrente corrispondente per lo meno alla potenza del fusibile CC. Collegare il telaio dell’inverter/caricabatterie alla massa del sistema di sbarre La massa AC-out deve essere presa dal sistema di sbarre centrale o dal morsetto AC-out. |
|























