7. Masse-, Erdungs- und elektrische Sicherheit
Masse oder Erde stellt einen gemeinsamen Rückweg für elektrischen Strom in einem Stromkreis dar. Sie entsteht durch die Verbindung des Neutralpunktes einer Anlage mit der allgemeinen Masse der Erde oder eines Chassis. Die Erdung ist für die elektrische Sicherheit erforderlich und bildet auch einen Bezugspunkt in einem Stromkreis, an dem Spannungen gemessen werden. |
Im Allgemeinen gibt es 3 Arten von Erdung, nämlich:
|
| |
| ![]() |
7.1. Elektrische Sicherheit
Strom ist gefährlich, er kann eine Person töten, verletzen oder verbrennen. Es ist der Strom, der den gefährlichsten Teil der Elektrizität darstellt. Ein kleiner Strom, der durch eine Person fließt, kann bereits sehr gefährlich sein. Siehe die Tabelle unten. |
Elektrischer Strom (1-Sekunden-Kontakt) | Physiologische Effekte |
|---|---|
1 mA | Schwelle des Kribbelgefühls. |
5 mA | Wird als maximal harmloser Strom angesehen. |
10 - 20 mA | Beginn einer anhaltenden Muskelkontraktion („kann nicht loslassen“-Strom). |
100 - 30 mA | Herzkammerflimmern, das bei Fortdauer tödlich ist. Die Atmung funktioniert weiterhin. |
6 A | Anhaltende ventrikuläre Kontraktion, gefolgt von einem normalen Herzrhythmus (Defibrillation). Vorübergehende Lähmung der Atemwege und möglicherweise Verbrennungen. |
Der Strom wird fließen, sobald ein Stromkreis geschlossen wird. Stellen Sie sich beispielsweise zwei lose Wechselstromkabel vor, einen stromführenden und einen neutralen Draht. Wenn die Drähte einfach nur da hängen, fließt kein Strom, weil der Stromkreis nicht geschlossen ist. Aber sobald Sie einen stromführenden Draht mit einer Hand und den Neutralleiter mit einer anderen Hand berühren, haben Sie den Stromkreis geschlossen und der Strom fließt vom stromführenden Draht, über Ihren Körper und über Ihr Herz zurück zum Neutralleiter. Der Strom wird weiter fließen, bis die Sicherung durchbrennt, aber bis dahin sind Sie wahrscheinlich schon tot. |
![]() |
|
| ||
Freiliegende elektrische Drähte. | Der Stromkreis ist nicht geschlossen und der Strom kann nicht fließen. | Der Stromkreis ist geschlossen und der Strom fließt. |
Neben dem gleichzeitigen Berühren eines neutralen und eines unter Spannung stehenden Drahtes gibt es noch eine andere Möglichkeit, wie eine unsichere Situation eintreten kann, nämlich wenn der Strom über die Erde fließt. Dies ist eine häufigere Situation, als wenn jemand gleichzeitig eine Phase und einen Neutralleiter berührt. Der Neutralleiter wird irgendwann mit der Erde verbunden. Dies kann in der Hausinstallation, im Verteilernetz oder am Stromerzeuger (Sternpunkt) erfolgen. |
Wenn ein Fehler an elektrischen Geräten vorliegt, können die Metallteile der Außenseite dieser Geräte unter Spannung stehen. Dies kann daran liegen, dass es eine interne Abkürzung zwischen Strom und dem Metallgehäuse des Geräts gibt. Denken Sie zum Beispiel an eine defekte Waschmaschine. Ein Fehler kann verursacht worden sein, weil es einen elektrischen Fehler, eine mechanische Beschädigung oder beschädigte elektrische Leitungen gibt, die das Metallgehäuse von elektrischen Geräten berühren. Sobald Sie die defekte Waschmaschine berühren, fließt der Strom von der Phase zum Metallgehäuse, über Sie zur Erde. Von der Erde aus fließt der Strom dann in den Neutralleiter des Netzes. Der Stromkreis ist komplett. Der Strom fließt weiter, bis die Sicherung im Netz durchgebrannt ist. Aber wie in der vorherigen Situation sind Sie wahrscheinlich schon tot. | ![]() |
Um elektrische Installationen sicherer zu machen, wurde der Schutzleiter eingeführt. Das Erdungskabel verbindet das Metallgehäuse mit der Erde. Wenn Sie nun das defekte Gerät berühren, fließt Strom in das Erdungskabel und nicht in Sie. Der Grund dafür ist, dass der Strom den Weg des geringsten Widerstandes geht. Der Weg über Sie und die Erde ist ein widerstandsfähigerer Weg über den Erdleiter. Aber denken Sie daran, dass eine sehr kleine Menge an Strom noch über eine Person fließen kann. Ein Strom größer als 30 mA kann bereits gefährlich sein. Beachten Sie, dass ein Erdungskabel allein nicht ausreicht. Ein Fehlerstromschutzschalter (RCD) wird ebenfalls in einer Installation benötigt. Für weitere Informationen siehe Kapitel RCD, RCCB oder GFCI. | ![]() |
7.2. Erdungsleitung
Eine gute Erdung ist für die elektrische Sicherheit unerlässlich. Der Draht und die Erdungsanschlüsse müssen einen geringen elektrischen Widerstand aufweisen. Denken Sie daran, dass Strom den Weg des geringsten Widerstandes durchläuft. Sie müssen also sicherstellen, dass das Erdungskabel dick genug ist und alle Verbindungen dicht sind. Das Erdungskabel kann bei einem Gerätefehler potenziell große Ströme durchfließen lassen. Das Erdungskabel muss in der Lage sein, diesen Strom zu führen, bis die Systemsicherung durchbrennt. Daher ist es wichtig, dass der Erdungskabel dick genug ist. Erdungs- oder Masseleitungen sind gelb/grün. In älteren Installationen oder in anderen Ländern sehen Sie möglicherweise auch grünen Draht. |
| |
AchtungACHTUNG: Befolgen Sie immer die örtlichen Verkabelungsvorschriften für die korrekte Dimensionierung des Erdungskabels. | ||
7.3. RCD, RCCB oder GFCI
Elektrizität kann sehr gefährlich sein. Das Hinzufügen eines Schutzleiters in ein System erhöht die Sicherheit, aber eine Installation kann durch den Einbau eines RCD (Fehlerstromschutzschalters) noch sicherer gemacht werden. Die Verwendung eines RCD ist in allen Wechselstromanlagen obligatorisch. |
Funktion des RCD: Der RCD erkennt und trennt, sobald er erkennt, dass Strom in die Erde fließt. Strom fließt in die Erde, wenn es einen Fehler im System gibt, oder vor allem, wenn Strom durch eine Person fließt. RCDs sind so konzipiert, dass sie sich abschalten, sobald ein Stromfluss zur Erde erkannt wird. Ein Fehlerstromschutzschalter (RCD) kann unter verschiedenen Namen bekannt sein:
|
RCD-Betrieb: Ein RCD misst die Strombilanz zwischen Phase und Neutralleiter. Das Gerät öffnet seinen Kontakt, wenn es eine Stromdifferenz zwischen Phase und Neutralleiter erkennt. In einem sicheren System müssen der Vor- und Rücklaufstrom auf Null gesetzt werden. Wenn dies nicht der Fall ist, gibt es einen Fehler im System, der Strom fließt zur Erde oder zu einem anderen Stromkreis. |
| |
RCDs wurden entwickelt, um Stromschläge zu verhindern, indem sie diesen Ableitstrom erfassen, der viel kleiner sein kann (typischerweise 5–30 mA) als die Ströme, die zum Auslösen herkömmlicher Leistungsschalter oder Sicherungen (mehrere Ampere) erforderlich sind. RCDs sind für den Betrieb innerhalb von 25 - 40 Millisekunden vorgesehen. Diese Zeit ist schneller als die Zeit, die der Stromschlag benötigt, um das Herz in Herzflimmern zu treiben, die häufigste Todesursache durch Stromschlag. Ein sicheres System ist ein System, das vor Kurzschluss-, Überlast- und Erdschlussströmen schützt. |
| |
Die Erdschlusserkennung kann nur in Systemen erfolgen, in denen der Neutralleiter mit dem Schutzleiter verbunden ist, wie in einem TN- oder TT-System. Die Erkennung von Erdschlüssen ist in einem IT-Netzwerk nicht möglich. | ||
Wo ein RCD montiert werden soll Ein RCD muss vor den Lasten in einer Elektroinstallation montiert werden. In Wirklichkeit bedeutet dies, dass die RCDs montiert werden müssen, bevor die Installation in verschiedene Gruppen aufgeteilt wird. Wenn ein Wechselrichter oder Wechselrichter/Ladegerät verwendet wird, sollte der RCD danach kommen, da sonst kein Erdschutz bei laufendem Betrieb des Wechselrichters besteht. Verbraucher, die nur dann in Betrieb sind, wenn sie an den Landstrom angeschlossen sind, benötigen einen eigenen RCD. |
Belästigende Auslösung von RCDs In einigen Installationen werden RCD's vorzeitig auslösen. Dies kann durch Folgendes verursacht werden:
|
7.4. Neutral zum Erdungsanschluss in Wechselrichtern und in Wechselrichtern/Ladegeräten
Eine Wechselstromquelle muss einen Neutralleiter zur Erde (MEN-Link) haben, damit ein RCD betrieben werden kann. Dies gilt für das Netz, aber auch, wenn die Wechselstromquelle ein Generator oder ein Wechselrichter ist.
Wenn jedoch kombinierte Wechselrichter/Ladeeinheiten verwendet werden, ist die MEN-Verbindung weniger einfach. Die Wechselrichter/Ladeeinheit verfügt über zwei verschiedene Betriebsarten:
Wenn der Wechselrichter/Lader umkehrt und als Stromversorgung fungiert, muss er eine unabhängige MEN-Verbindung herstellen. Wenn es jedoch durch einen Generator oder ein Netz gespeist wird, muss das ankommende Netz anstelle des Wechselrichters/Laders den MEN-Link aufweisen. Victron Wechselrichter/Ladegeräte enthalten ein internes Erdungsrelais. Dieses Relais schaltet automatisch die Verbindung zwischen Erde und Neutralleiter ein oder aus. Wenn dies nicht gewünscht ist, kann dieses Relais in den Einstellungen des Wechselrichters/Ladegeräts ausgeschaltet werden. Beachten Sie, dass Sie bei ausgeschaltetem Relais einen Draht zwischen Nullleiter und Erde im System fest verdrahten müssen. Bei einigen Installationen ist die Unterbrechung des Nullleiters ebenfalls nicht erlaubt. Wählen Sie in diesem Fall, sofern ein Wechselrichter/Ladegerät-II verwendet wird, eine Netzcode-Einstellung, die besagt, dass der Wechselstromnullleiter extern verbunden ist. |
Der Wechselrichter/Ladegerät befindet sich im Lademodus und/oder Durchleitungsmodus: Wenn der Wechselrichter an die Wechselstromversorgung angeschlossen ist, ist das Wechselstromeingangsrelais geschlossen und gleichzeitig ist das Erdungsrelais geöffnet. Das Wechselstromausgangssystem ist auf die Wechselstromversorgung angewiesen, um den Neutral-Erde-Anschluss zu gewährleisten. Diese Verbindung wird benötigt, damit der RCD im Wechselstromausgangskreis betriebsbereit ist. Erdungsrelais des Wechselstromeingangs
|
Der Wechselrichter/Ladegerät befindet sich im Wechselrichtermodus: Wenn die Wechselstromspannungsversorgung unterbrochen, ausgeschaltet oder ausgefallen ist, öffnet sich das Wechselstromeingangsrelais. Bei geöffnetem Wechselstromeingangsrelais verfügt die Anlage nicht mehr über einen Neutral-Erdungsanschluss. Deshalb wird gleichzeitig das Erdungsrelais geschlossen. Sobald das Erdungsrelais schließt, hat der Wechselrichter/Lader eine interne Neutral-Erde-Verbindung hergestellt. Diese Verbindung wird benötigt, damit der RCD im Wechselstromausgangskreis betriebsbereit ist.
|
7.5. Mobile Anlagen
Eine mobile Anlage ist eine Anlage, die unabhängig vom Netz arbeitet. Wenn es an Wechselstrom angeschlossen wird, wird es in der Regel an verschiedenen Orten bzw. Generatoren an das Netz angeschlossen. Zum Beispiel wie Boote, Fahrzeuge oder mobile Notstromsysteme. In diesem Kapitel wird eine Bootsanlage dargestellt. Diese Informationen können jedoch für jede beliebige Art von mobilen Anlagen verwendet werden. Ein mobiles System hat keinen Erdpfahl. Es wird also etwas anderes an seiner Stelle benötigt, um ein zentrales Erdpotential zu schaffen. Alle berührbaren Metallteile des Bootes oder Fahrzeugs müssen miteinander verbunden sein, um eine lokale Erde zu bilden. Beispiele für Metallteile in einem Boot oder Fahrzeug sind: Chassis, Rumpf, Metallfluidrohre, Geländer, Motor, Steckdosenschutzkontakte, Blitzableiter und die Erdungsplatte (falls vorhanden). Ein mobiles System verbindet sich typischerweise mit einer Vielzahl von Stromquellen. In solchen Situationen ist es manchmal nicht ganz klar, welche der Leitungen in der Landstromversorgung mit der Erde verbunden ist oder ob die Erde überhaupt angeschlossen ist. Auch Phase und Neutralleiter sind möglicherweise nicht richtig verdrahtet. Der Anschluss einer solchen Stromversorgung an ein mobiles System kann zu einem Kurzschluss gegen Erde führen. Oder die Erde fehlt ganz. Es ist auch wichtig, ob sich das mobile System mit dem Stromnetz verbindet oder ob es vom Stromnetz getrennt ist und autonom läuft. Einige Beispiele für verschiedene Situationen, in denen sich ein mobiles System befinden kann: |
Ein Boot ist an den Landstrom angeschlossen Wenn ein Boot festgemacht und an Land angeschlossen ist, ist die Installation ähnlich wie bei einer Wohnanlage. Es gibt nur einen Unterschied; das Boot hat keinen eigenen Erdanschluss; wie der Erdspieß, den man in einem Haus findet. Die Bootsinstallation basiert auf der Erde, die durch den Landanschluss bereitgestellt wird. Leider ist diese Erde nicht immer zuverlässig, da die Marina-Kabel oft lang sind und eine unzureichende Kabelkerndicke aufweisen können. Um eine sichere Situation zu schaffen, müssen die Metallteile des Bootes, wie der Rumpf, mit der vom Landstromkabel kommenden Erde verbunden werden. Die Landstromerde ist mit dem Neutralleiter verbunden. Tritt ein Erdschluss auf, fließt der Strom durch den Erdleiter im Netzkabel, aber auch über den Rumpf über das Wasser und zurück zur Landstromerde. Beide Ableitstromkreise haben das gleiche Potential und sind in gewisser Weise parallel geschaltet. Aber mehr Strom fließt durch den Erdleiter im Landstromkabel. Der Weg durch den Rumpf und das Wasser hat einen größeren Widerstand. Der RCD löst immer noch einen Erdschluss aus, da er den Phasenstrom über den Neutralleiter mit dem Stromausgang vergleicht. | ![]() ![]() |
Ein Boot ist vom Landstrom getrennt. Sobald das Boot vom Landstrom getrennt wird, ändert sich die gesamte Anlage, da die Anlage nun nicht mehr Teil des Netzes ist und die Verbindung zu Neutralleiter und Erde unterbrochen wird. Die Installation ist nun die Hauptstromversorgung und bildet zusammen mit der Last einen eigenen autonomen Stromkreis. Es wird kein Strom in den Rumpf und ins Wasser fließen. | ![]() |
Schwimmendes Netzwerk im Boot oder Fahrzeug (IT-Netzwerk) In einem mobilen System, in dem ein Wechselrichter (oder Generator) die einzige Stromquelle ist, kann man sich gezielt dafür entscheiden, kein TT-Netz zu verwenden, sondern ein IT-Netz. In einem IT-Netzwerk sind Phase und Neutralleiter nicht mit einem anderen Potential wie der Erde gekoppelt. Die von der unabhängigen Stromquelle erzeugten Spannungen sind gleitend. Ein solches System ist sehr sicher und einfach zu installieren. Wird ein Leiter oder Gehäuse in diesem System von einer Person berührt, kann kein Strom zur Erde fließen. Denken Sie daran, dass für den Stromfluss eine komplette Schaltung benötigt wird. In diesem System fehlt der Erdungsleiter und der Stromkreis zur Erde ist nicht vollständig. Dies ist eine ähnliche Situation wie der Sicherheitstransformator in einem Badezimmer. Wechselrichter und Generatoren sind im Prinzip nichts anderes als die Quelle von zwei Potentialdifferenzen mit einer Differenz von 230 Volt (oder 120 V). Das Berühren führt nicht zu einem Stromfluss, da der Pfad unvollständig ist. Es ist das gleiche wie ein Vogel, der auf einem Stromkabel sitzt. Beachten Sie, dass es immer gefährlich ist, sowohl die Phase als auch den Neutralleiter gleichzeitig zu berühren, da dann der Pfad vollständig ist. | ![]() ![]() | |
![]() Sicher, es wird kein Strom fließen | ![]() Sicher, es wird kein Strom fließen | ![]() Unsicher, Strom wird fließen |
Mobilnetz mit Erdung und neutralem Erdungsanschluss (TT-Netz) Wenn das mobile System über einen Netzschalter oder über einen Wechselrichter/Ladegerät an das Netz angeschlossen wird, wird die Erde und eine neutrale Verbindung zur Erde in das System eingeführt. Es wird zu einem TT-Netzwerk. Dies gilt auch, wenn die örtliche Regelung erfordert, dass eine erd- und erdneutrale Verbindung und ein RCD in einem mobilen System, das einen Wechselrichter oder Generator enthält, fest verdrahtet ist. In dem Moment, in dem dies geschieht, wird das System gefährlicher, so dass, sobald die Erde und ein neutraler Erdungsanschluss zu einem System hinzugefügt wurden, ein RCD installiert werden muss, um die Anforderungen des TT- oder TN-Netzes zu erfüllen, mit dem das Mobilfunknetz nun verbunden ist. | ||
![]() Keine Erde, es wird kein Strom fließen | ![]() Erde hinzugefügt, Strom wird fließen | ![]() Sicher, der FI-Schutzschalter schützt, wenn Strom fließt |
Vom IT-Netzwerk zum TT-Netzwerk Mit mobilen Systemen ist es möglich, ein Netzwerk zu schaffen, das bei Netzanschluss ein TT-Netzwerk ist, und gleichzeitig ein schwebendes IT-Netzwerk zu werden, wenn das Netz getrennt wird und ein Generator oder Wechselrichter in Betrieb ist. Das ist etwas, das nicht erwünscht ist und vermieden werden sollte. Wenn eine Anlage vom Netz getrennt wird, trennt sie sich auch von der Netzerde. Wenn die mobile Installation keine Erde und auch keine Erdung und neutrale Verbindung hat, wird sie zu einem schwebenden System, sobald das Netz getrennt wird. Obwohl das System möglicherweise einen RCD hat, kann der RCD keinen Erdschlussstrom mehr erkennen, da der Neutralleiter nicht mit der Erde verbunden ist. Das Drücken der Testtaste am RCD ist nutzlos, wenn die Neutral-Erde-Verbindung fehlt. Wenn Sie die Testtaste drücken, erhalten Sie den falschen Eindruck, dass der RCD betriebsbereit ist, während der RCD in Wirklichkeit im Falle eines Erdschlusses nicht funktioniert, da der Neutralleiter zur Erdverbindung fehlt. Wenn die Testtaste eines RCD gedrückt wird, wird ein interner Bypass aktiviert, der ein Erdleck simuliert, so dass der RCD elektrisch und mechanisch getestet werden kann. Die Testtaste ist keineswegs ein Test für die gesamte Installation. Sie testet nur den RCD selbst. Dies führt zu Verwirrung bzw. gefährlichen Situationen. Aus diesen Gründen wird empfohlen, immer die Prinzipien des TT-Netzwerks zu beachten, auch wenn die Installation nicht an das Stromnetz angeschlossen ist. Der Wechsel vom IT- zum TT-Netzwerk muss eine Verbindung zwischen neutraler und mobiler Systemerde ermöglichen, sobald das Netz getrennt wird. Dies kann automatisch durch einen Wechselrichter/Ladegerät mit Erdungsrelais erfolgen oder muss fest mit einem Transferschalter verbunden werden. Nicht alle Wechselrichter und Generatoren haben einen Neutralleiter, der mit der Erde verbunden ist. Dies muss immer vor der Installation überprüft werden. Und bei Bedarf muss eine Neutral-Erdverbindung fest verdrahtet sein. |
7.6. Isolierung und Erdung von Victron-Geräten
In diesem Kapitel wird die Isolierung einer Vielzahl von Victron-Produkten zwischen Wechselstrom und Gleichstrom oder zwischen Gleichstrom und Gleichstrom erläutert. Diese Informationen werden benötigt, damit ein System, das ein Victron-Produkt enthält, korrekt geerdet werden kann. |
Isolierung aller Victron-Wechselrichter und Wechselrichter/Ladegeräte:
Im Falle einer positiven Erdung beziehen sich die nicht isolierten Schnittstellenanschlüsse auf das Gleichstrom-Minuspol und nicht auf die Erde. Die Erdung einer solchen Verbindung führt zu einer Beschädigung des Produkts. Die Wechselstrom-Erdklemme aller Wechselrichter und Wechselrichter/Ladegeräte ist mit dem Chassis verbunden. |
Wechselstromneutrale Erdung von Victron-Wechselrichtern Der Neutralleiter aller Wechselrichter mit einer Nennleistung von 1600 VA und darüber sowie der Inverter Compact 1200 VA sind mit dem Chassis verbunden. Die Erdung des Chassis wird daher auch den Wechselstrom-Nullleiter erden. Für den ordnungsgemäßen Betrieb eines RCD (oder RCCB, RCBO oder GFCI) ist ein geerdeter Nullleiter erforderlich. Wenn keine zuverlässige Masse vorhanden ist bzw. wenn kein RCD (oder RCCB, RCBO oder GFCI) installiert ist, sollte der Wechselstrom-Neutralanschluss zum Chassis entfernt werden, um die Sicherheit zu erhöhen. Achtung: Eine solche Installation entspricht möglicherweise nicht den örtlichen Vorschriften. Der Wechselstromneutralleiter von Wechselrichtern mit niedrigerer Leistung ist in der Regel nicht mit dem Chassis verbunden. Es kann jedoch eine neutrale Verbindung zur Erde hergestellt werden: Bitte beachten Sie das Produkthandbuch. |
Wechselstromneutrale Erdung der Victron Wechselrichter/Ladegeräte Der Ausgangs-Wechselstromneutralleiter aller Wechselrichter/Ladegeräte wird mit dem Eingangs-Wechselstromneutralleiter verbunden, wenn die Rückspeiserelais geschlossen sind (Wechselstrom am Eingang verfügbar). Bei geöffneten Rückführrelais verbindet ein Erdungsrelais den abgehenden Neutralleiter mit dem Chassis. Für den ordnungsgemäßen Betrieb eines RCD ist ein geerdeter Neutralleiter erforderlich. Die Deaktivierung des Erdungsrelais ist bei den meisten Modellen möglich. Bitte beachten Sie das Produkthandbuch. |
Isolierung von MPPT-Solarladegeräten Es gibt keine Isolierung zwischen PV-Eingang und DC-Ausgang. Es besteht eine grundlegende Isolierung zwischen Eingang/Ausgang und Chassis. |
Isolation anderer Produkte Batterieladegeräte: verstärkte Isolation zwischen Wechselstrom und Gleichstrom. Einfache Isolation zwischen Wechselstrom und Chassis, mit Ausnahme der Smart IP65-Ladegeräte, die eine verstärkte Isolation zwischen Wechselstrom und dem Kunststoffgehäuse aufweisen. DC-DC-Wandler, Dioden- und FET-Splitter und andere DC-Produkte: Das Gehäuse ist immer vom DC getrennt (einfache Isolation). |
7.7. Systemerdung
Bisher haben wir über Wechselstromerde oder -masse in Wechselstromanlagen gesprochen, aber auch für die Gleichstromkomponenten in einer Anlage ist eine Erdung erforderlich. In diesem Kapitel werden einige gängige Installationen beschrieben, die nicht nur einen Wechselrichter/Ladegerät, sondern auch eine Batteriebank, ein Solarladegerät und eine PV-Anlage enthalten. |
Netzunabhängige Systemerdung Erden Sie nicht das Plus oder Minus der PV-Anlage. Der negative PV-Eingang des MPPT ist nicht vom negativen Ausgang isoliert. Die Erdung der PV führt daher zu Erdströmen. Die PV-Rahmen können jedoch geerdet werden, entweder in der Nähe der PV-Anlage oder (vorzugsweise) an der zentralen Masse. Dies bietet einen gewissen Schutz vor Blitzschlag. Erdung in der Nähe der Batterie. Die Batteriepole sollen berührungssicher sein. Die Batteriemasse sollte daher die zuverlässigste und sichtbarste Erdungsverbindung sein. Die DC-Erdungsverkabelung sollte ausreichend stark sein, um einen Fehlerstrom führen zu können, der mindestens dem DC-Sicherungsnennwert entspricht. Das Chassis des Wechselrichters oder Multi/Quattro muss geerdet werden. Zwischen Wechselstrom und Chassis befindet sich eine Grundisolierung. Das Chassis des MPPT-Solarladegeräts muss geerdet werden. Zwischen Wechselstrom und Chassis besteht eine Grundisolierung. Bitte beachten Sie, dass die Wechselstromverteilung mit Sicherungen oder MCBs und PV-Anlagen und PV-Rahmenerdung nicht dargestellt ist. |
|
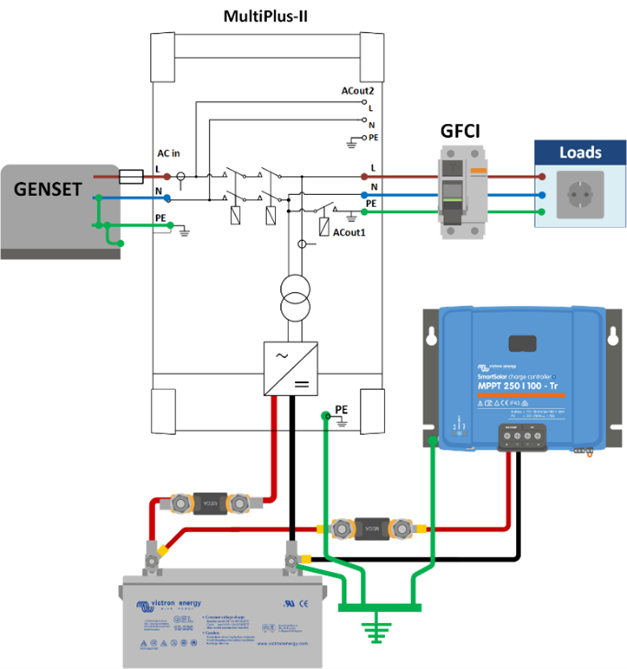
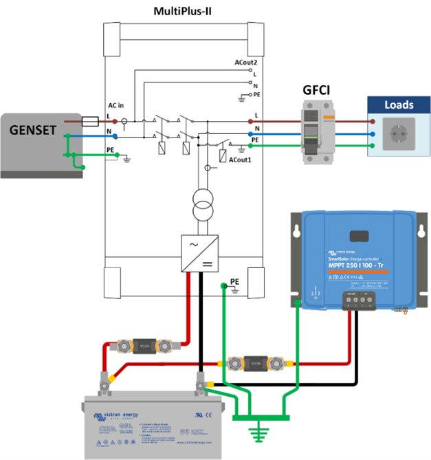
Netzunabhängig mit Generator Verwenden Sie nur eine Erdung in der Nähe der Batterie. Die Batteriepole sollen berührungssicher sein. Die Batteriemasse sollte daher die zuverlässigste und sichtbarste Erdungsverbindung sein. Die DC-Erdungsverkabelung sollte ausreichend stark sein, um einen Fehlerstrom führen zu können, der mindestens dem DC-Sicherungsnennwert entspricht. Ebenso sollte die Wechselstromerdverkabelung in der Lage sein, einen Fehlerstrom zu führen, der mindestens gleich der Wechselstromsicherungsleistung ist. Eine GFCI ist nur funktionsfähig, wenn das Chassis des Multi/Quattro geerdet ist. |
|
Netzunabhängig mit Hochleistungsgenerator Erden Sie den Generator direkt an der zentralen Erdung. |
|
Netzgekoppeltes Energiespeichersystem (ESS) Die Gleichstrommasseverkabelung sollte in der Lage sein, einen Fehlerstrom zu führen, der mindestens gleich dem Gleichstromsicherungswert ist. Verbinden Sie das Chassis des Wechselrichters/Ladegeräts mit der Erdungssammelschiene. Die Wechselstromausgangsmasse kann von der zentralen Sammelschiene oder von der Wechselstromausgangsklemme entnommen werden. |
|























